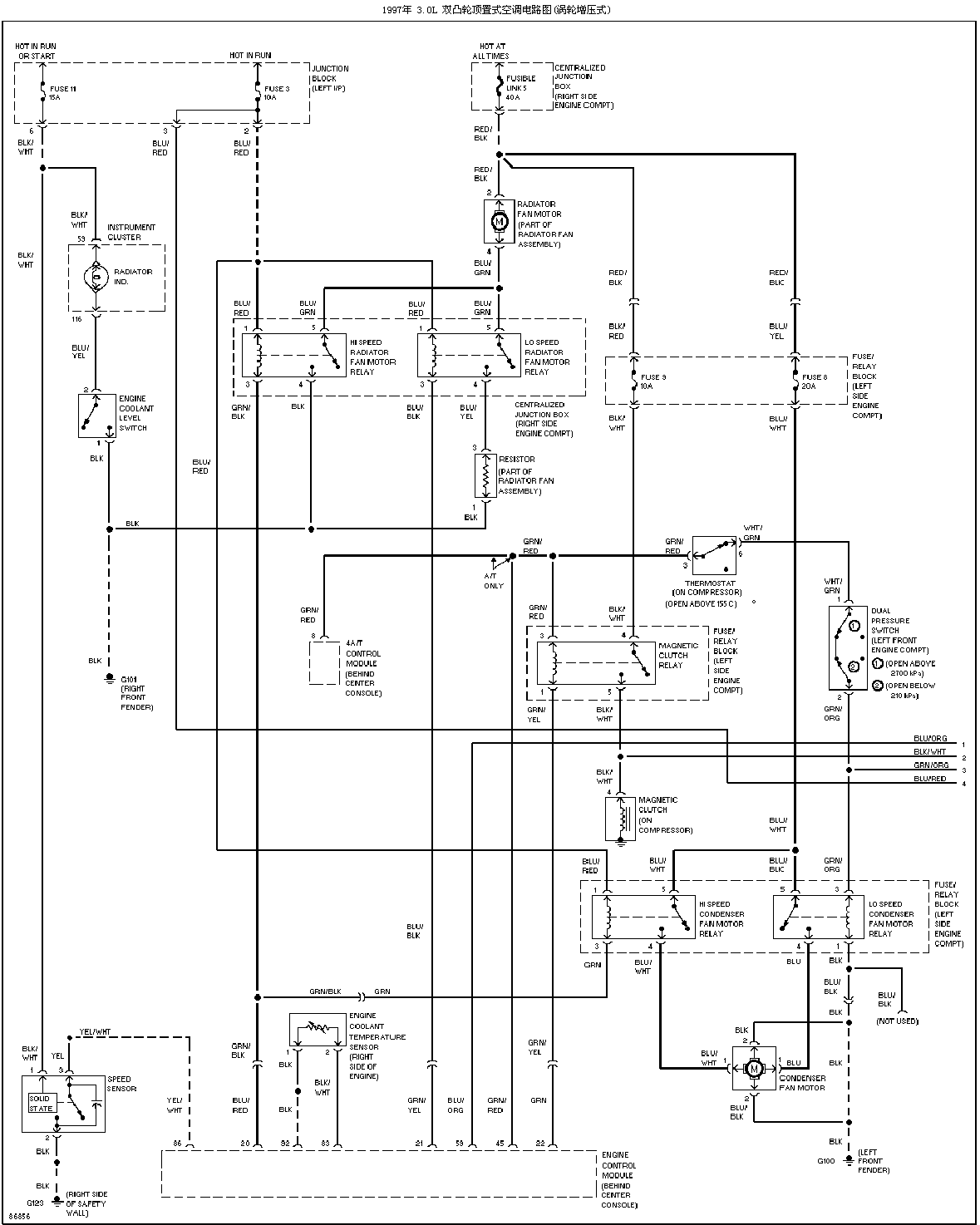
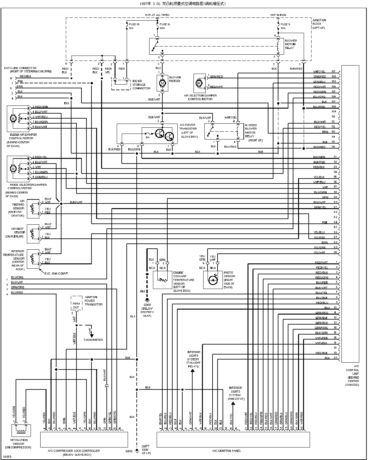
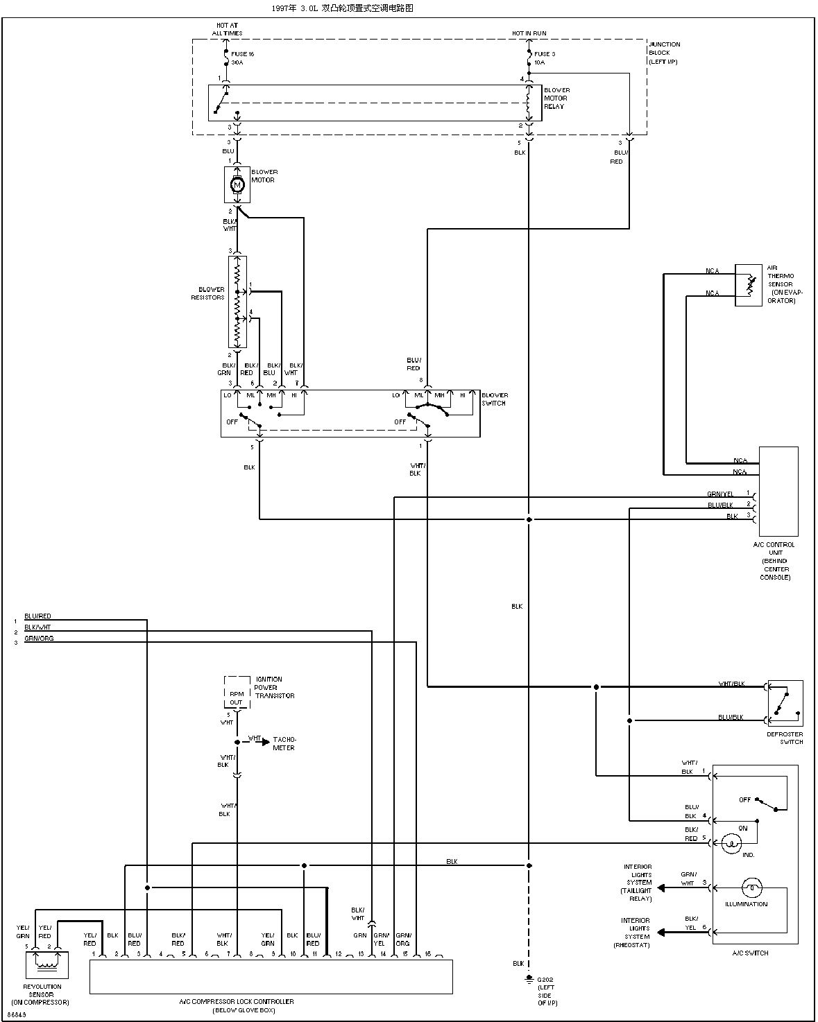
| 3.0L 空调系统电路图 (双顶置式凸轮轴)(涡轮增压) (1) (2) | |
| 3.0L 空调系统电路图 (双顶置式凸轮轴) (1) (2) | |
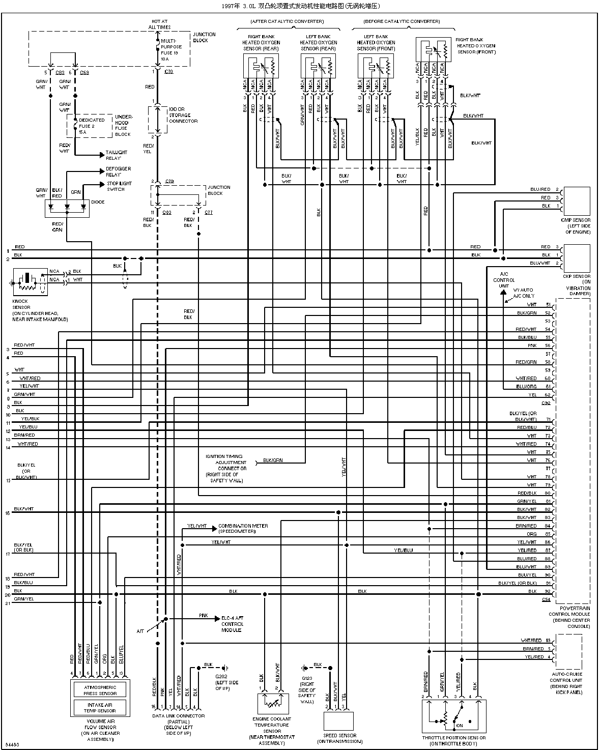
| 3.0L 发动机性能电路图 (双顶置式凸轮轴) (1) (2) (3) | |
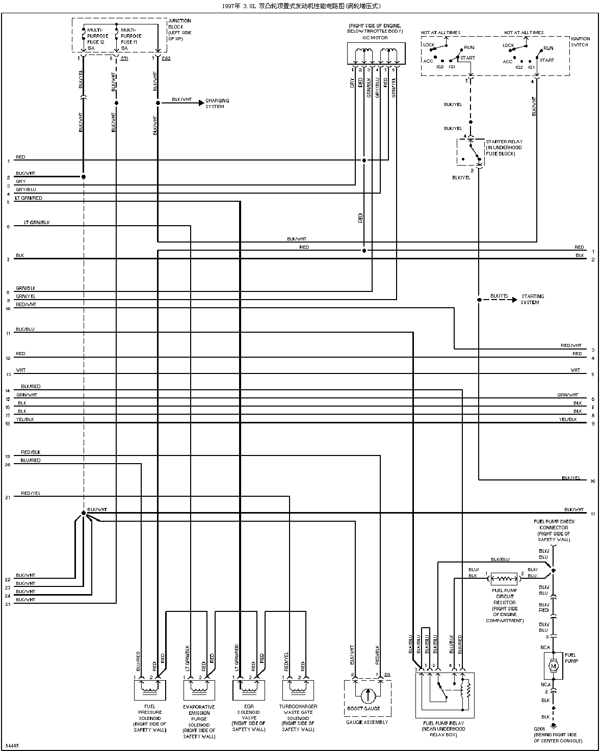
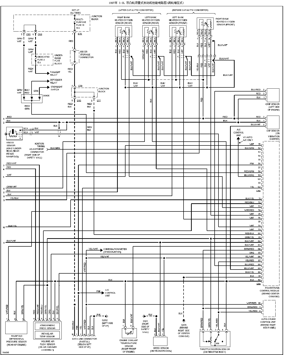
| 3.0L 发动机性能电路图 (双顶置式凸轮轴)(涡轮增压) (1) (2) (3) | |
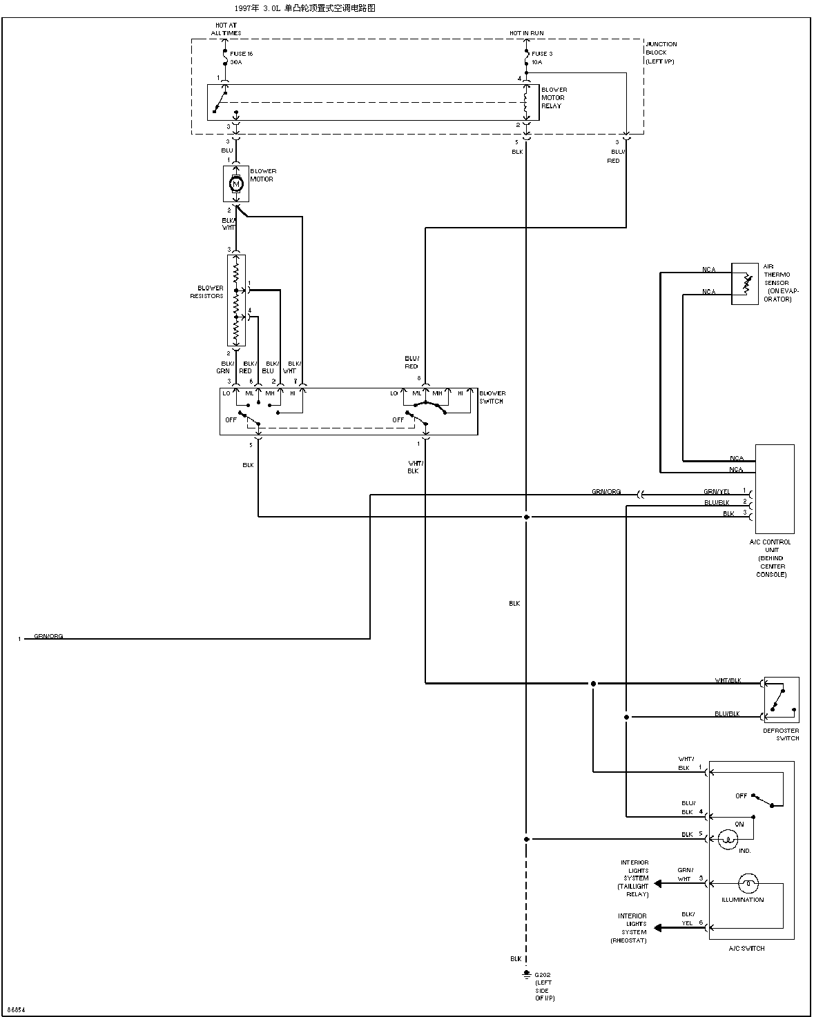
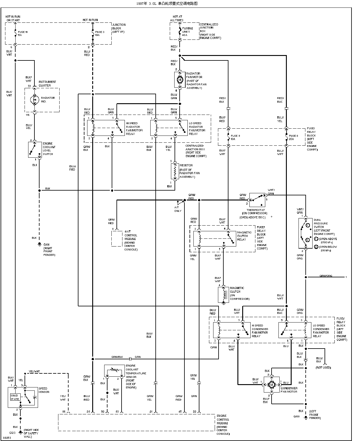
| 3.0L 空调系统电路图 (单顶置式凸轮轴) (1) (2) | |
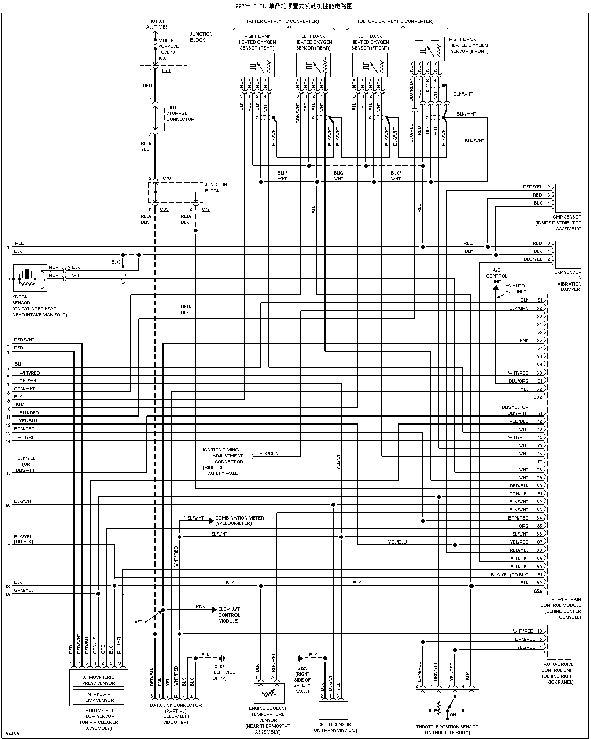
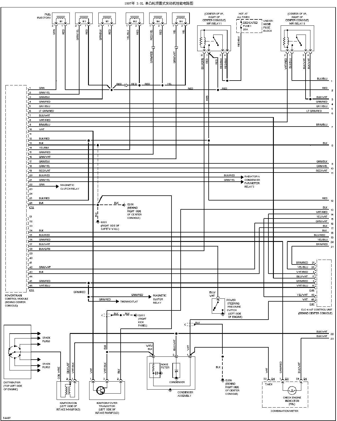
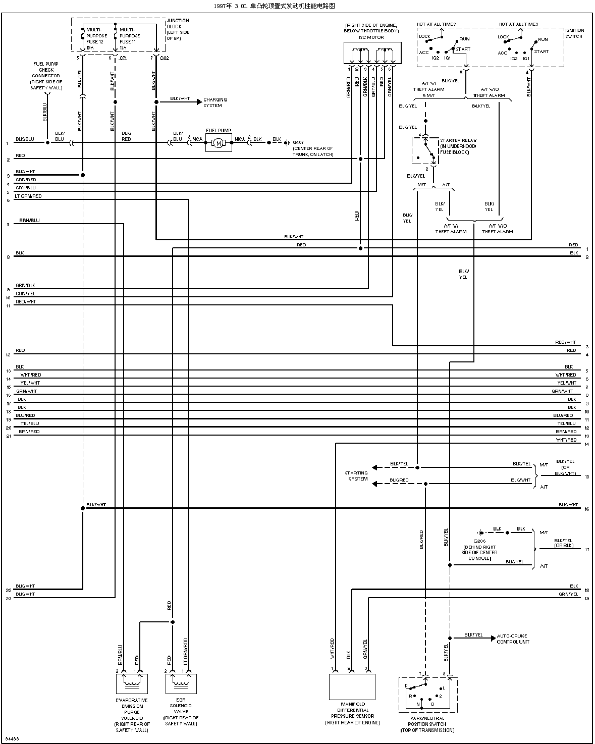
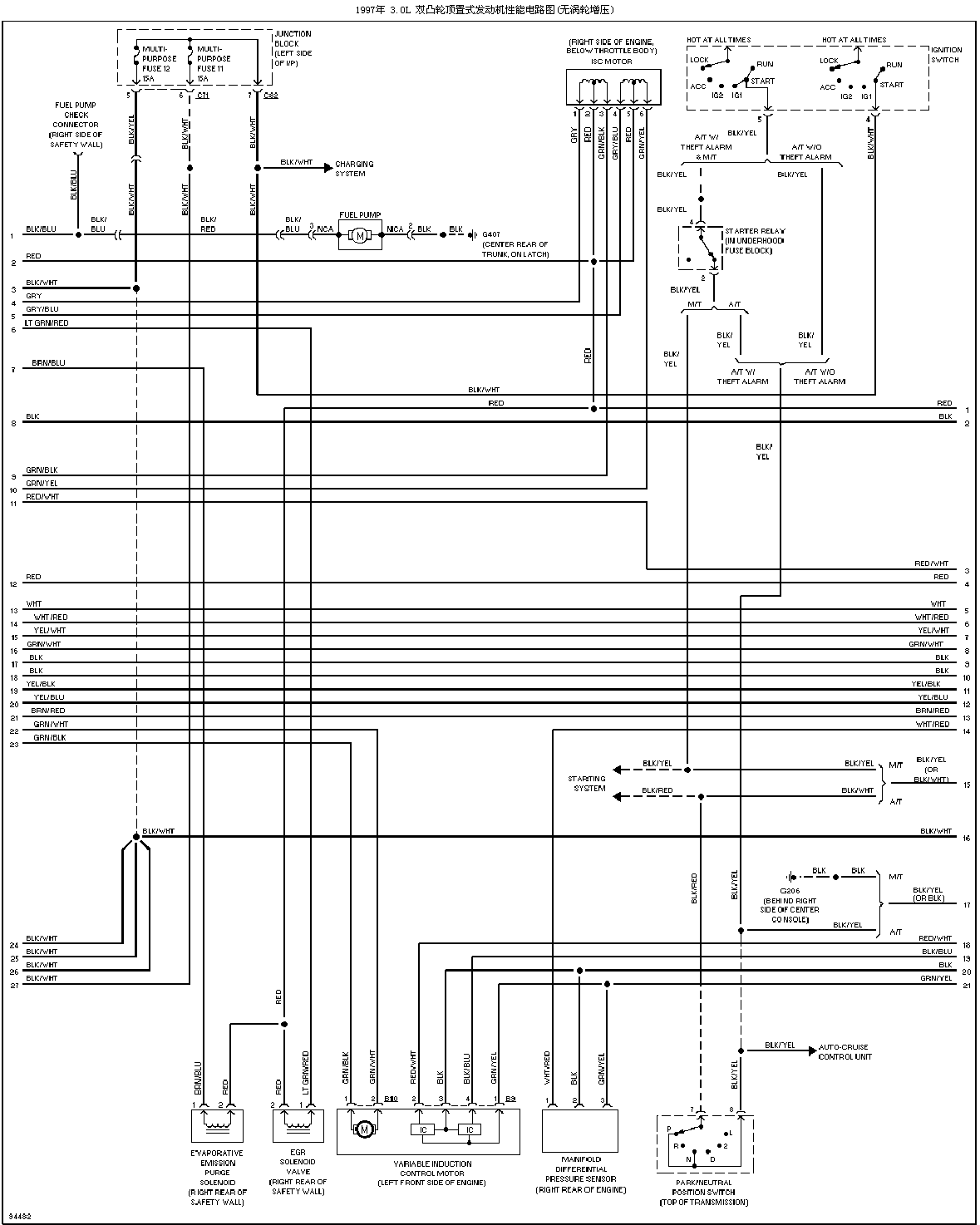
| 3.0L 发动机性能电路图 (单顶置式凸轮轴) (1) (2) (3) | |
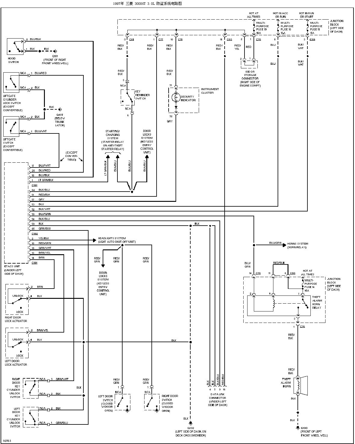
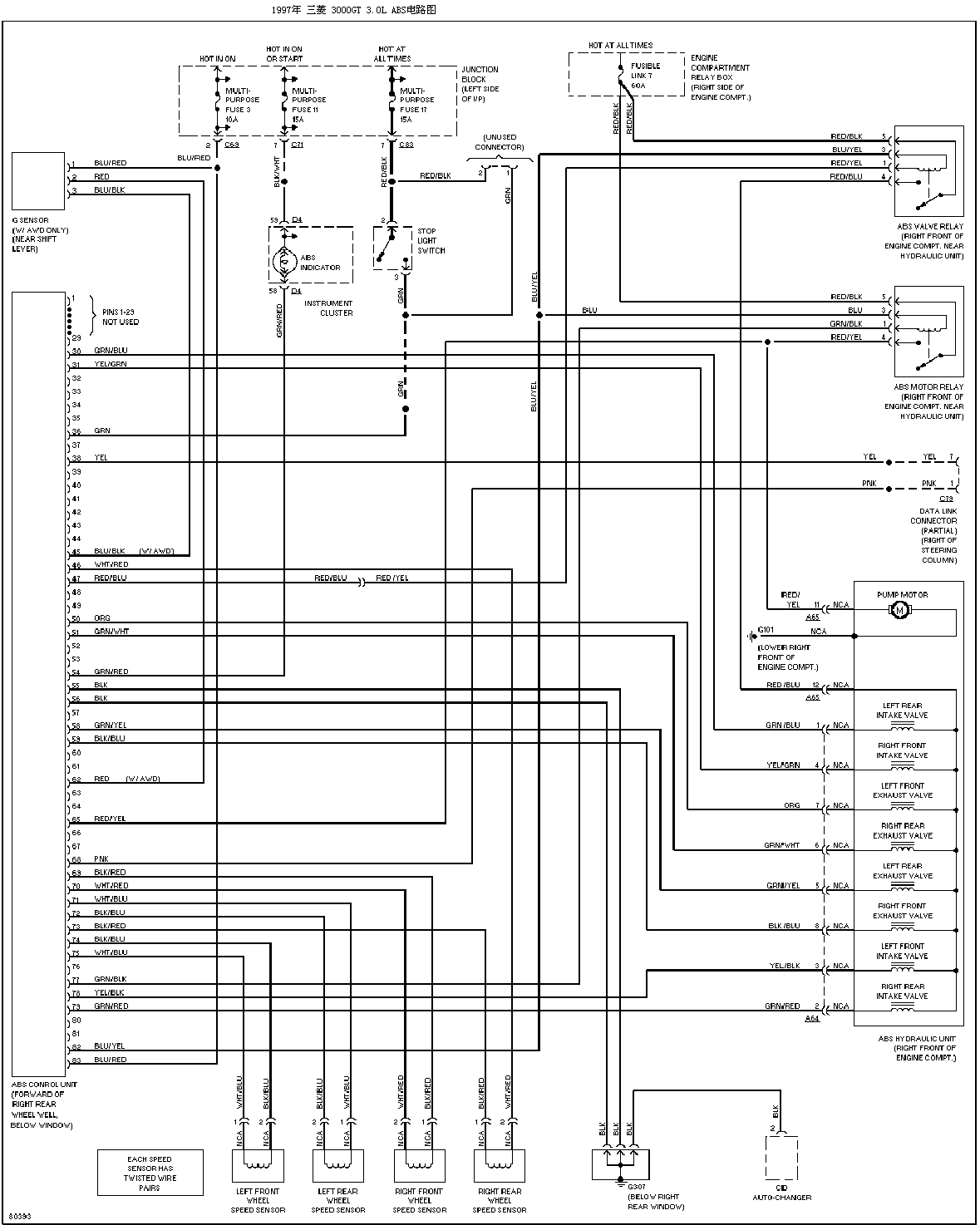
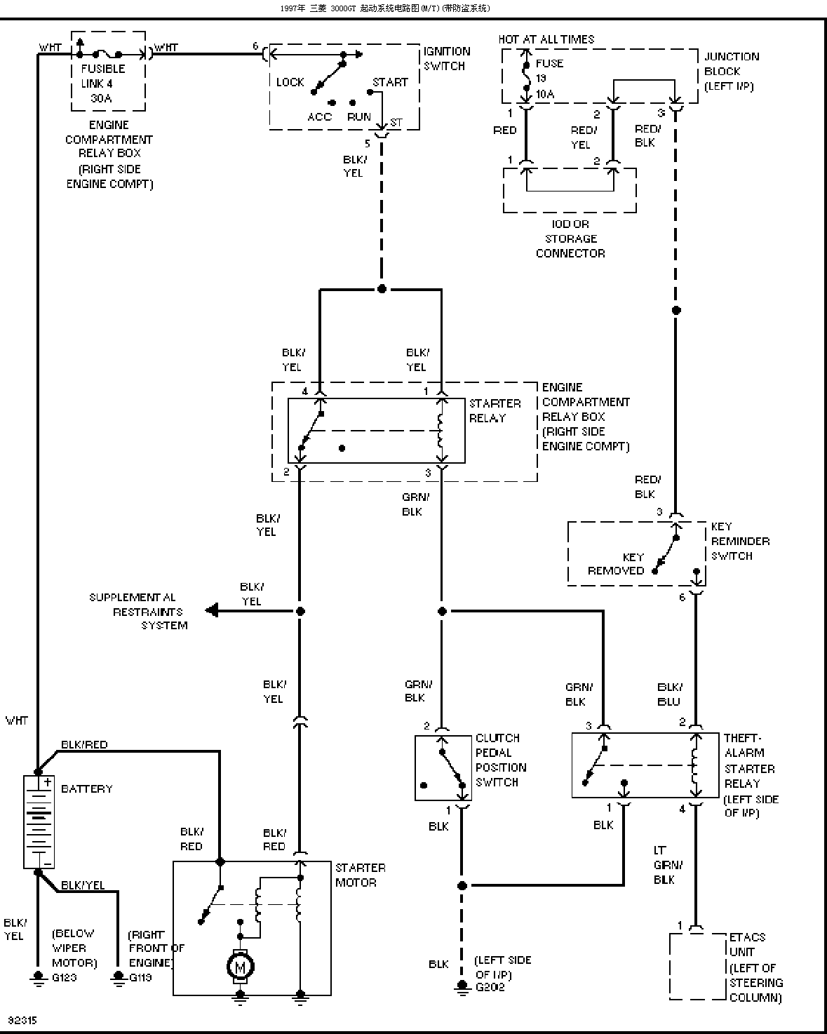
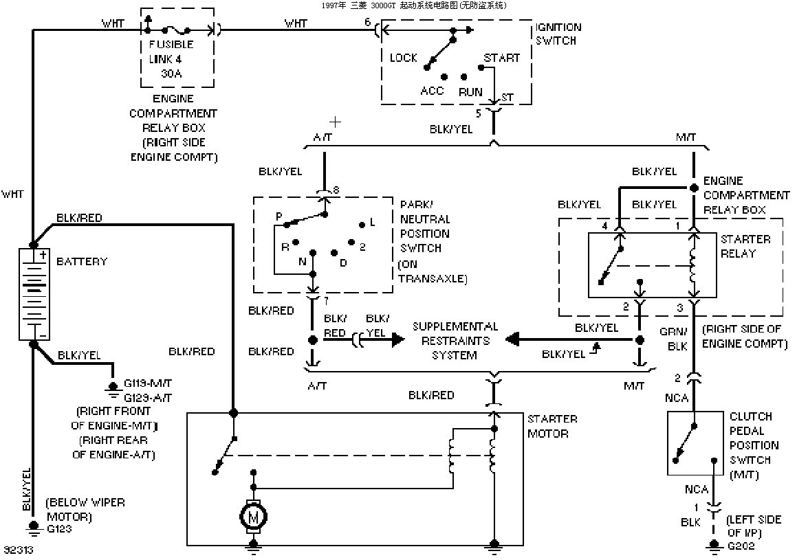
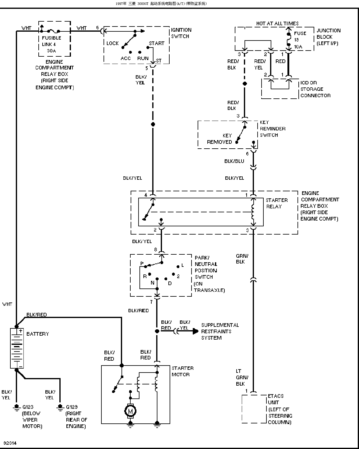
| ABS电路图 | 防盗系统电路图 |
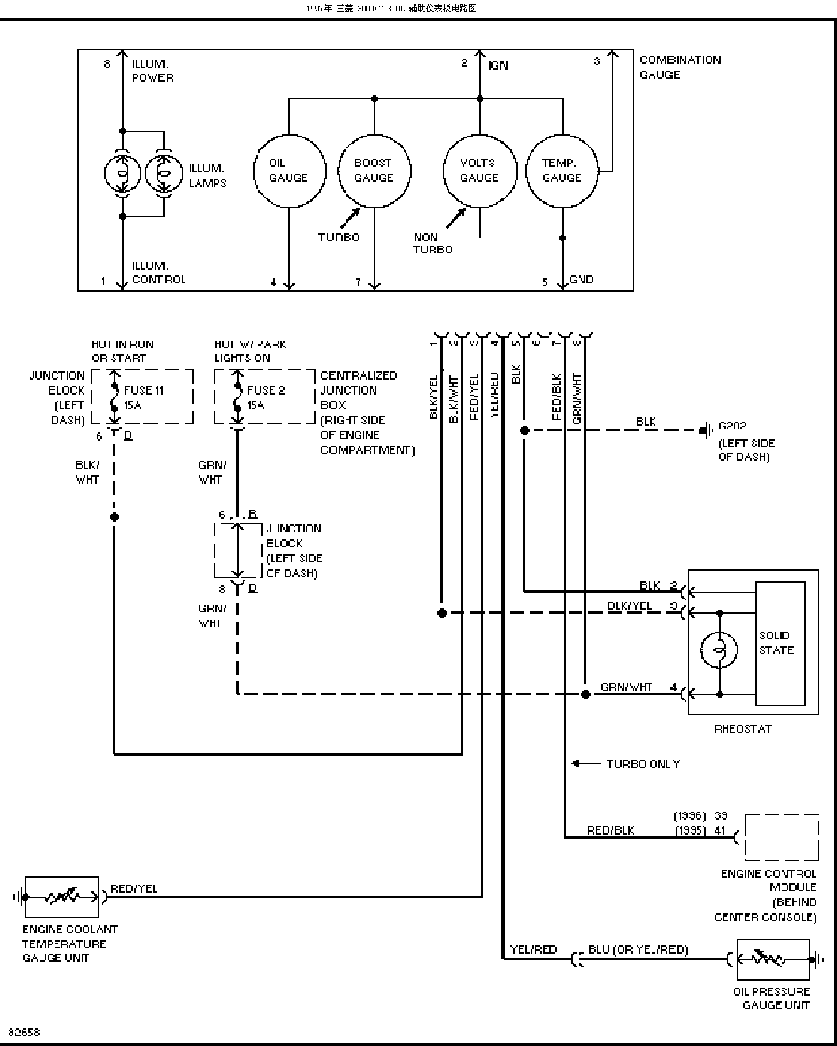
| 辅助仪表板电路图 | 倒车灯电路图 |
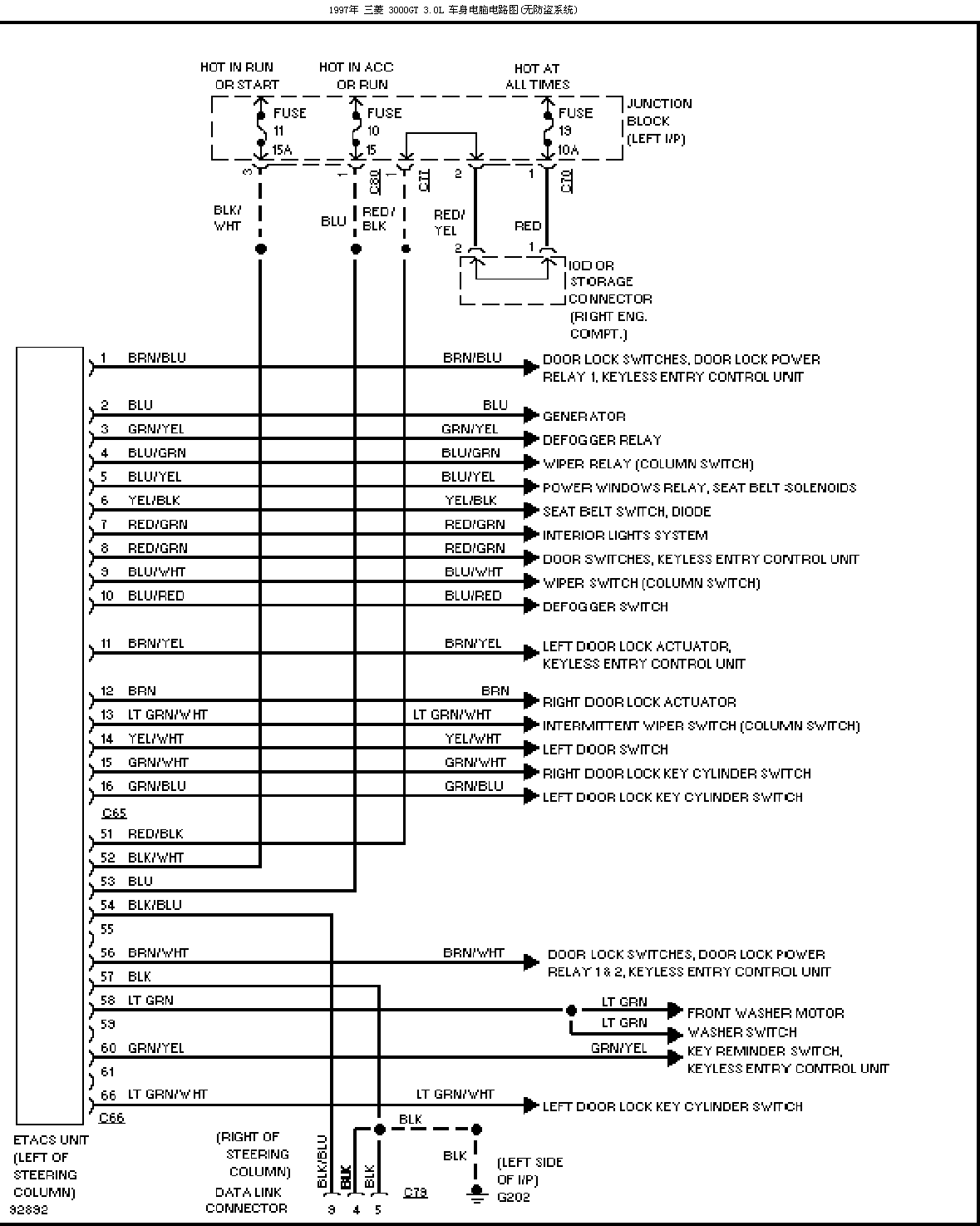
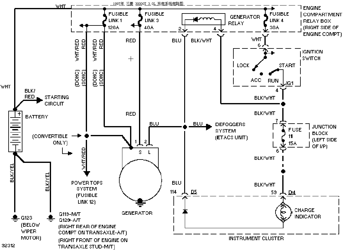
| 车身电脑电路图 (带) (无) 防盗系统 | 充电系统电路图 |
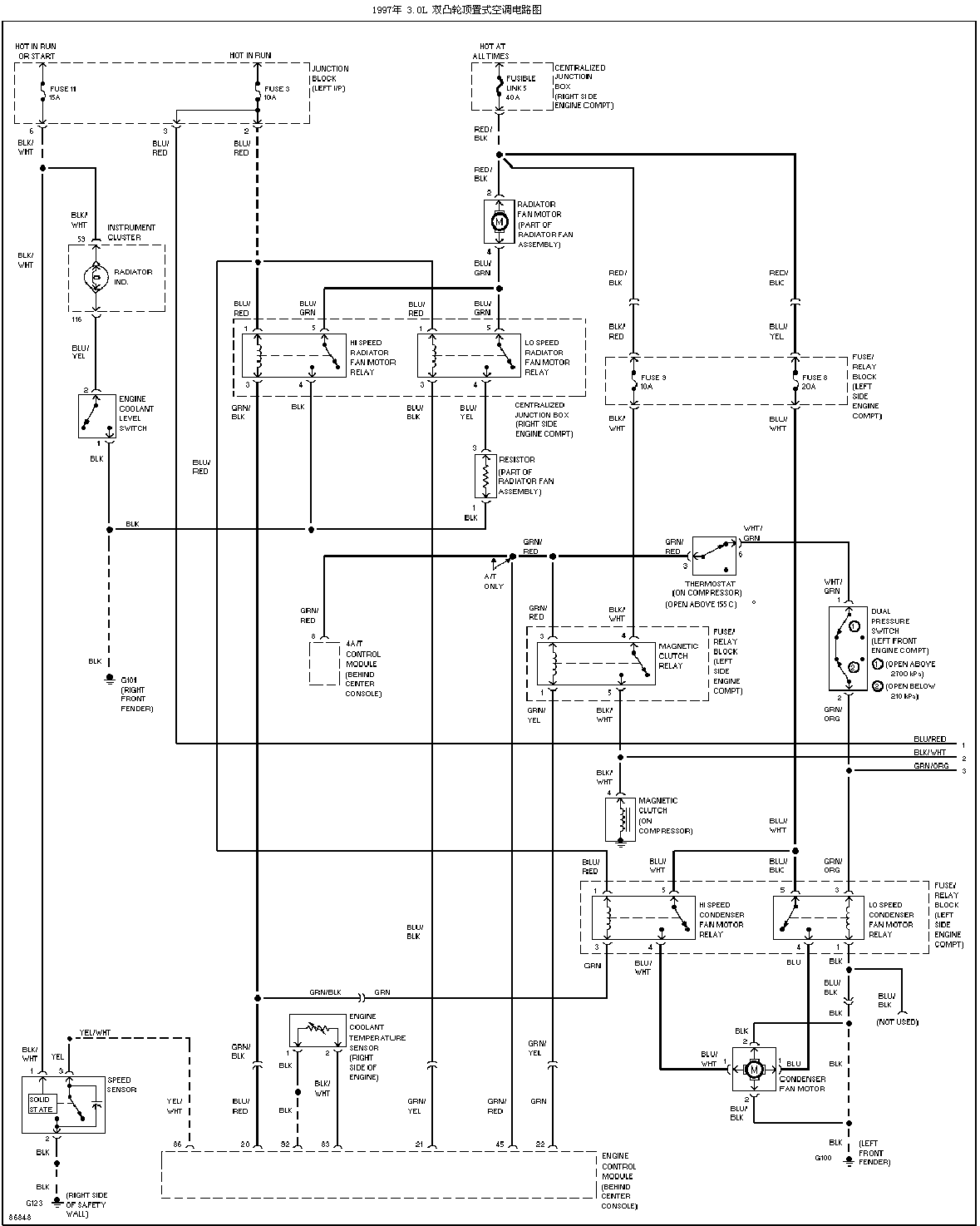
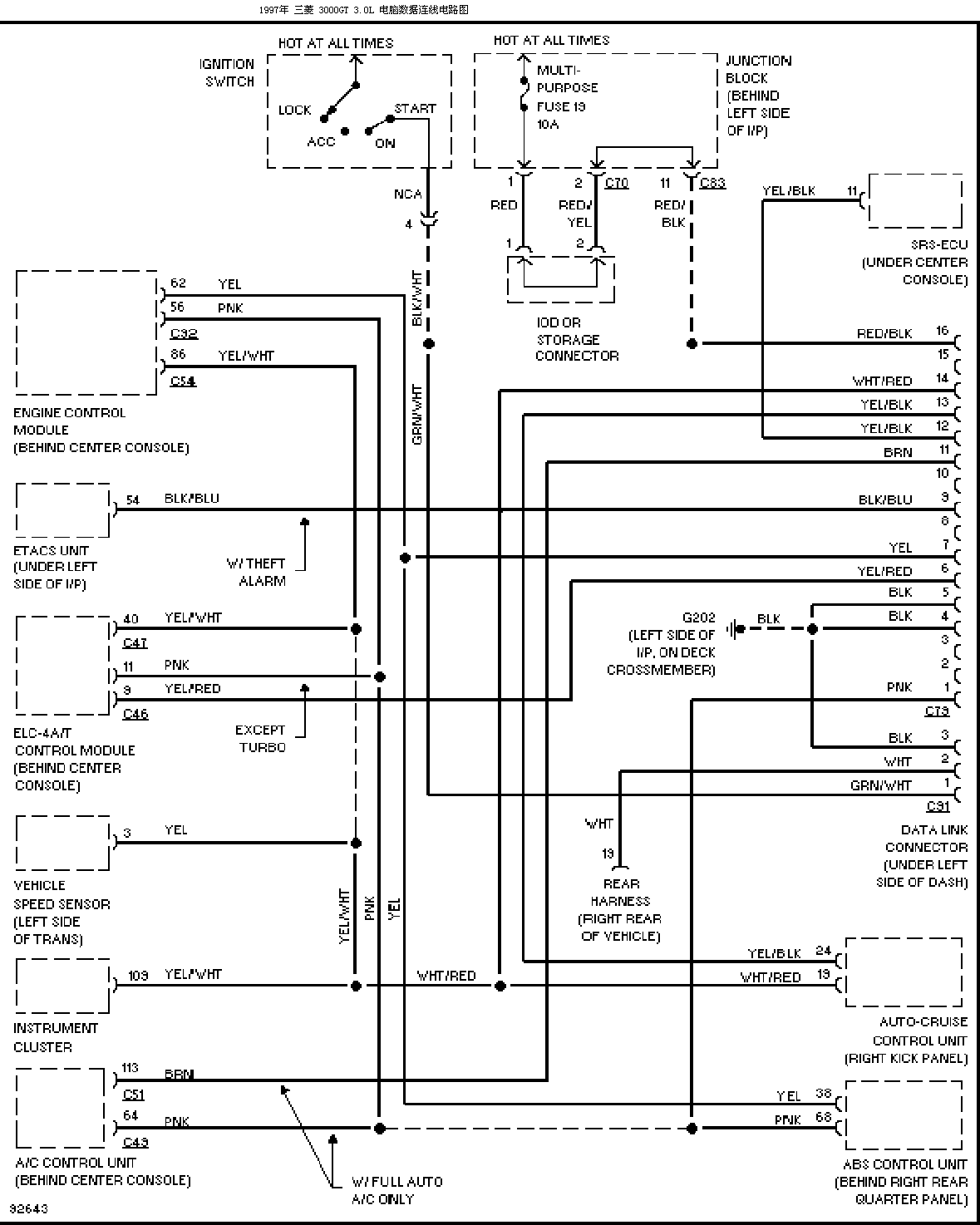
| 电脑数据连线电路图 | 冷却风扇电路图 |
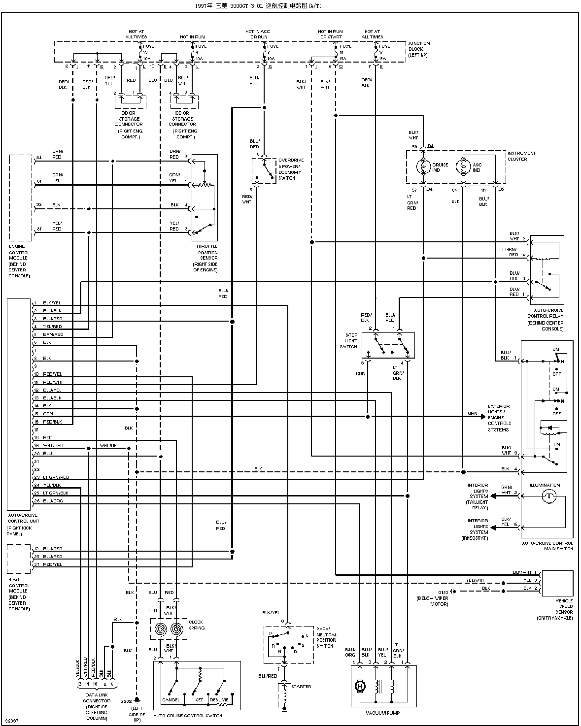
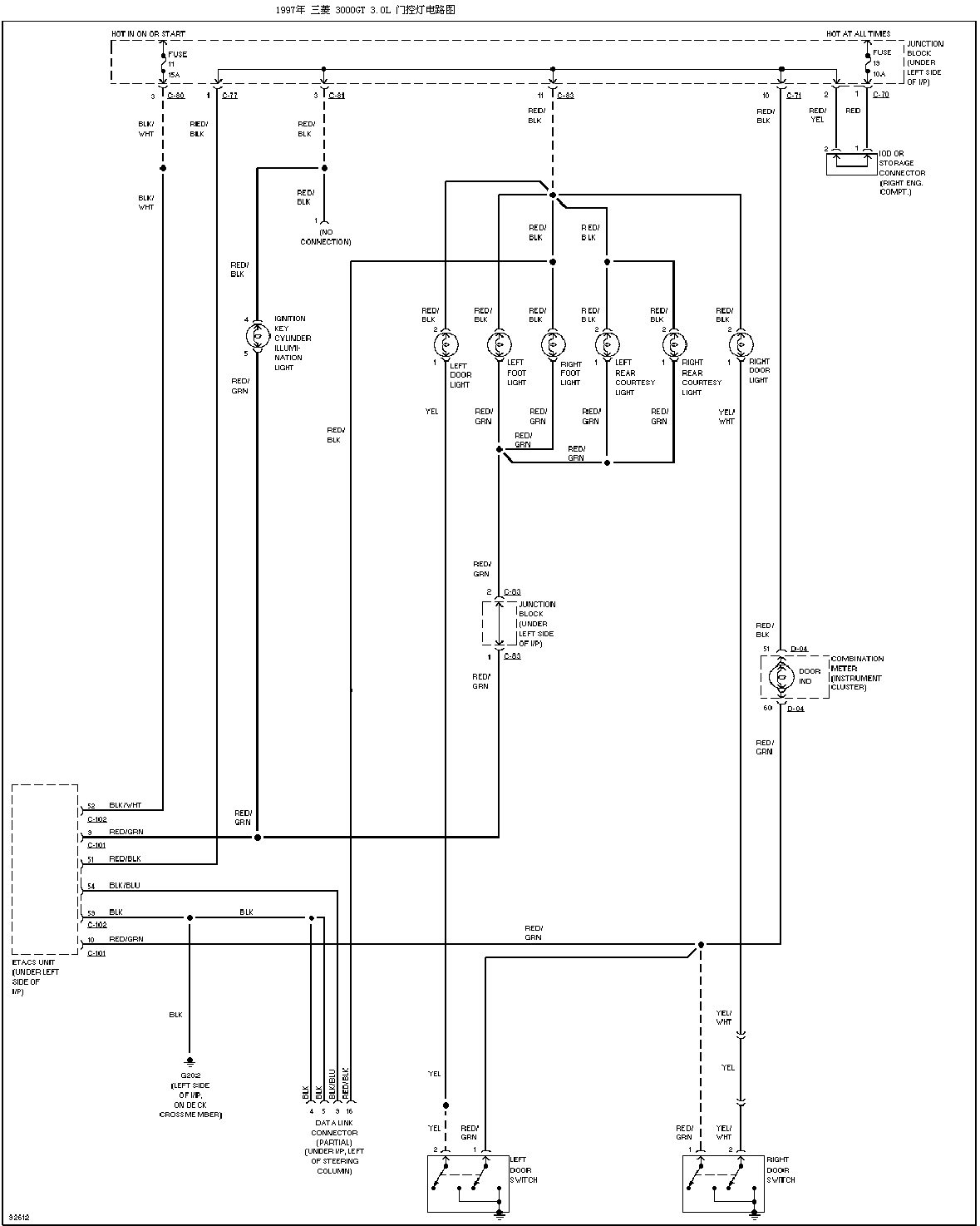
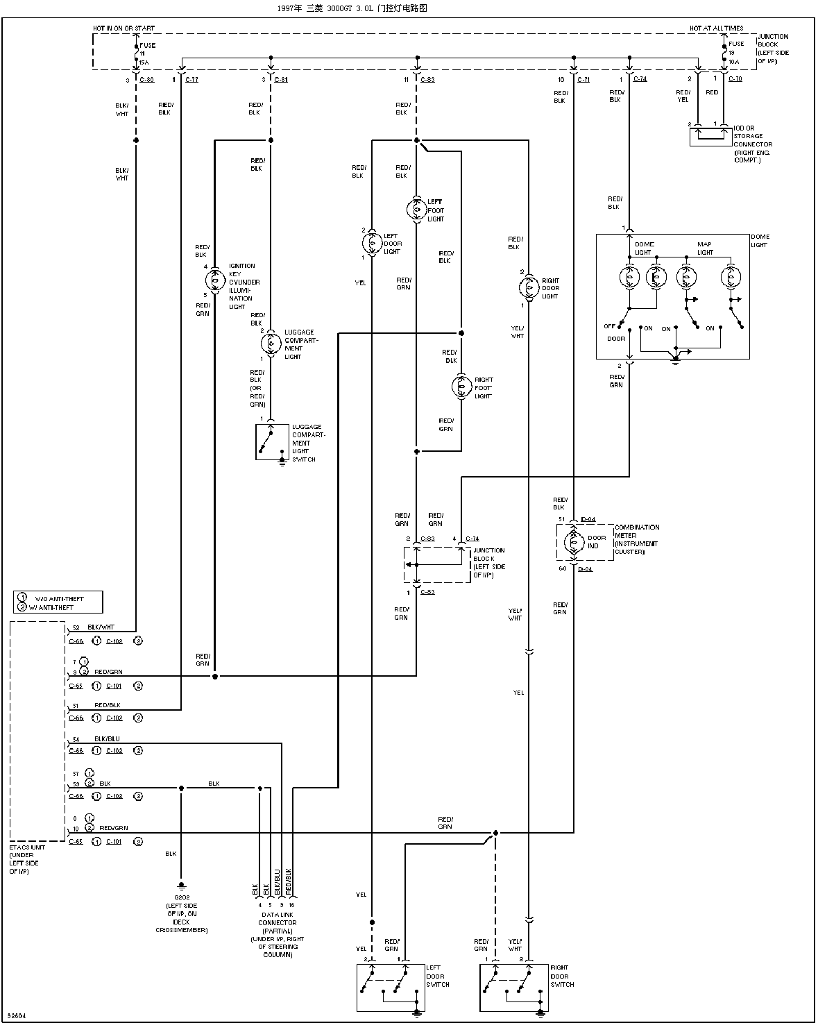
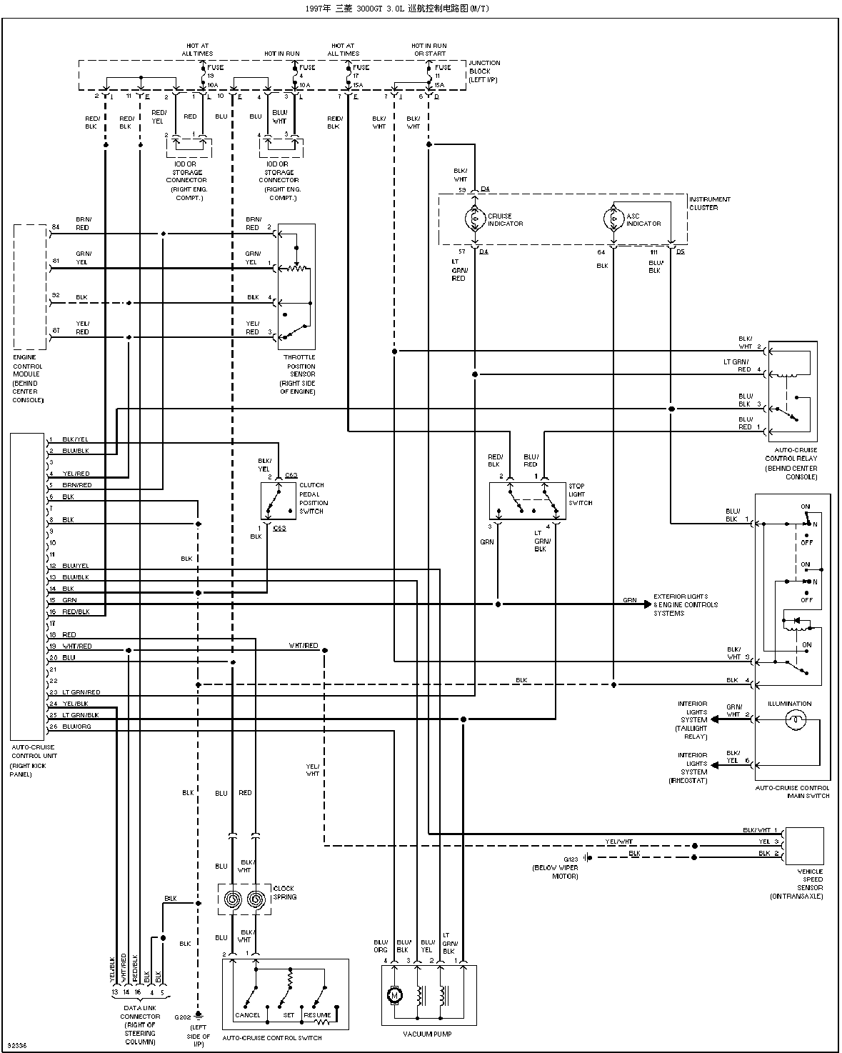
| 门控灯电路图 (敞篷式) (仓门式) | 巡航控制电路图 (A/T) (M/T) |
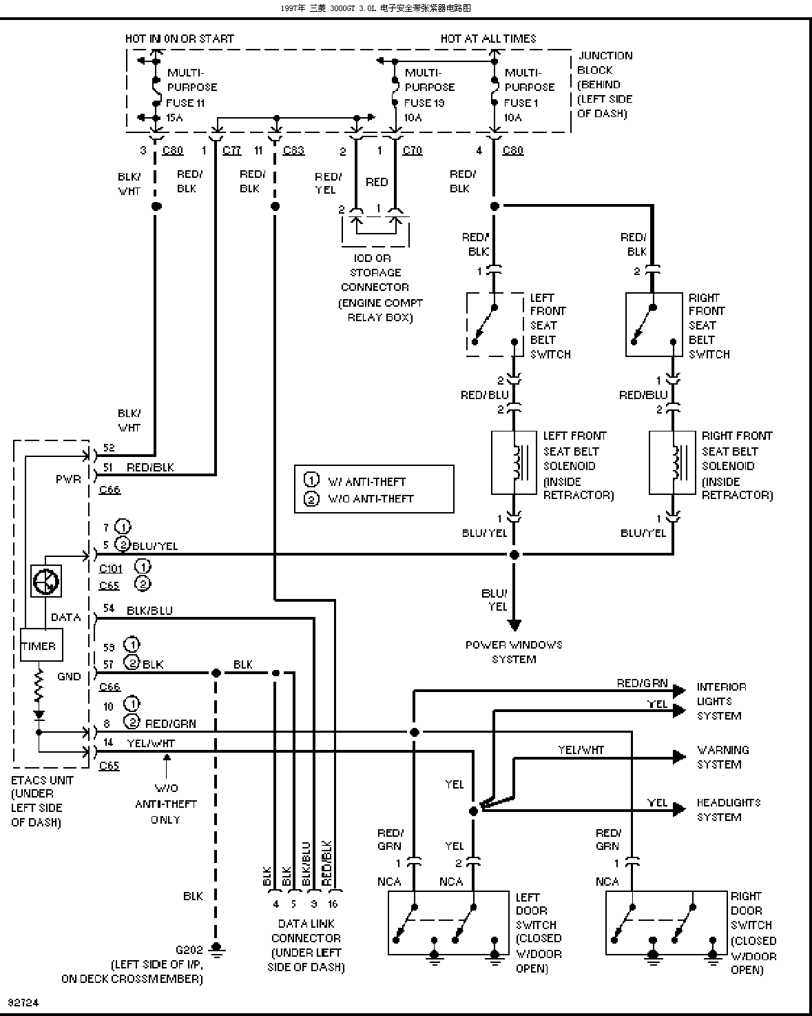
| 除雾器电路图 | 电子安全带张紧器电路图 |
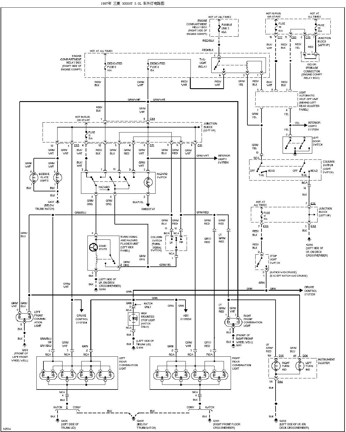
| 车外灯电路图 | 前雨刮清洗器电路图 |
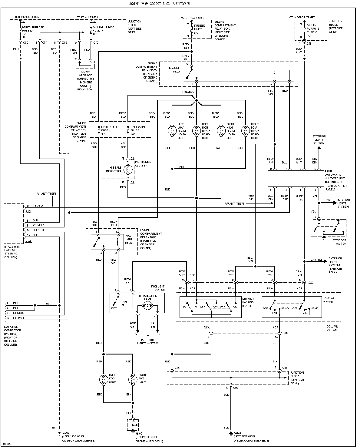
| 搭铁分配电路图 | 大灯电路图 |
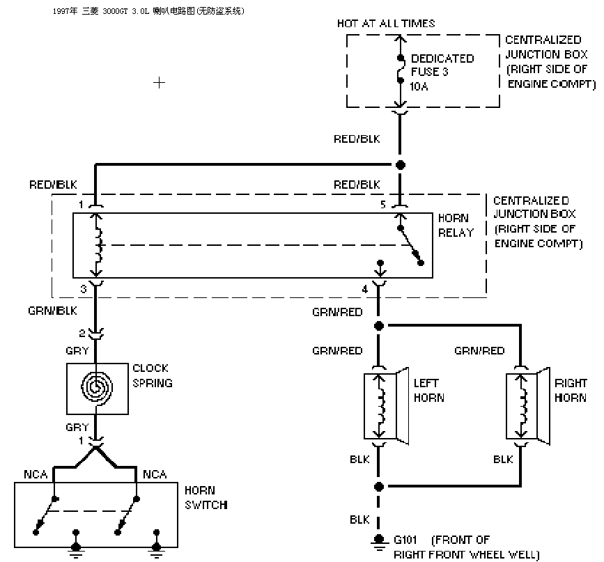
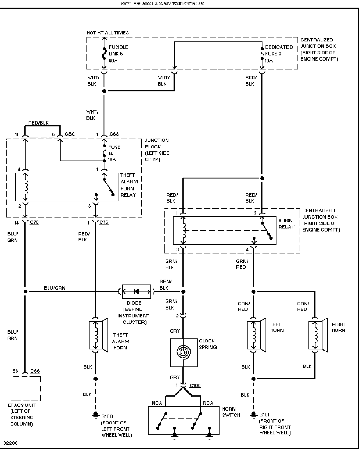
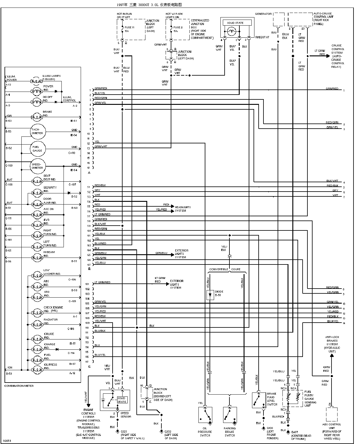
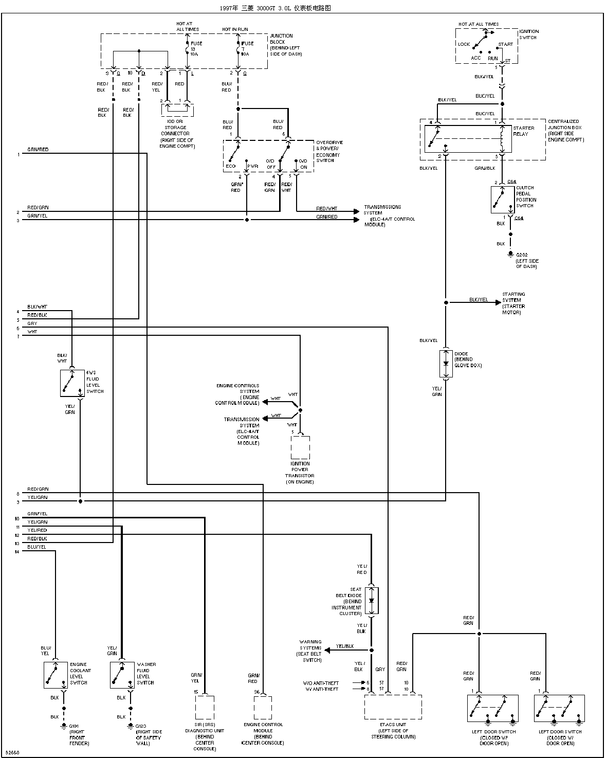
| 喇叭电路图 (带) (无) 防盗系统 | 仪表板电路图 (1) (2) |
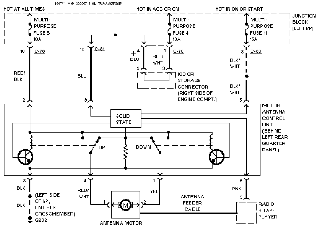
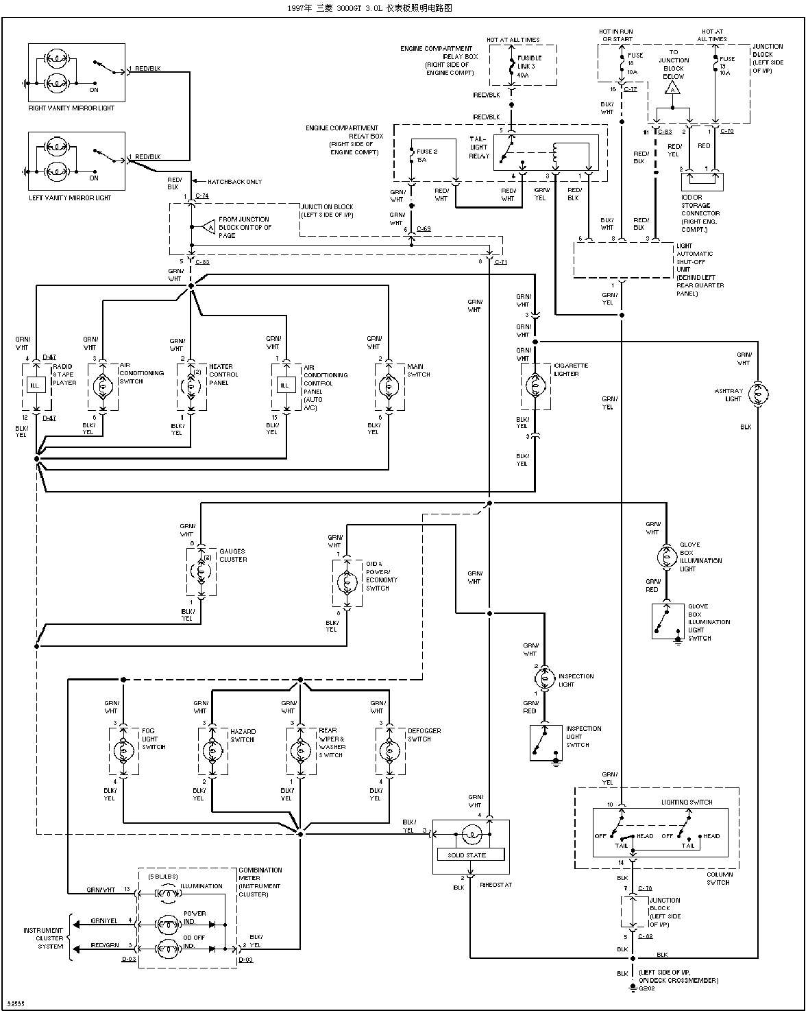
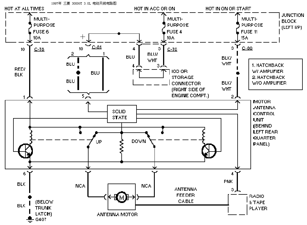
| 仪表板照明电路图 | 电动天线电路图 (敞篷式) (仓门式) |
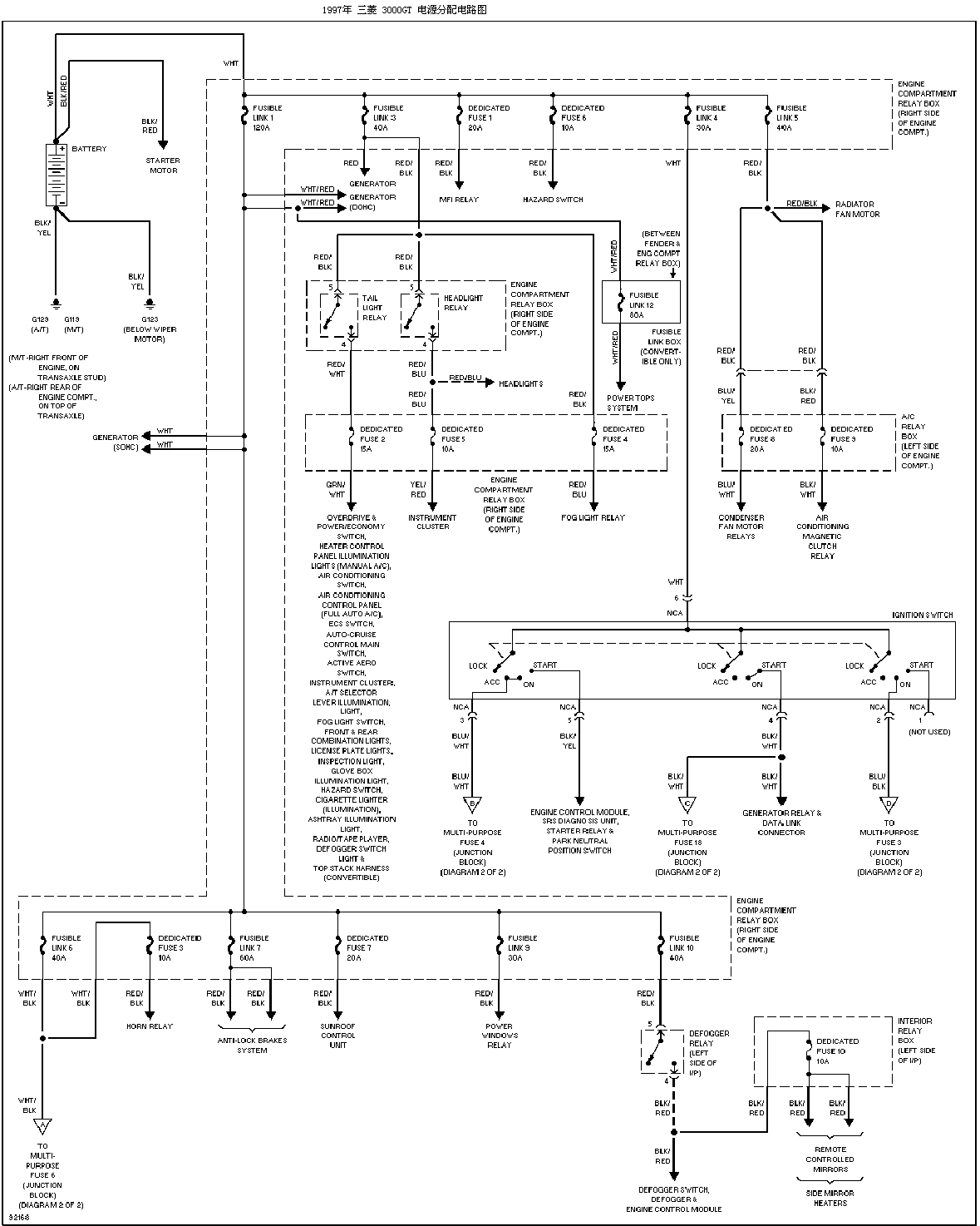
| 电源分配电路图 (1) (2) | 电动门锁电路图 (1) (2) |
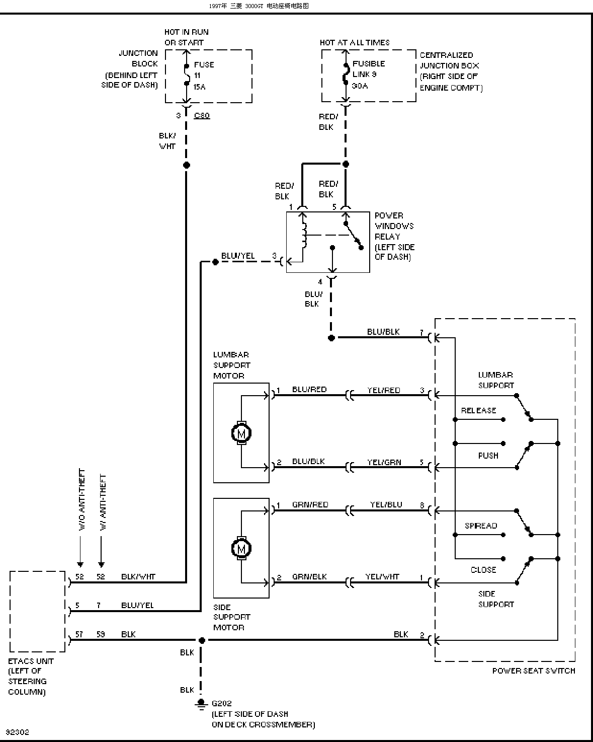
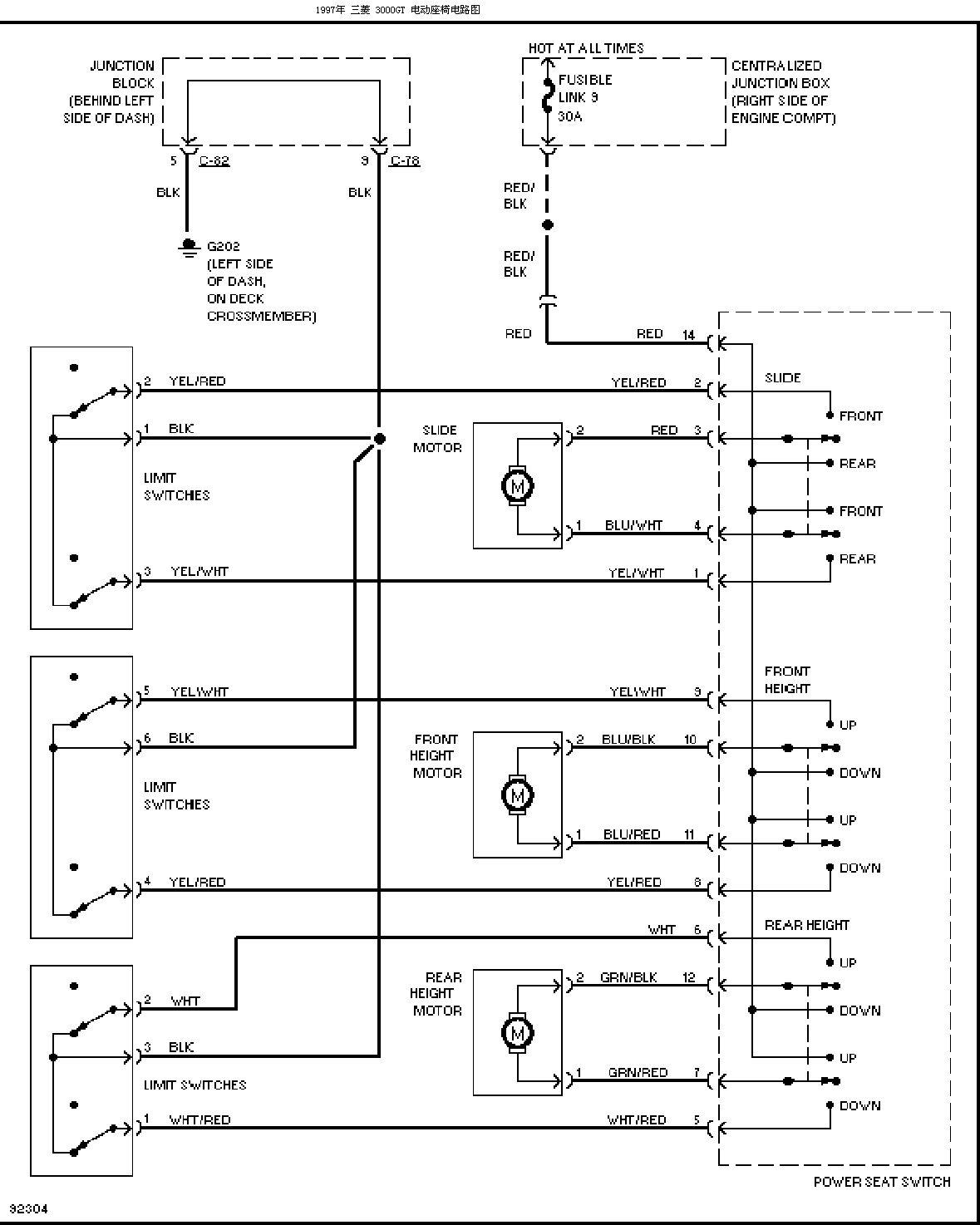
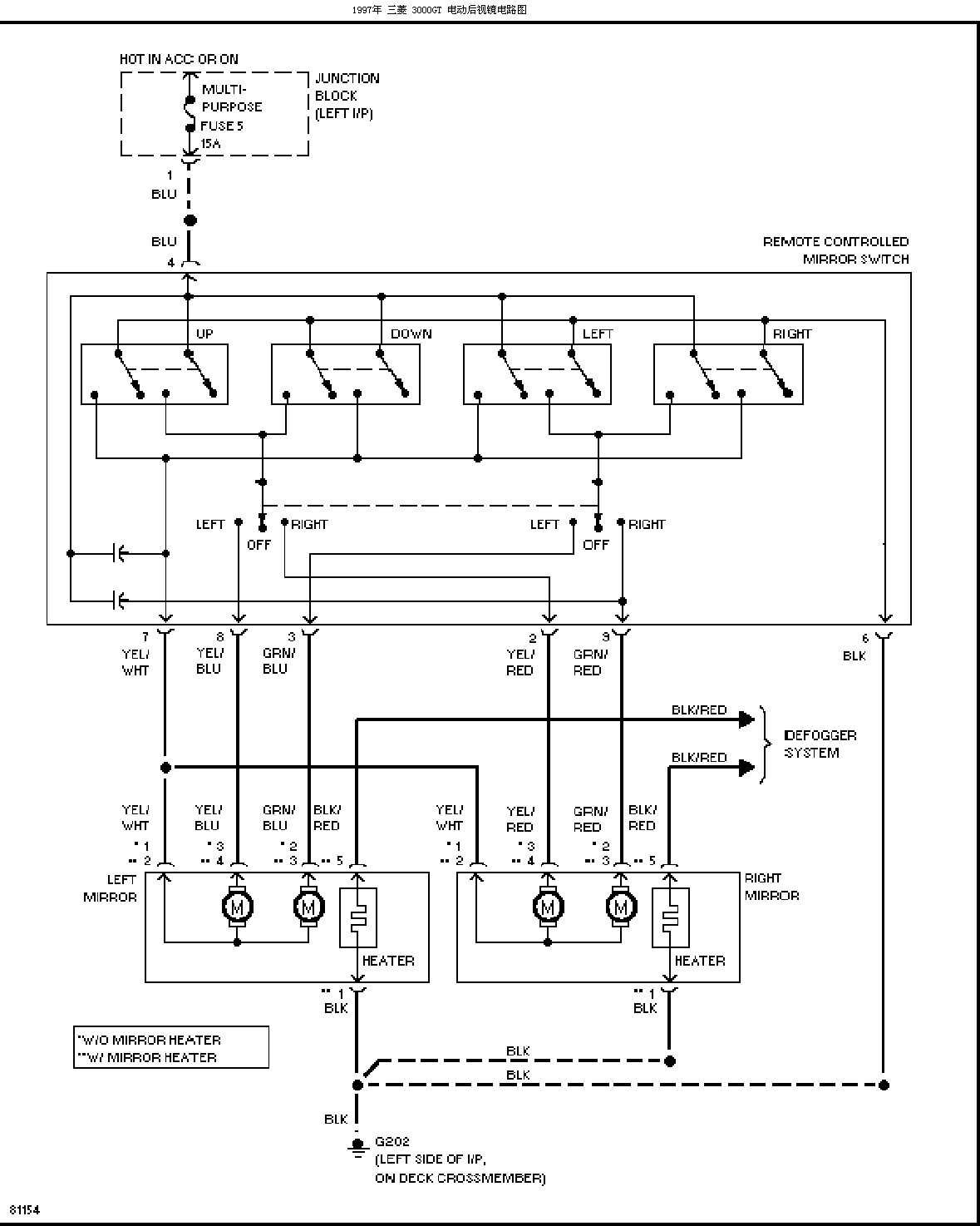
| 电动座椅电路图 (1) (2) | 电动后视镜电路图 |
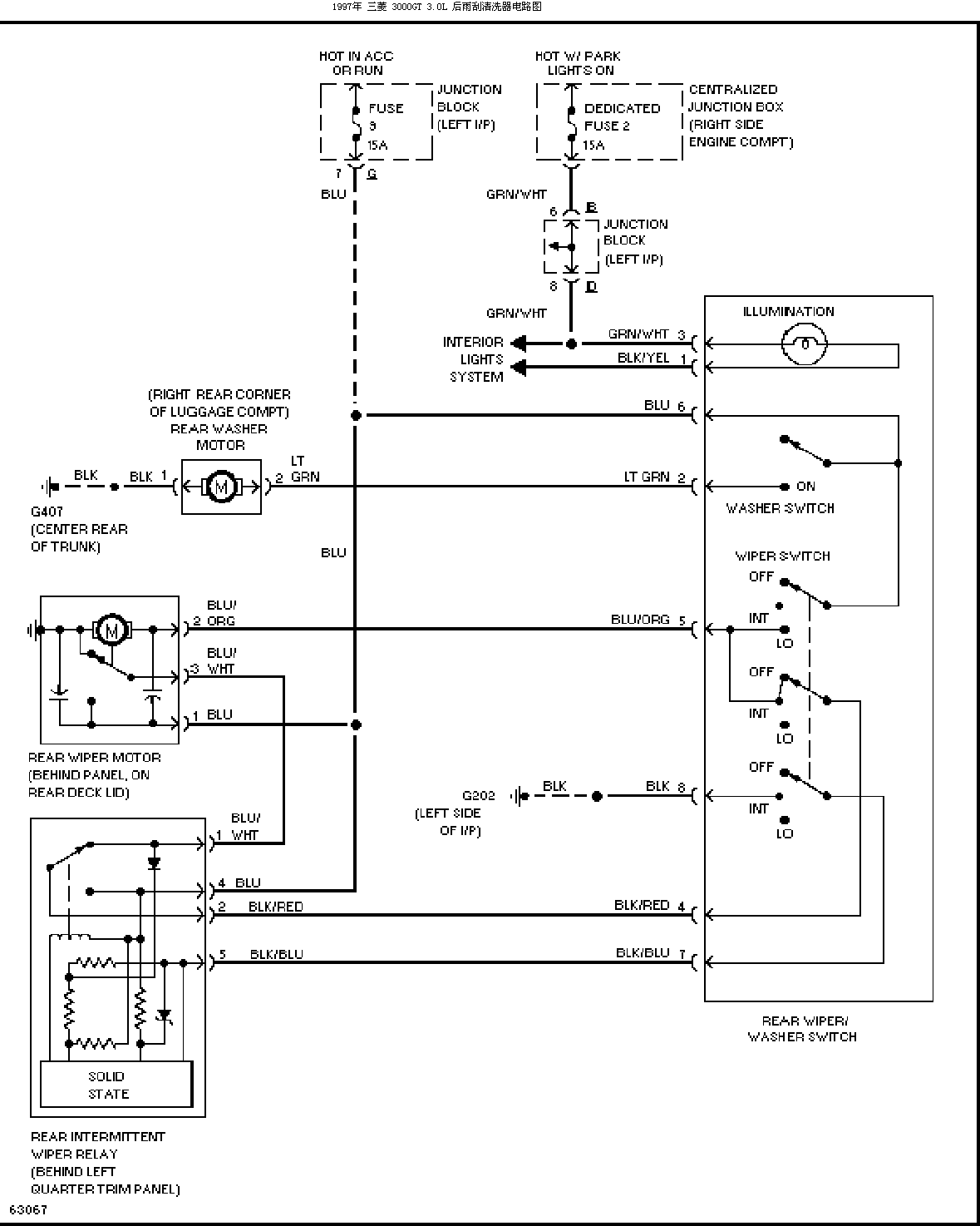
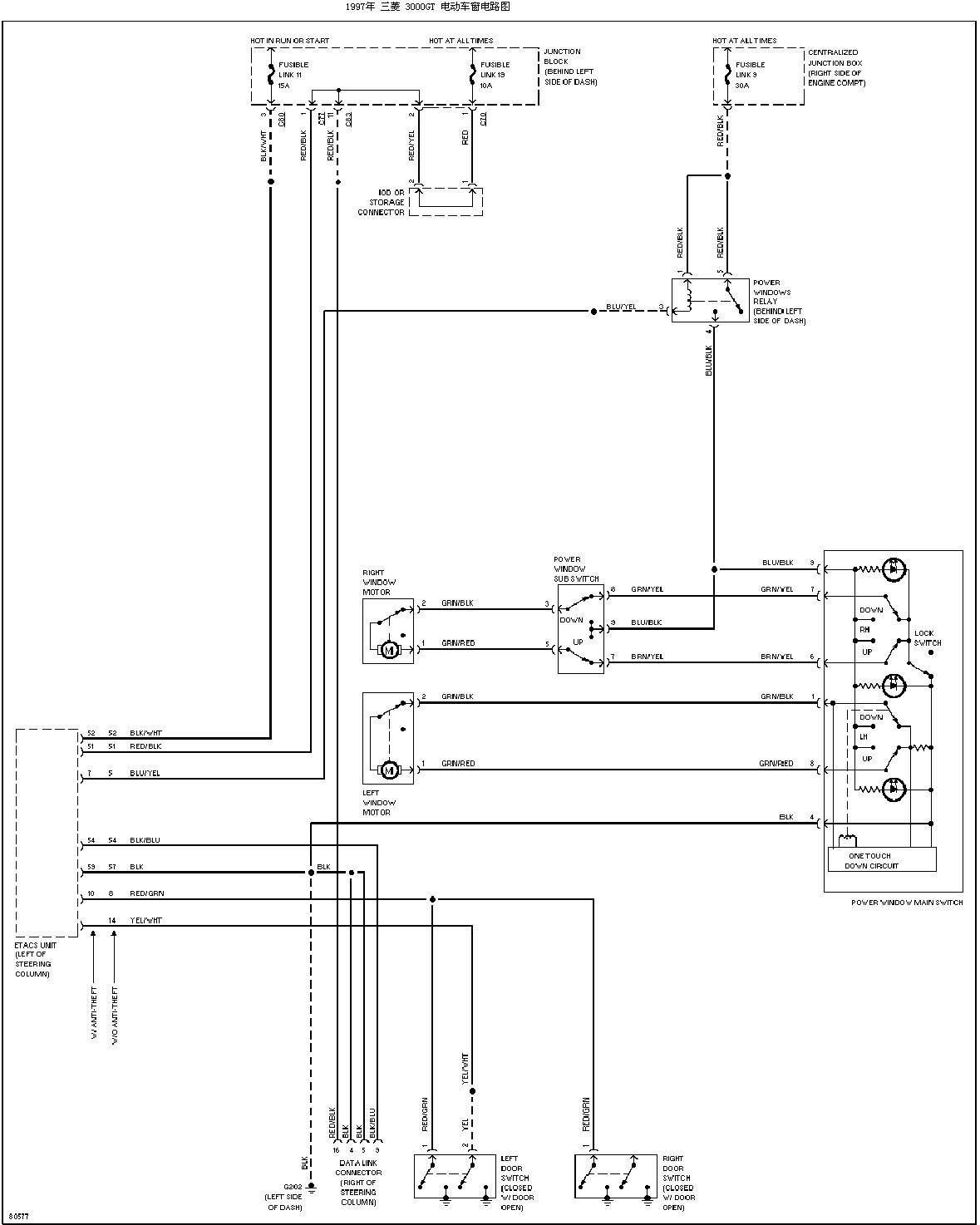
| 电动车窗电路图 | 后雨刮清洗器电路图 |
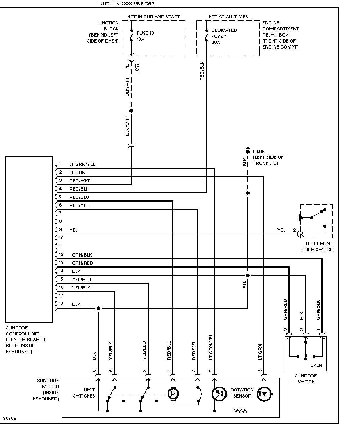
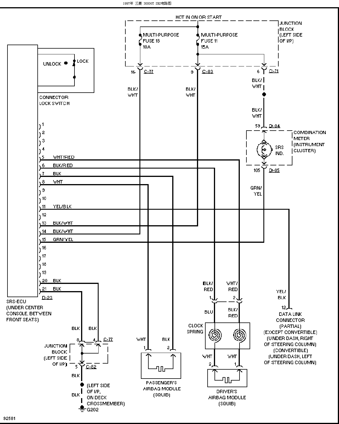
| 遮阳板电路图 | SRS电路图 |
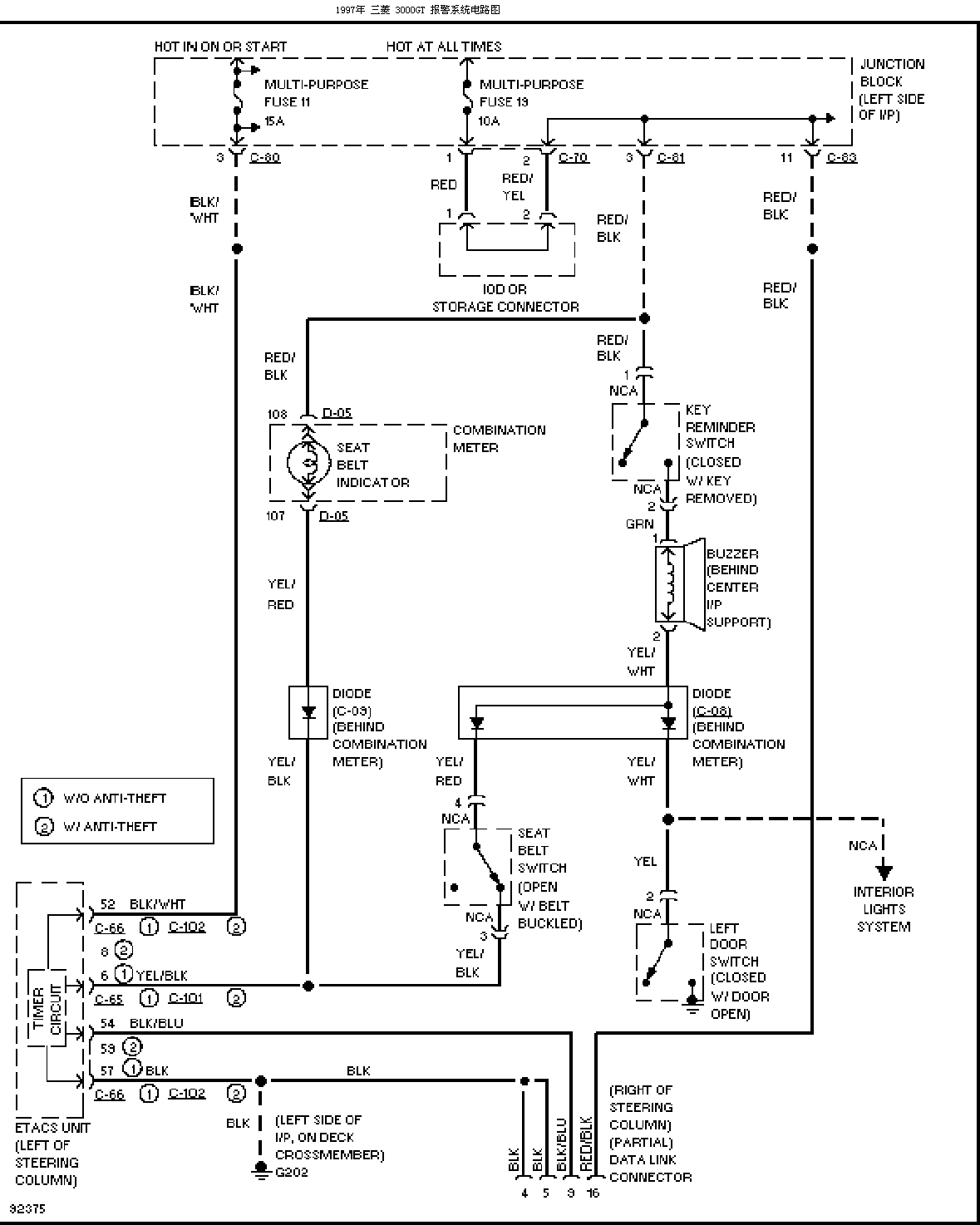
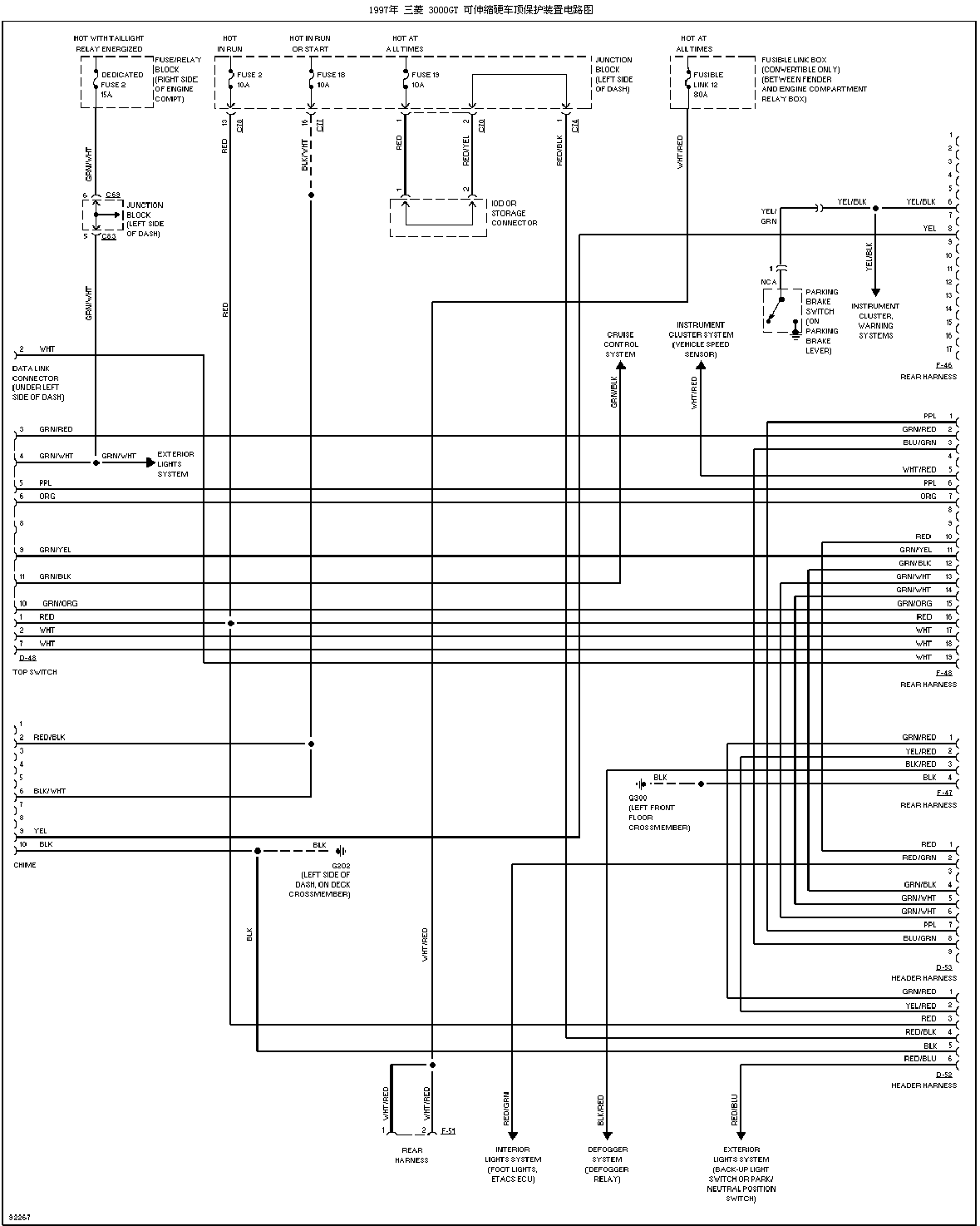
| 报警系统电路图 | 可伸缩硬车顶保护装置电路图 |