ACCORD 93 电路图集

 

star26252.gif (852 bytes)加热后视镜线路图
Starl.gif (870 bytes)控制单元线路图(发动机罩下的ABS保险丝盒)
Starl.gif (870 bytes)发动机室大灯、交流发电机线路图
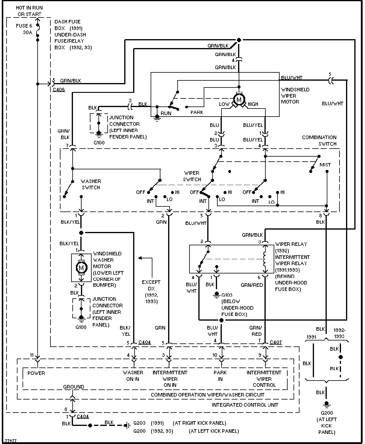
Starl.gif (870 bytes)前雨刮清洗器线路图
Starl.gif (870 bytes)后雨刮清洗器线路图
Starl.gif (870 bytes)发动机控制电脑、燃油喷射器线路图
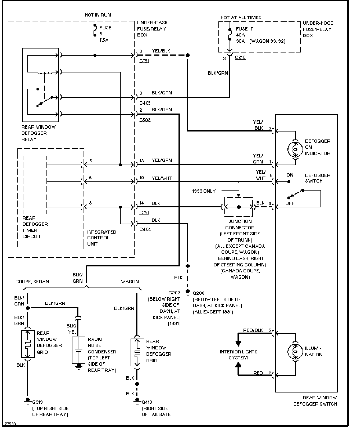
Starl.gif (870 bytes)除雾器线路图
Starl.gif (870 bytes)仪表板保险丝盒(部分)、点火开关线路图
Starl.gif (870 bytes)仪表板保险丝盒线路图(部分)
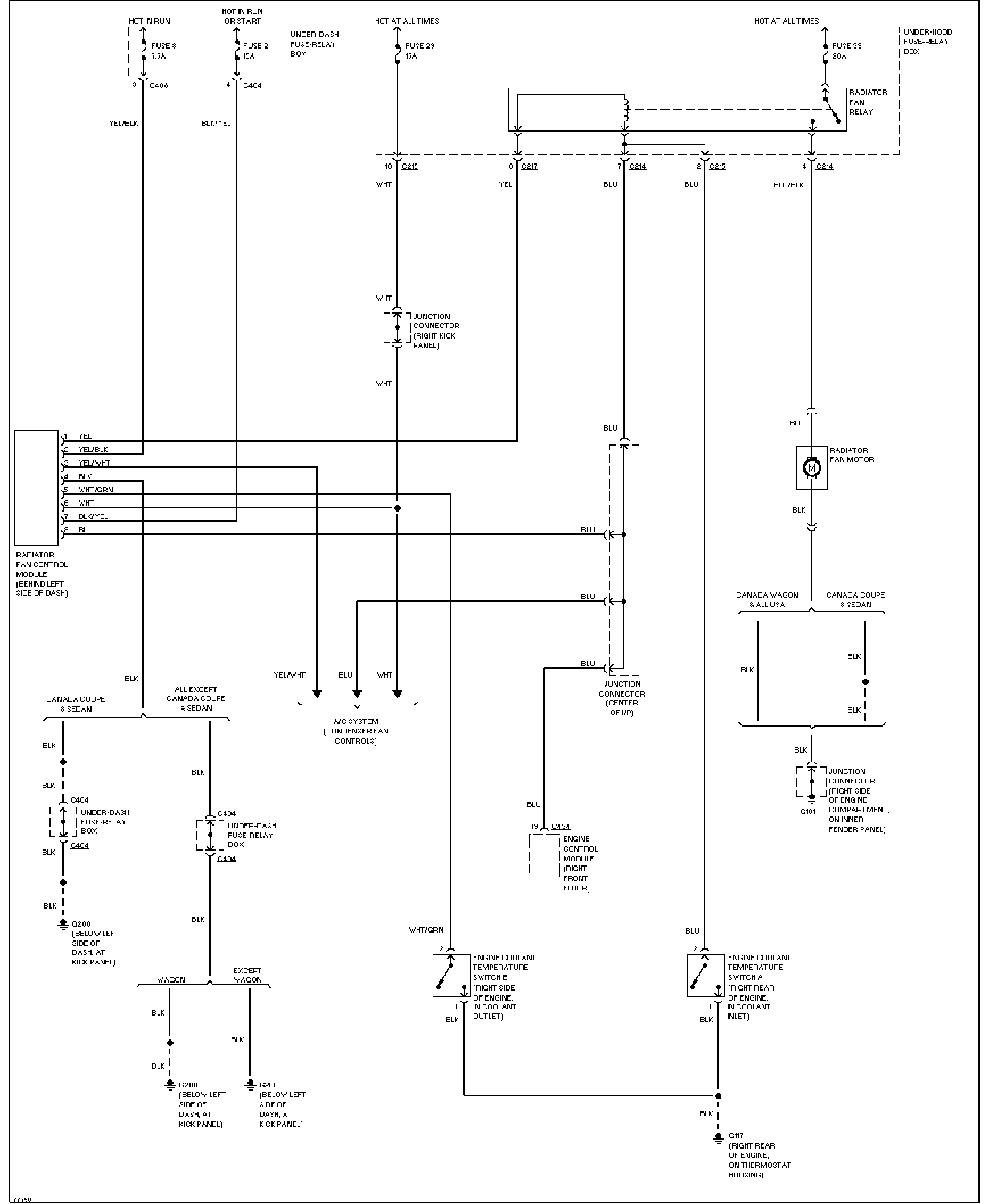
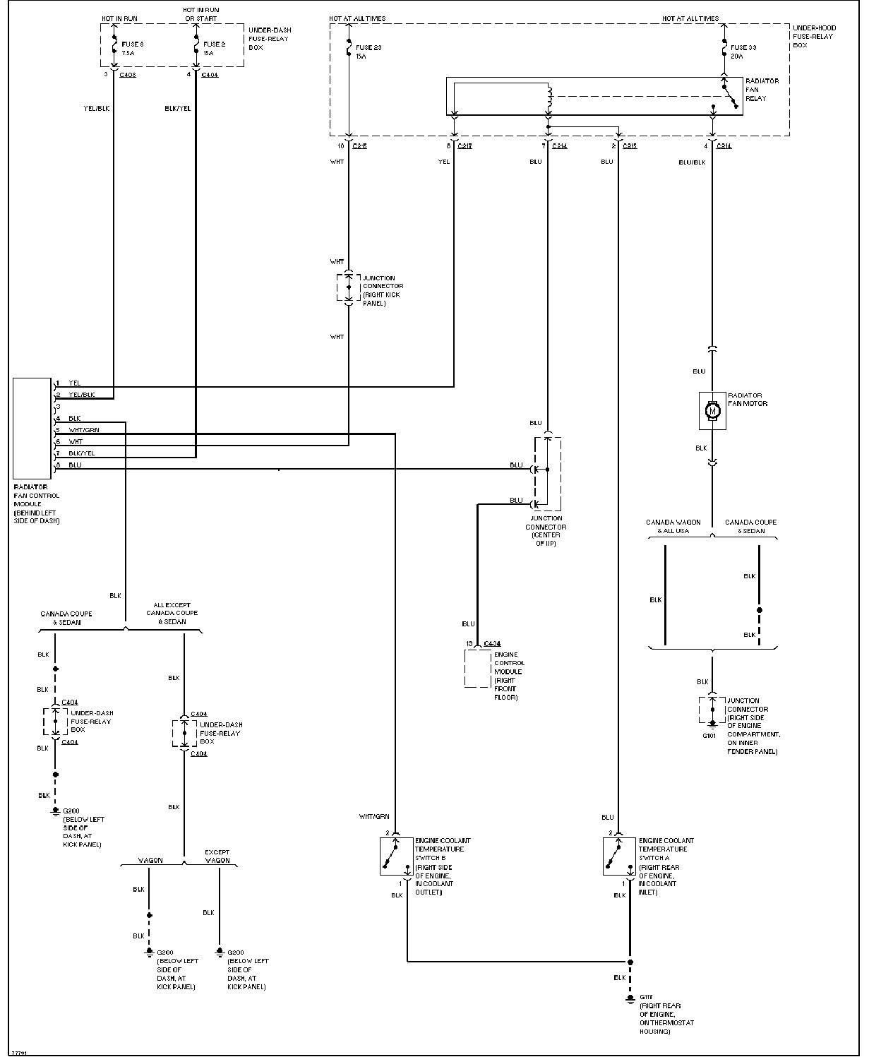
Starl.gif (870 bytes)制冷风扇线路图(未带A/T)
Starl.gif (870 bytes)制冷/风扇线路图(带A/T)
Starl.gif (870 bytes)组合开关、雨刮清洗器系统、紧急开关线路图
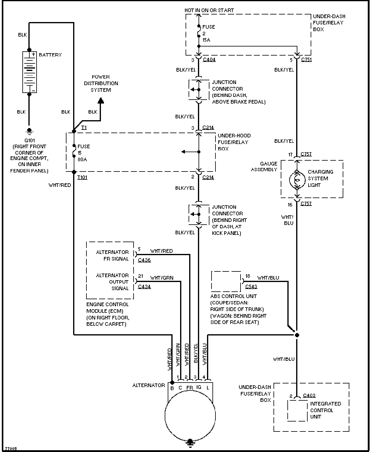
Starl.gif (870 bytes)充电系统线路图
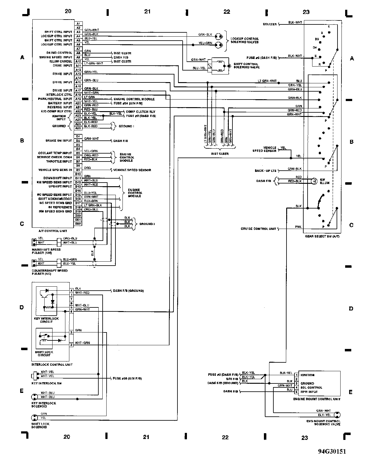
Starl.gif (870 bytes)A/T控制单元、互锁控制档位选择开关线路图
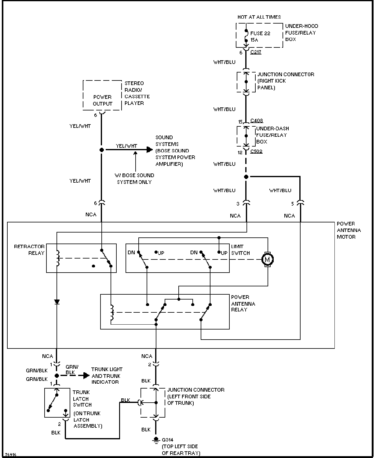
Starl.gif (870 bytes)转接器单元、电动天线马达线路图
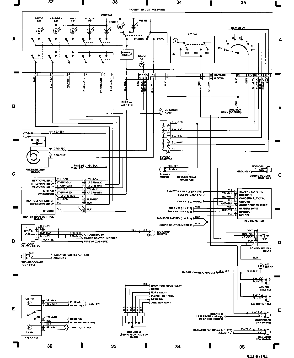
Starl.gif (870 bytes)空调加热器控制板、除雾器开关线路图
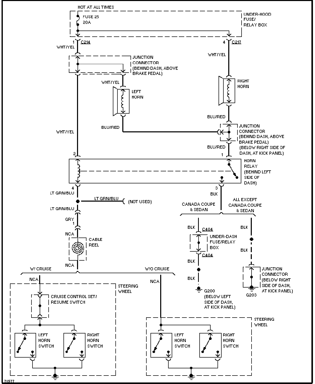
Starl.gif (870 bytes)喇叭线路图
Starl.gif (870 bytes)仪表板门控灯线路图
Starl.gif (870 bytes)变速器线路图
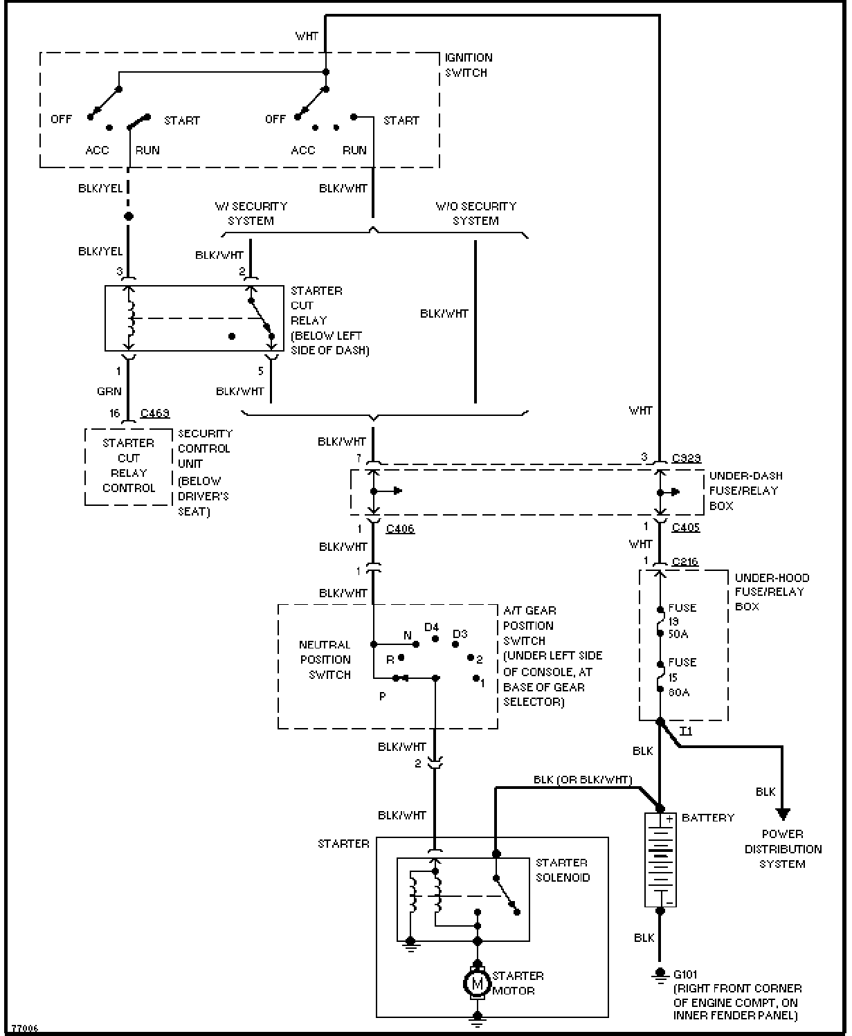
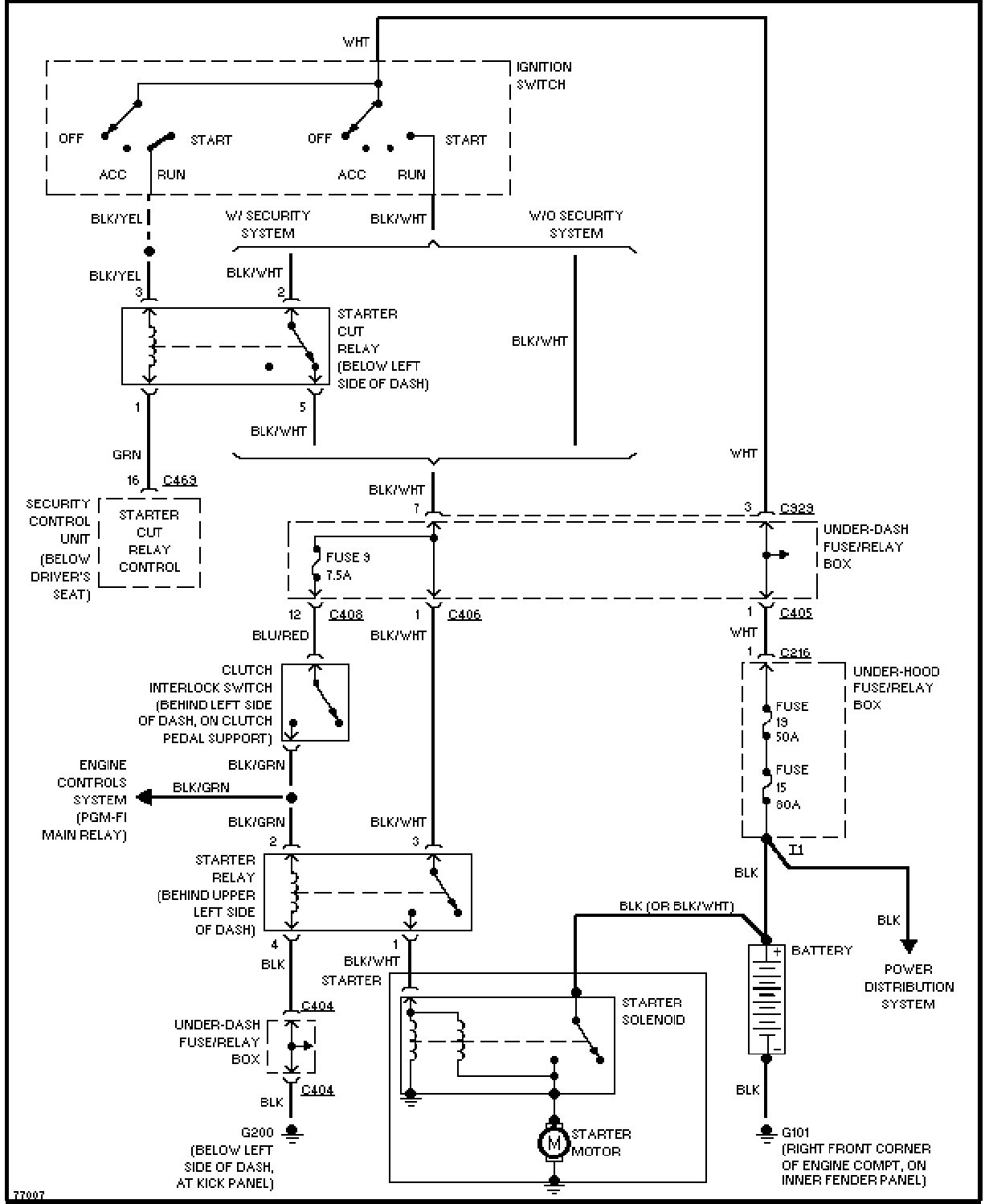
Starl.gif (870 bytes)起动系统线路图(M/T)
Starl.gif (870 bytes)起动系统线路图(A/T)
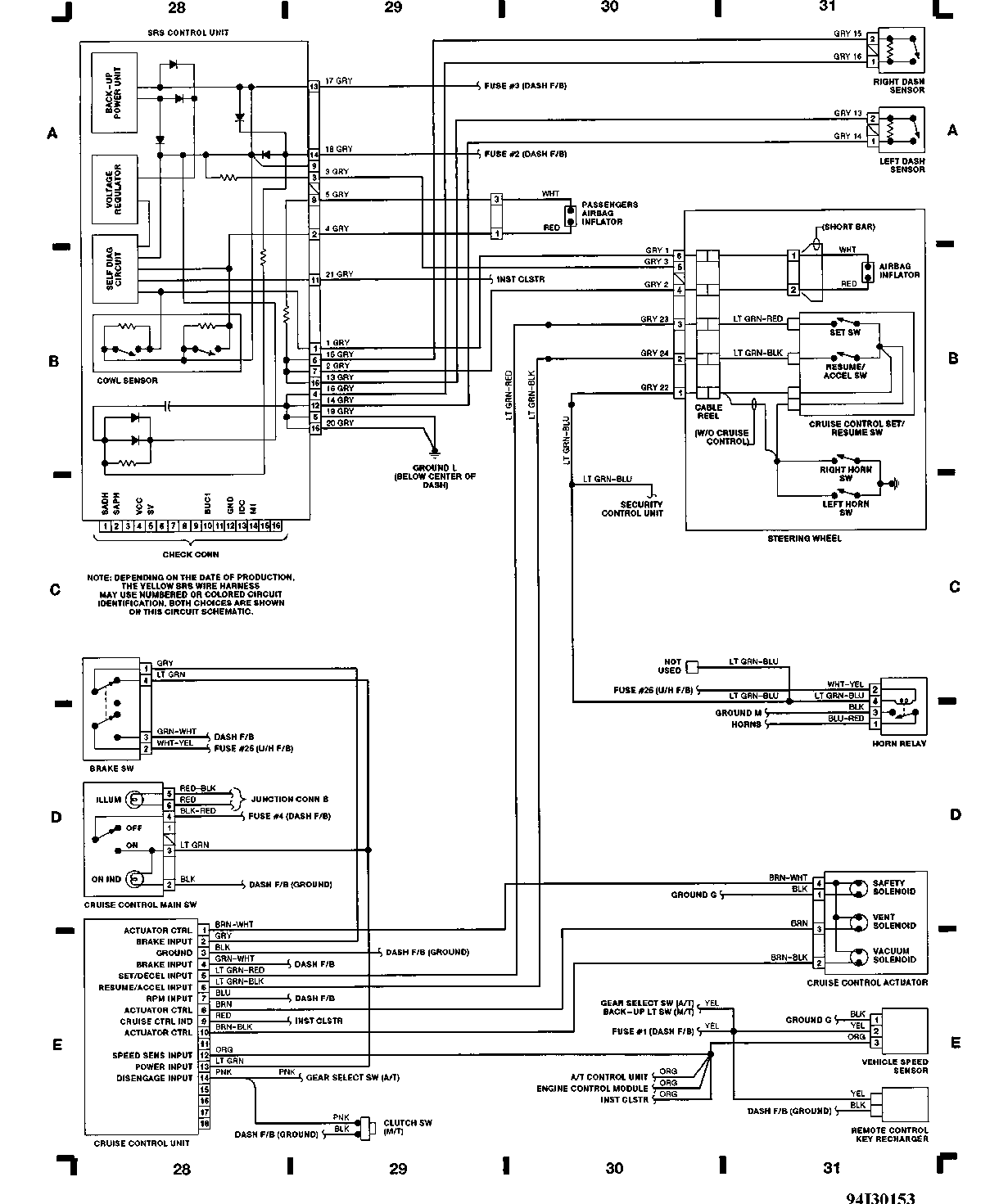
Starl.gif (870 bytes)SRS控制单元、巡航控制单元线路图
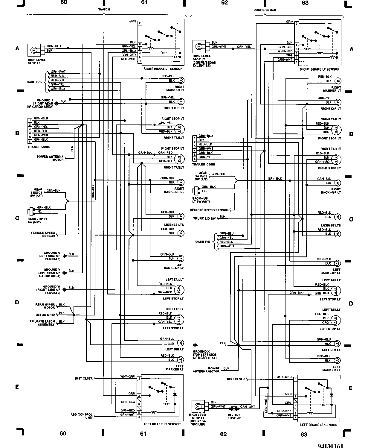
Starl.gif (870 bytes)右制动灯传感器、尾灯线路图
Starl.gif (870 bytes)收音机线路图(面包车)
Starl.gif (870 bytes)收音机线路图(跑车、轿车)(未带bose)
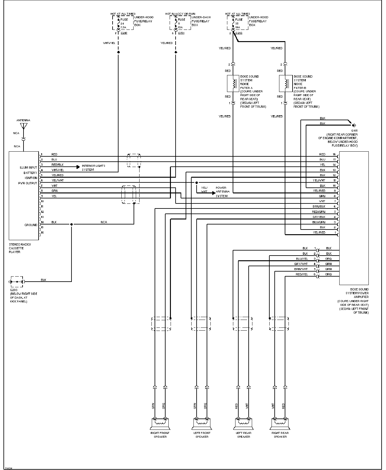
Starl.gif (870 bytes)收音机线路图(跑车、轿车)(带bose)
Starl.gif (870 bytes)电动车窗、天线、天窗线路图
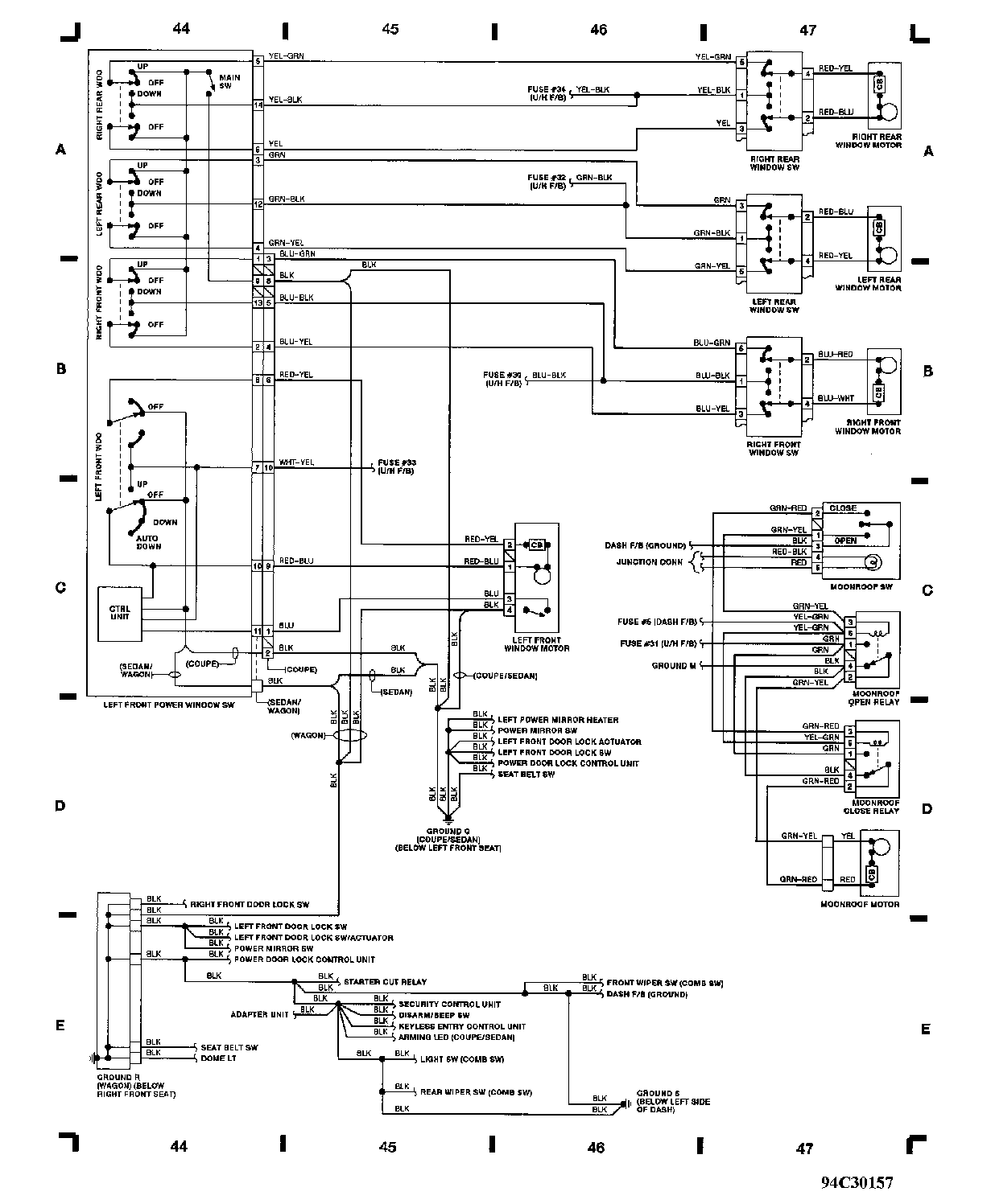
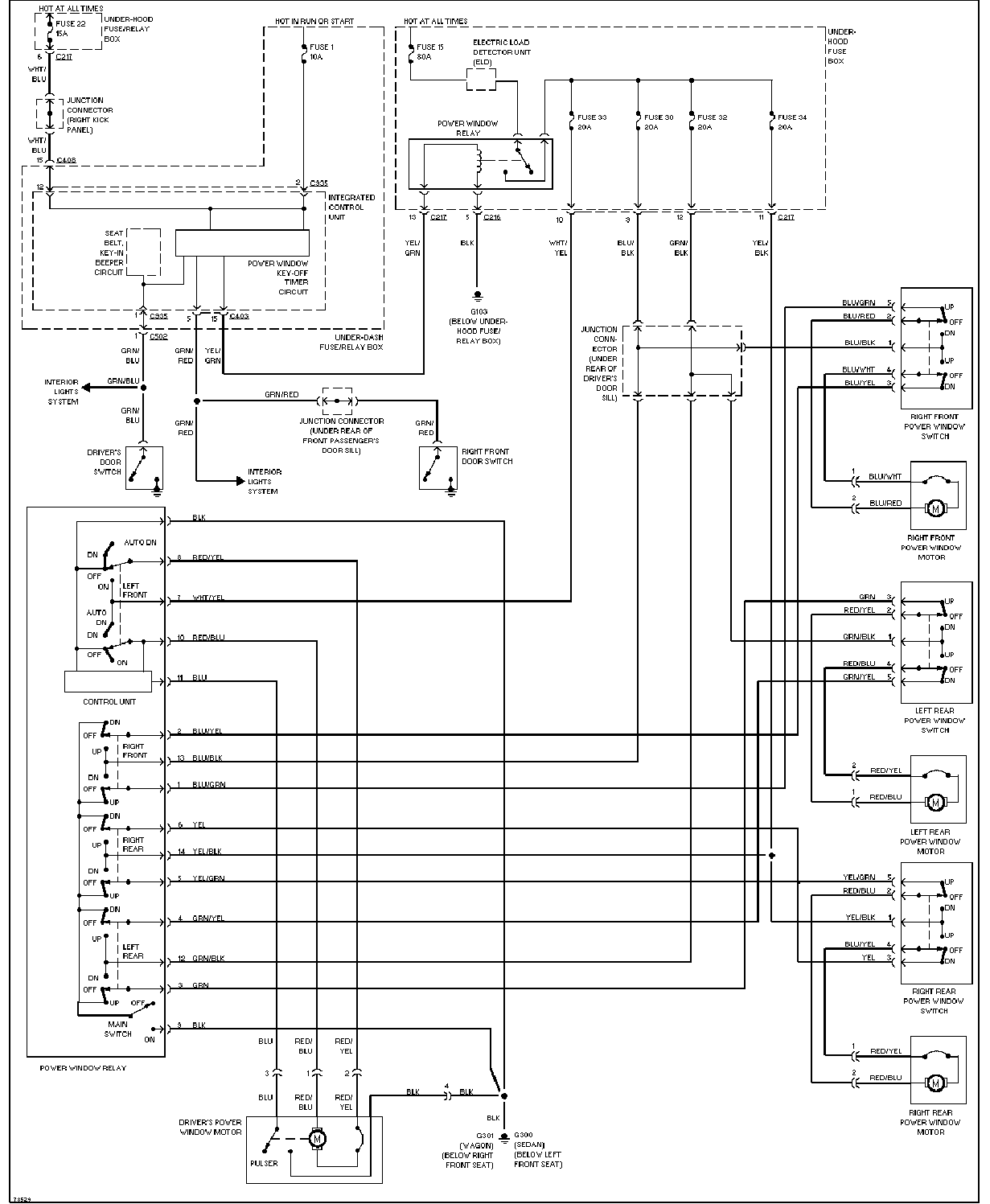
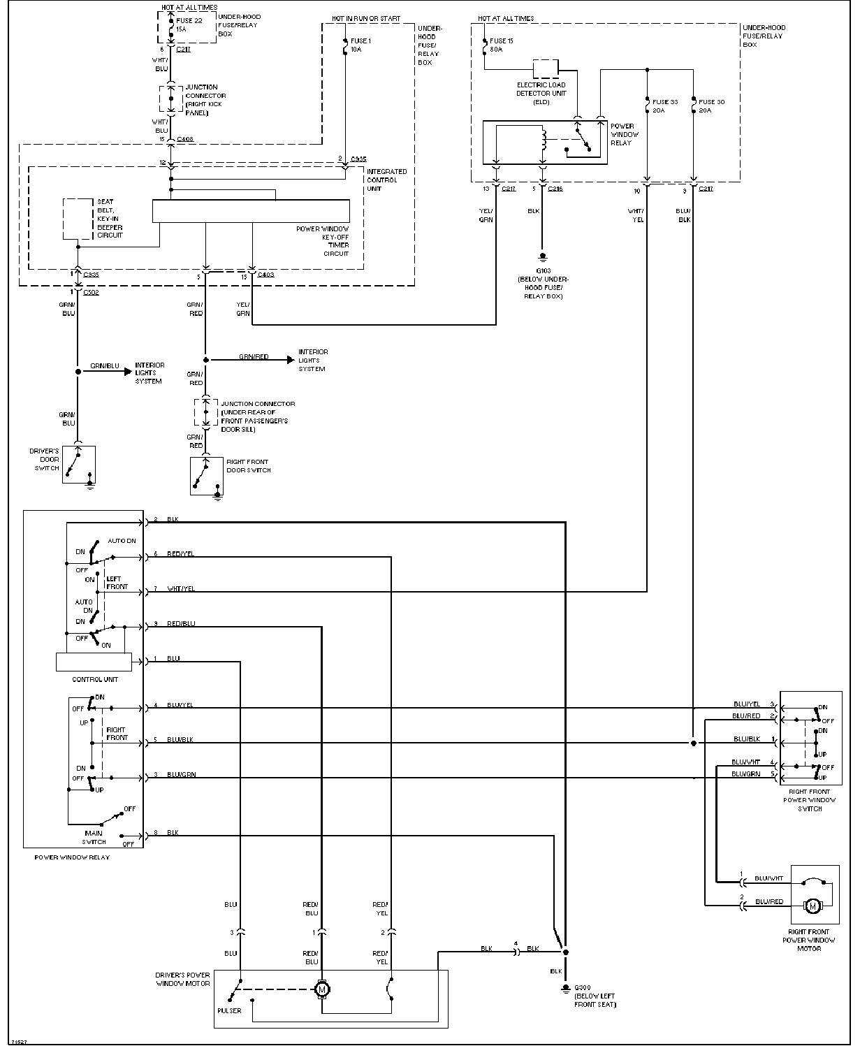
Starl.gif (870 bytes)电动窗线路图(轿车、面包车)
Starl.gif (870 bytes)电动窗线路图(跑车)
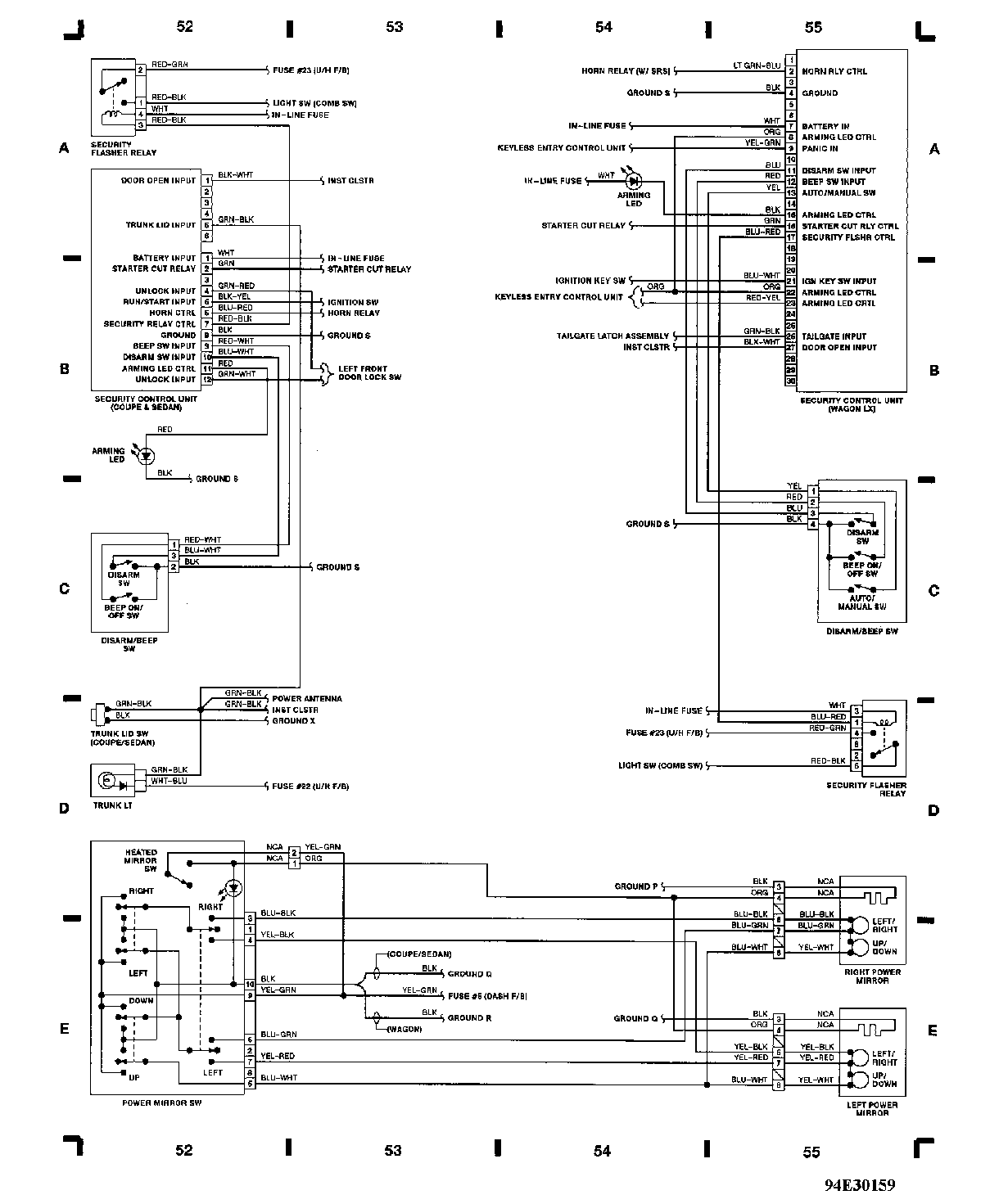
Starl.gif (870 bytes)电动后视镜、安全控制单元线路图
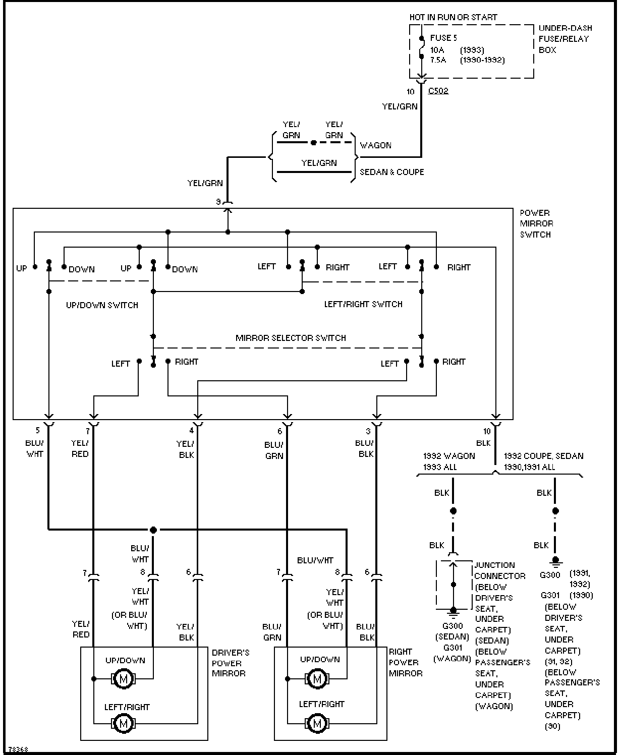
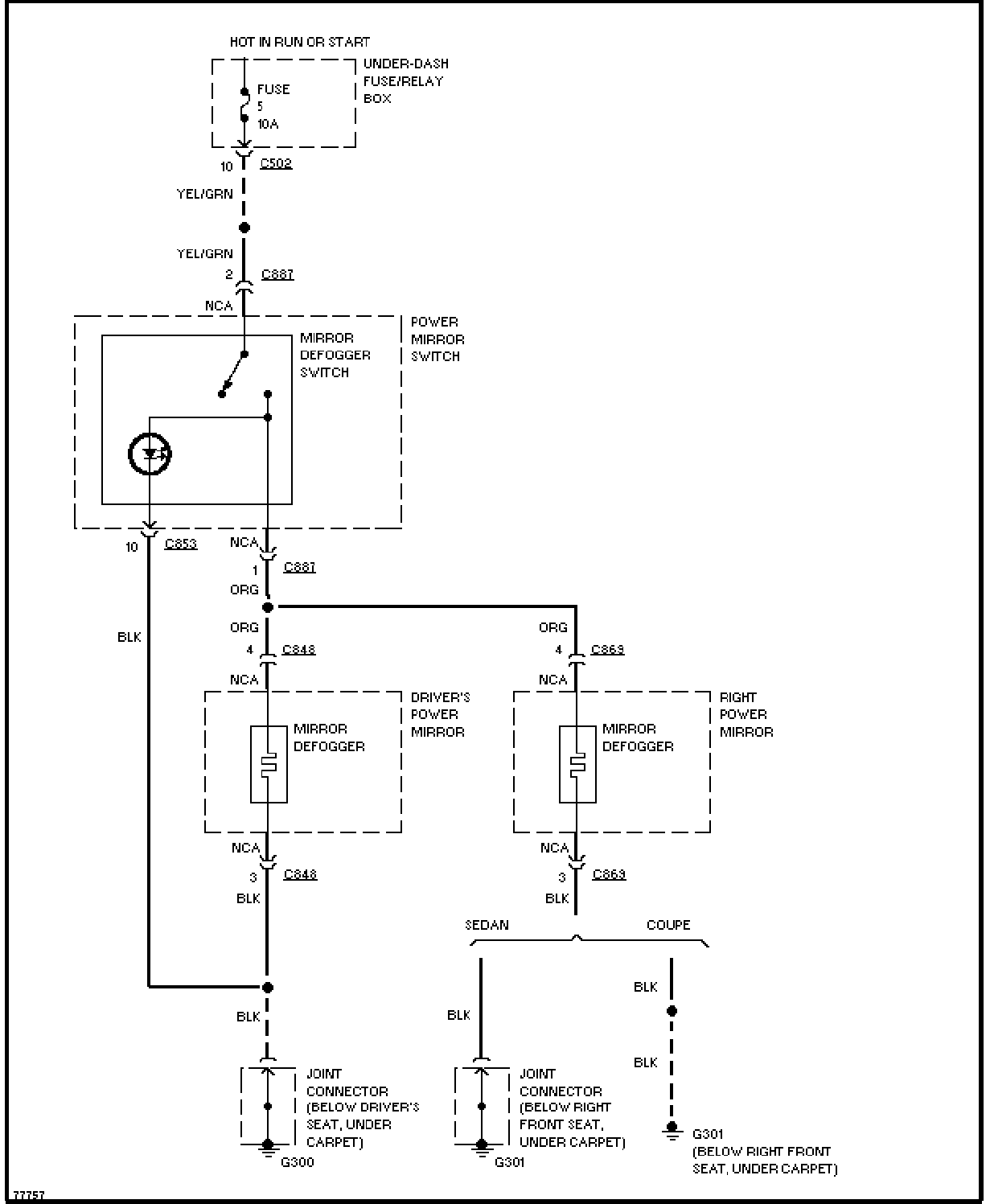
Starl.gif (870 bytes)电动后视镜线路图
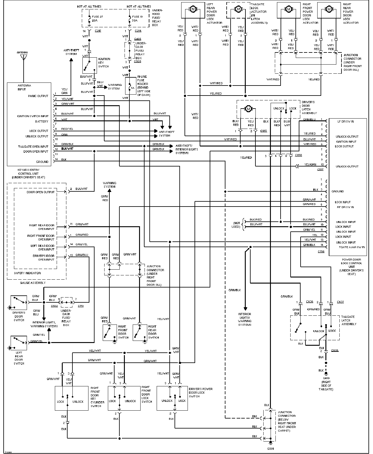
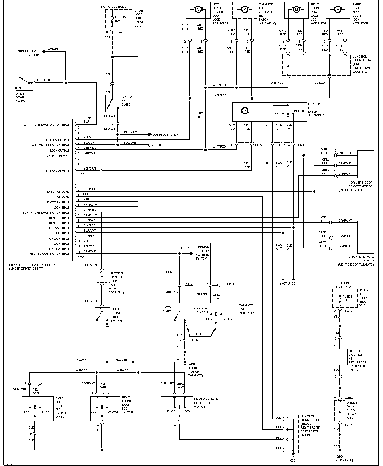
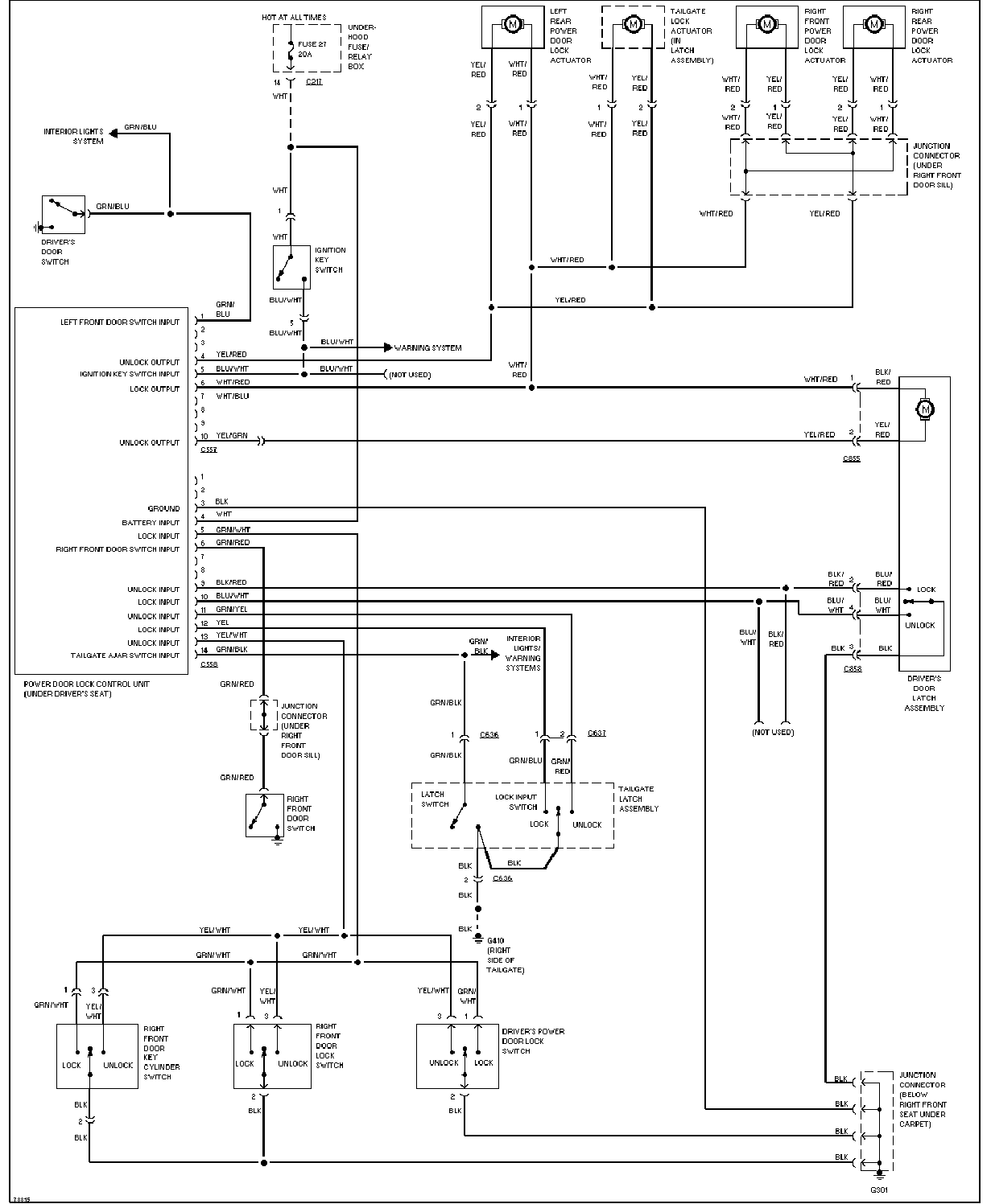
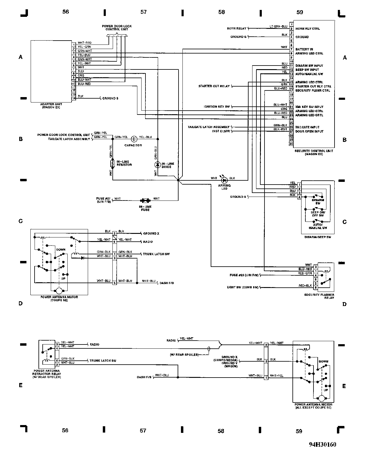
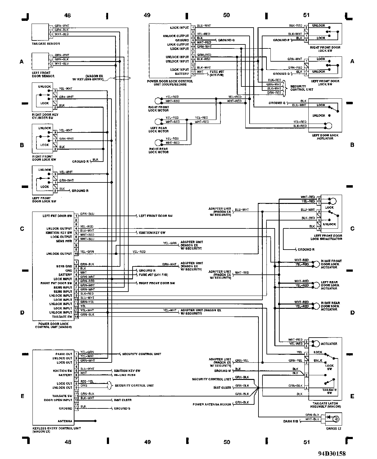
Starl.gif (870 bytes)电动遥控门锁控制单元线路图
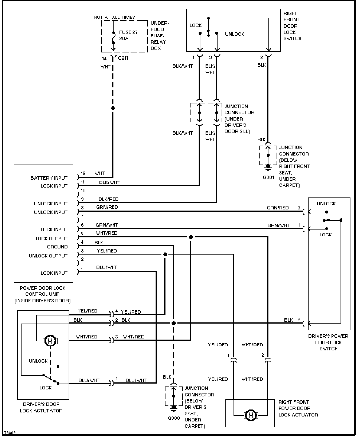
Starl.gif (870 bytes)电动门锁线路图(未带遥控门锁、面包车)
Starl.gif (870 bytes)电动门锁线路图(带遥控门锁、面包车-lx、candan-ex)
Starl.gif (870 bytes)电动门锁线路图(带遥控门锁、面包车-ex、candan-ex-r)
Starl.gif (870 bytes)电动门锁线路图(轿车)
Starl.gif (870 bytes)电动门锁线路图(跑车)
Starl.gif (870 bytes)电动天线线路图(带后阻流器)
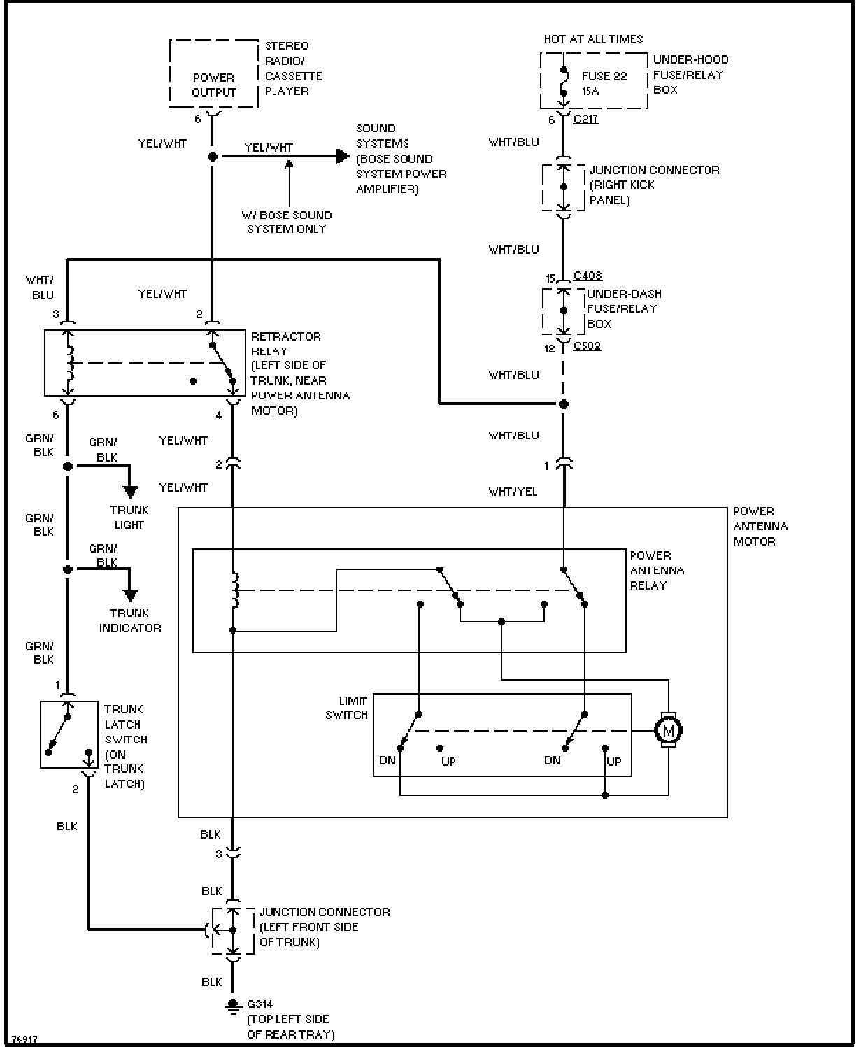
Starl.gif (870 bytes)电动天线线路图(除跑车-se外)
Starl.gif (870 bytes)电动天线线路图(跑车-se)
Starl.gif (870 bytes)发动机罩下的保险丝盒线路图