audi.gif (2922 bytes)

z-21.gif (13953 bytes)
Bullet1.gif (1223 bytes)90(097型)(38Pin)自动变速箱线路图
Bullet1.gif (1223 bytes)95年以前 A6 (01N)(ZF 4HP18) 55PIN自动变速箱线路图
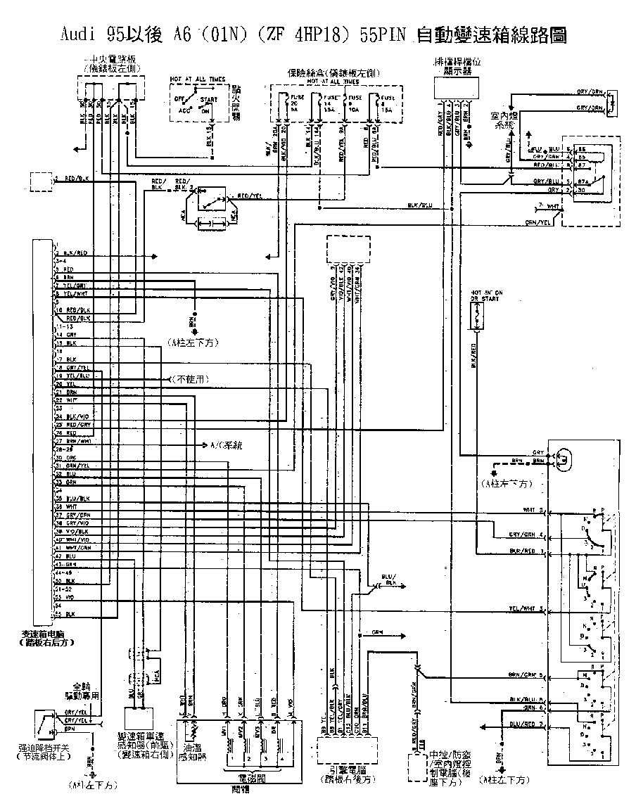
Bullet1.gif (1223 bytes)95年以后 A6 (01N)(ZF 4HP18) 55PIN自动变速箱线路图
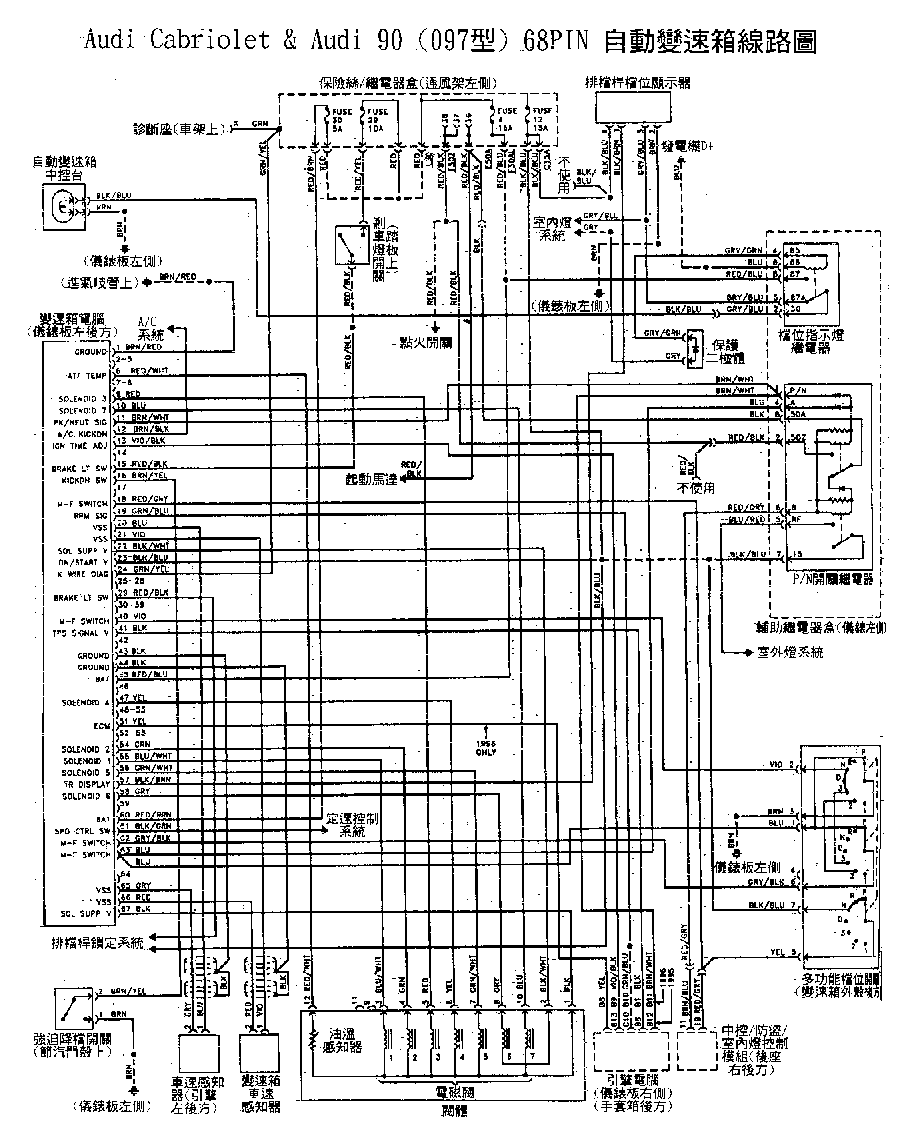
Bullet1.gif (1223 bytes)Cabriolet & Audi 90 (097型) 68Pin 自动变速箱线路图
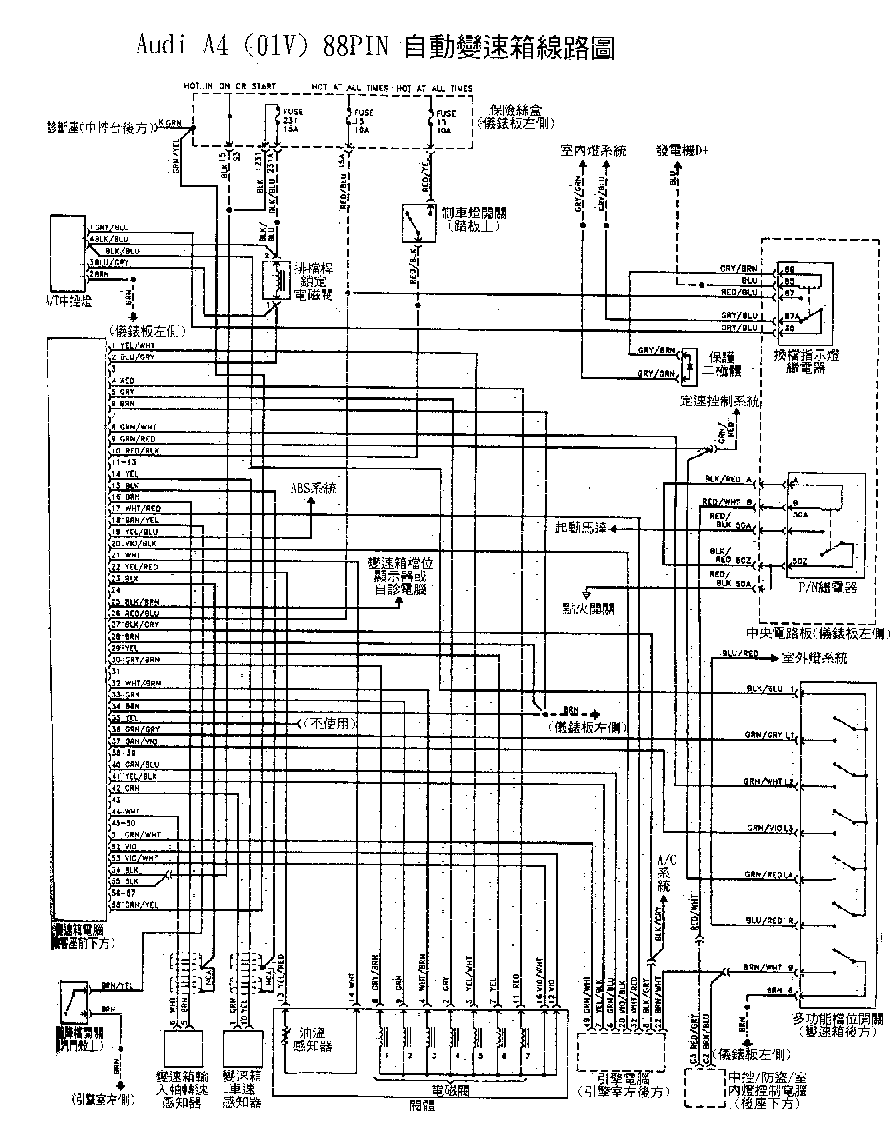
Bullet1.gif (1223 bytes)A4 (01V) 88PIN 自动变速箱线路图