GALANT 91 电路图集

002.gif (3492 bytes)
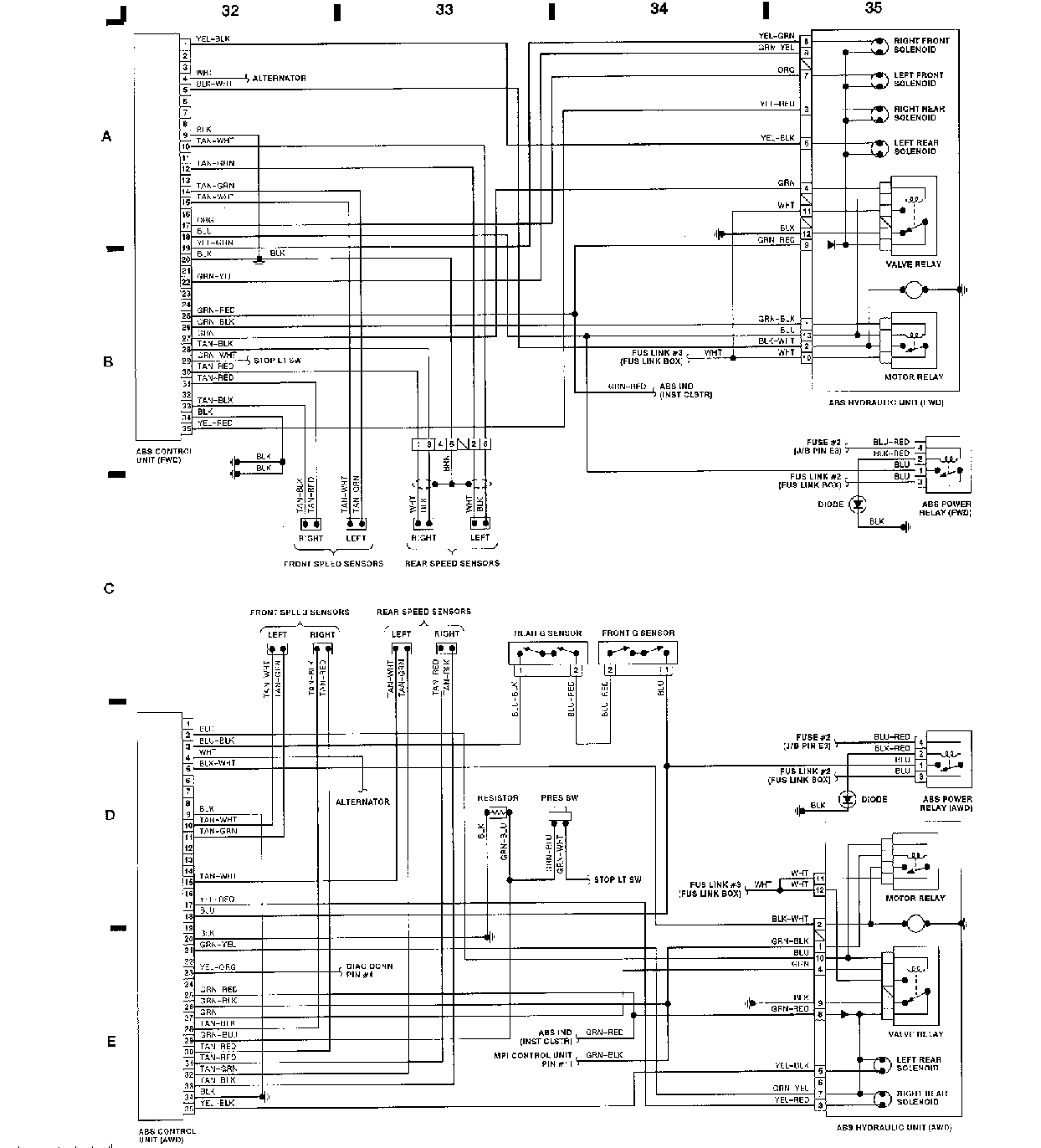
star26252.gif (852 bytes)ABS控制(前、后驱动)、ABS液压装置
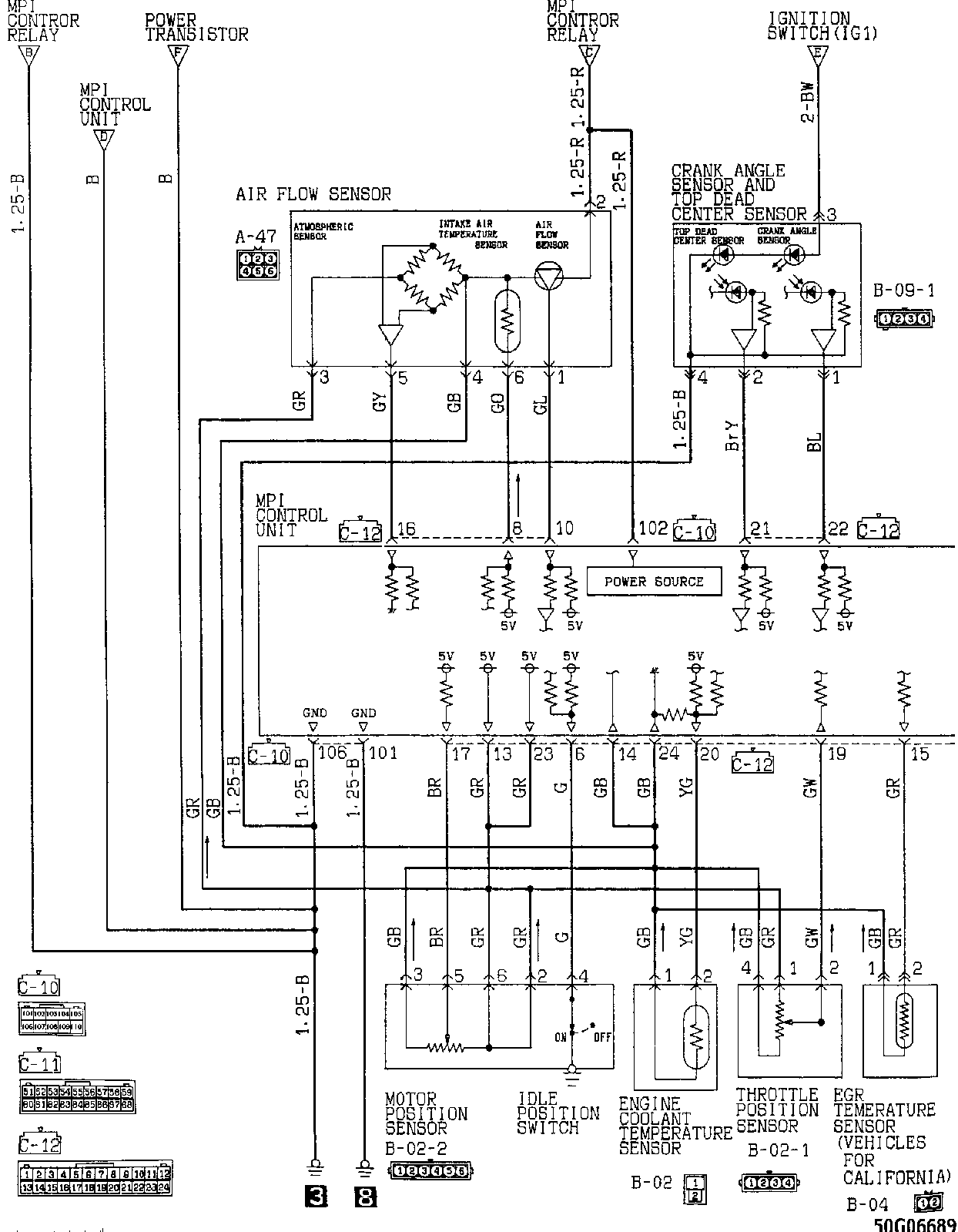
Starl.gif (870 bytes)2.0L发动机控制电脑(涡轮机)
Starl.gif (870 bytes)2.0L发动机控制电脑(单顶置凸轮轴)
Starl.gif (870 bytes)2.0L发动机控制电脑(双顶置凸轮轴)
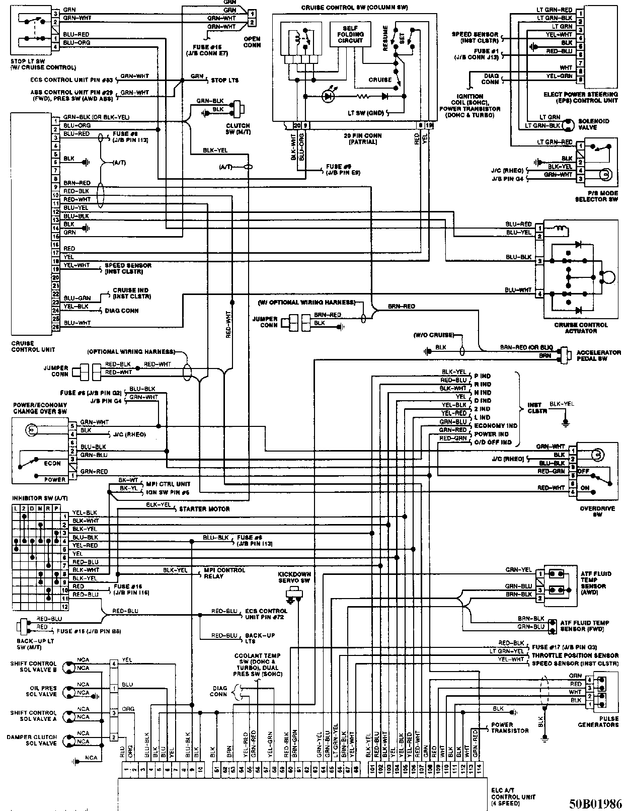
Starl.gif (870 bytes)电控控制四档自动变速器、巡航控制
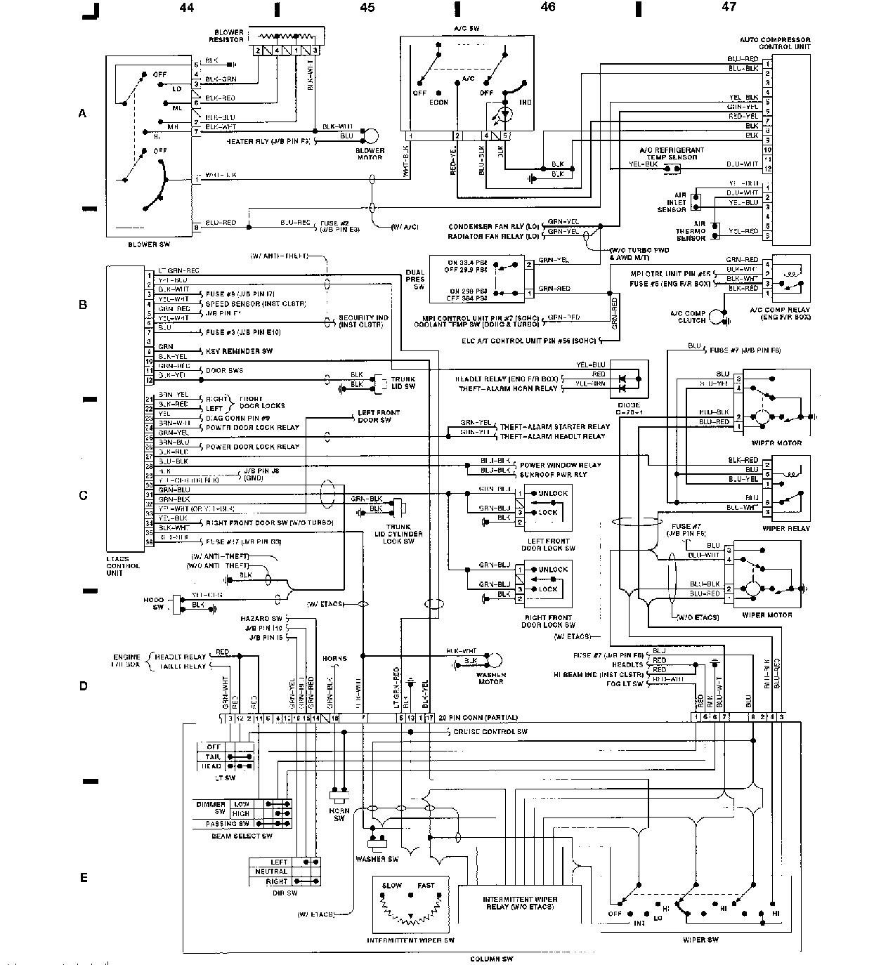
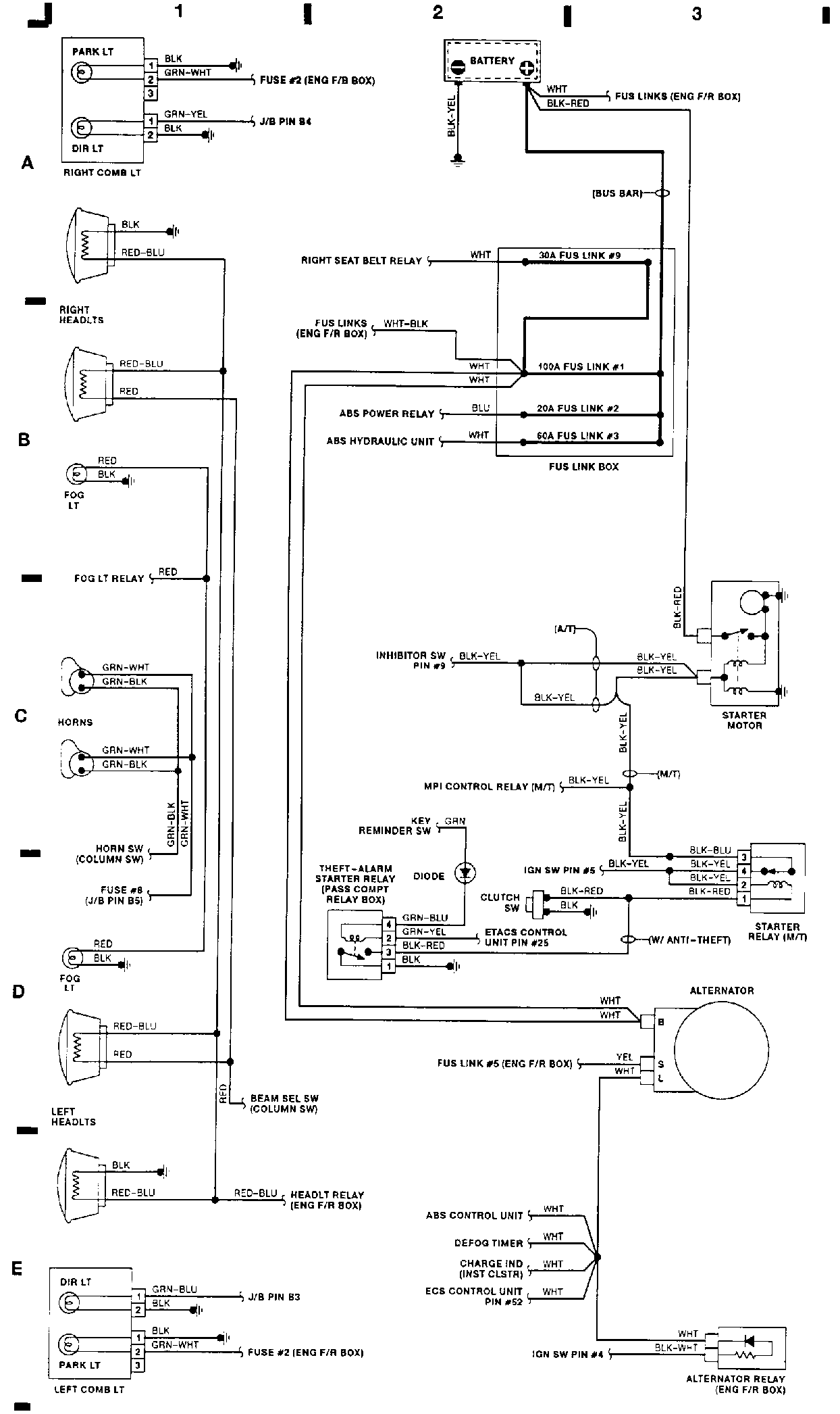
Starl.gif (870 bytes)发动机室大灯
Starl.gif (870 bytes)电子定时及报警控制系统、方向盘柱开关、空调系统
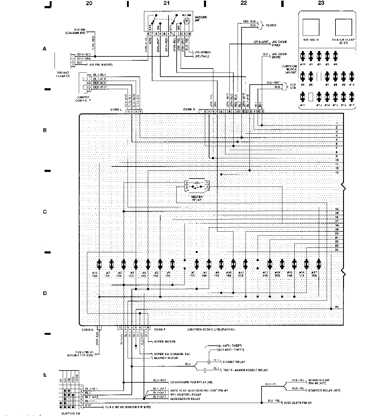
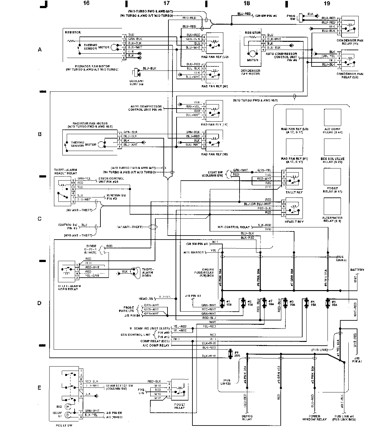
Starl.gif (870 bytes)保险丝盒、散热器风扇马达、雾灯
Starl.gif (870 bytes)仪表板可变电阻、雾灯继电器
Starl.gif (870 bytes)接线盒(部分)、点火开关
Starl.gif (870 bytes)保险丝盒(部分)
Starl.gif (870 bytes)怠速马达位置传感器
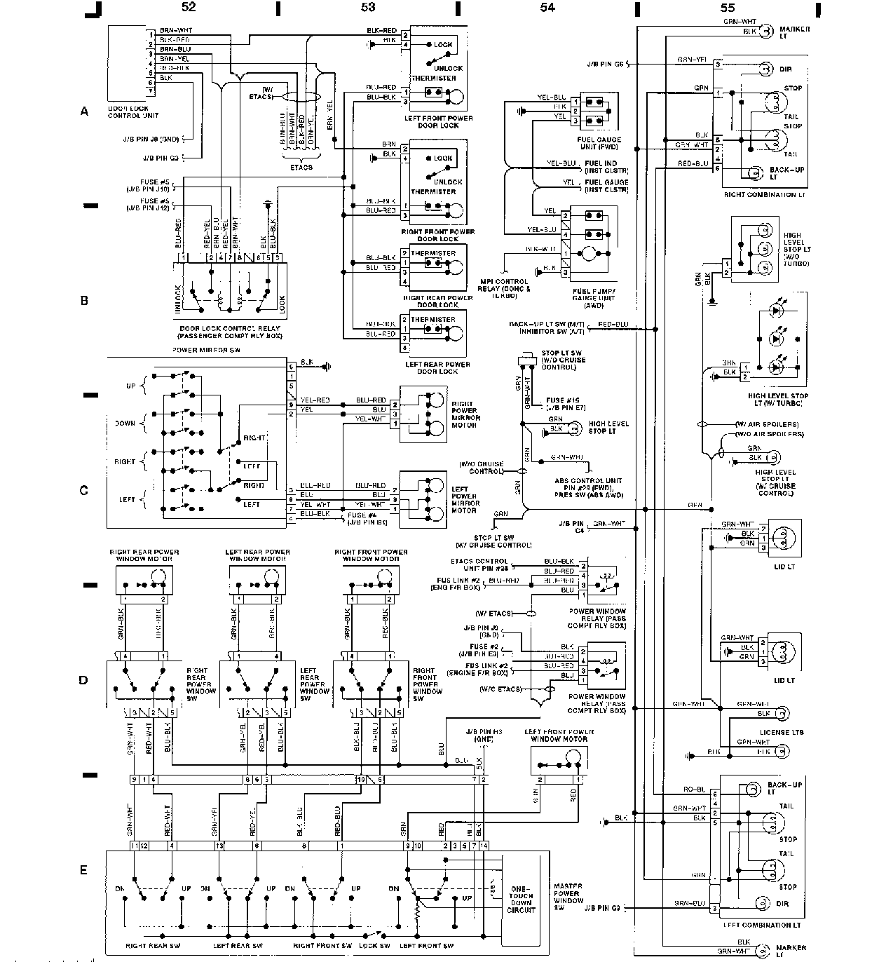
Starl.gif (870 bytes)电动门锁、窗、后视镜、尾灯
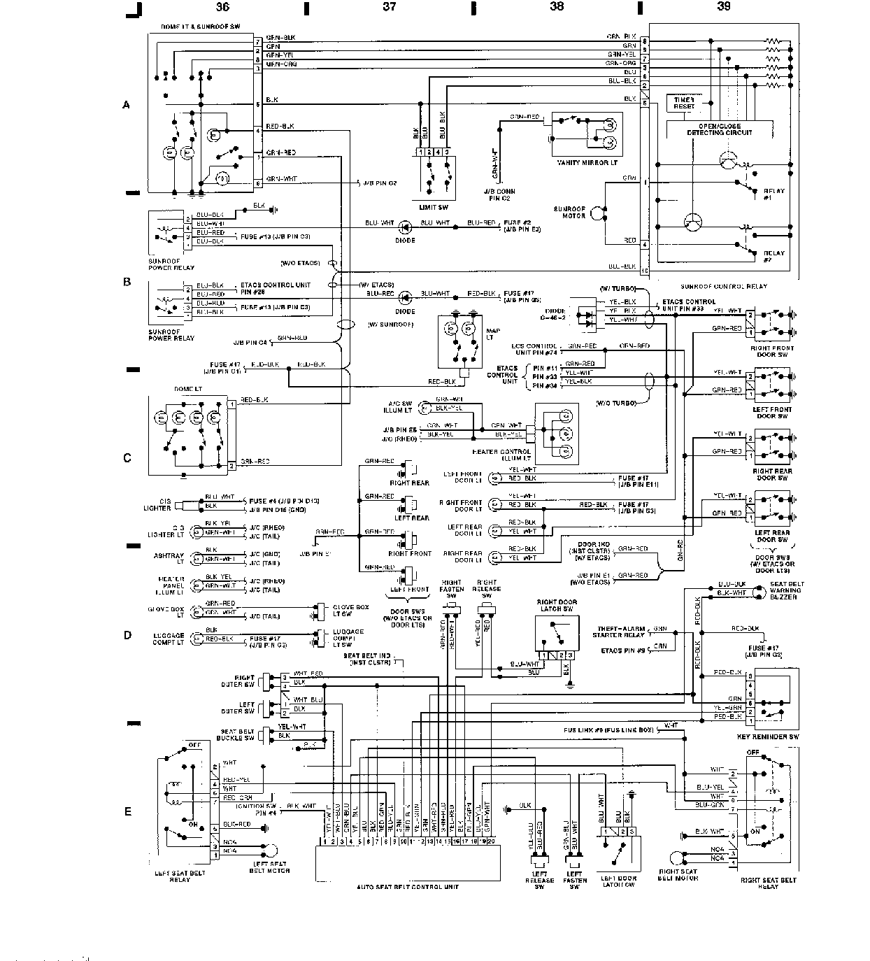
Starl.gif (870 bytes)安全带、遮阳板、车顶灯、加热器
Starl.gif (870 bytes)电子动力转向控制-指示灯、电磁阀