CIVIC 92 电路图集

 

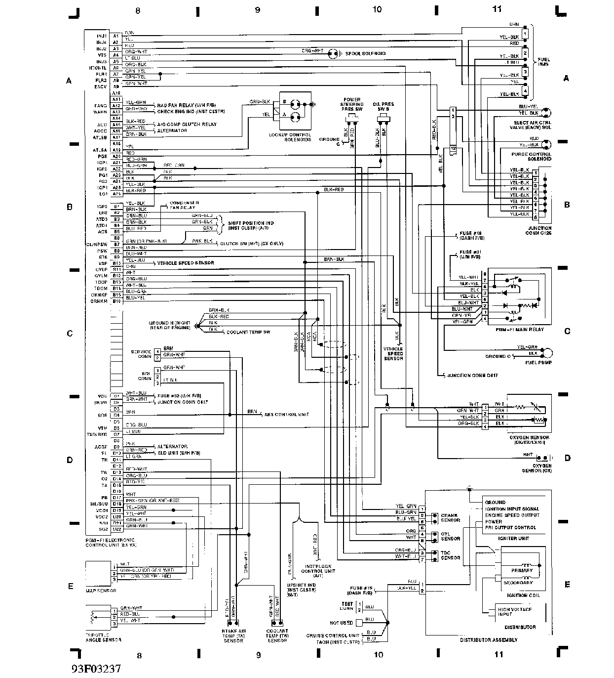
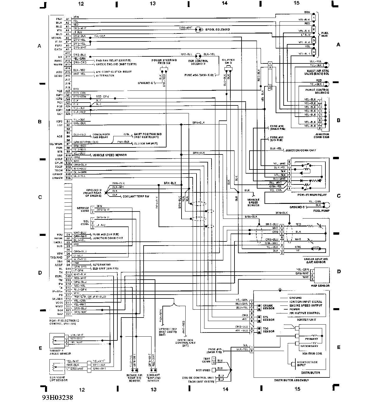
star26252.gif (852 bytes)燃油喷射电子控制单元线路图
Starl.gif (870 bytes)ABS控制单元线路图(发动机罩下的保险丝盒)
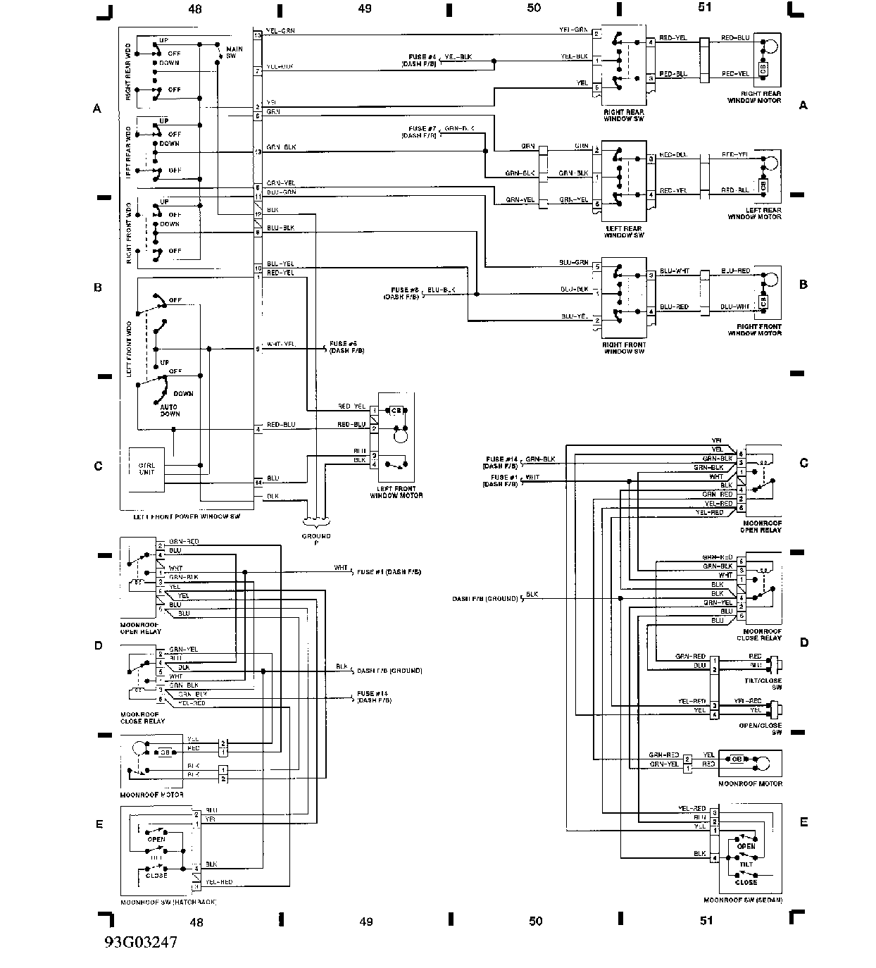
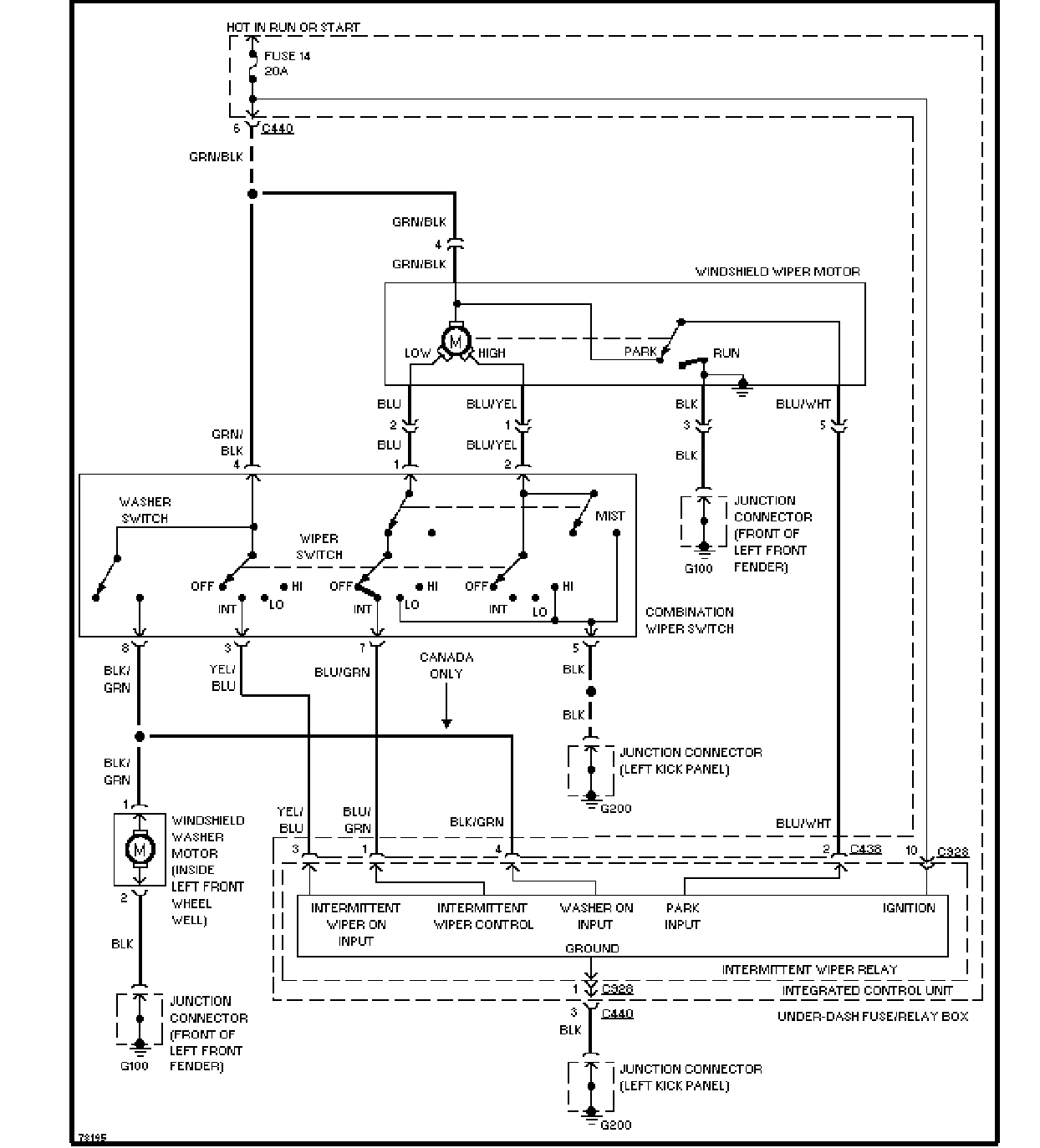
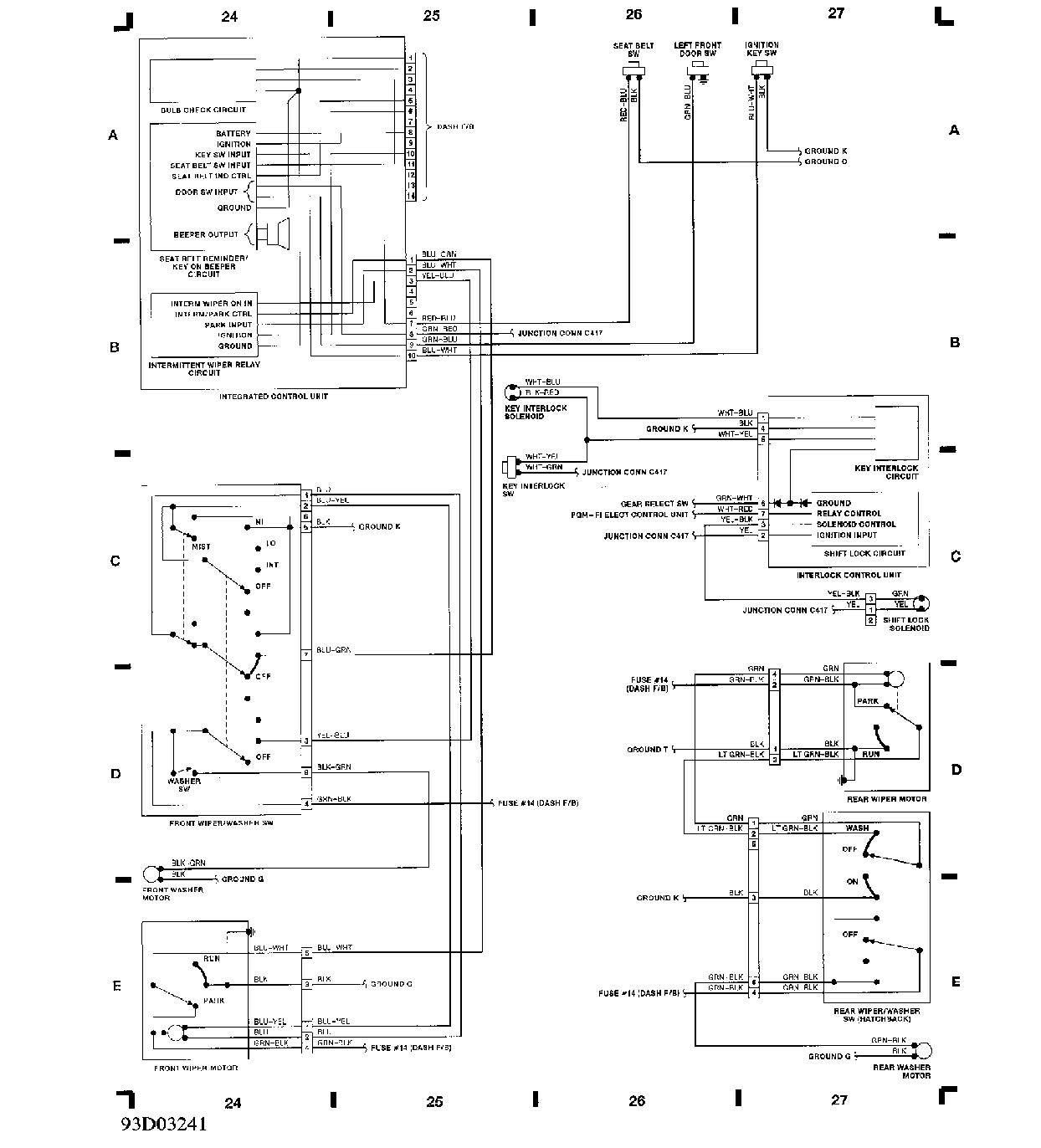
Starl.gif (870 bytes)天窗开关、电动窗开线路图 Starl.gif (870 bytes)集成控制单元、雨刮清洗器系统线路图
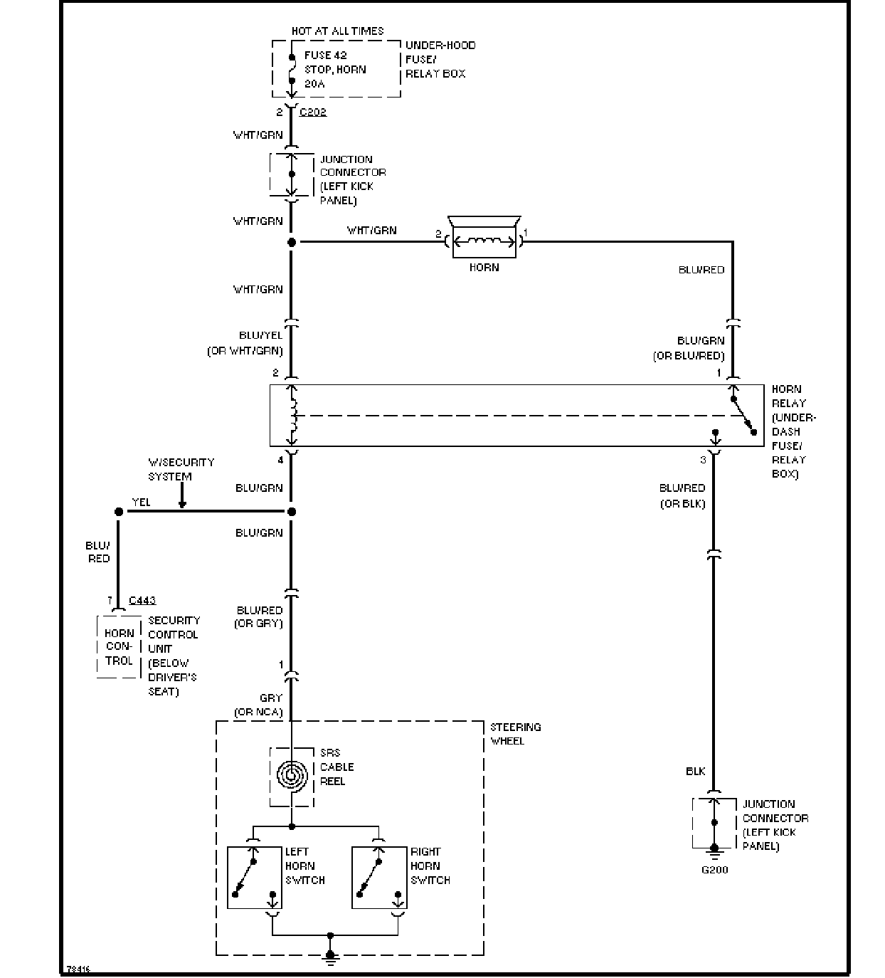
Starl.gif (870 bytes)仪表板连接接头-c507线路图 Starl.gif (870 bytes)喇叭线路图(带SRS)
Starl.gif (870 bytes)喇叭线路图(未带SRS) Starl.gif (870 bytes)前雨刮清洗器线路图
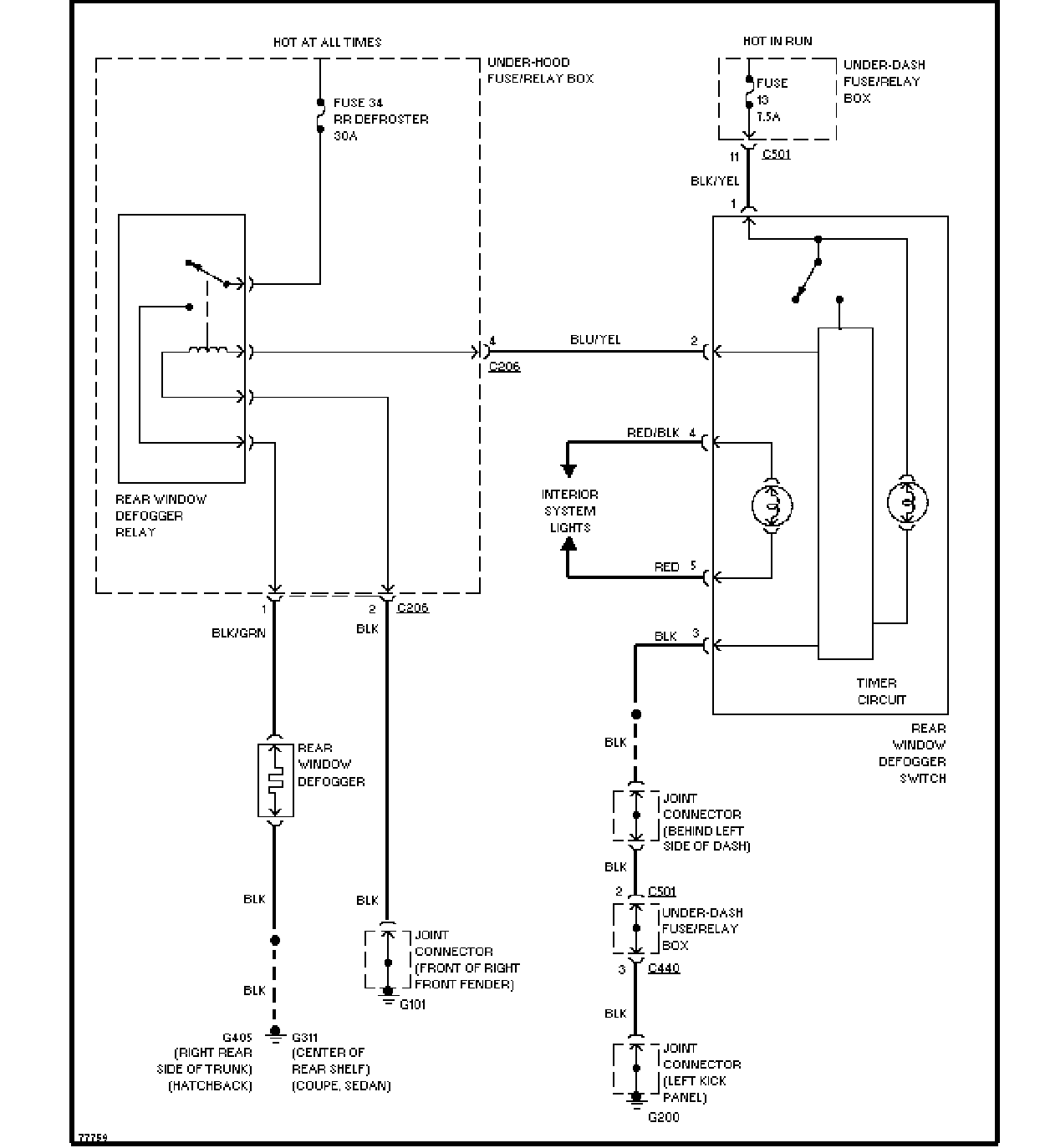
Starl.gif (870 bytes)发动机室大灯、交流发电机线路图 Starl.gif (870 bytes)除雾灯线路图
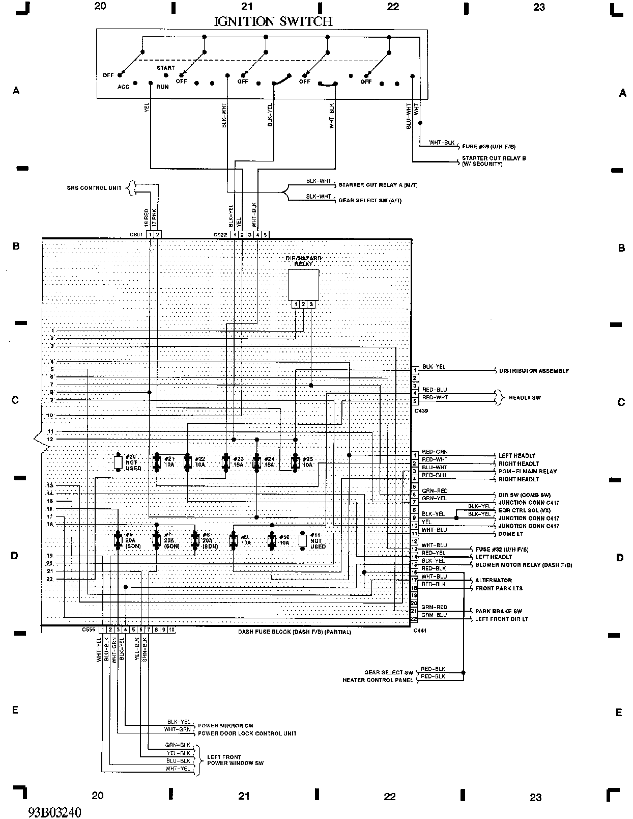
Starl.gif (870 bytes)仪表板保险丝(部分)、点火开关线路图 Starl.gif (870 bytes)仪表板保险丝盒(部分)线路图
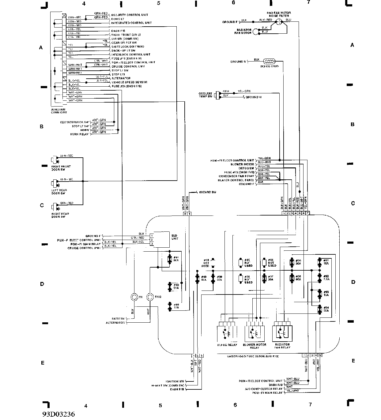
Starl.gif (870 bytes)制冷风扇线路图
Starl.gif (870 bytes)组合开关、档位选择开关、紧急开关线路图
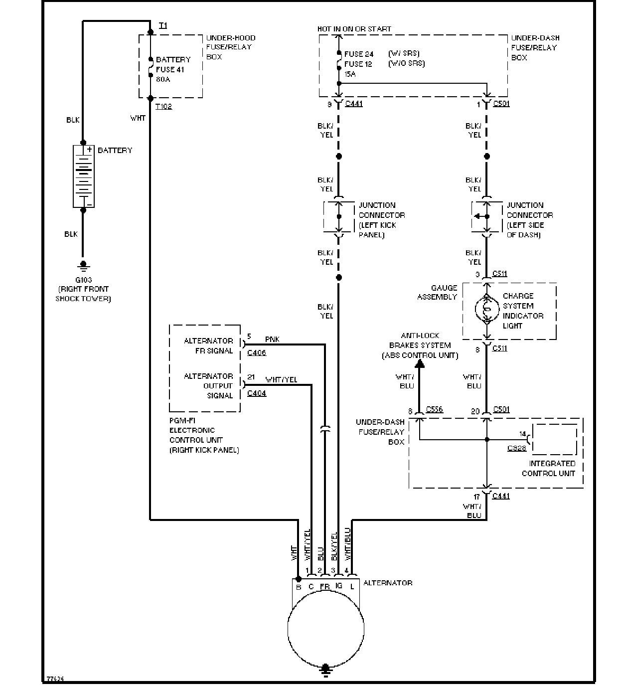
Starl.gif (870 bytes)充电系统线路图 Starl.gif (870 bytes)空调加热控制板、循环控制马达线路图
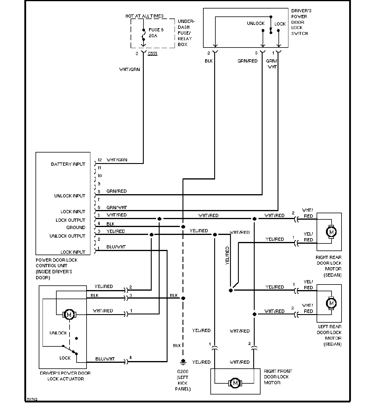
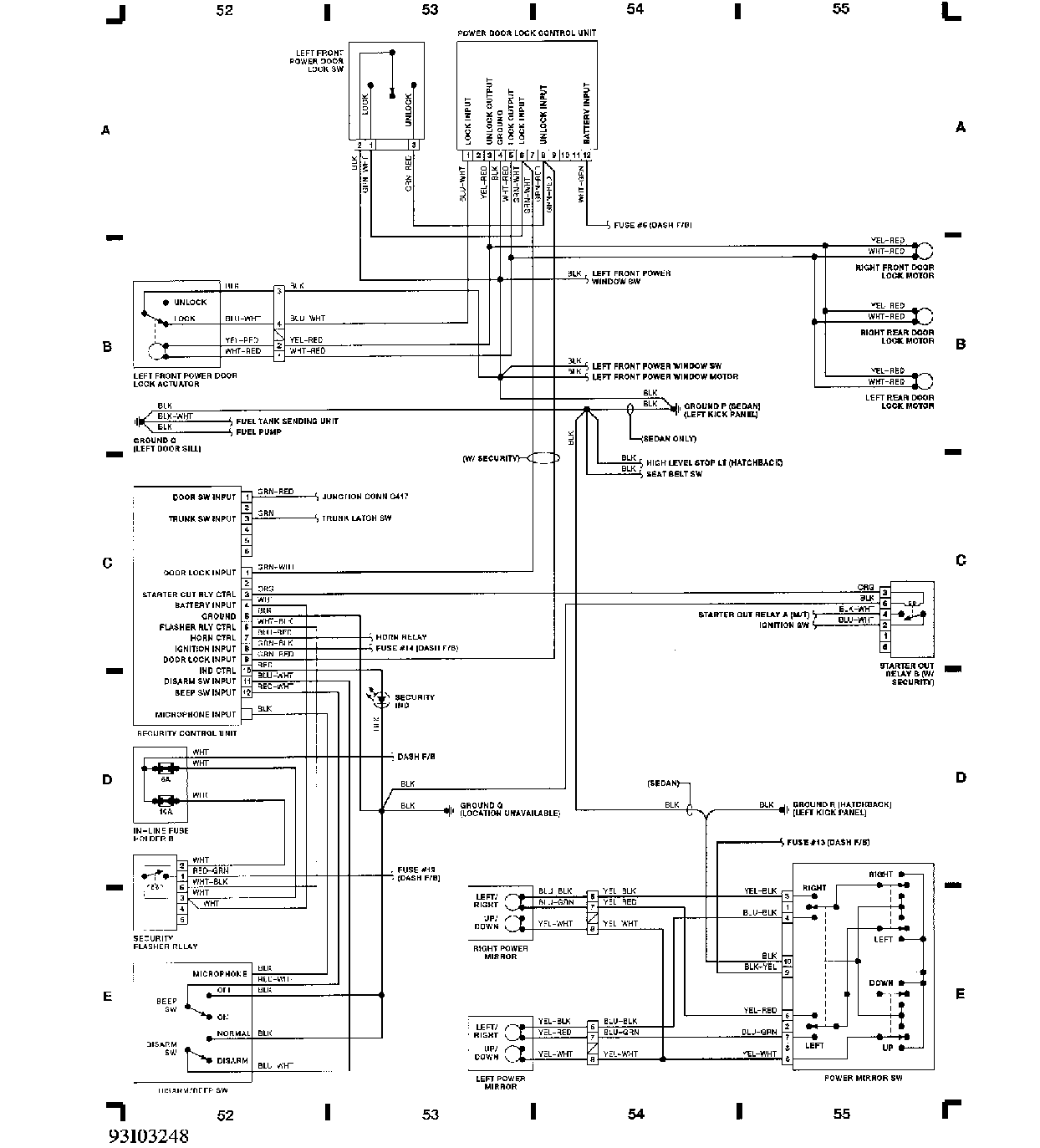
Starl.gif (870 bytes)燃油喷射电子控制单元线路图(vx) Starl.gif (870 bytes)电动门锁线路图
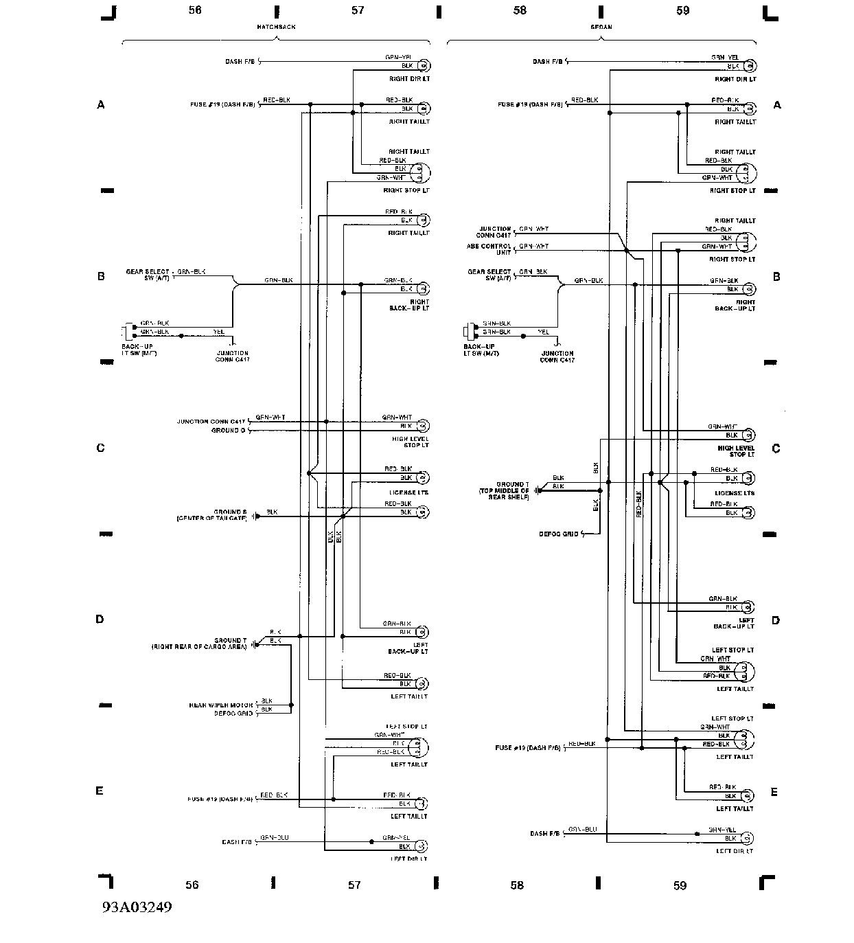
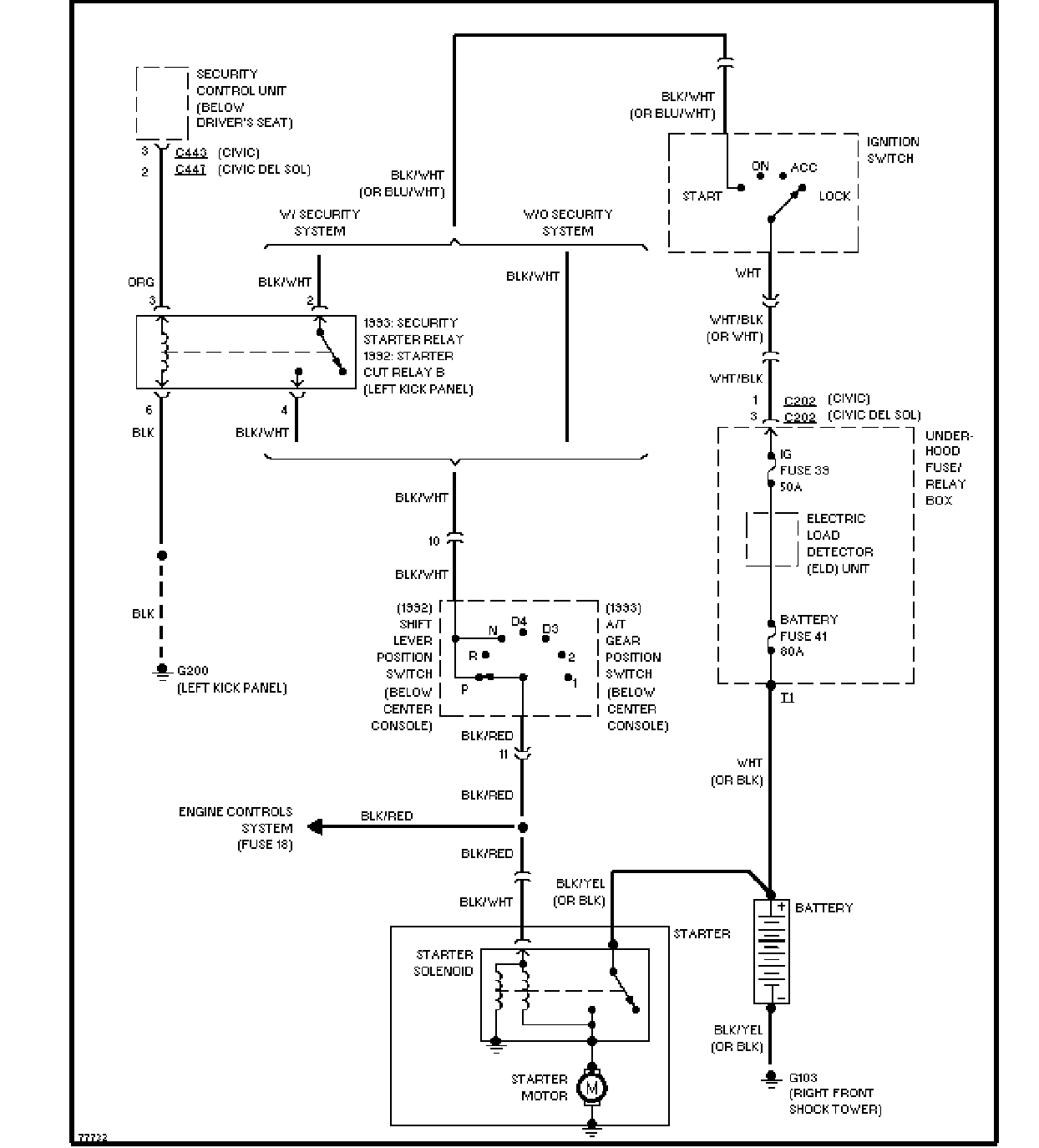
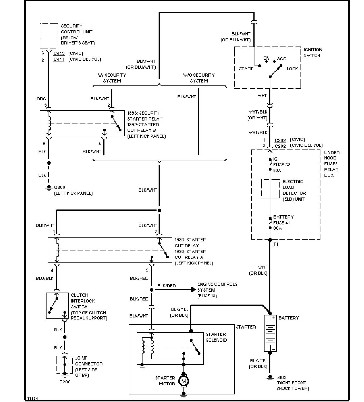
Starl.gif (870 bytes)尾灯后盖线路图(轿车) Starl.gif (870 bytes)起动系统线路图
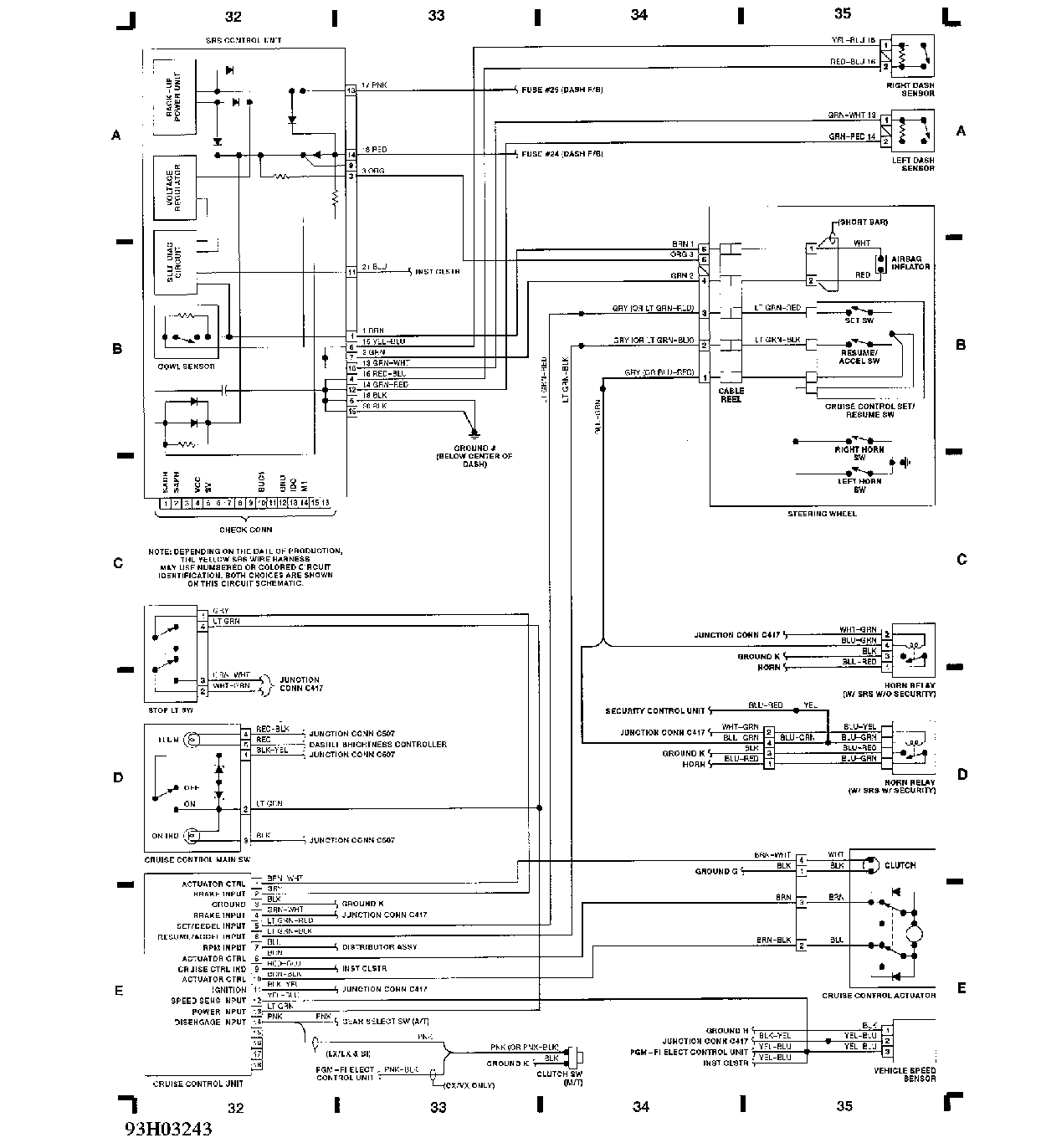
Starl.gif (870 bytes)起动系统线路图(A/T) Starl.gif (870 bytes)SRS控制单元、巡航控制单元线路图
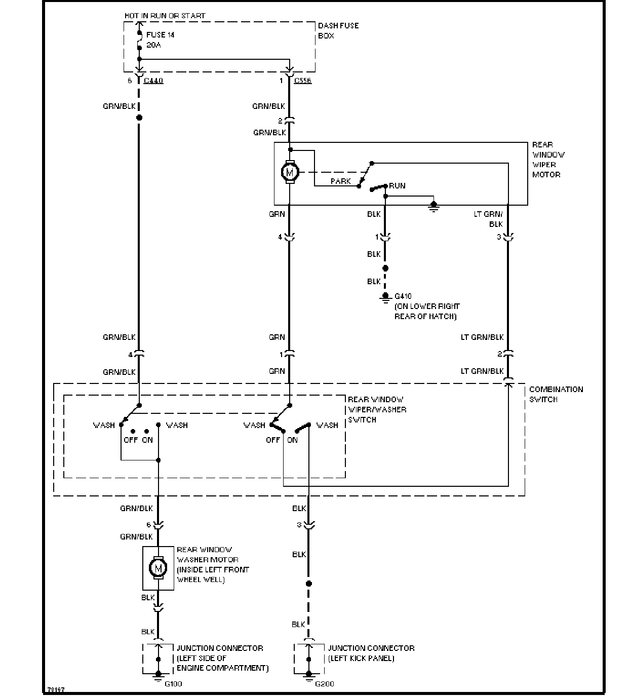
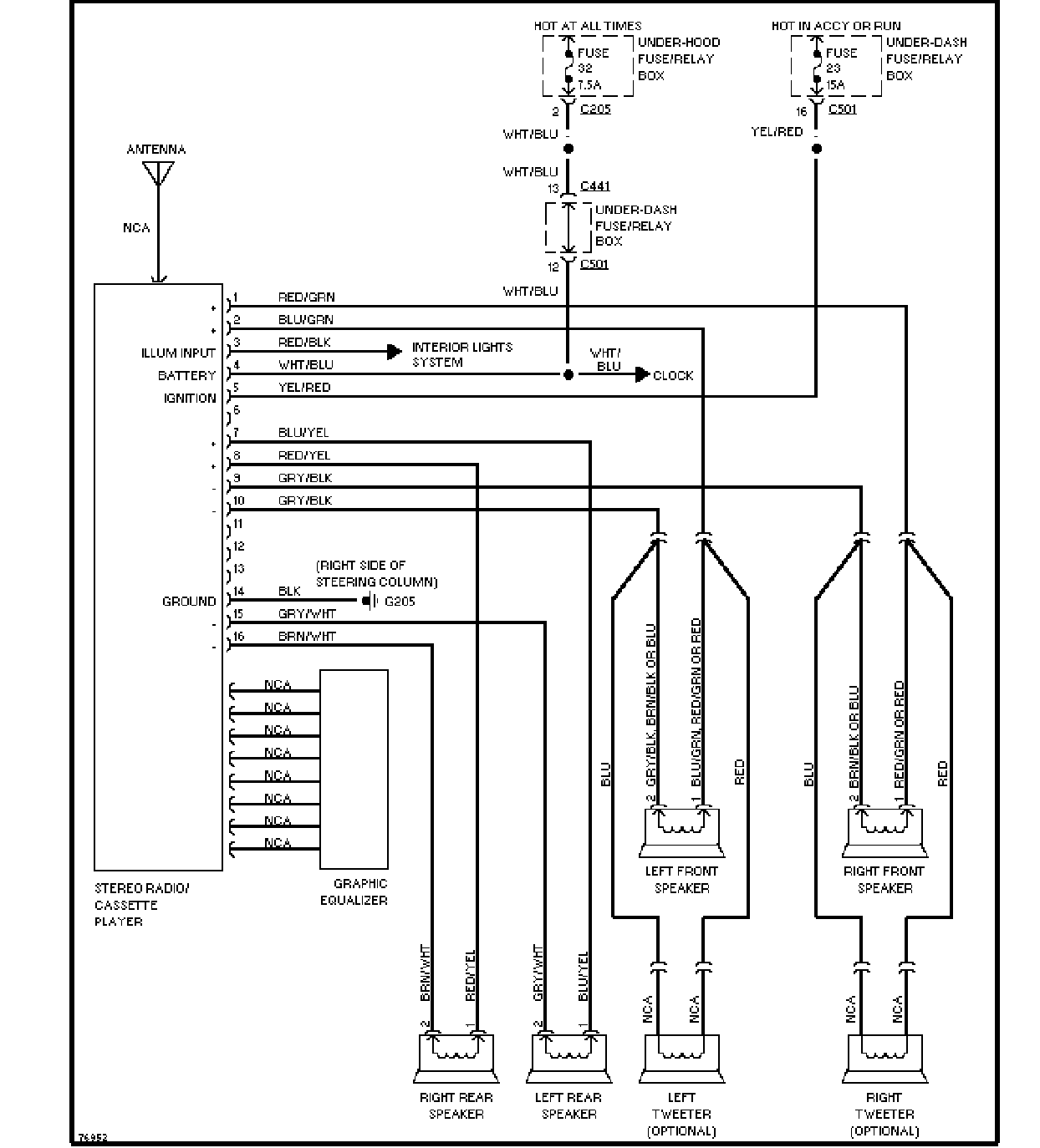
Starl.gif (870 bytes)后雨刮清洗器线路图 Starl.gif (870 bytes)收音机线路图
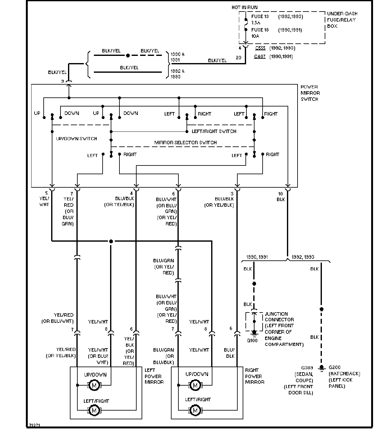
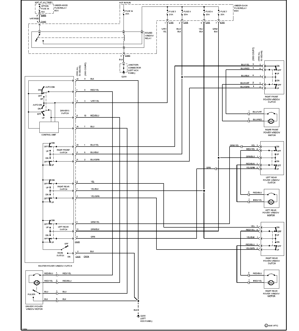
Starl.gif (870 bytes)电动窗线路图1 Starl.gif (870 bytes)电动后视镜线路图
Starl.gif (870 bytes)电动门锁控制单元、电动后视镜开关线路图
Starl.gif (870 bytes)发动机罩下的保险丝盒连接接头-c417线路图