CIVIC/DEL/SOL 95 电路图集

 

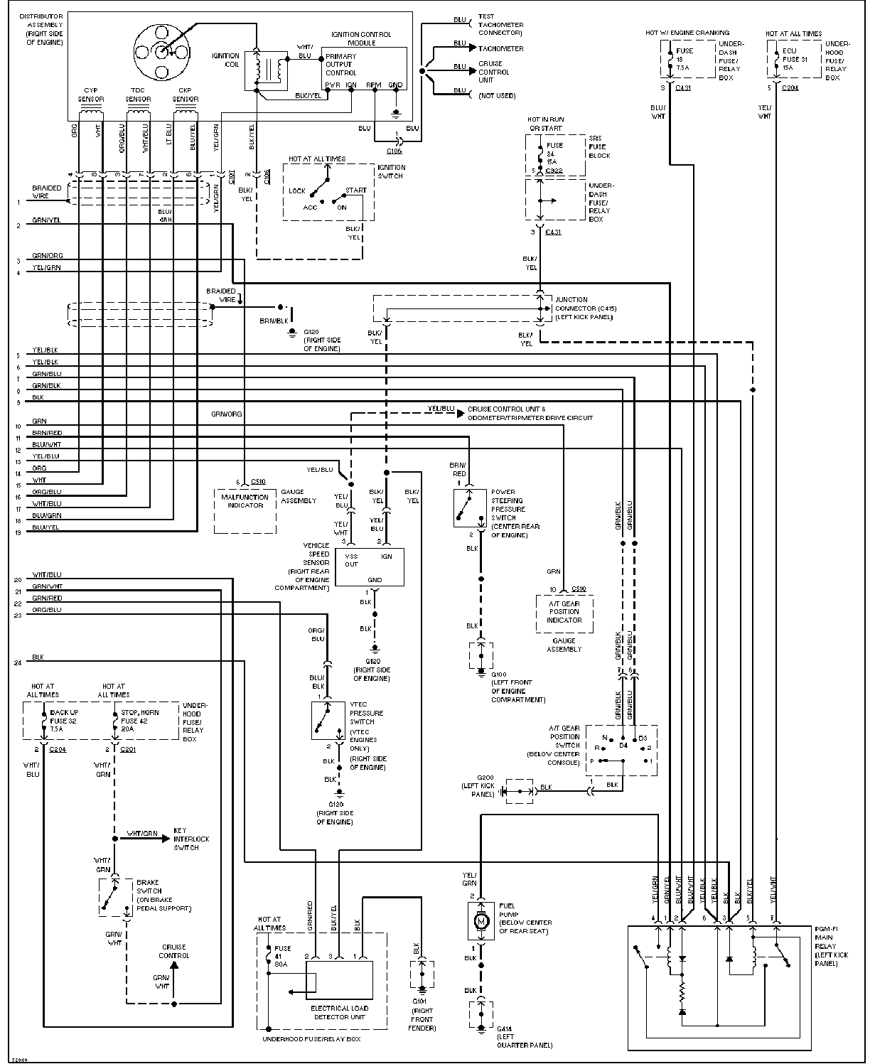
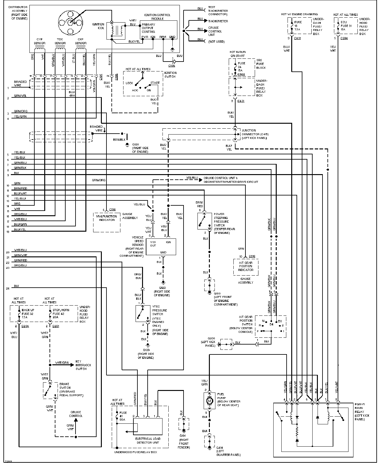
球.gif (104 bytes)1.5L发动机性能电路图   1 2 Starl.gif (870 bytes)1.6L发动机性能电路图  1 2
Starl.gif (870 bytes)空调系统电路图 Starl.gif (870 bytes)ABS系统电路图
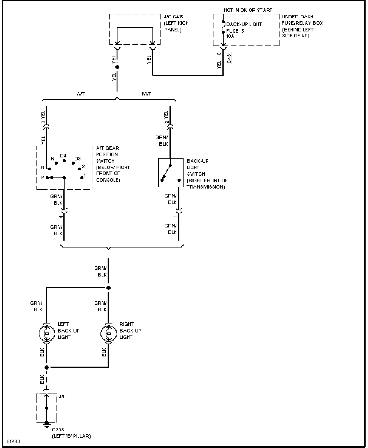
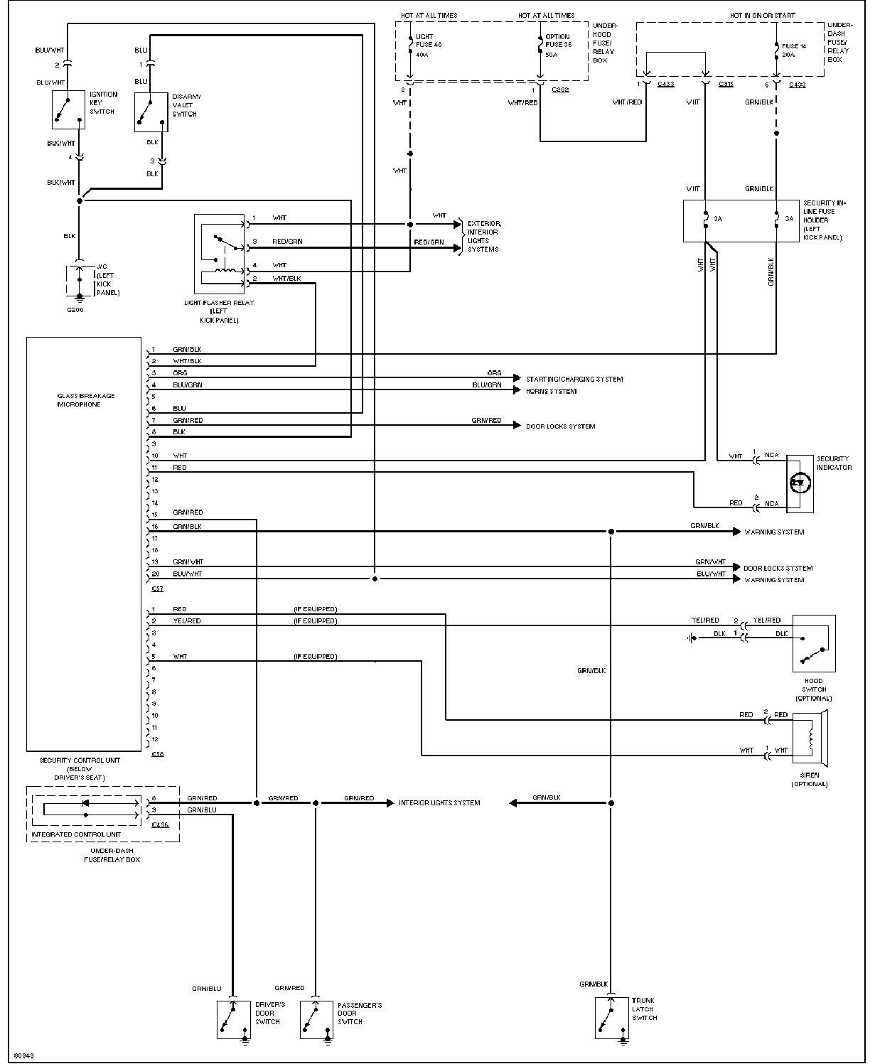
Starl.gif (870 bytes)防盗窃案系统电路图 Starl.gif (870 bytes)倒车灯电路图
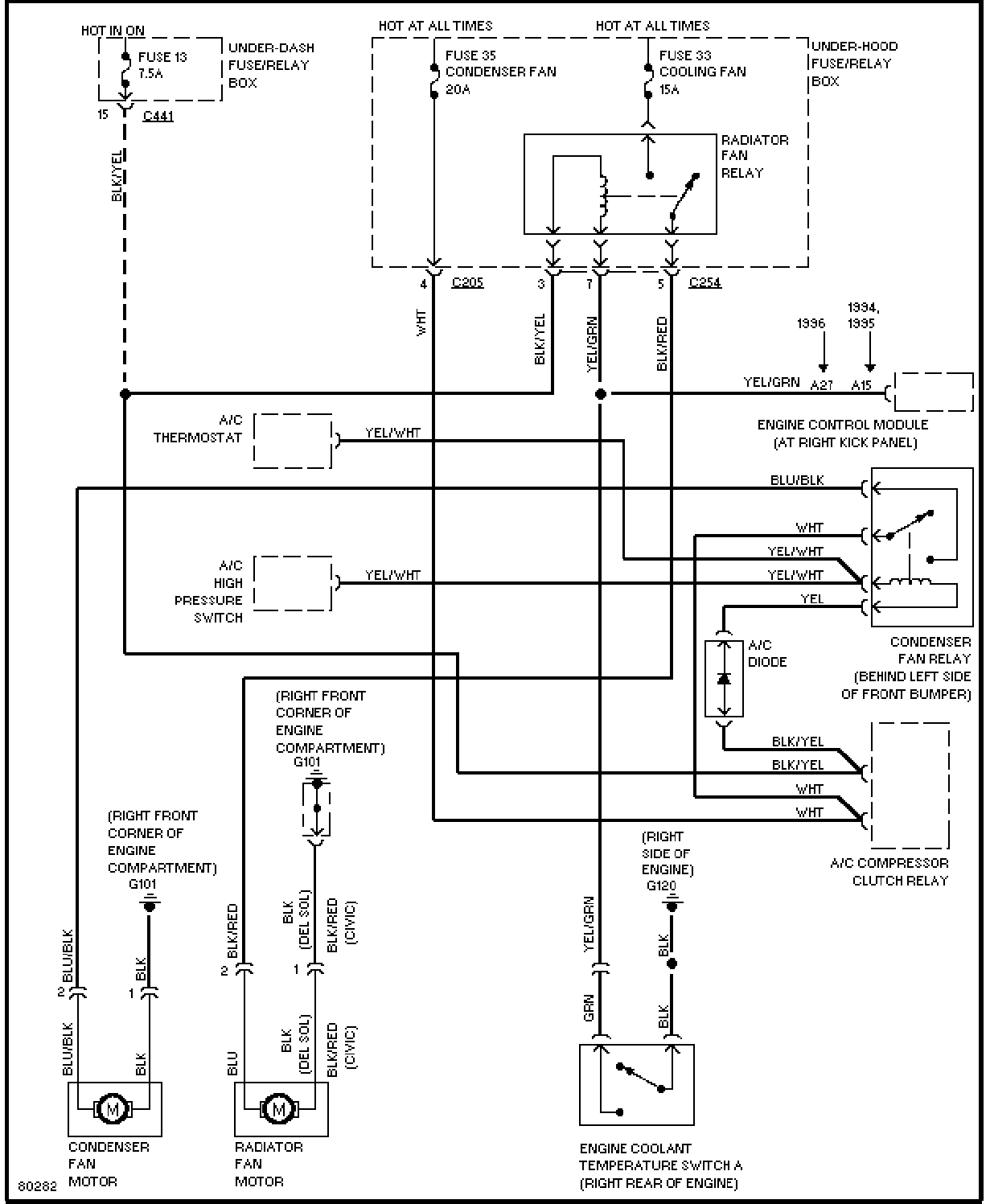
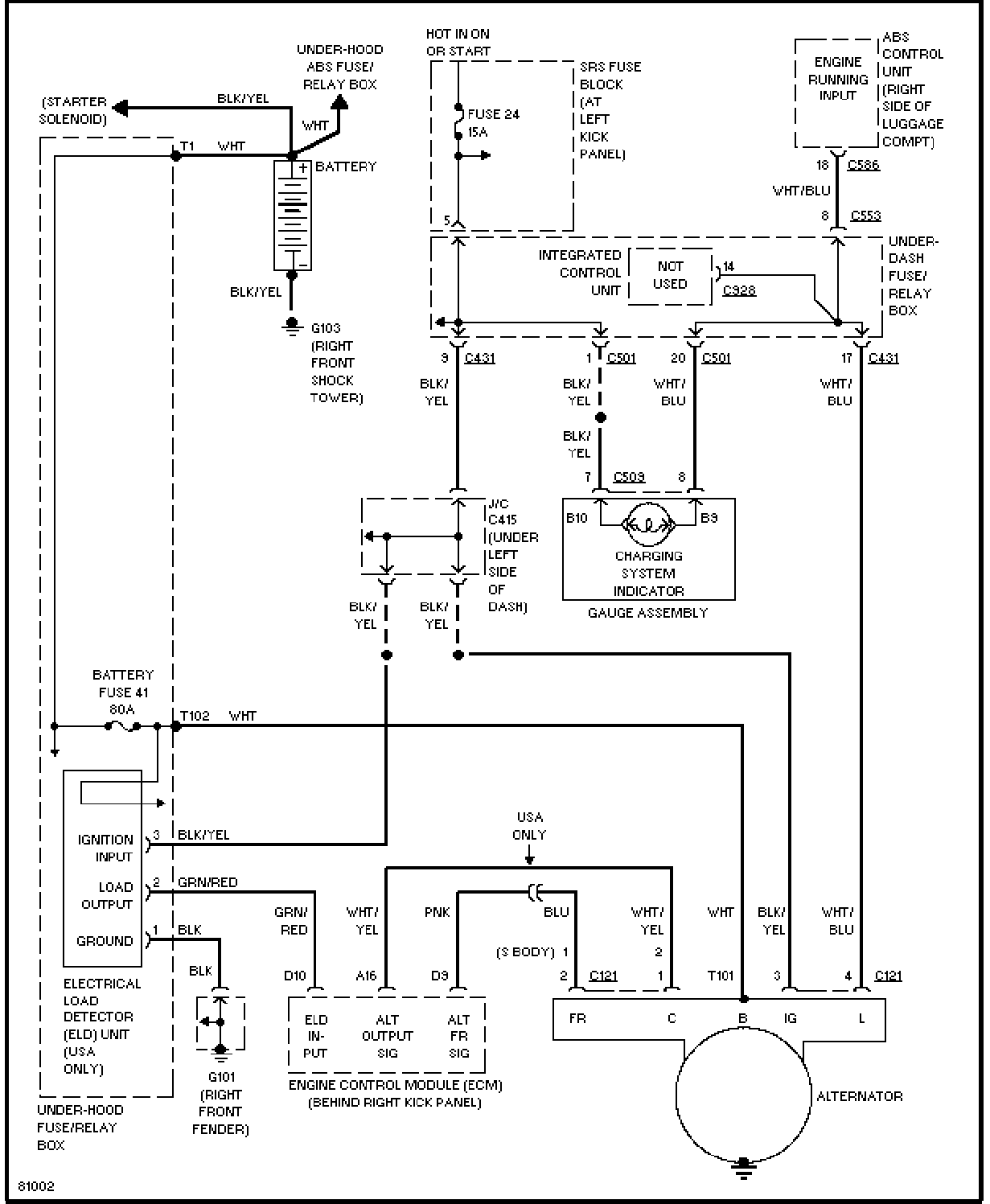
Starl.gif (870 bytes)充电系统电路图 Starl.gif (870 bytes)制泠风扇电路图
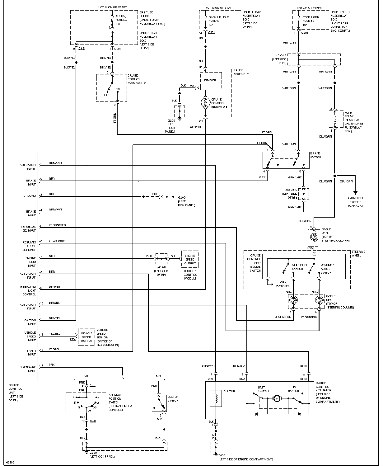
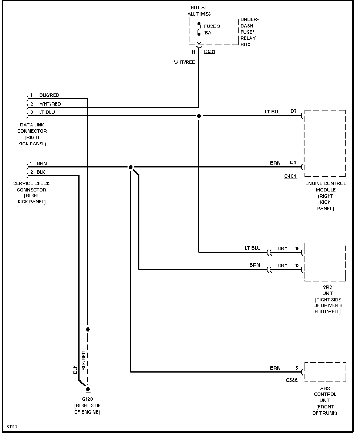
Starl.gif (870 bytes)电脑数据连接接头 Starl.gif (870 bytes)巡航控制台电路图
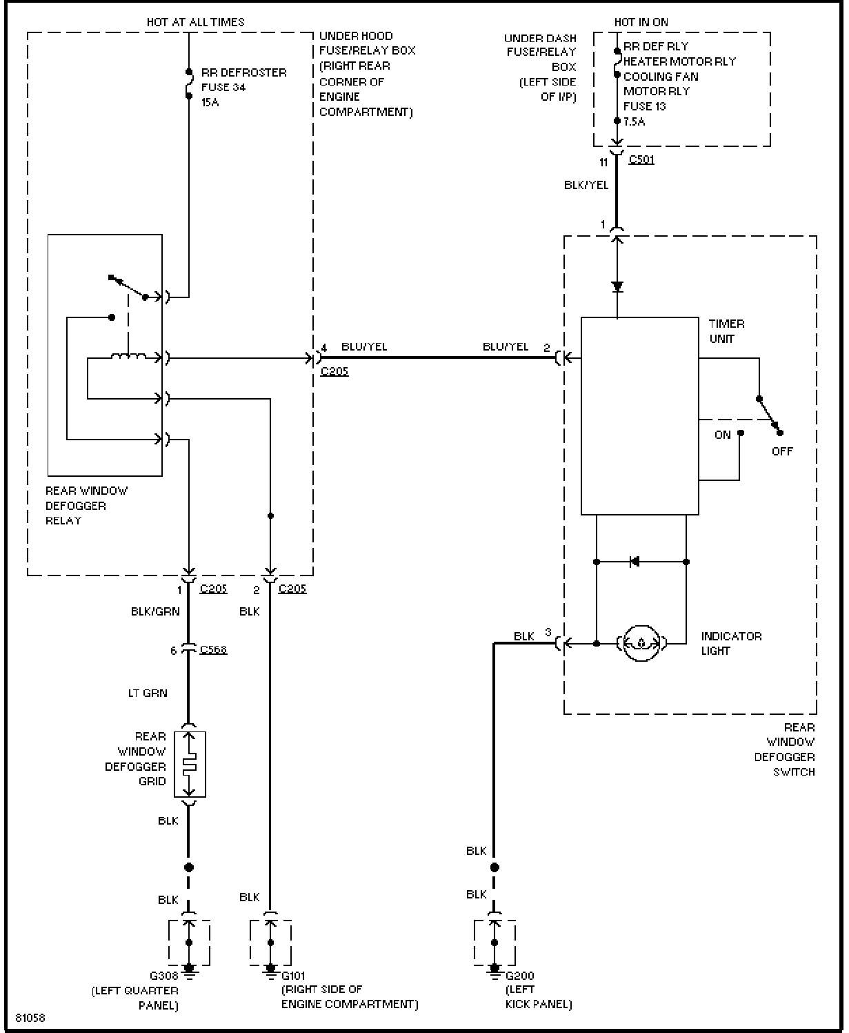
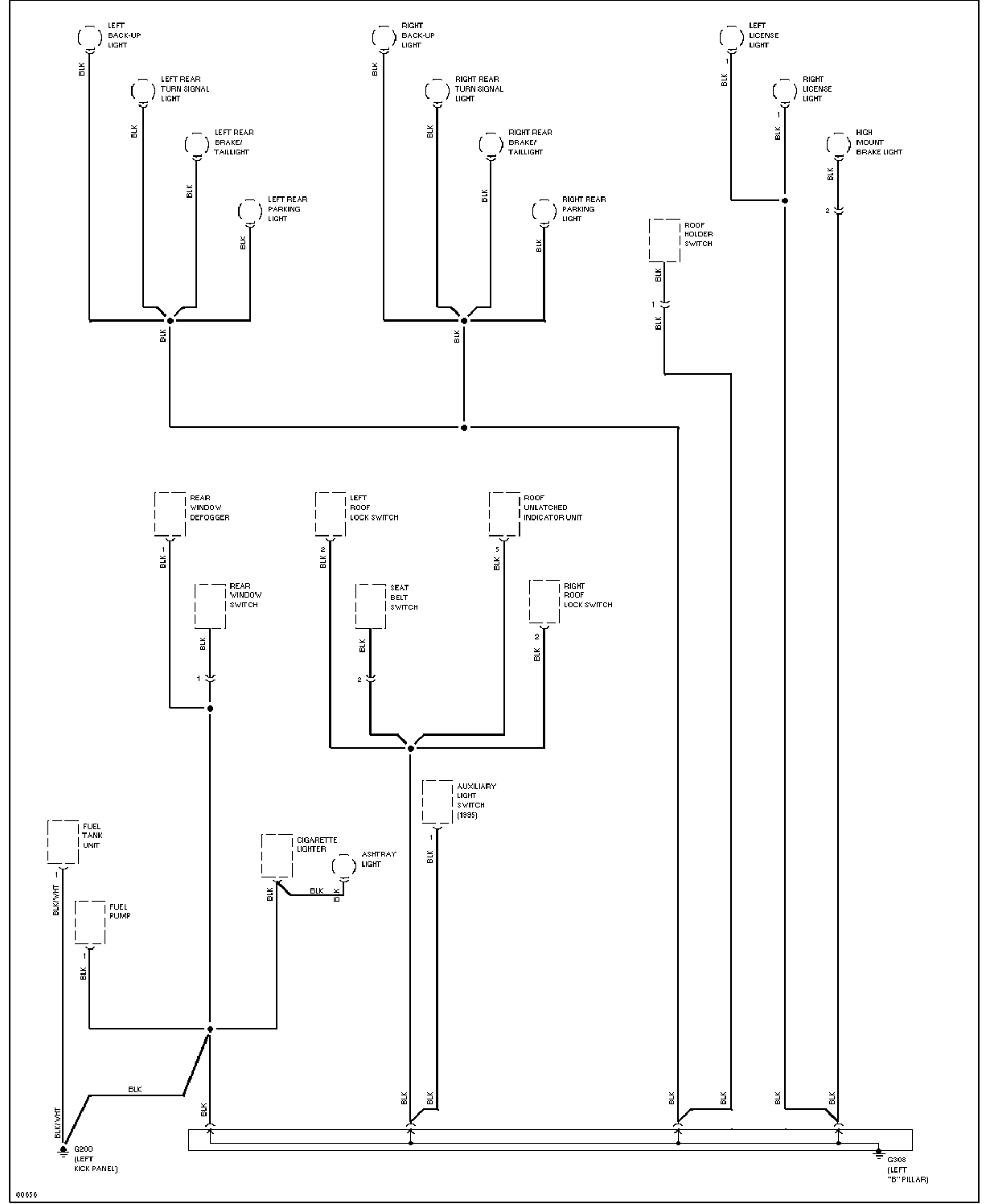
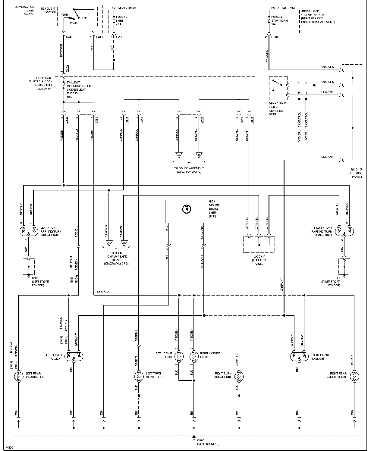
Starl.gif (870 bytes)除雾器电路图 Starl.gif (870 bytes)外部灯电路图  1 2
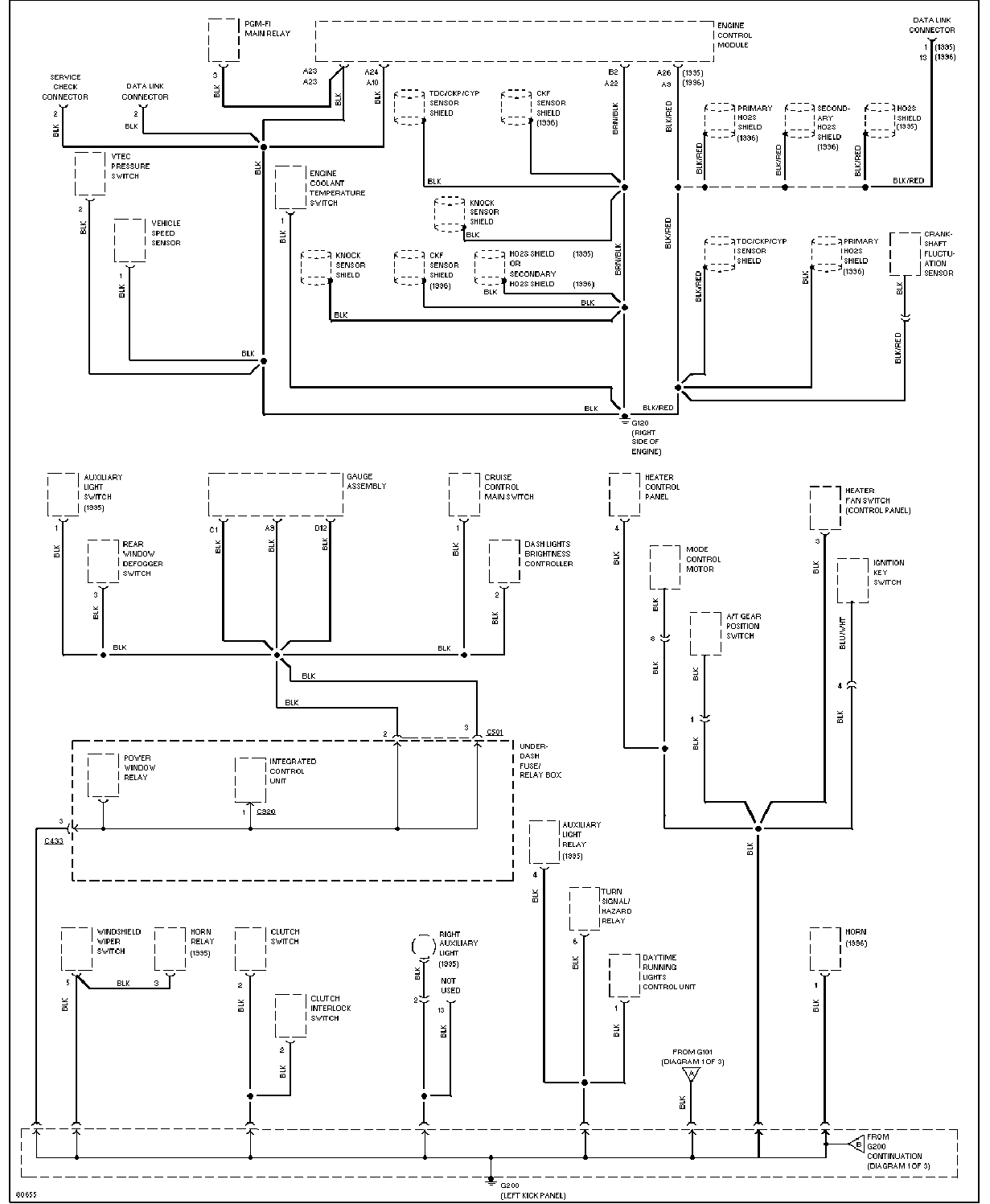
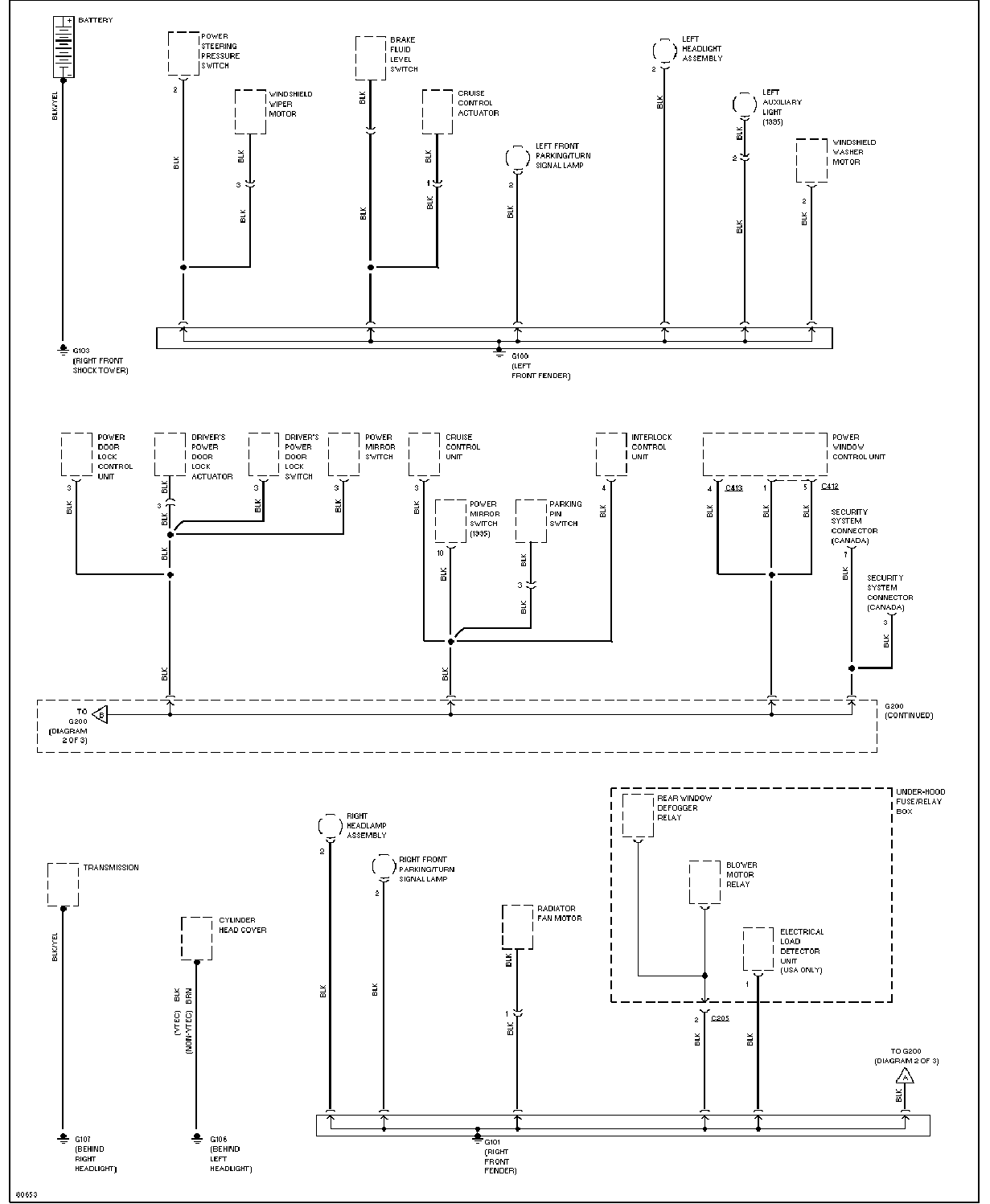
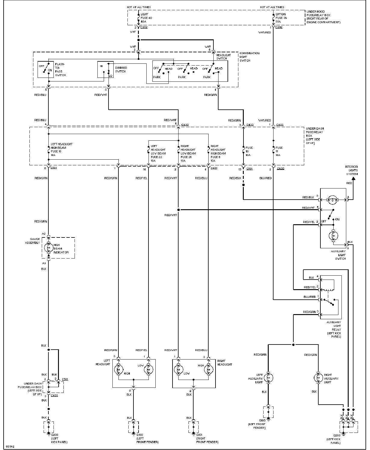
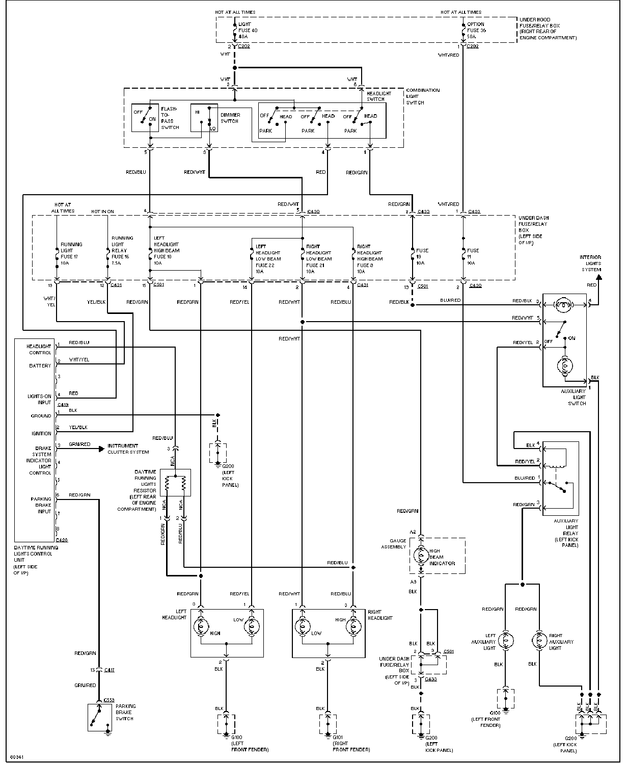
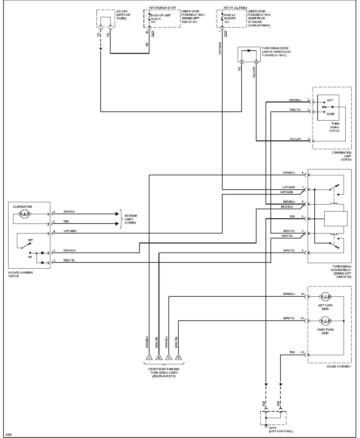
Starl.gif (870 bytes)搭铁分配电路图  1 2 3 Starl.gif (870 bytes)大灯电路图(带drl)
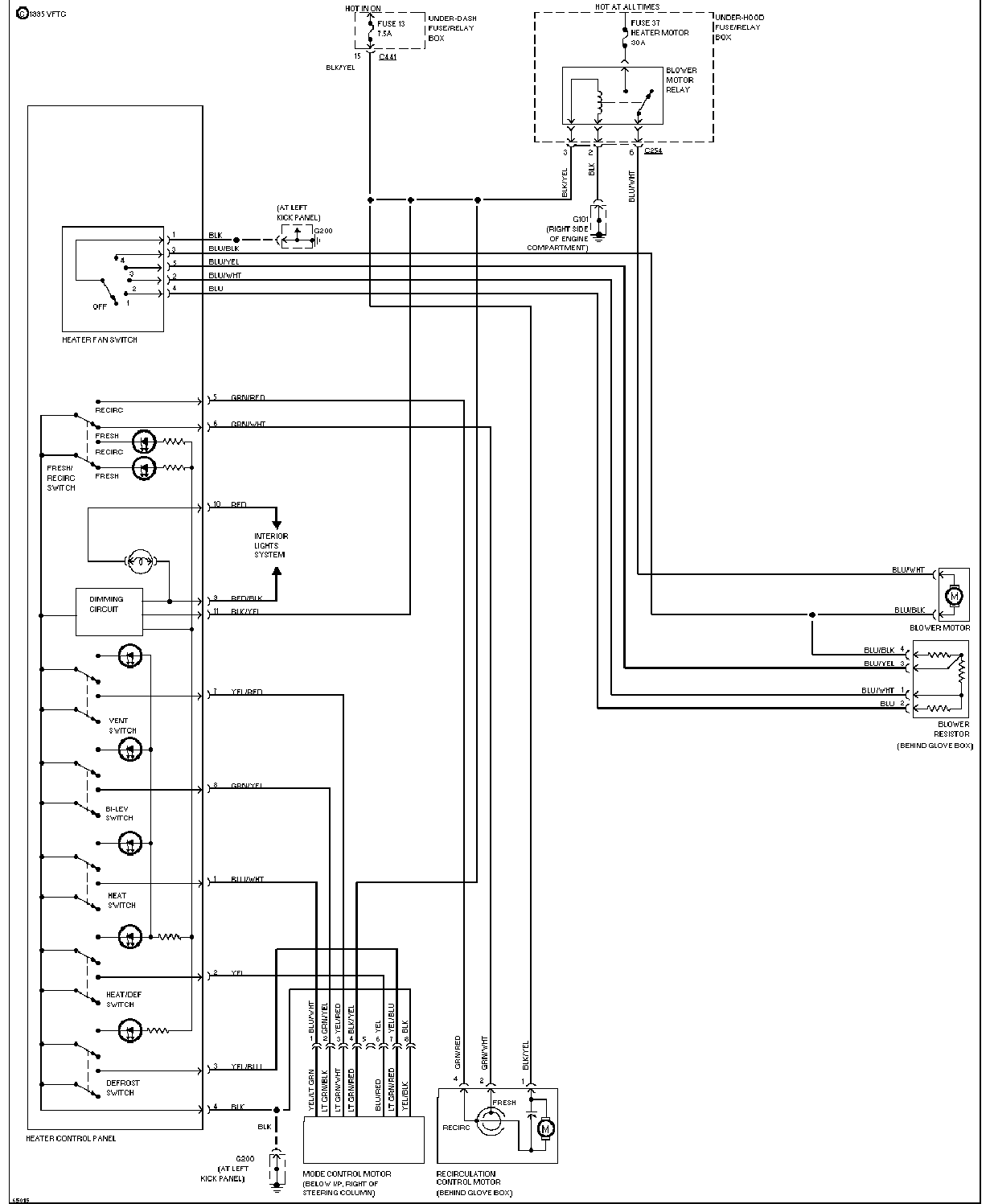
Starl.gif (870 bytes)大灯电路图(未带drl) Starl.gif (870 bytes)加热器电路图
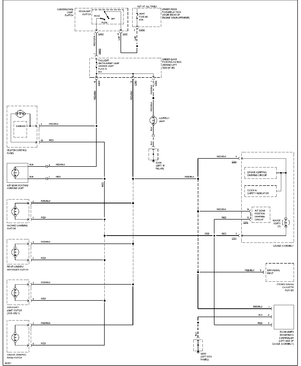
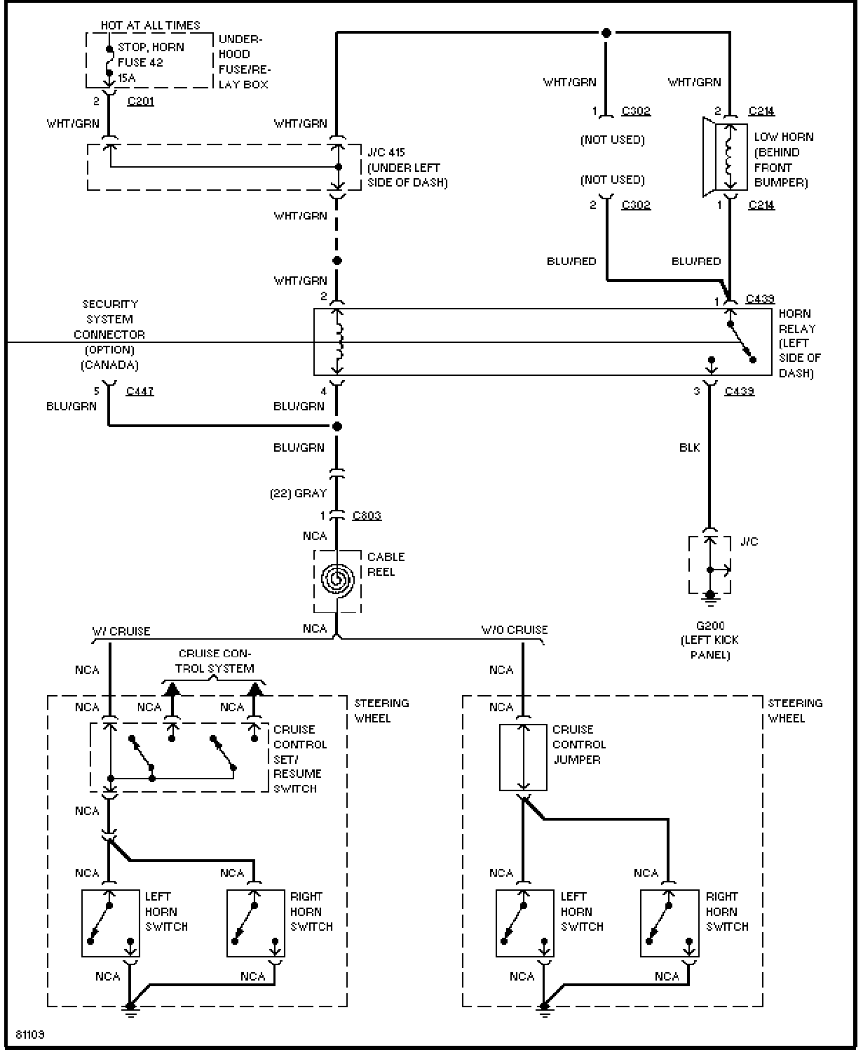
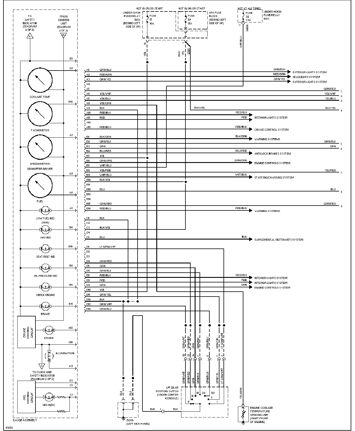
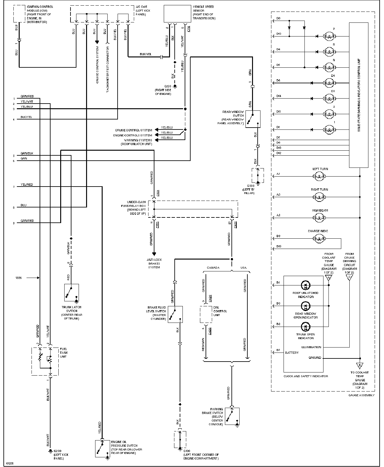
Starl.gif (870 bytes)喇叭电路图 Starl.gif (870 bytes)仪表板电路图  1 2
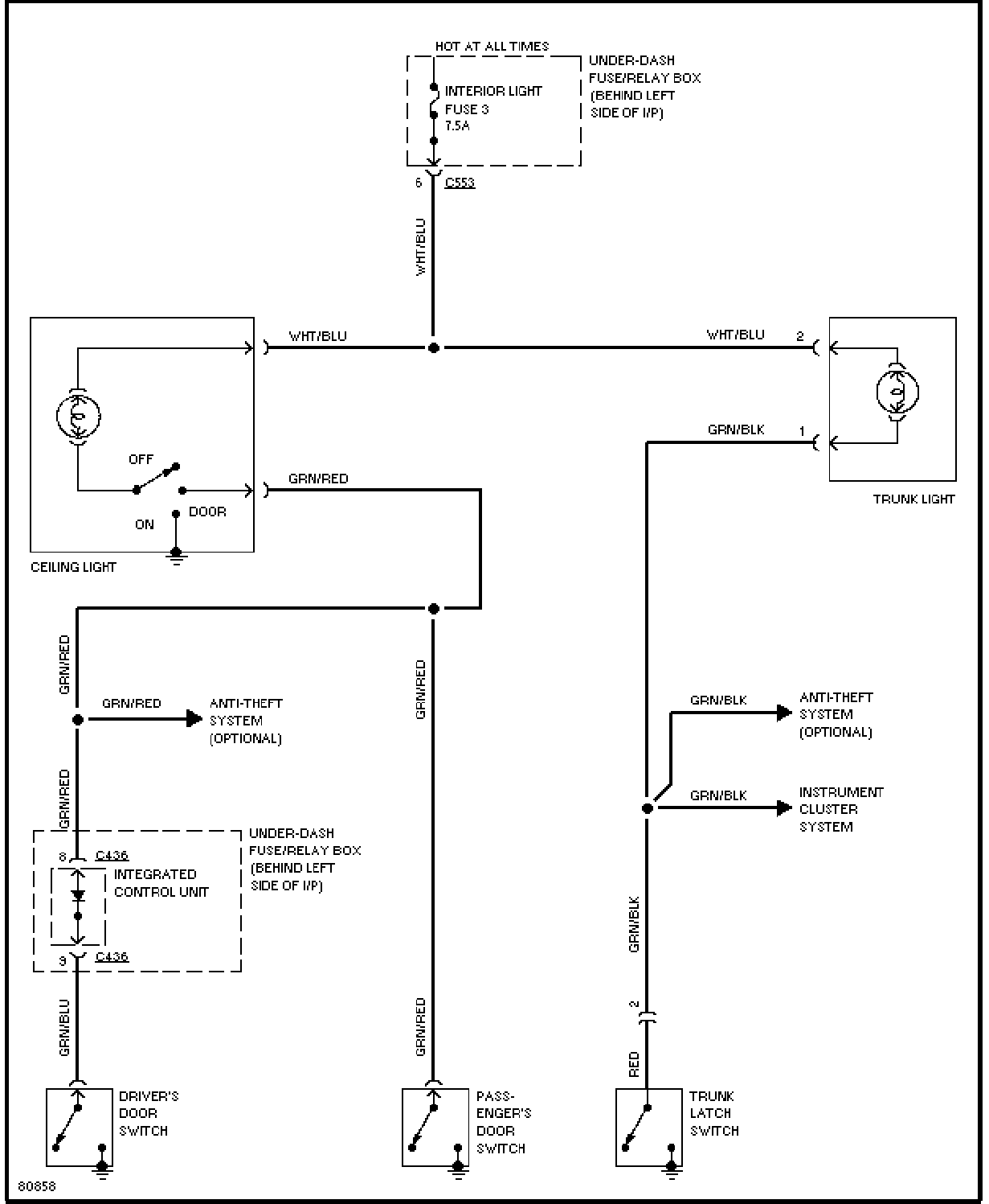
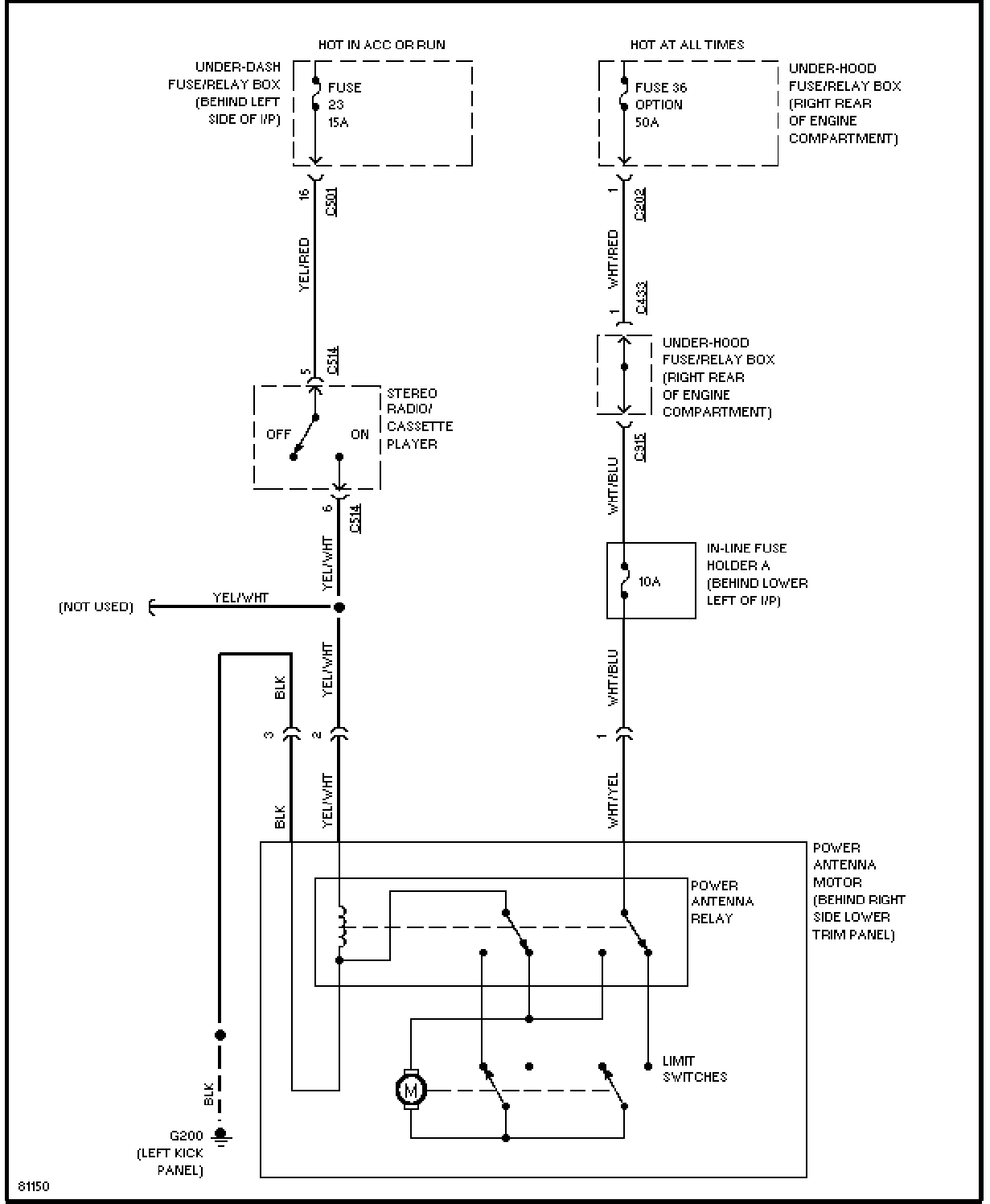
Starl.gif (870 bytes)车内灯电路图  1 2 Starl.gif (870 bytes)电动天线电路图
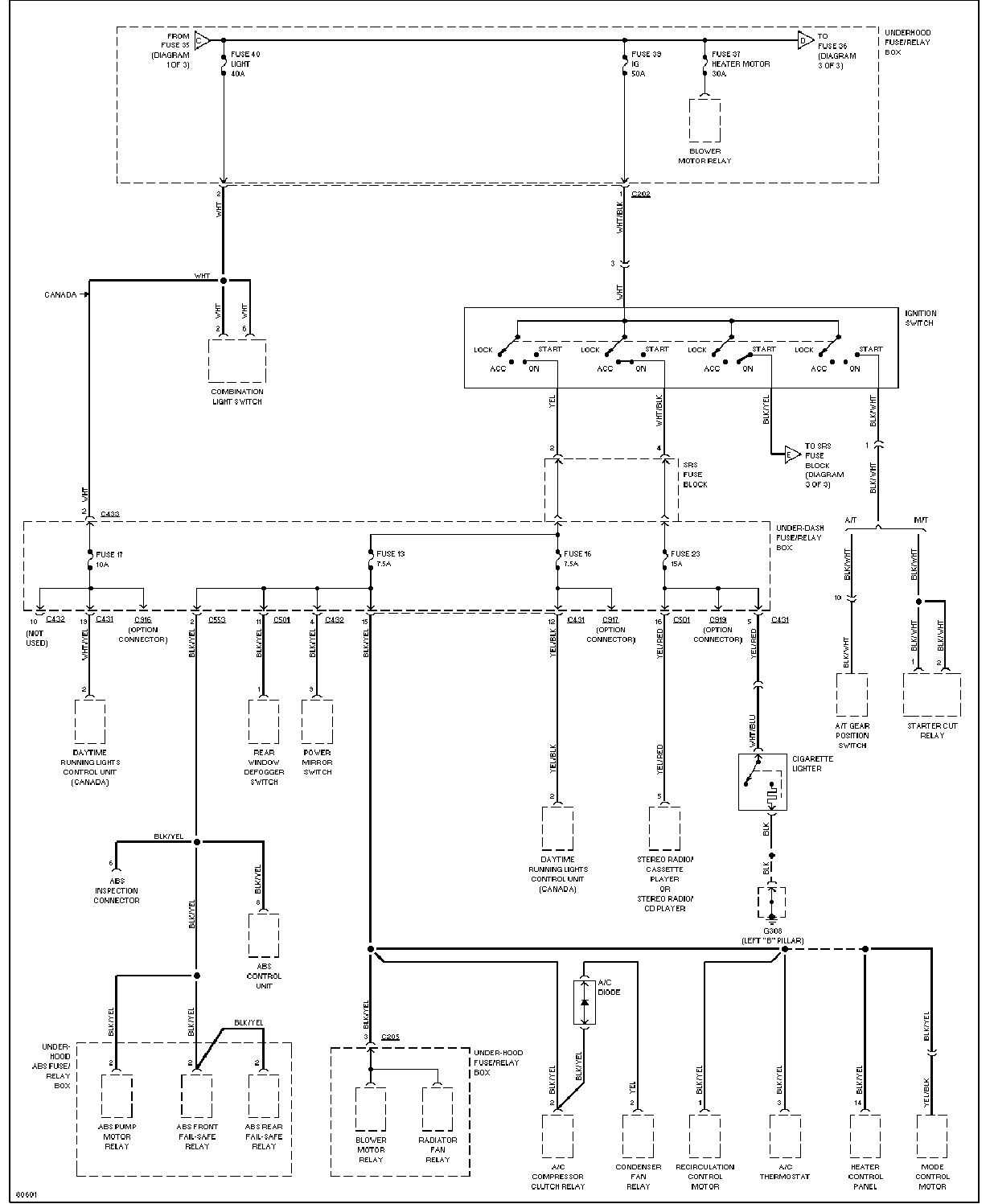
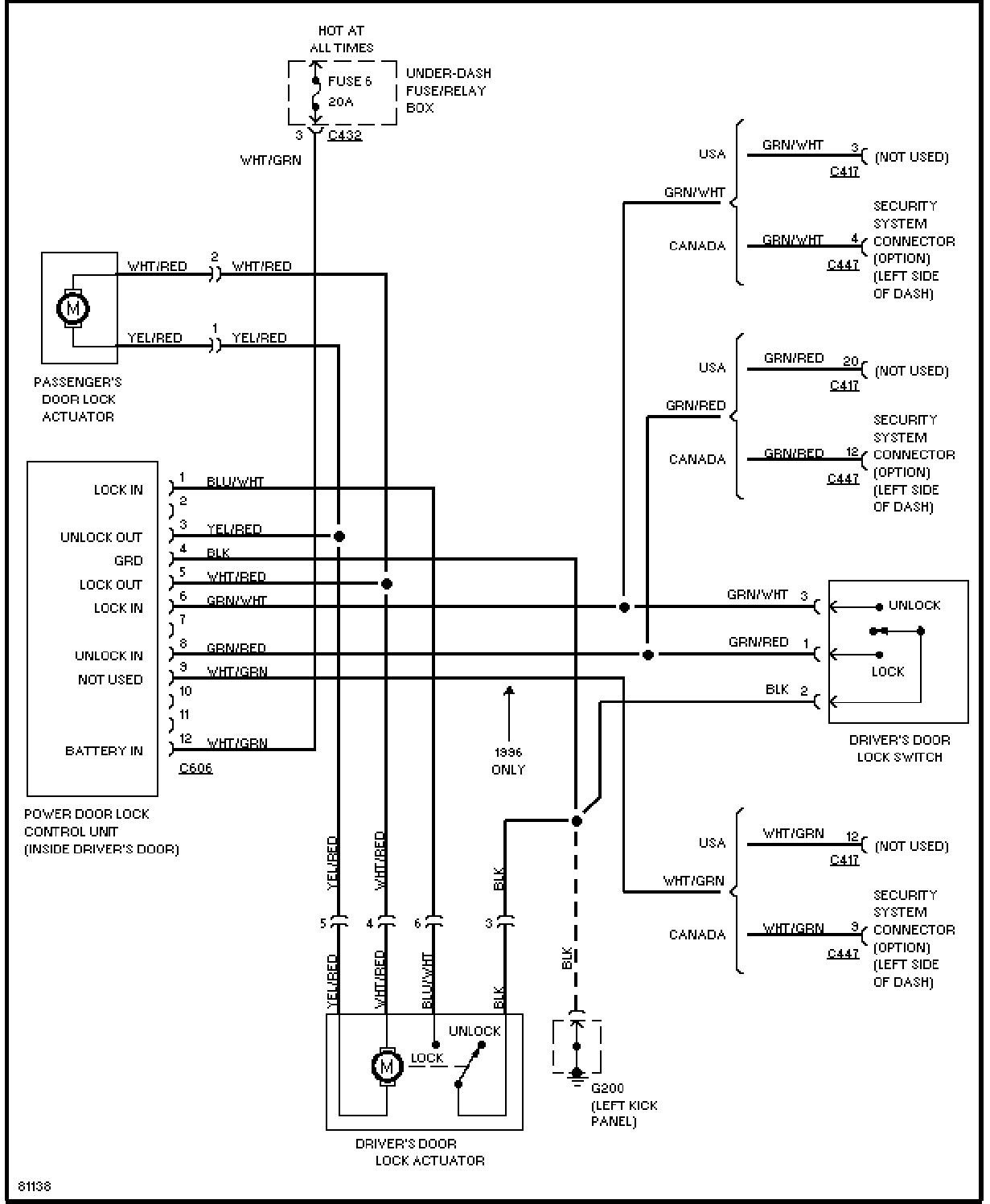
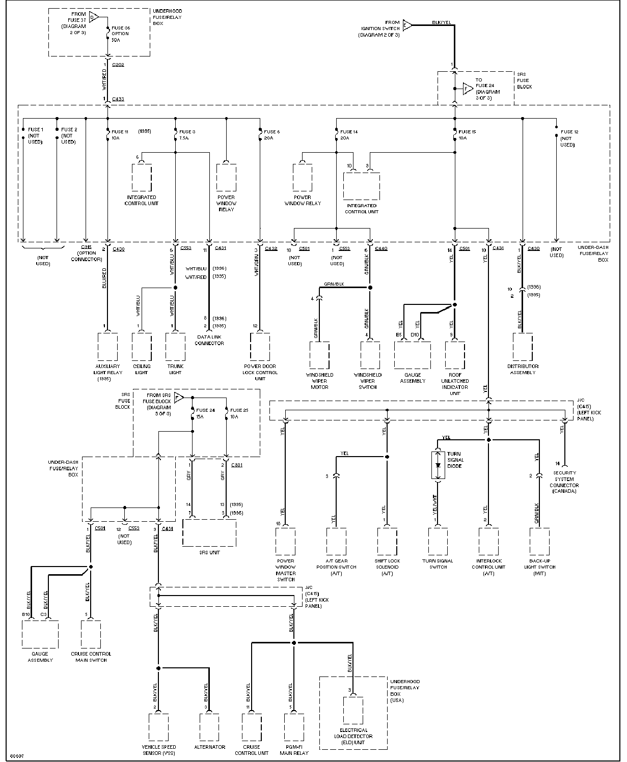
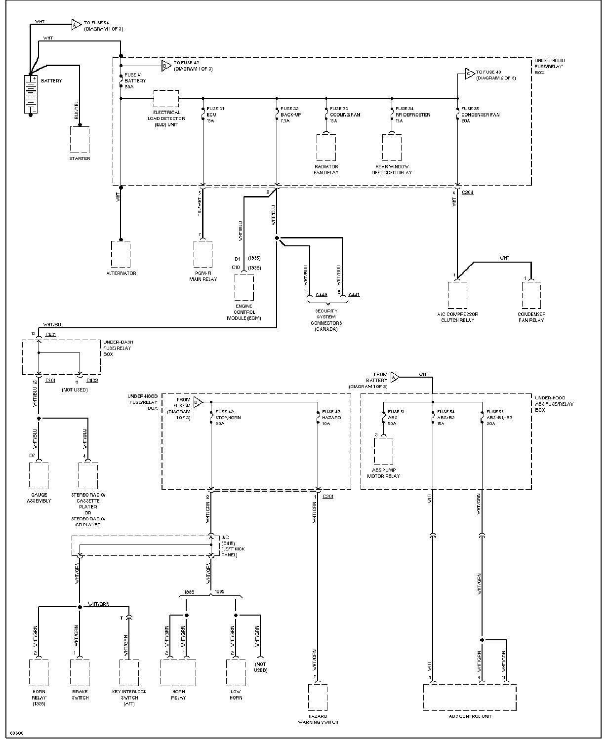
Starl.gif (870 bytes)电源分配电路图  1 2 3 Starl.gif (870 bytes)电动门锁电路图
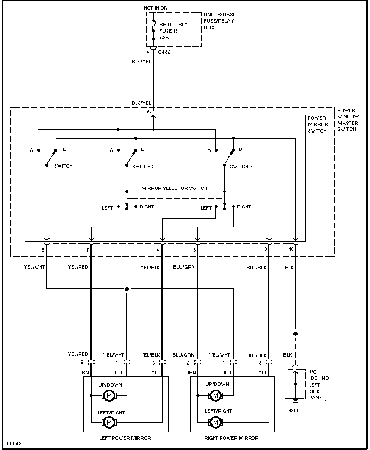
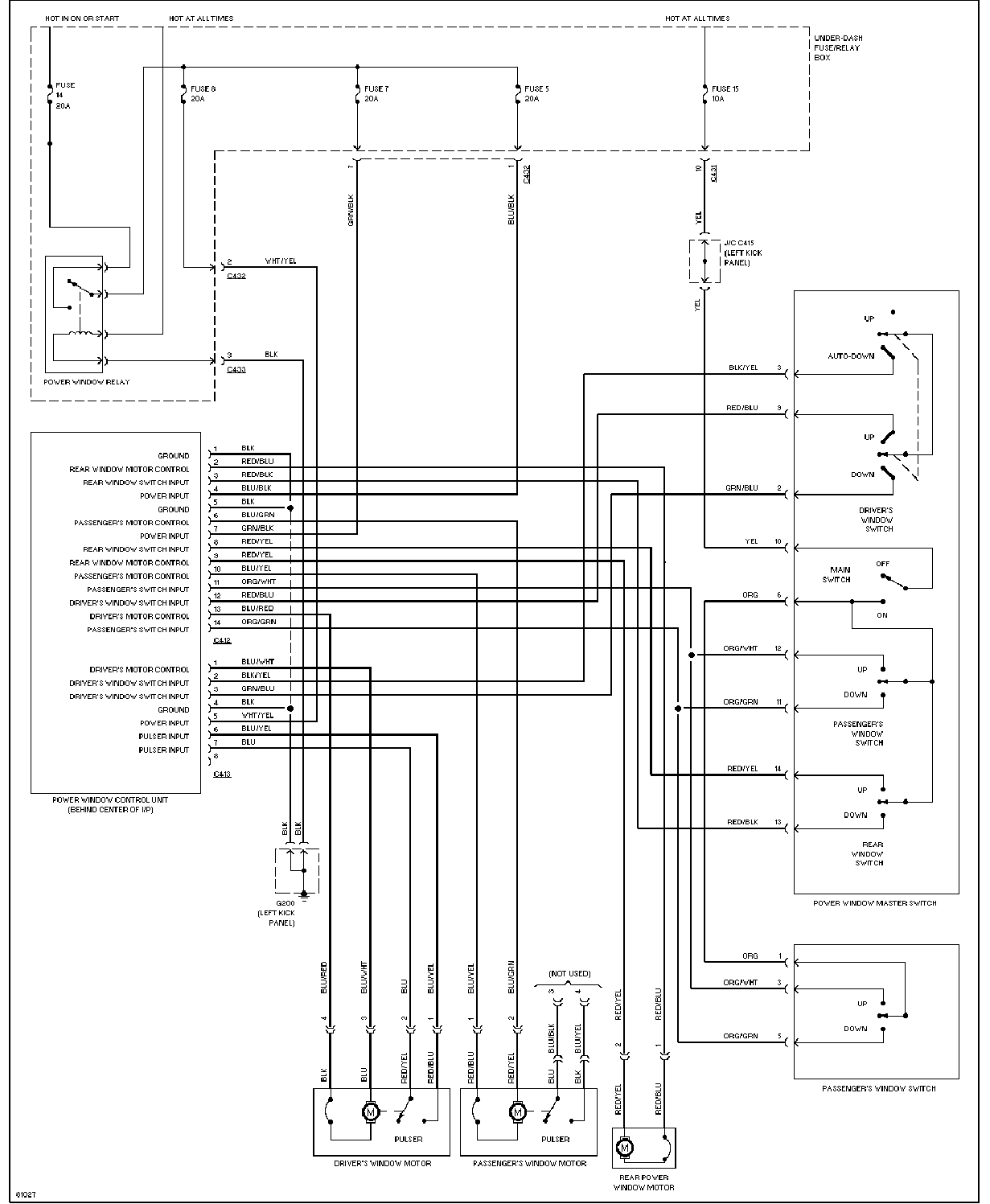
Starl.gif (870 bytes)电动后视镜电路图 Starl.gif (870 bytes)电动窗电路图
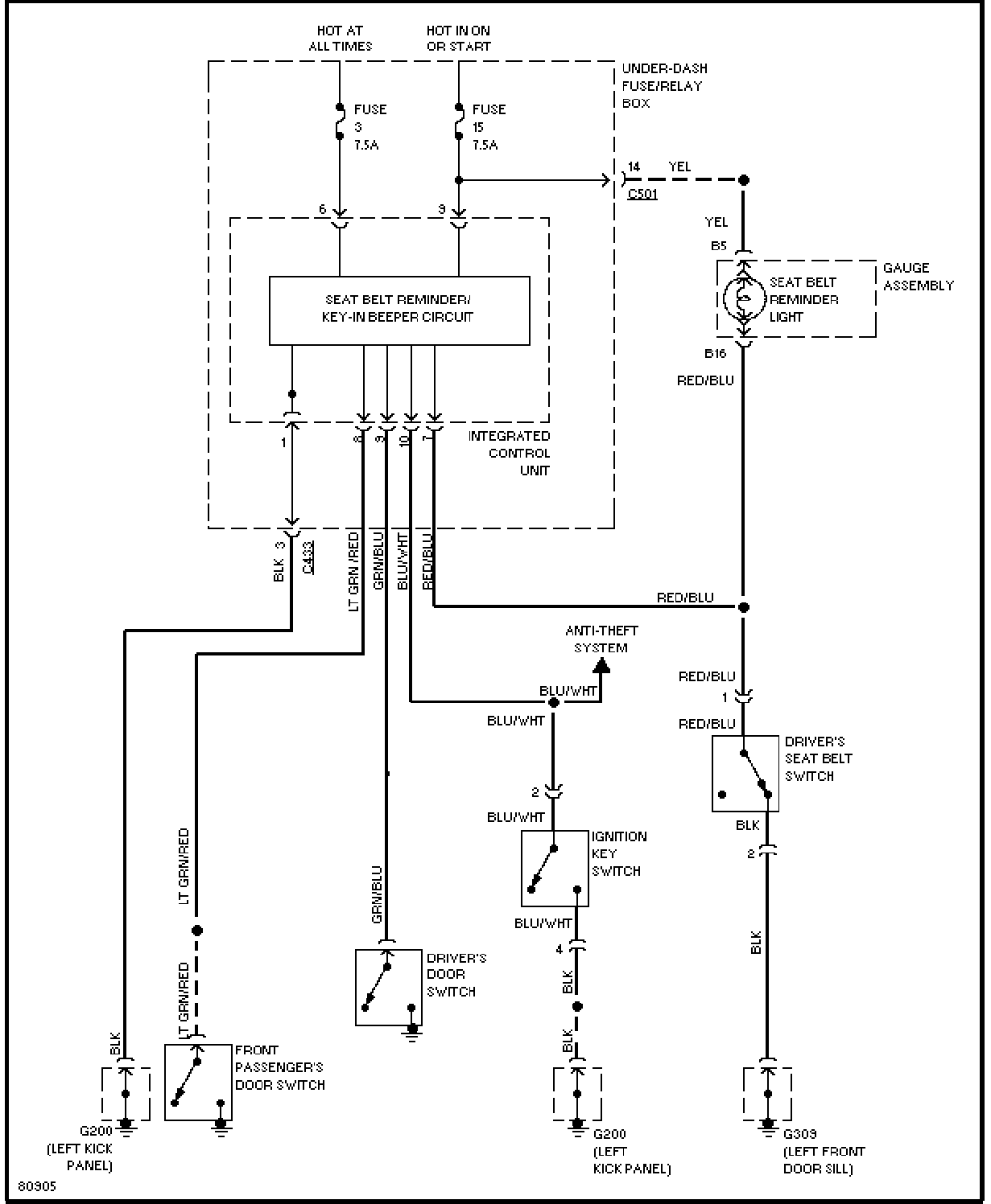
Starl.gif (870 bytes)天窗未锁紧报警电路图 Starl.gif (870 bytes)安全带记忆报警电路图
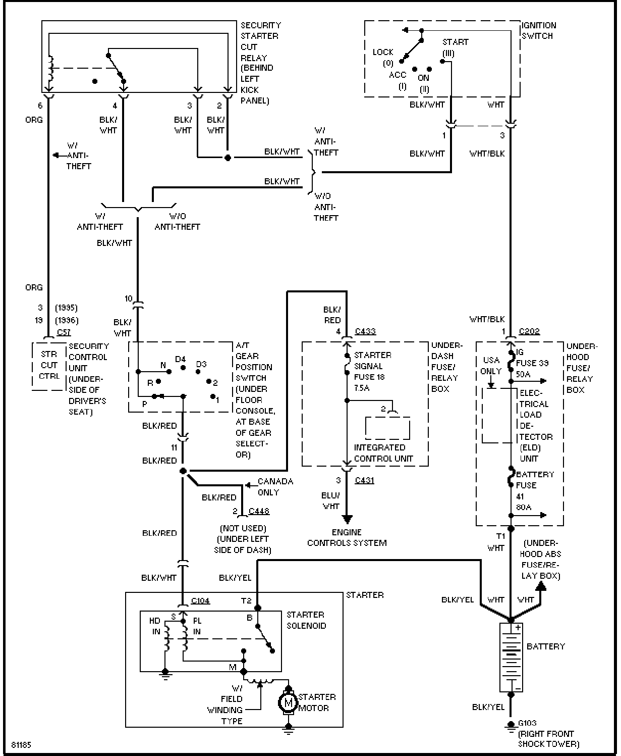
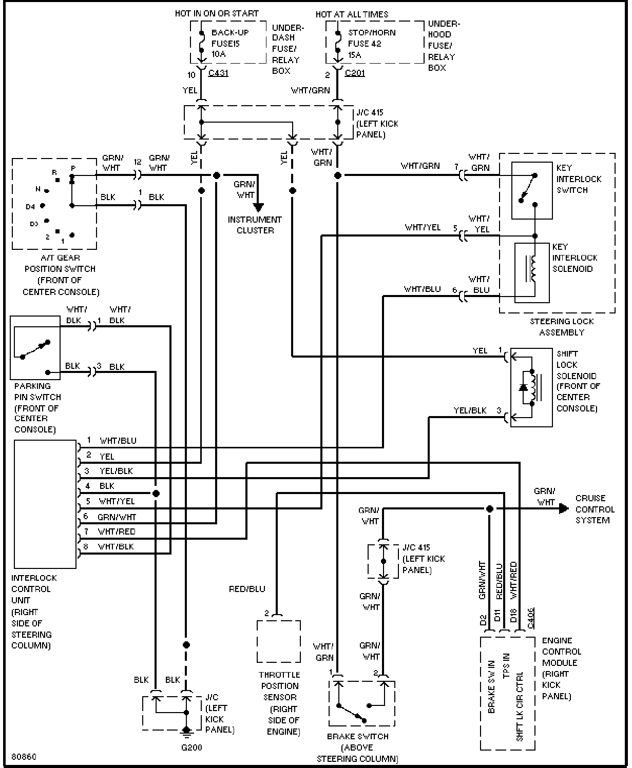
Starl.gif (870 bytes)档位互锁电路图 Starl.gif (870 bytes)起动系统电路图(A/T)
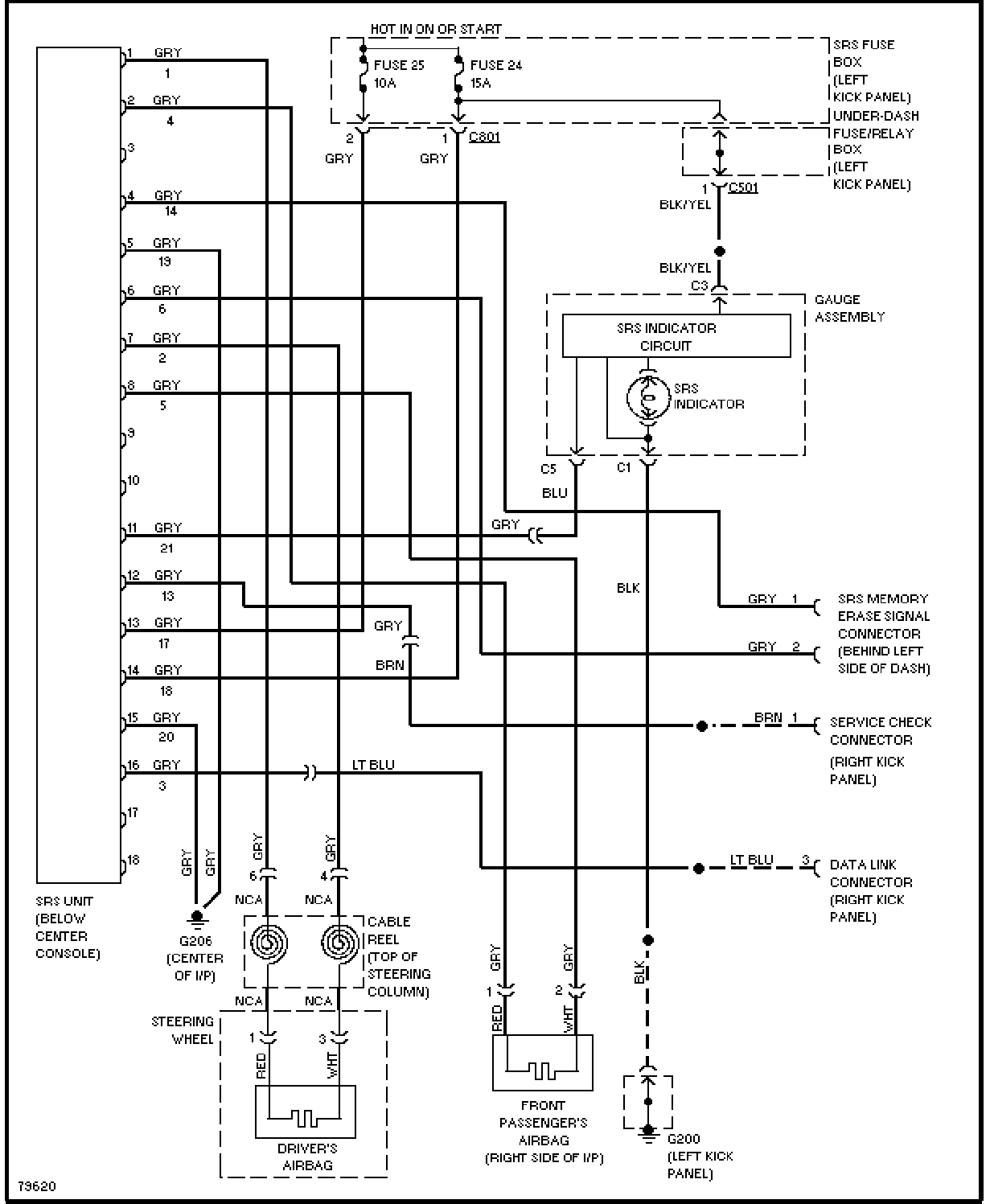
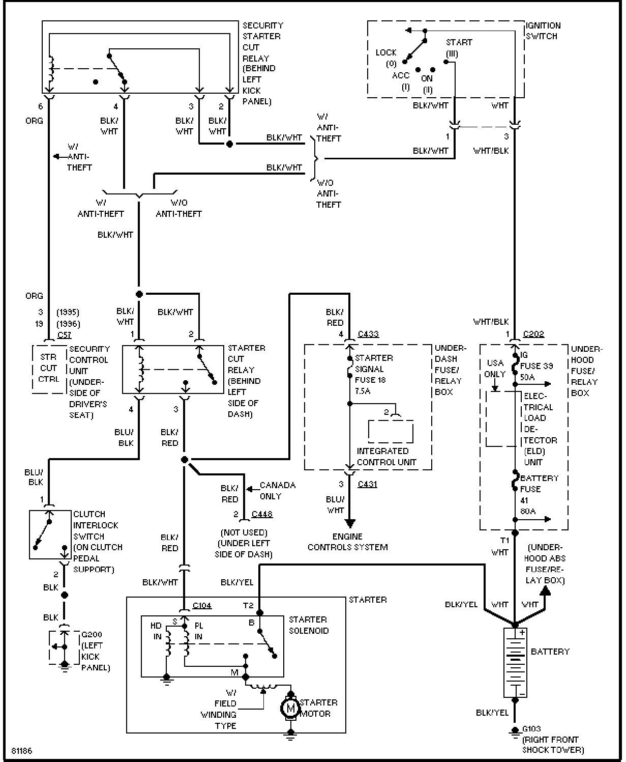
Starl.gif (870 bytes)起动系统电路图(M/T) Starl.gif (870 bytes)附加保护装置电路图
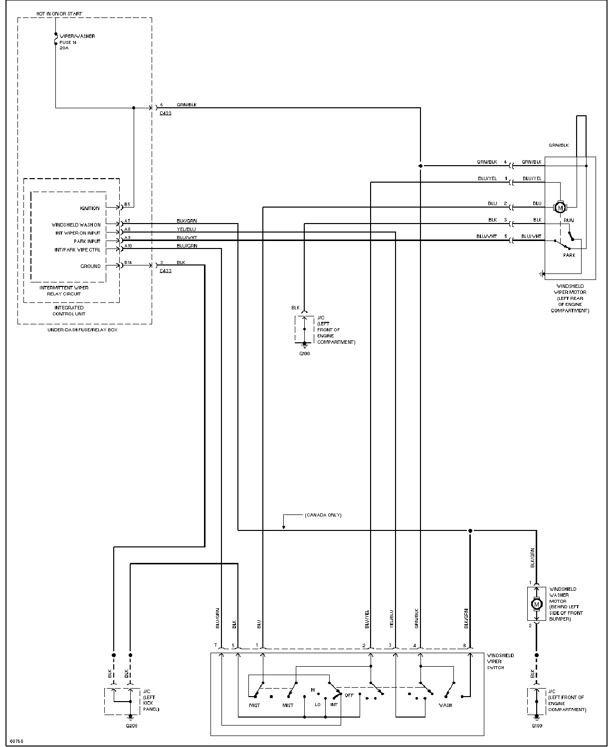
Starl.gif (870 bytes)雨刮清洗器电路图