z-21.gif (13953 bytes)
Bullet1.gif (1223 bytes)ACURA与HONDA-4L30-E自动变速箱排挡杆锁定线路图----1995年以前
Bullet1.gif (1223 bytes)ACURA与HONDA-4L30-E自动变速箱排挡杆线路图---1995年以后
Bullet1.gif (1223 bytes)ACURA与HONDA-4L30-E自动变速箱排挡杆锁定线路图--1996年--OBD-II系统
Bullet1.gif (1223 bytes)4L30-E自动变速箱线路图--1995年以前
Bullet1.gif (1223 bytes)4L30-E自动变速箱线路图-1995年以后
Bullet1.gif (1223 bytes)4L30-E自动变速箱线路图--1996年-OBD-II
Bullet1.gif (1223 bytes)AOYA, MPJA, MPOA型变速箱档位开关线路图(ACCORD,ODYSSEY,OASIS车型)
Bullet1.gif (1223 bytes)AOYA,MPJA,MPOA型排挡杆锁定控制线路图(ACCORD,ODYSSEY,OASIS车型)
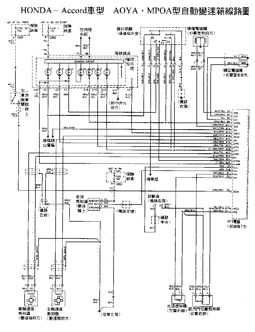
ACCORD车型-AOYA,MPOA型自动变速箱线路图  
Bullet1.gif (1223 bytes) 图一    图二
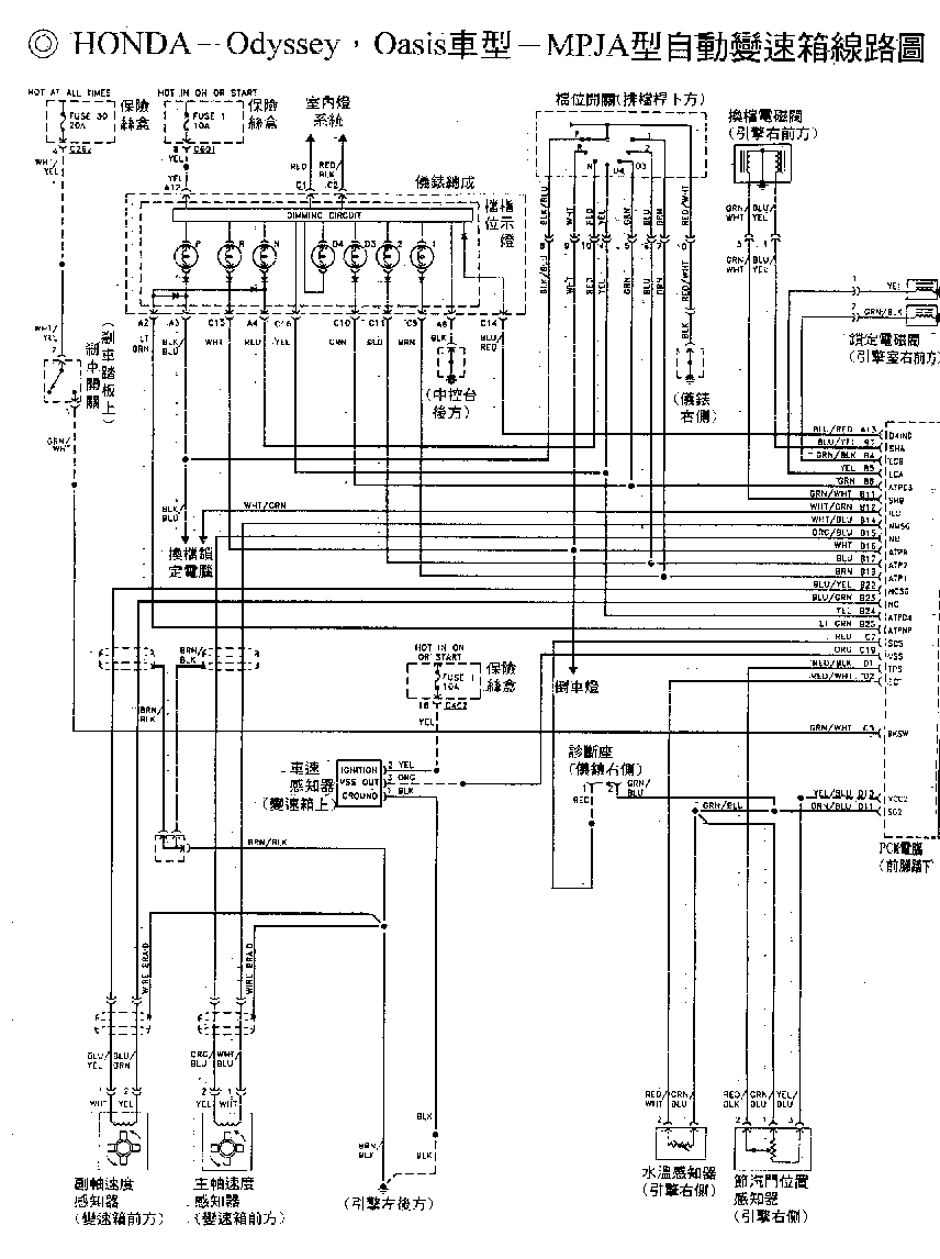
ODYSSEY,OASIS车型-MPJA型自动变速箱线路图  
Bullet1.gif (1223 bytes) 图一   图二
Bullet1.gif (1223 bytes)A4RA型排挡杆锁定控制线路图、档位开关线路图
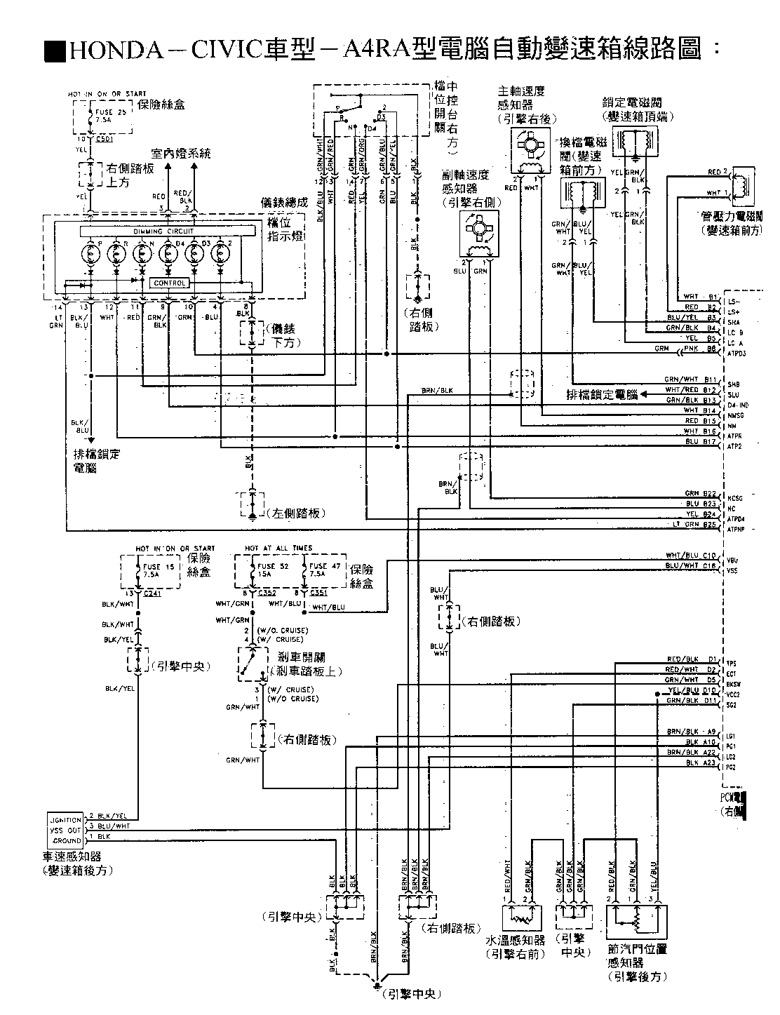
Bullet1.gif (1223 bytes)CIVIC车型-A4RA型电脑自动变速箱线路图
Bullet1.gif (1223 bytes)A24A,S24A档位开关线路图、排挡杆锁定控制线路图
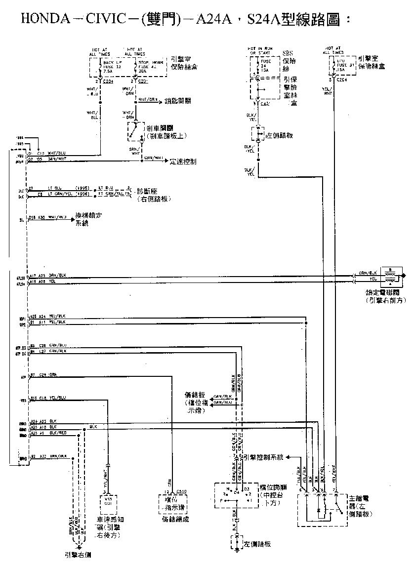
Bullet1.gif (1223 bytes)CICIC-(四门)-A24A,S24A型线路图
Bullet1.gif (1223 bytes)CIVIC-(四门)-A24A,S24A型线路图
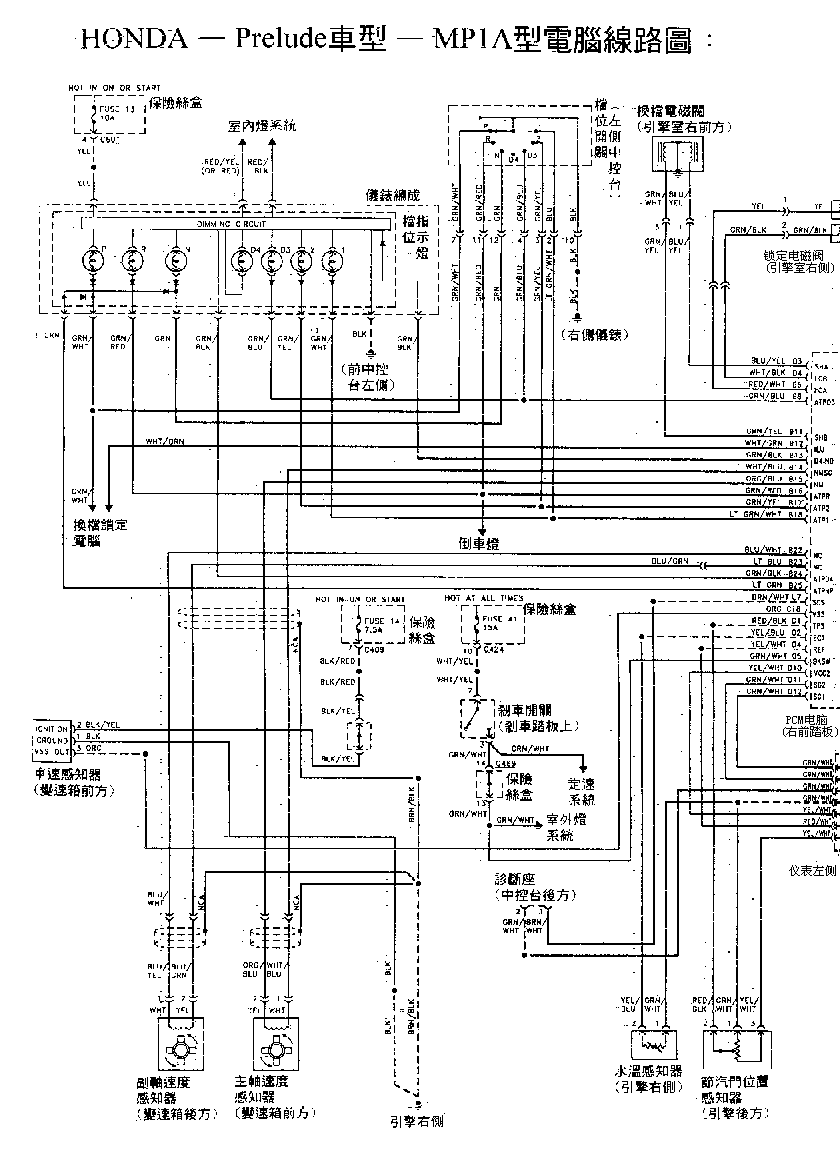
Bullet1.gif (1223 bytes)MP1A-档位开关线路图、排挡杆锁定控制线路图
PRELUDE车型-MP1A型电脑线路图
Bullet1.gif (1223 bytes)图一     图二
Bullet1.gif (1223 bytes)MPZA-排挡杆锁定控制线路图
Bullet1.gif (1223 bytes)ACCORD (V6-2.7L)车型--MPZA型线路图
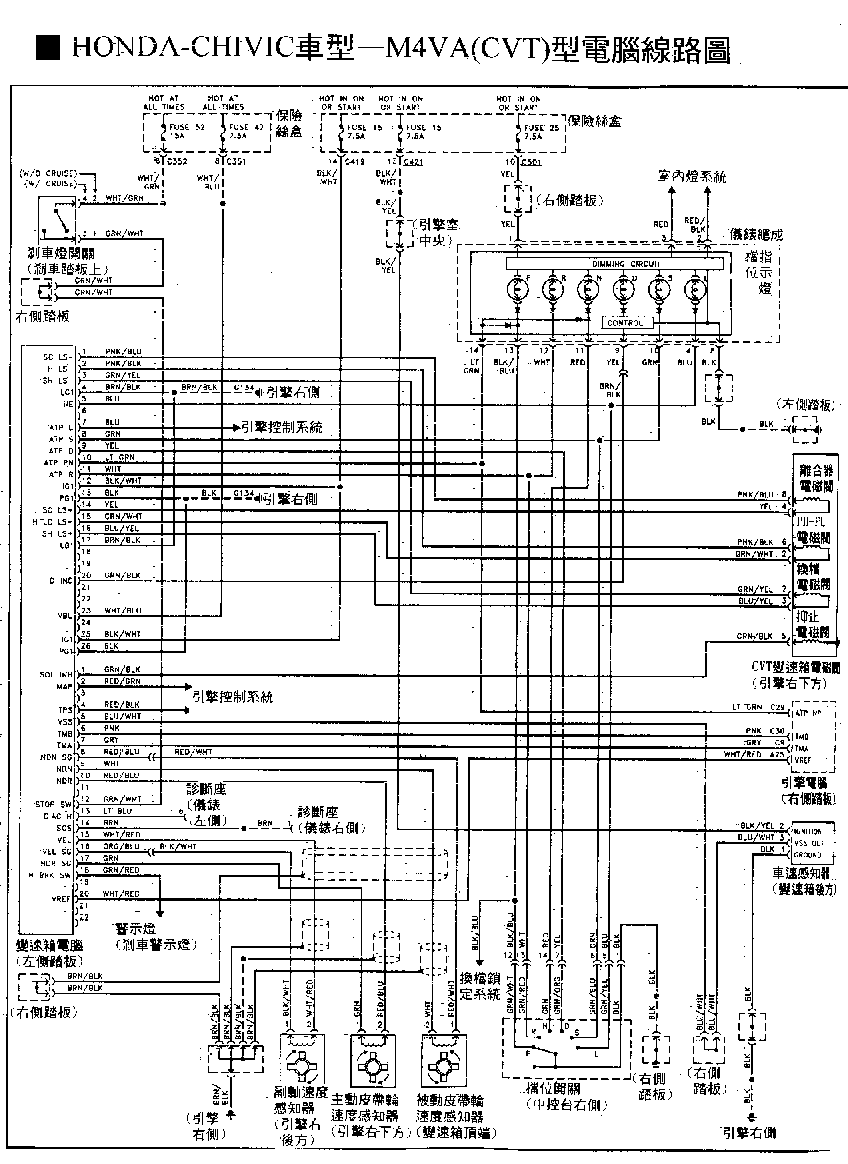
Bullet1.gif (1223 bytes)M4VA-档位开关线路图、排挡杆锁定控制线路图
Bullet1.gif (1223 bytes)CHIVIC车型-M4VA(CVT)型电脑线路图