GS300-A-340
系列型线路图
(95年)
SC300-A-340
系列型线路图
(95年)
SC400-A-340
系列型线路图
(95年)
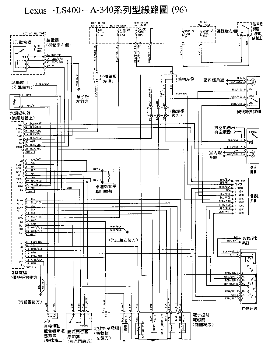
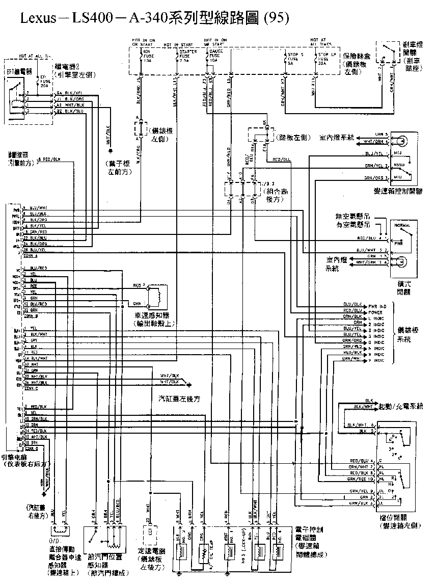
LS400-A-340
系列型线路图
(95年)
LS400-A-340
系列型线路图
(96年)
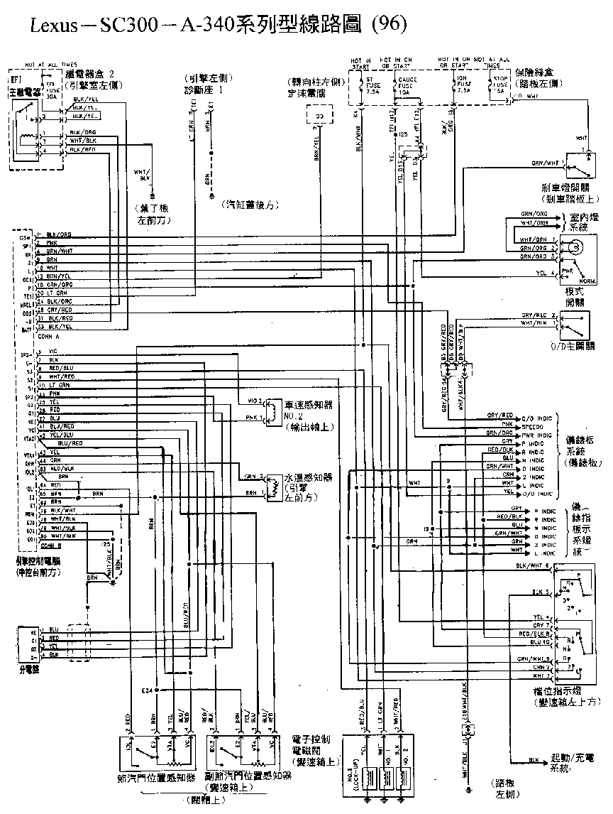
SC300-A-340
系列型线路图
(96年)
SC400-A-340
系列型线路图
(96年)
LX450-A-343E
线路图
(95/96)
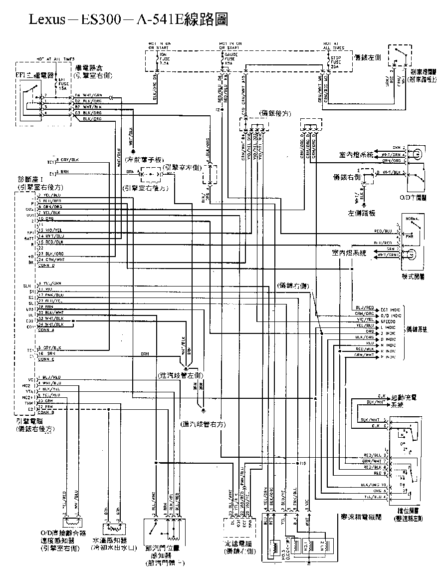
ES300-A-541E
线路图