TERCEL  95 电路图集

 

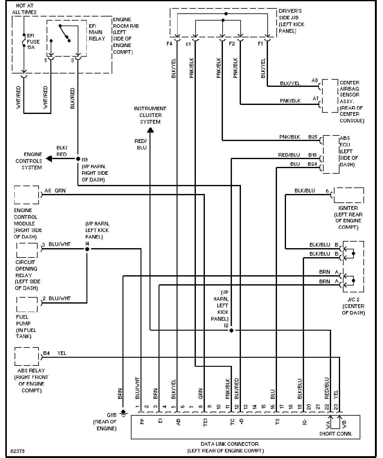
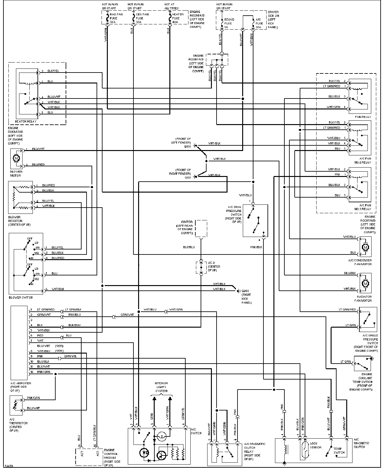
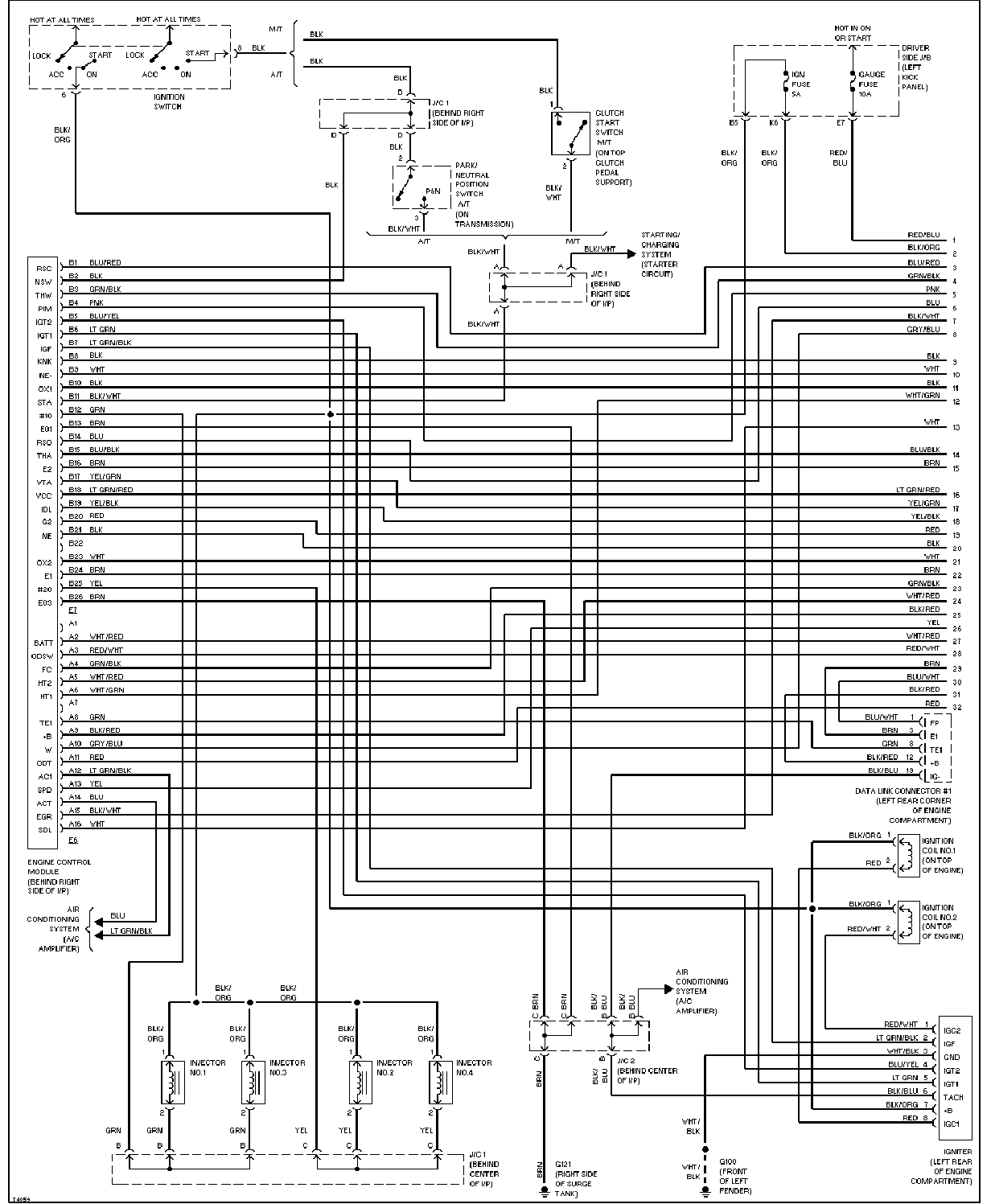
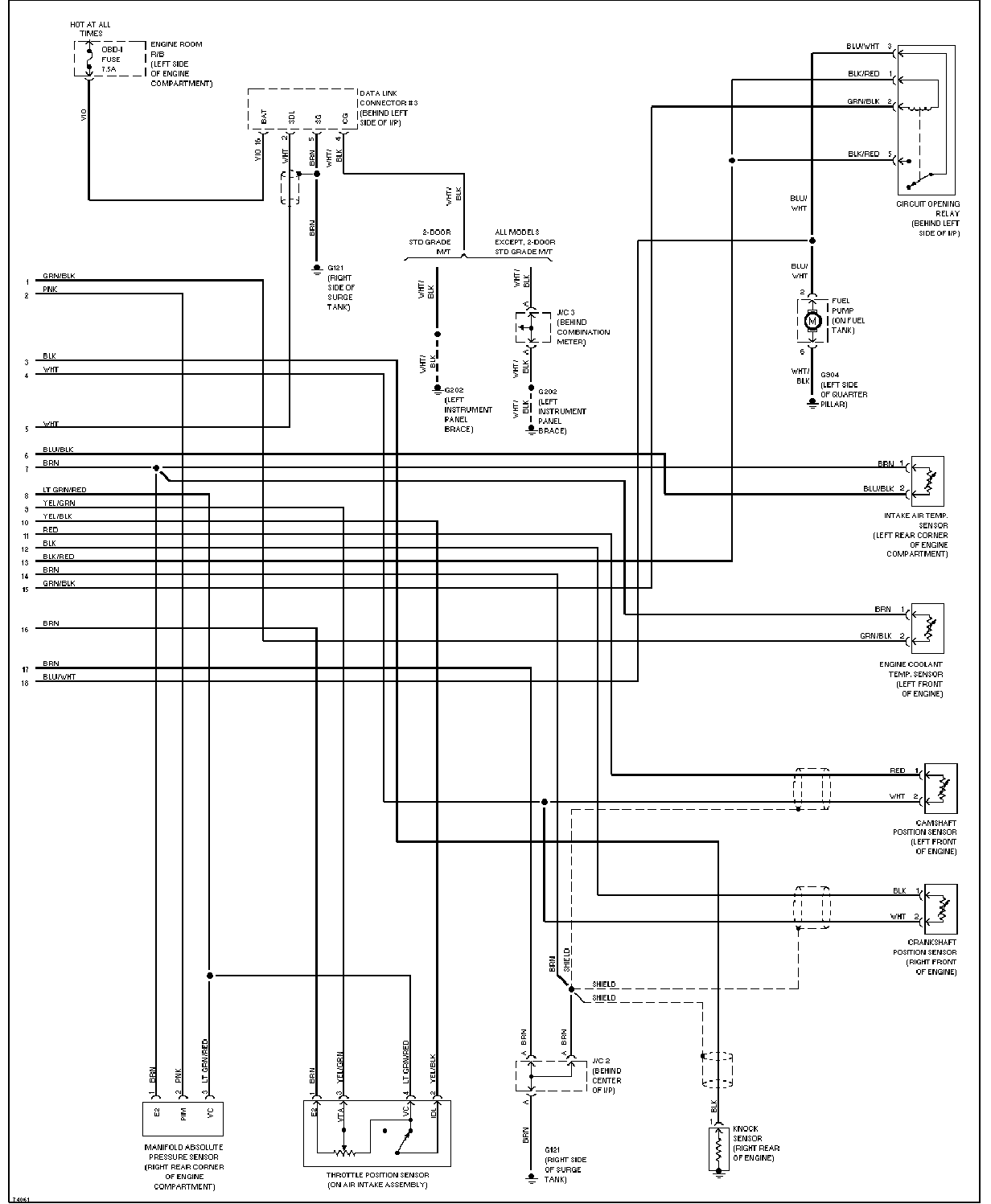
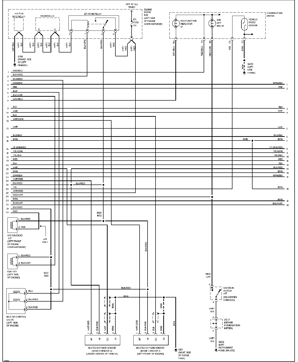
花.gif (2533 bytes)发动机性能电路图(1.5L)  1   2  3 Starl.gif (870 bytes)空调电路图(带动力转向)
Starl.gif (870 bytes)空调电路图(无动力转向) Starl.gif (870 bytes)ABS电路图
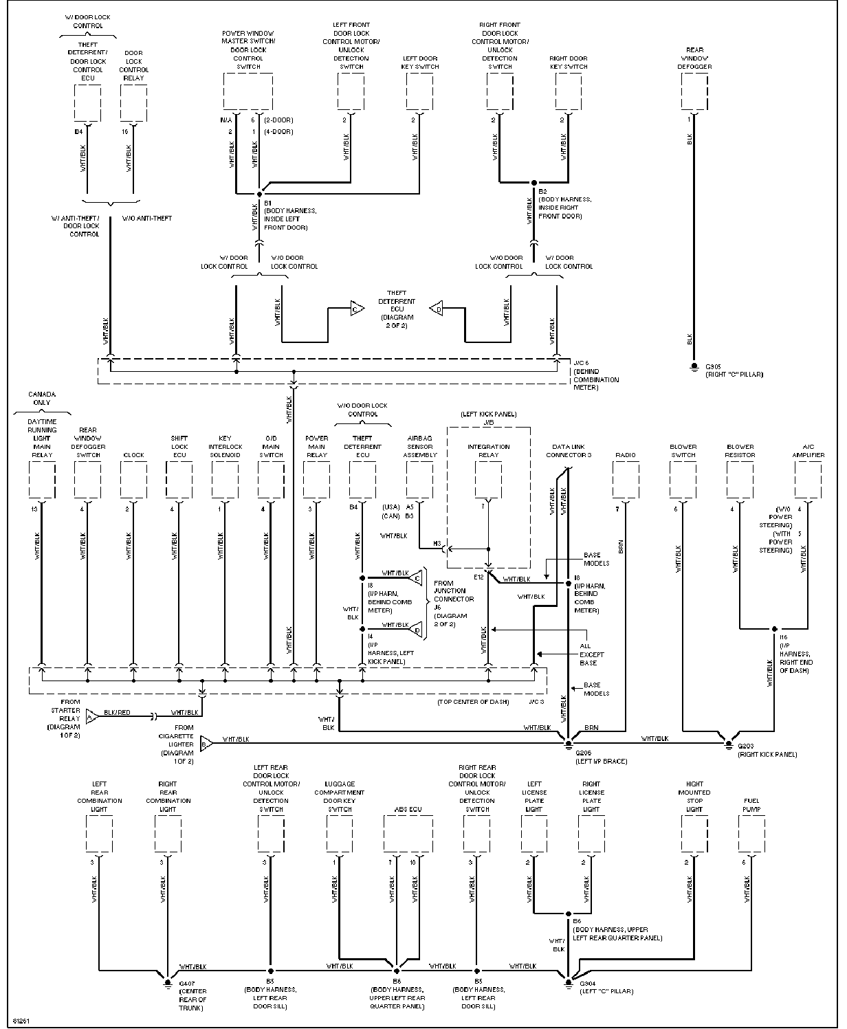
Starl.gif (870 bytes)防盗电路图(带电动门锁) Starl.gif (870 bytes)防盗电路图(无电动门锁)
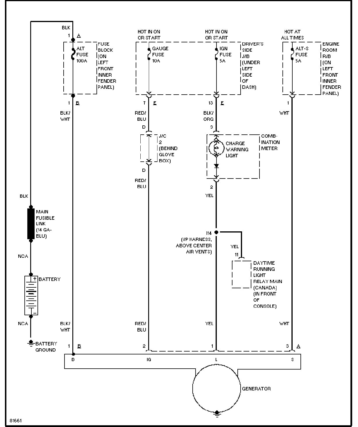
Starl.gif (870 bytes)倒车灯电路图 Starl.gif (870 bytes)充电系电路图
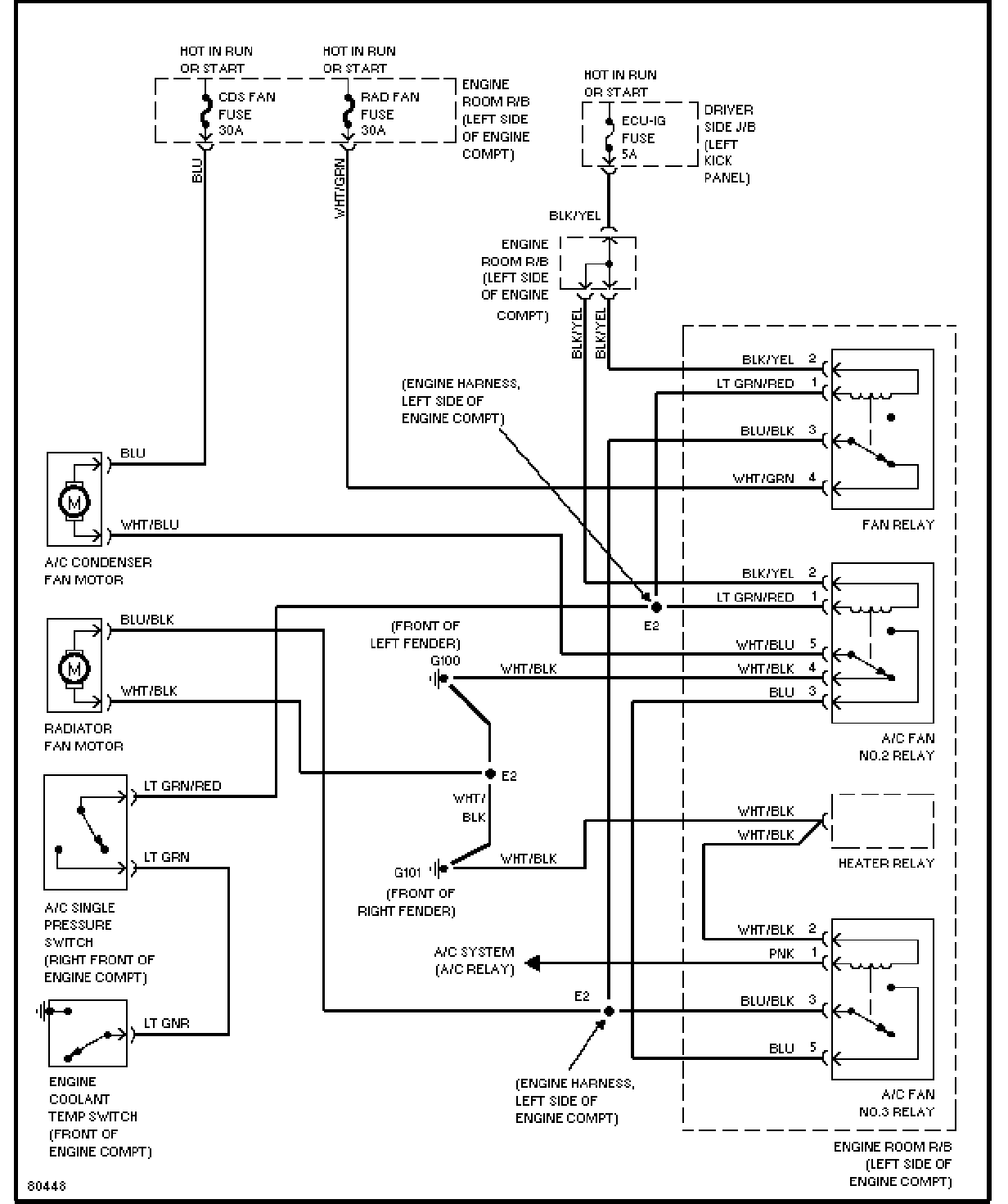
Starl.gif (870 bytes)电脑数据线图 Starl.gif (870 bytes)散热风扇电路图
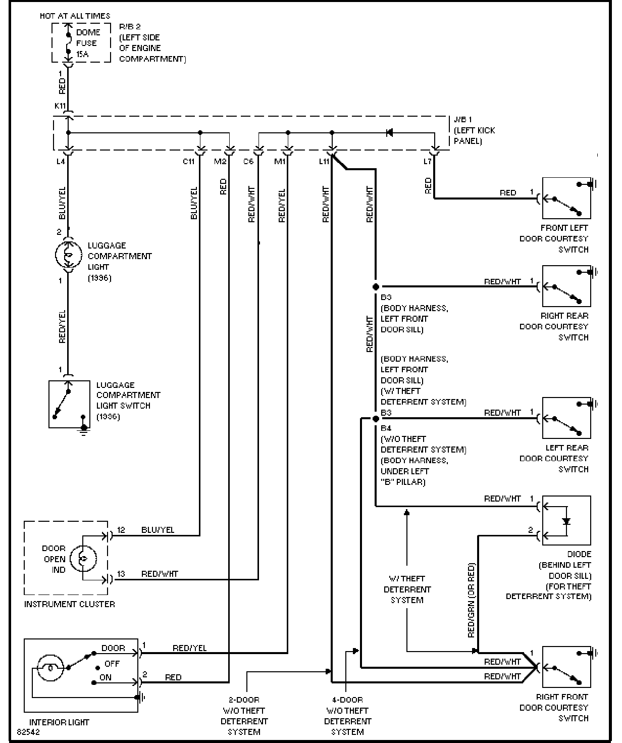
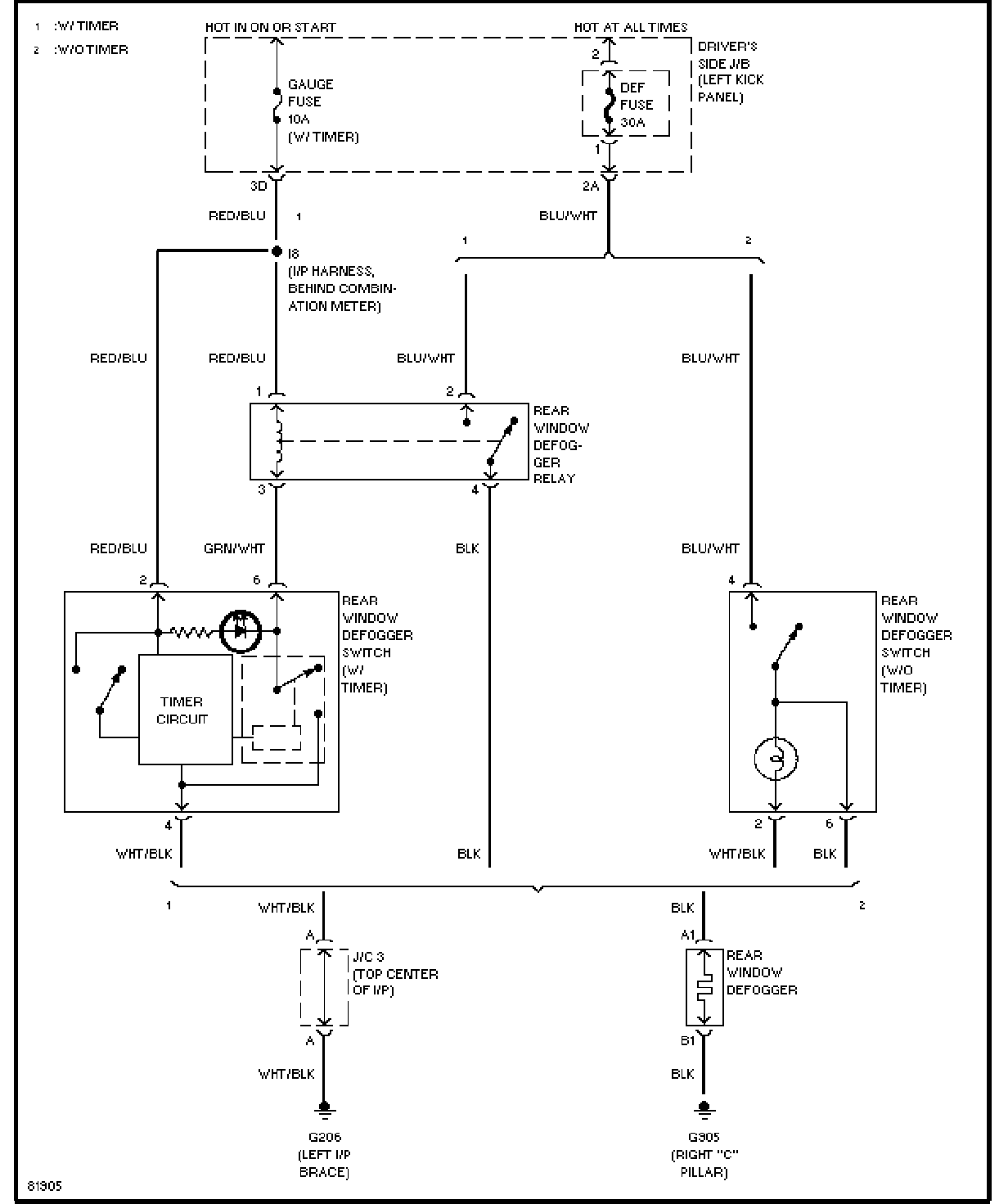
Starl.gif (870 bytes)门控灯电路图 Starl.gif (870 bytes)除雾器电路图
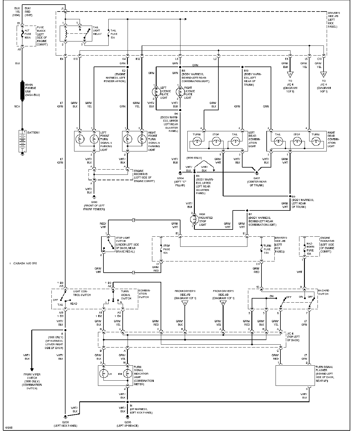
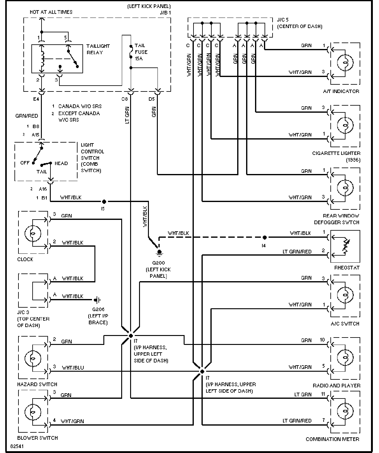
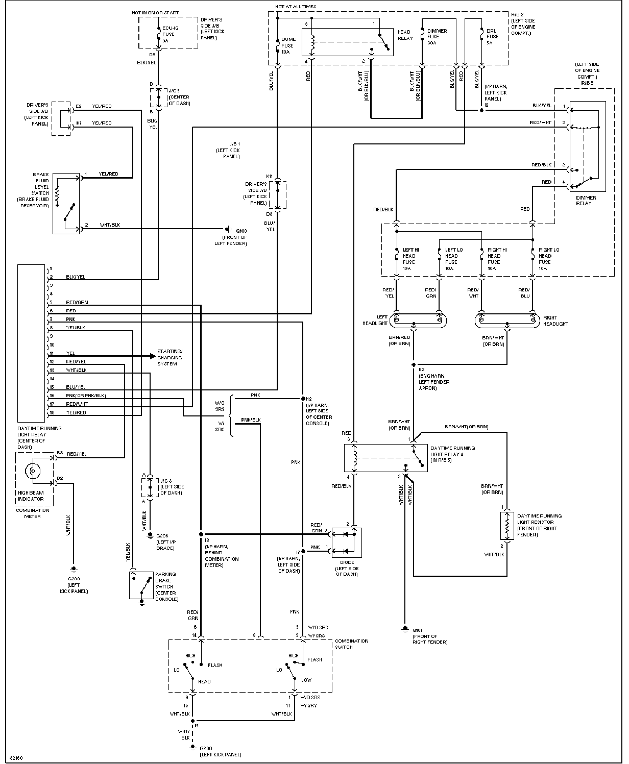
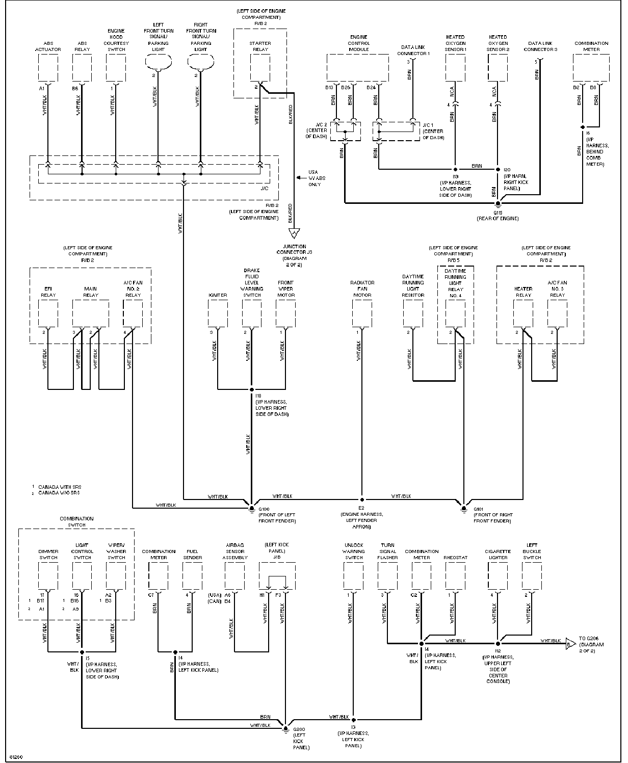
Starl.gif (870 bytes)外部灯电路图 Starl.gif (870 bytes)搭铁分配电路图  1  2 
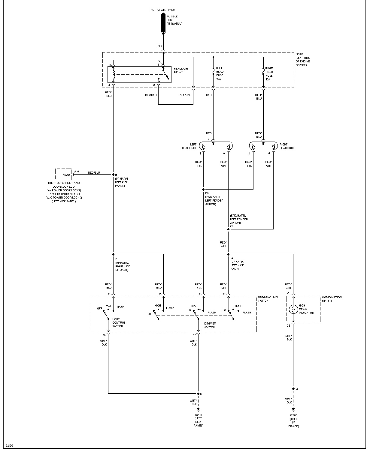
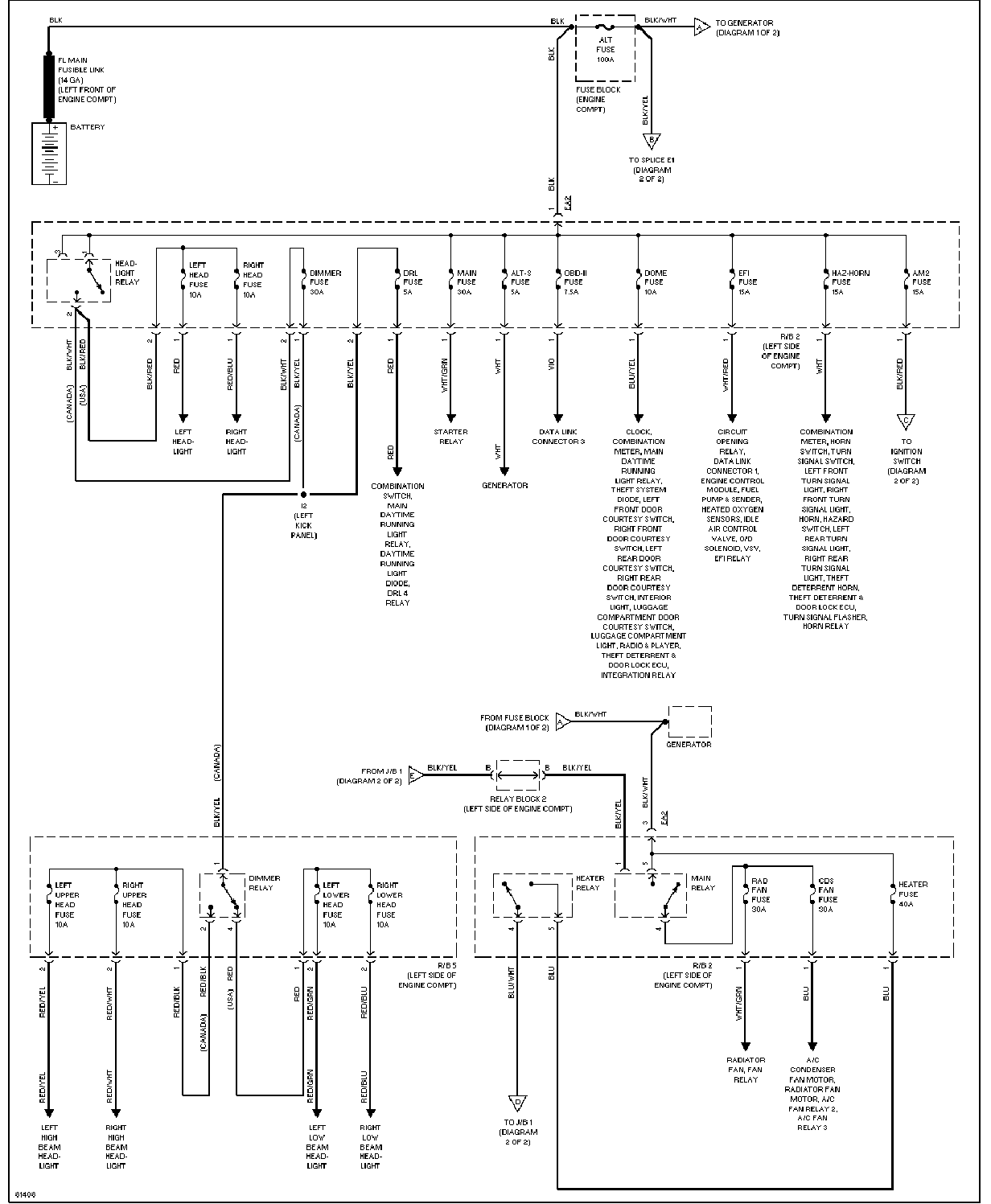
Starl.gif (870 bytes)大灯电路图(带DRL) Starl.gif (870 bytes)大灯电路图(无DRL)
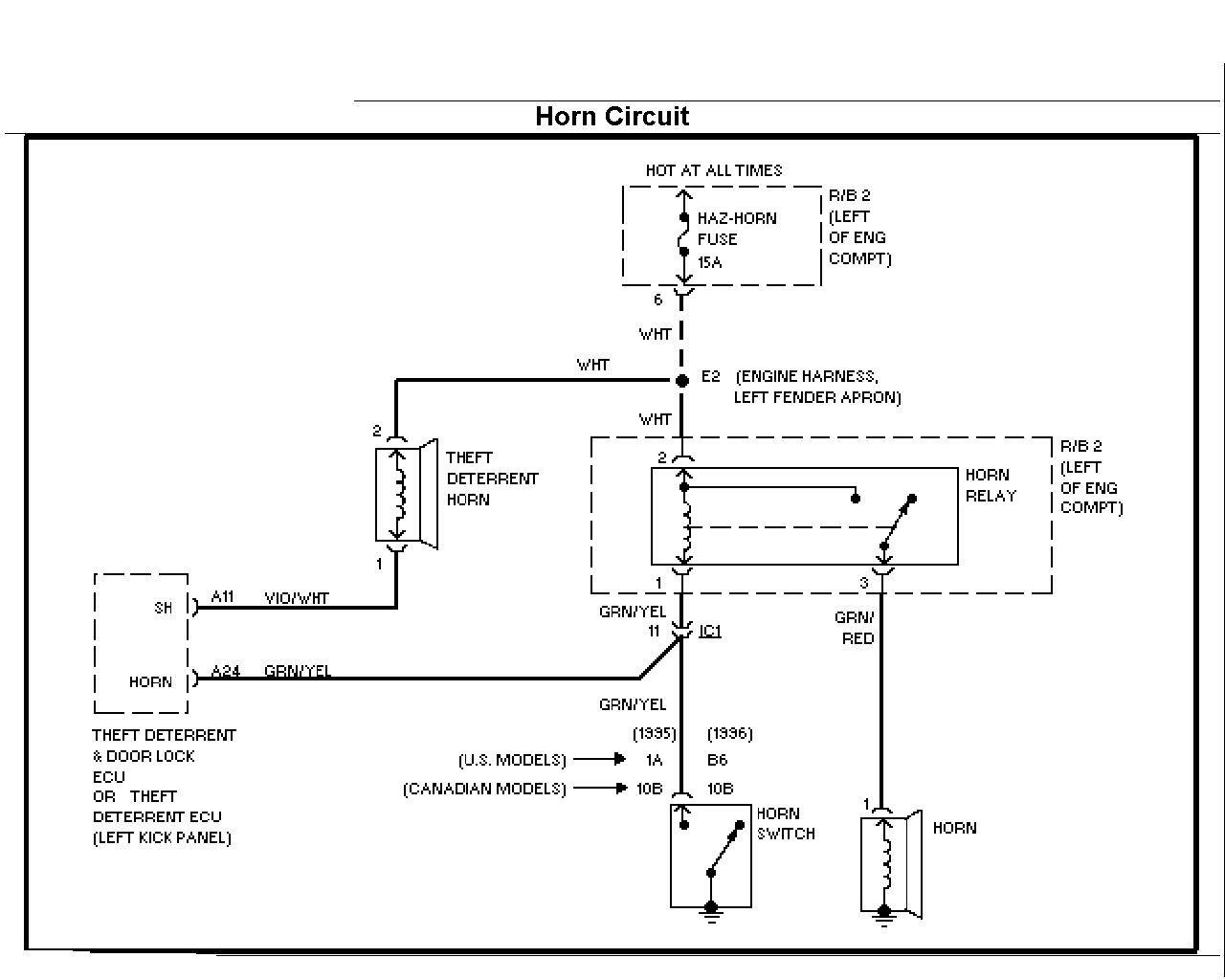
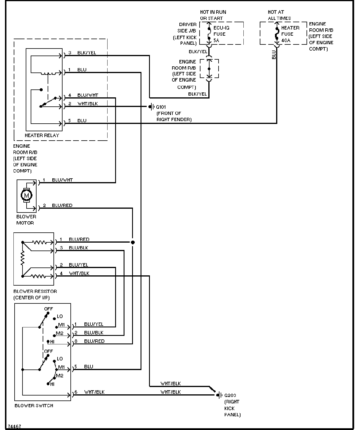
Starl.gif (870 bytes)加热器电路图 Starl.gif (870 bytes)喇叭电路图
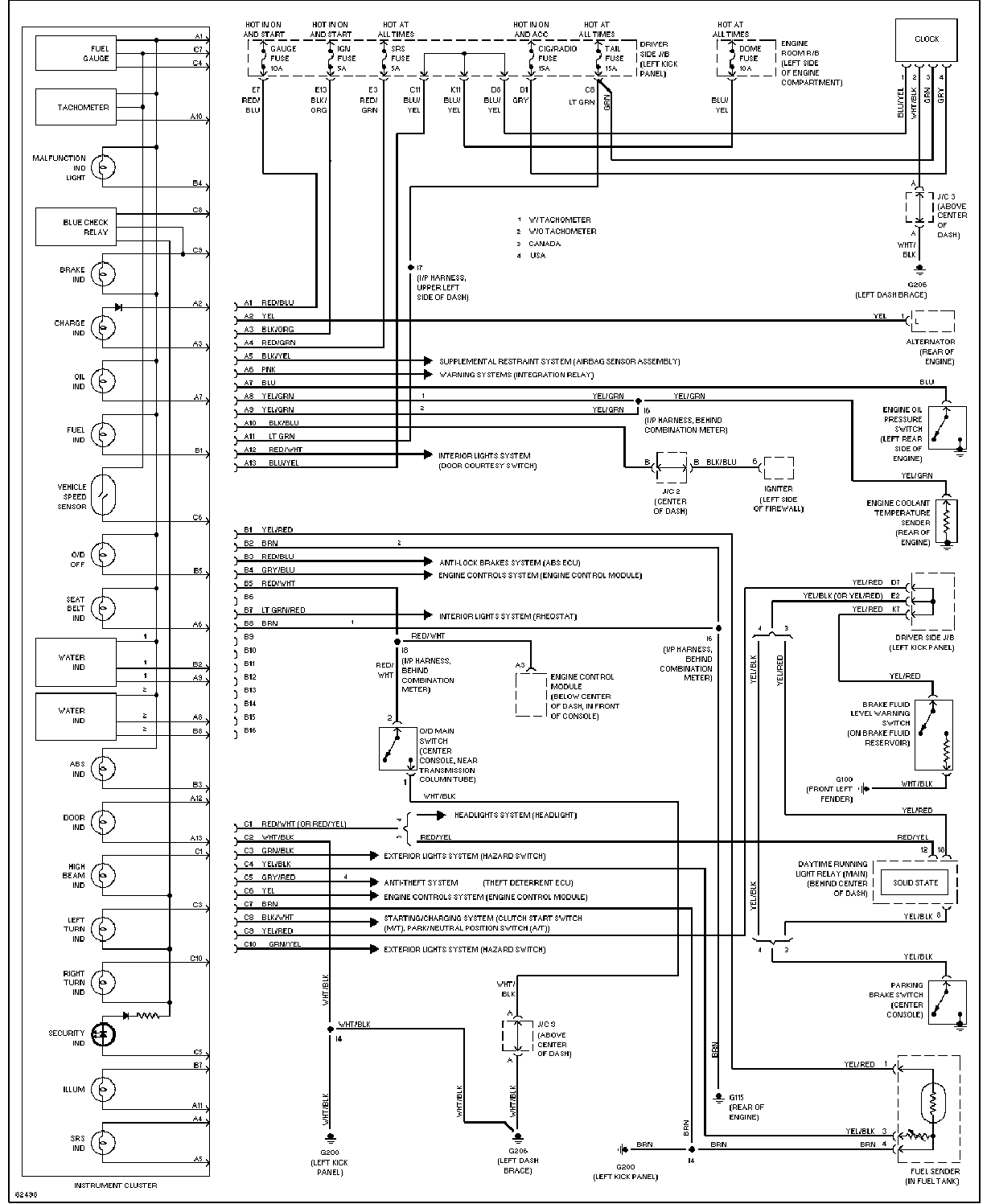
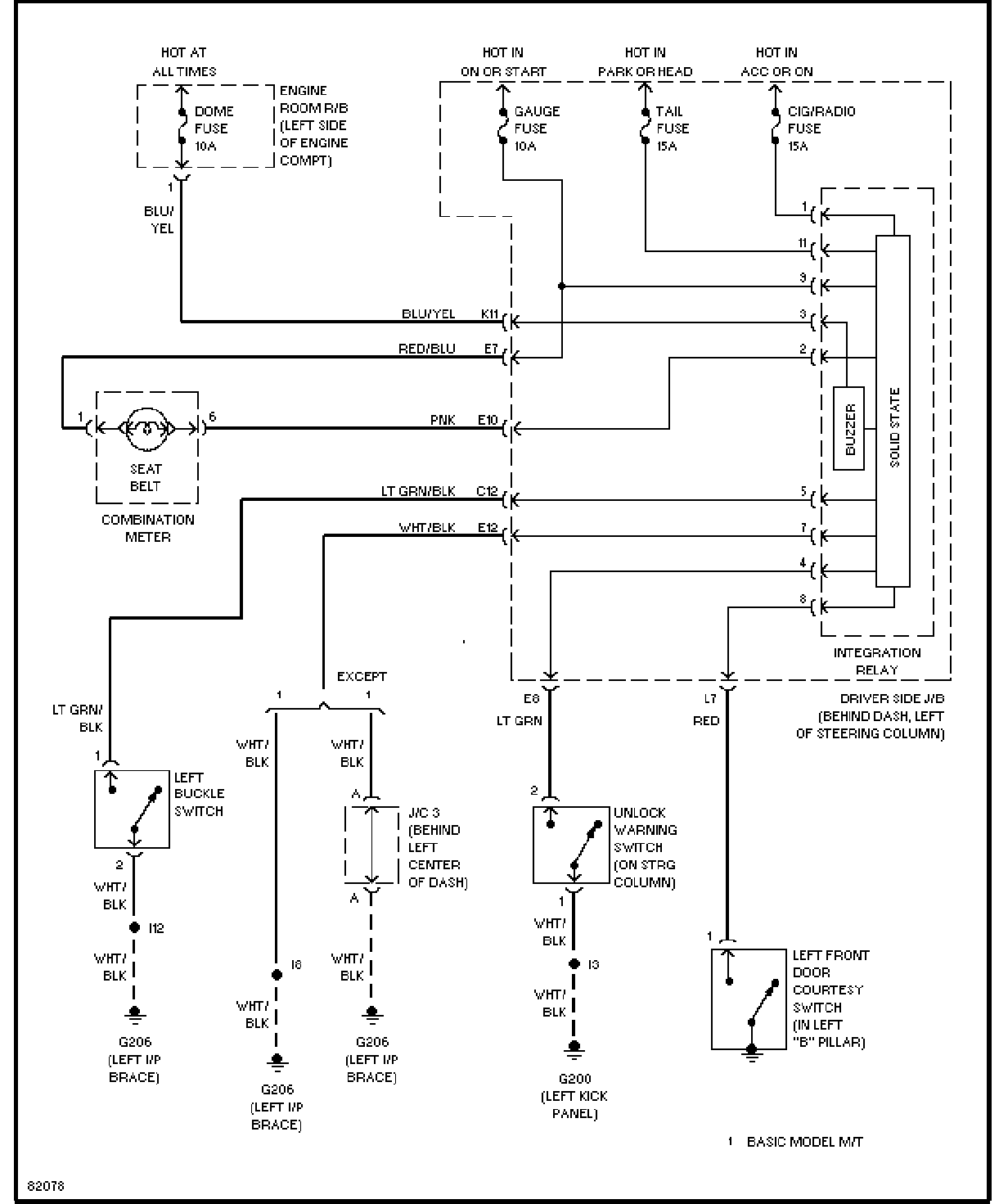
Starl.gif (870 bytes)仪表板电路图 Starl.gif (870 bytes)仪表板照明电路图
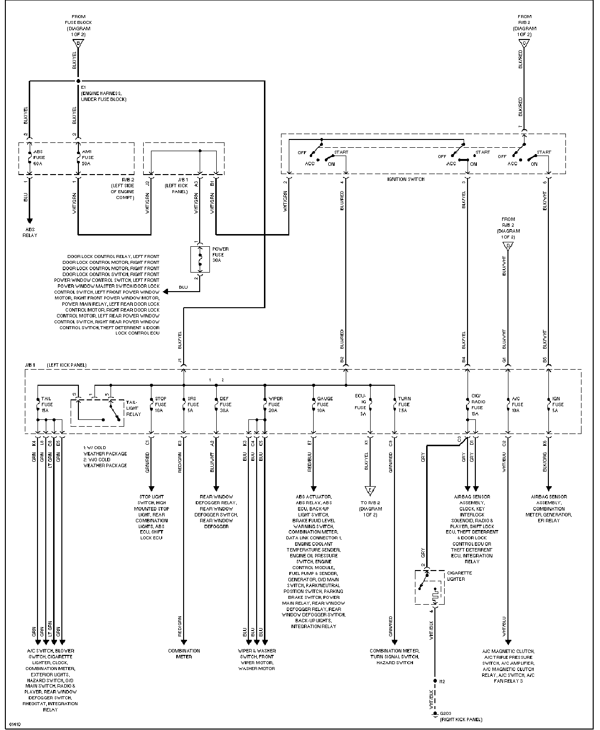
Starl.gif (870 bytes)电源电路图  1  2 Starl.gif (870 bytes)电动门锁电路图
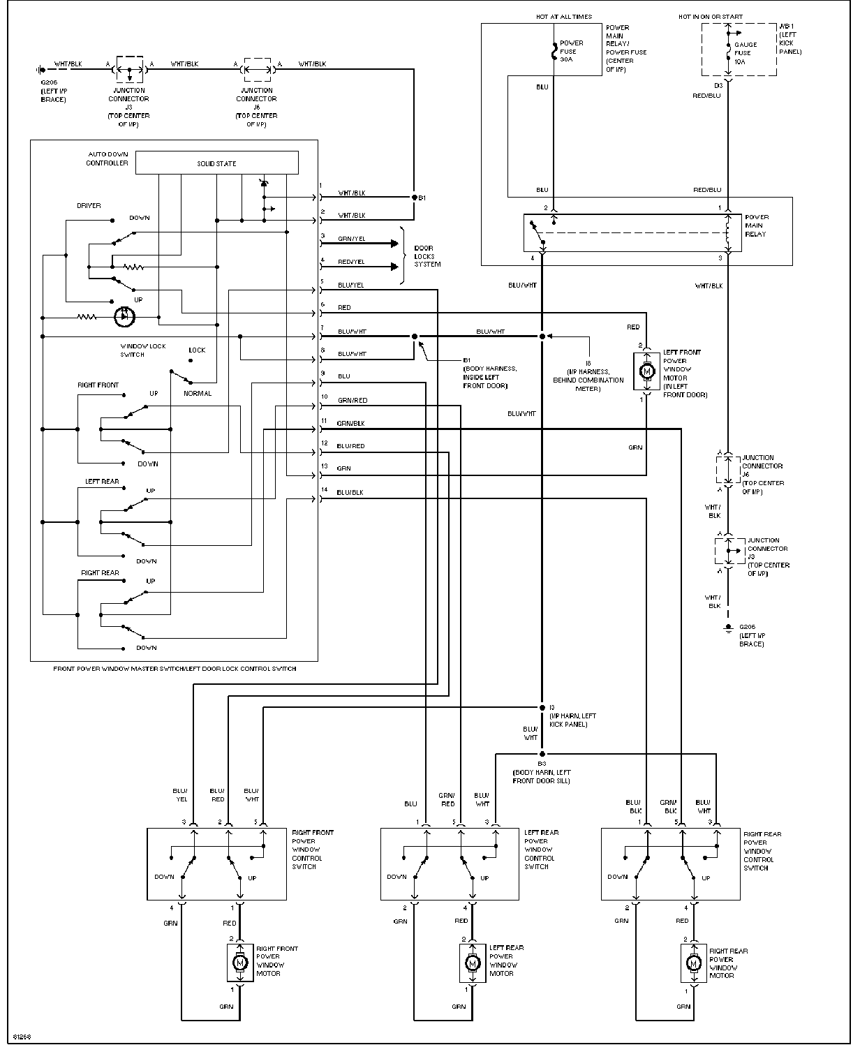
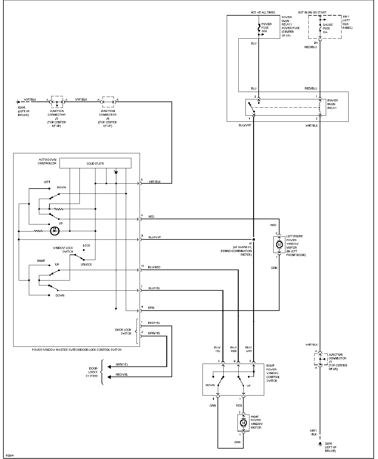
Starl.gif (870 bytes)电动车窗电路图(房车) Starl.gif (870 bytes)电动车窗电路图(轿车及旅行车)
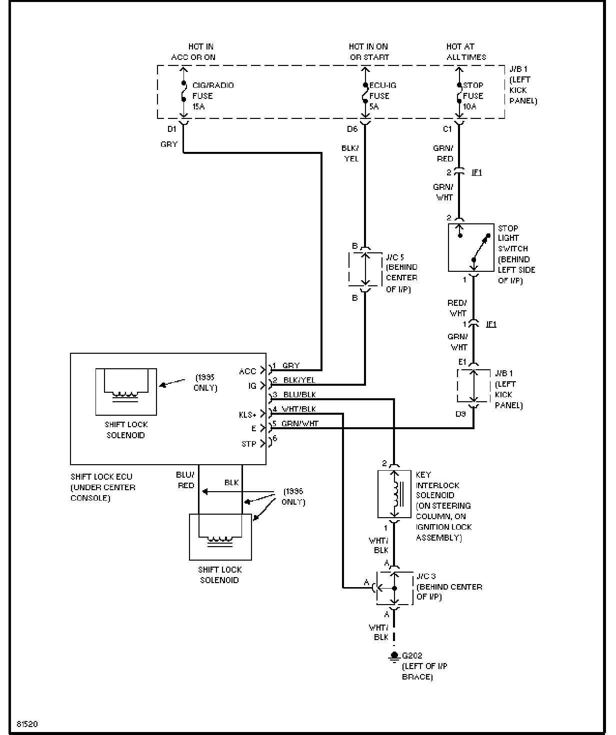
Starl.gif (870 bytes)换档联锁电路图 Starl.gif (870 bytes)起动电路图
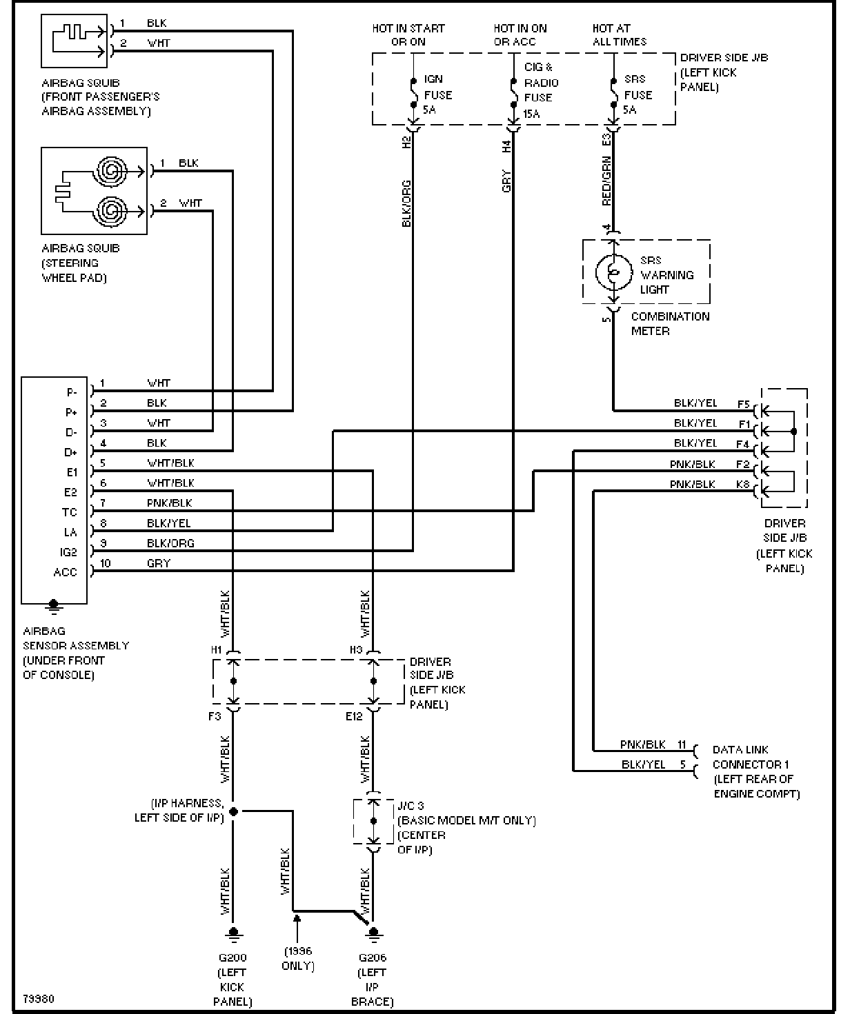
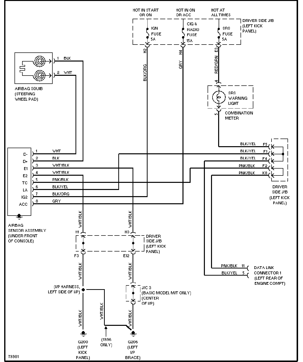
Starl.gif (870 bytes)安全气囊电路图(加拿大) Starl.gif (870 bytes)安全气囊电路图(美国)
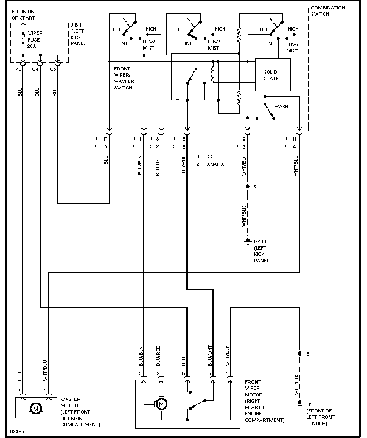
Starl.gif (870 bytes)报警系统电路图 Starl.gif (870 bytes)雨刮清洗器电路图