AVALON 车系自动空调线路图 
花.gif (2533 bytes)图一     图二
SUPRA  车系自动空调线路图 
花.gif (2533 bytes)图一      图二
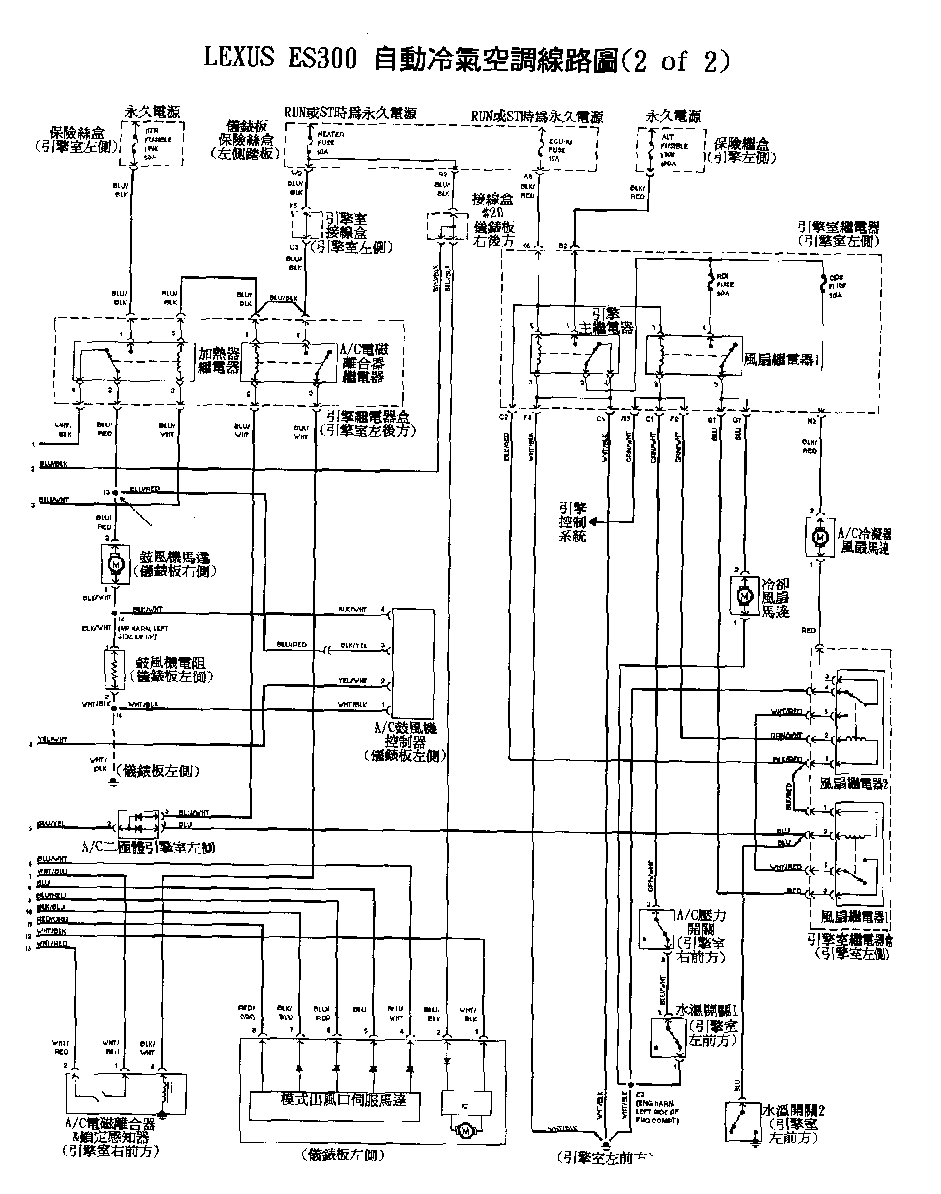
ES300 自动空调线路图
花.gif (2533 bytes)图一   图二
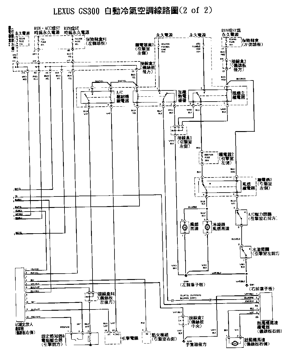
GS300 自动空调线路图
花.gif (2533 bytes)图一   图二
SC300  自动空调线路图
花.gif (2533 bytes)图一  图二
SC400  自动空调线路图
花.gif (2533 bytes)图一  图二
LS400  自动空调线路图
花.gif (2533 bytes)图一  图二
LX450  自动空调线路图
花.gif (2533 bytes)图一  图二