bmw.gif (2957 bytes)

z-21.gif (13953 bytes)
Bullet1.gif (1223 bytes)535i (ZF 4HP 22-EH) 自动变速箱线路图
Bullet1.gif (1223 bytes)318ti (A4S-310R) (55Pin) 自动变速箱电脑线路图
Bullet1.gif (1223 bytes)3系列 (A4S-310R) (55Pin) 自动变速箱线路图
Bullet1.gif (1223 bytes)5系列 (A4S-310R) (55Pin) 自动变速箱线路图
Z3 (A4S-310R) (88Pin) 变速箱电脑线路图
Bullet1.gif (1223 bytes) 图一     图二      图三     图四
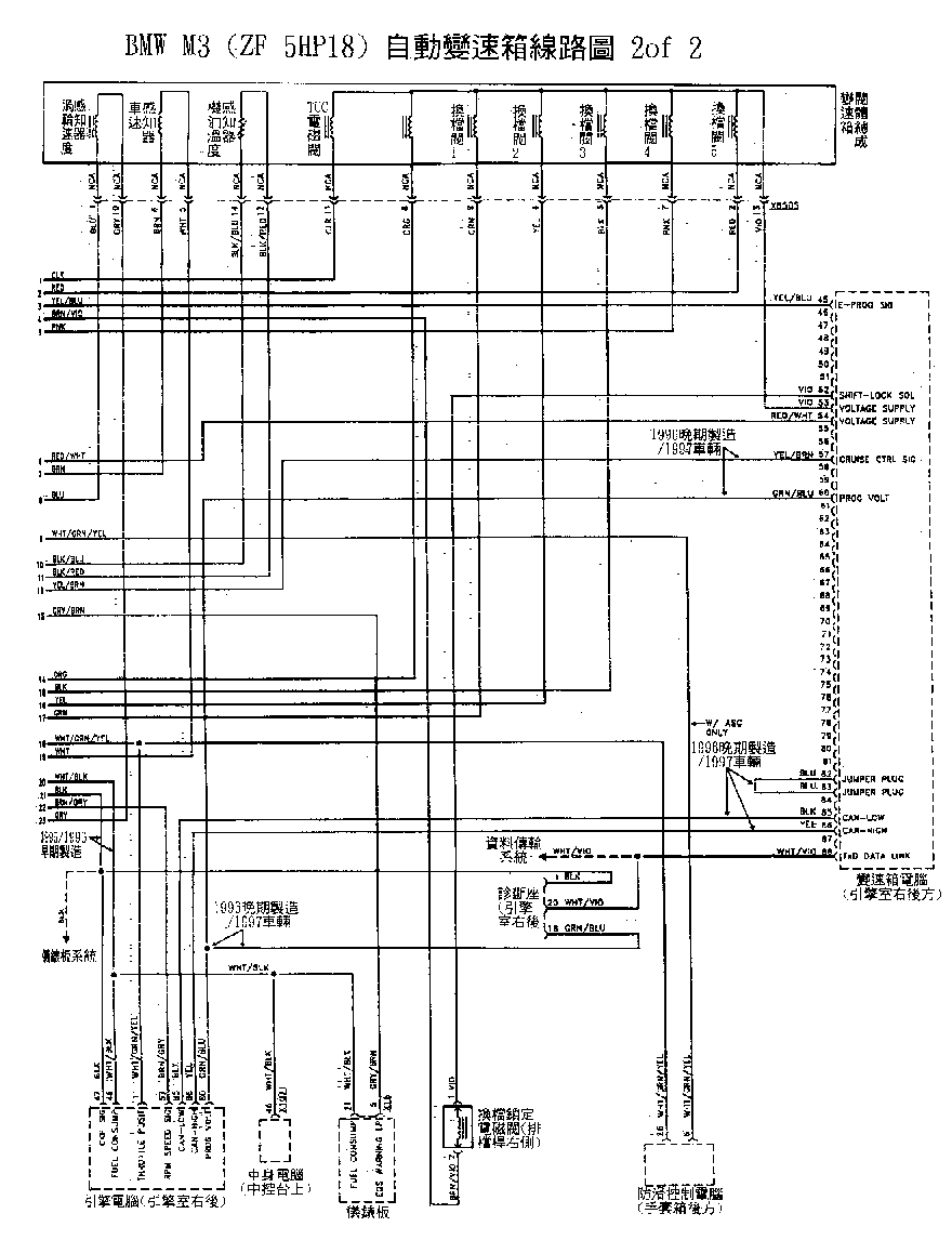
M3 (ZF 5HP18) 自动变速箱线路图  
Bullet1.gif (1223 bytes) 图一      图二
Bullet1.gif (1223 bytes)525i,525iT,530i,530iT & 540i (ZF 5HP18)自动变速箱线路图
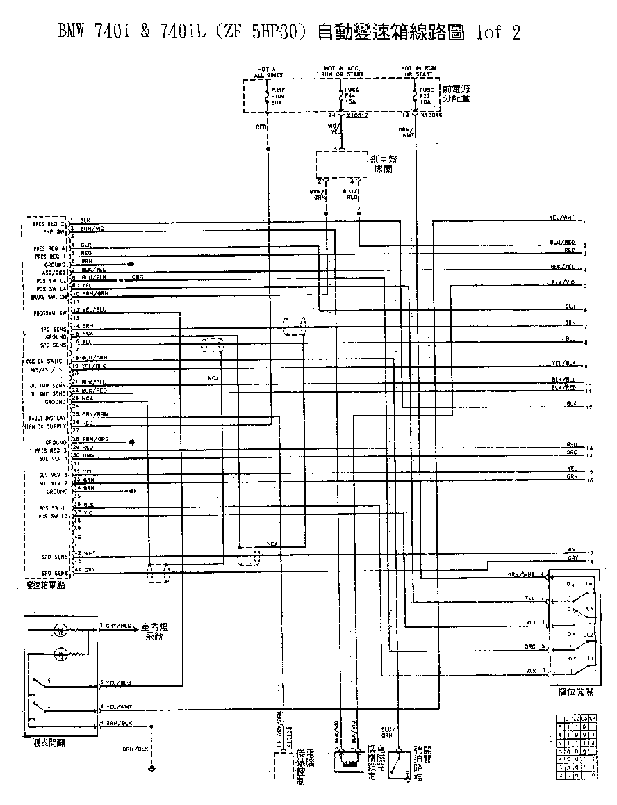
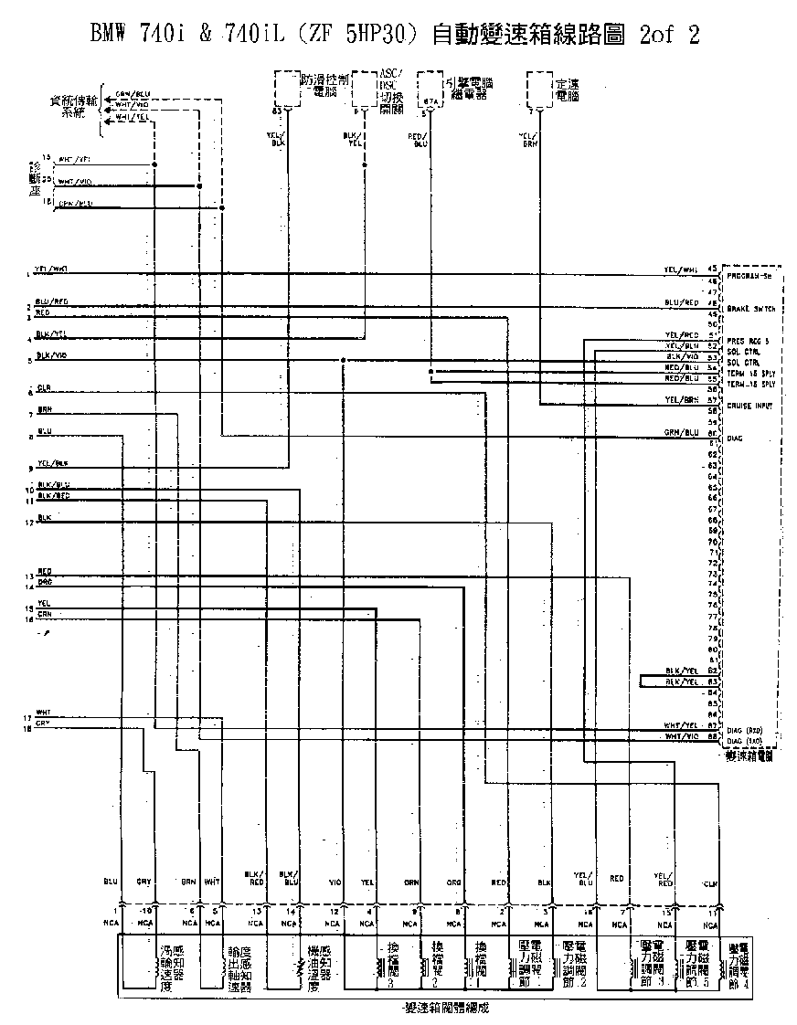
740i & 740iL (ZF 5HP30)自动变速箱线路图
Bullet1.gif (1223 bytes)图一       图二