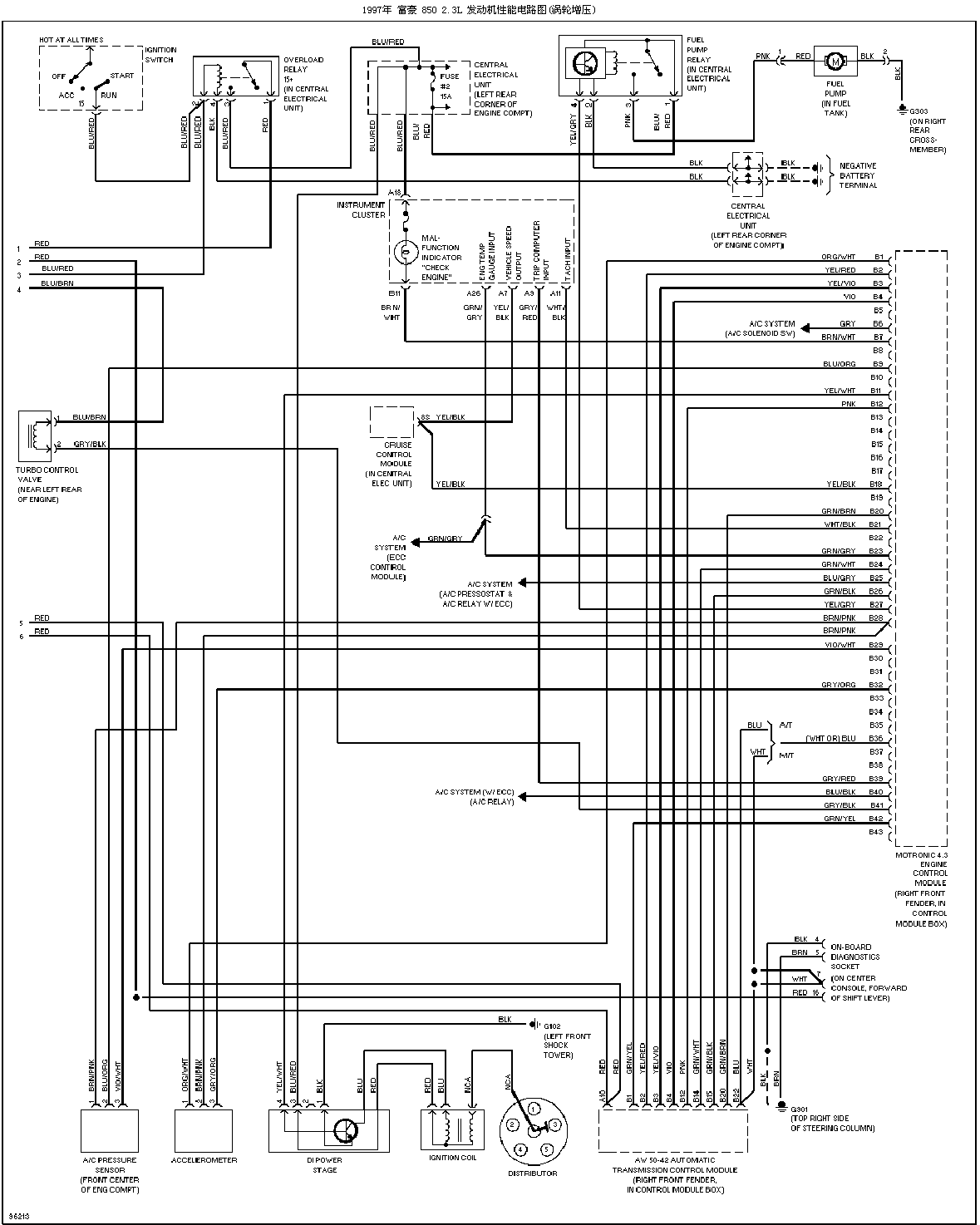
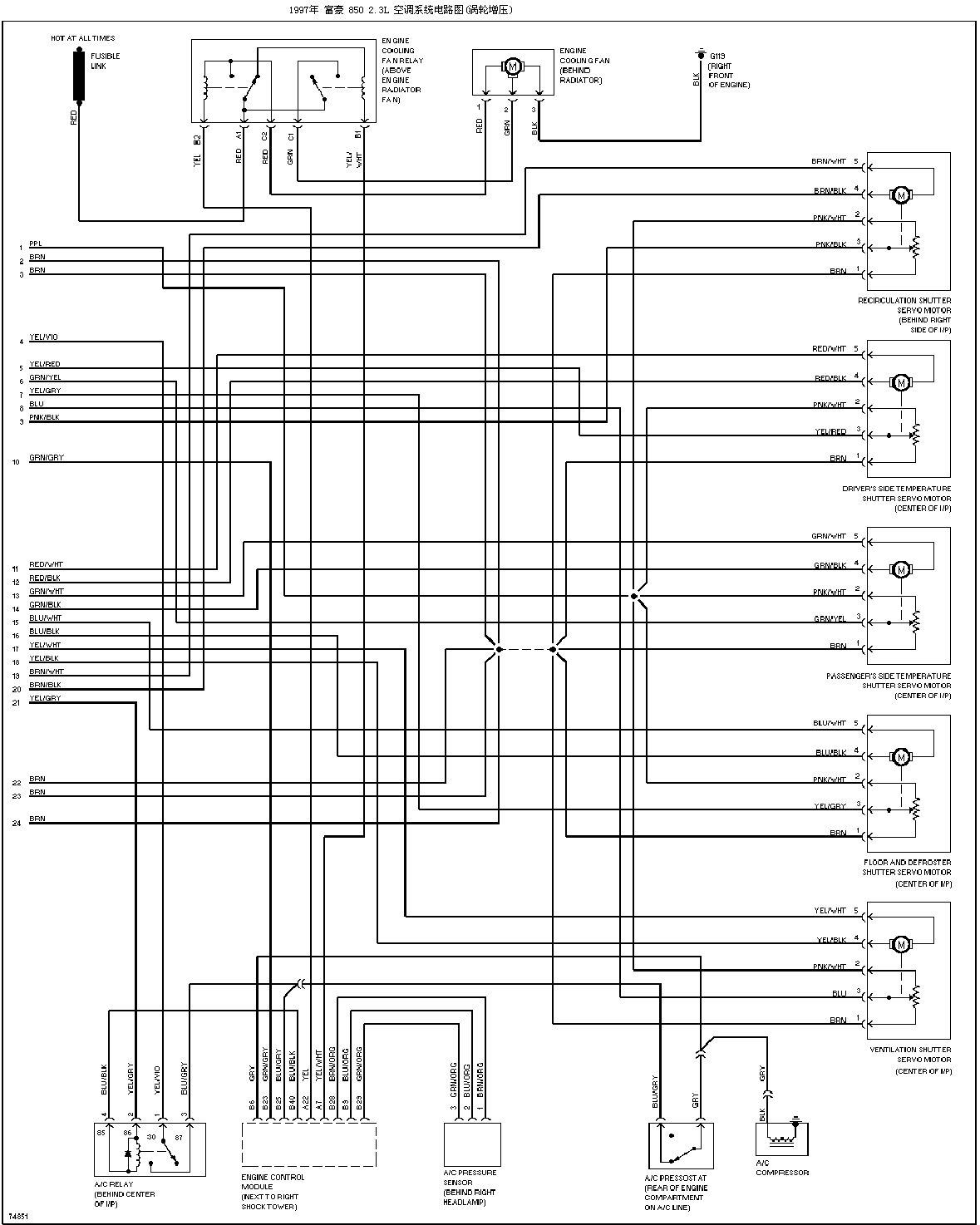
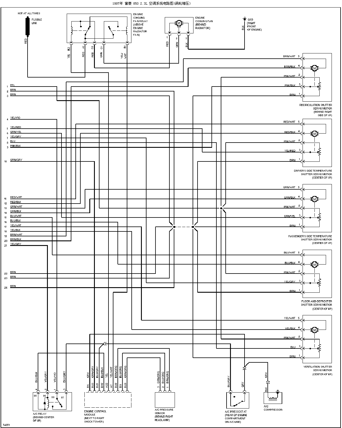
| 2.3L 空调系统电路图 (涡轮增压)(1) (2) | 2.3L 发动机性能电路图(涡轮增压)(1)(2) |
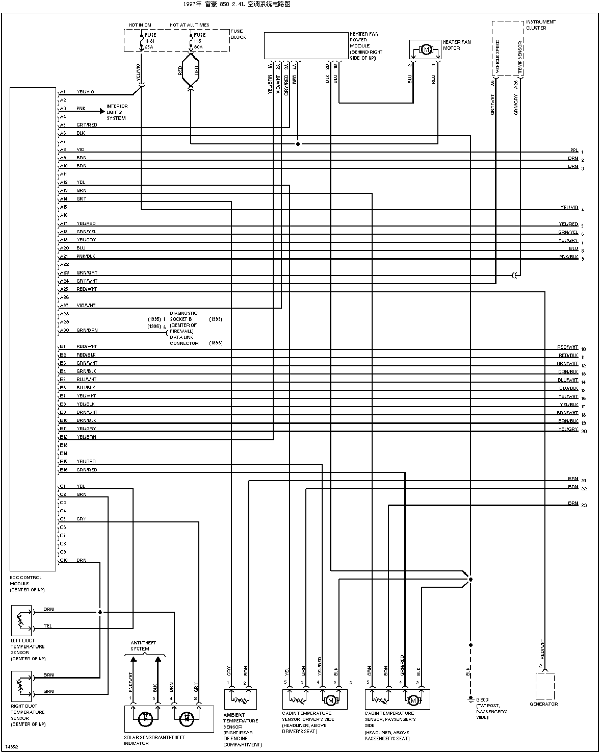
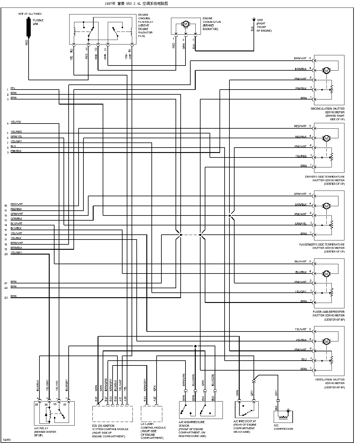
| 2.4L 自动空调系统电路图 (1) (2) | 2.4L 手动空调系统电路图 |
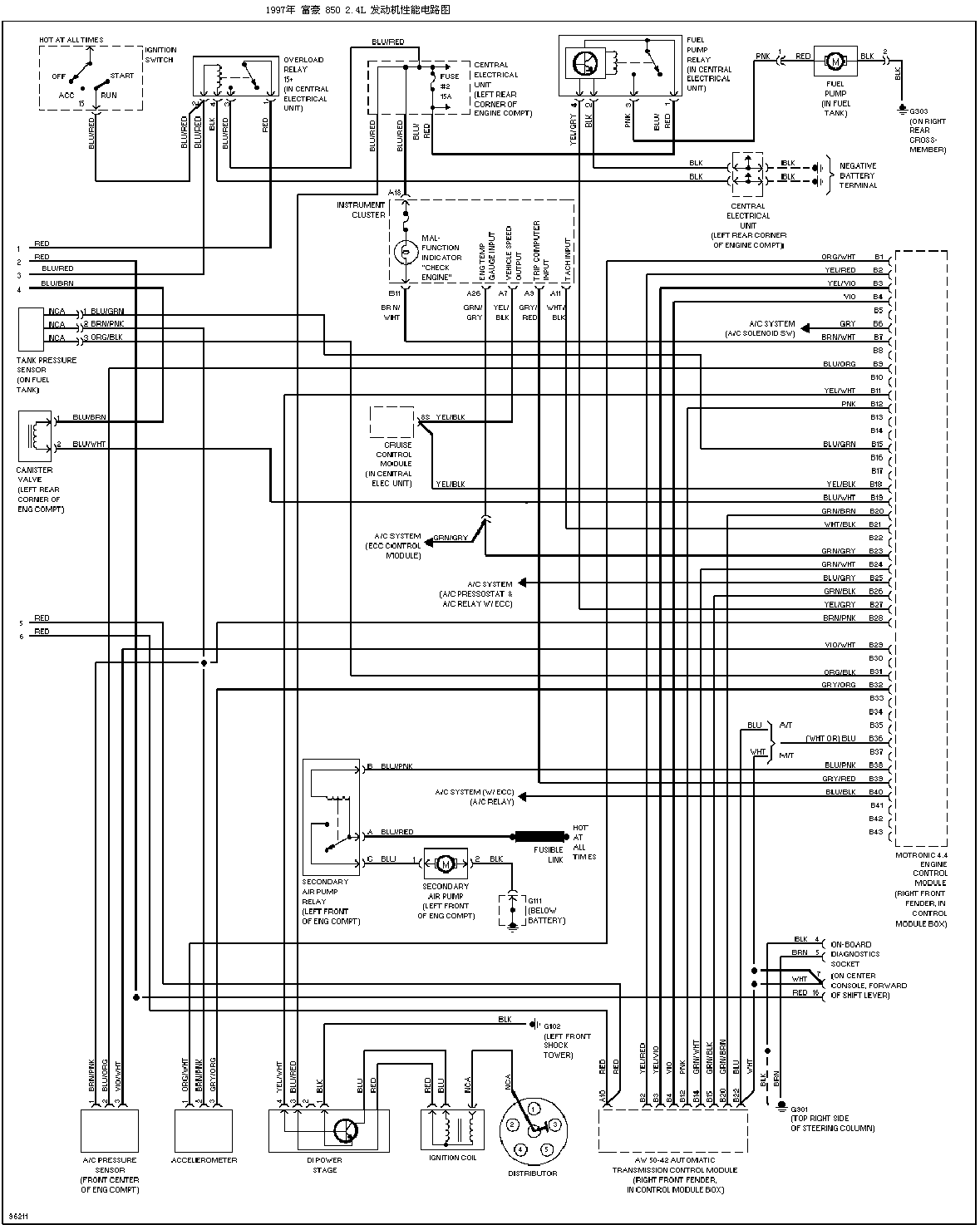
| 2.4L 发动机性能电路图(1) (2) | 附加接线头电路图 |
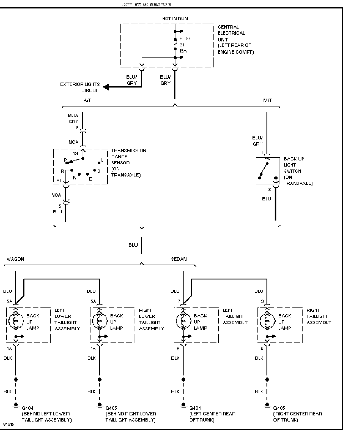
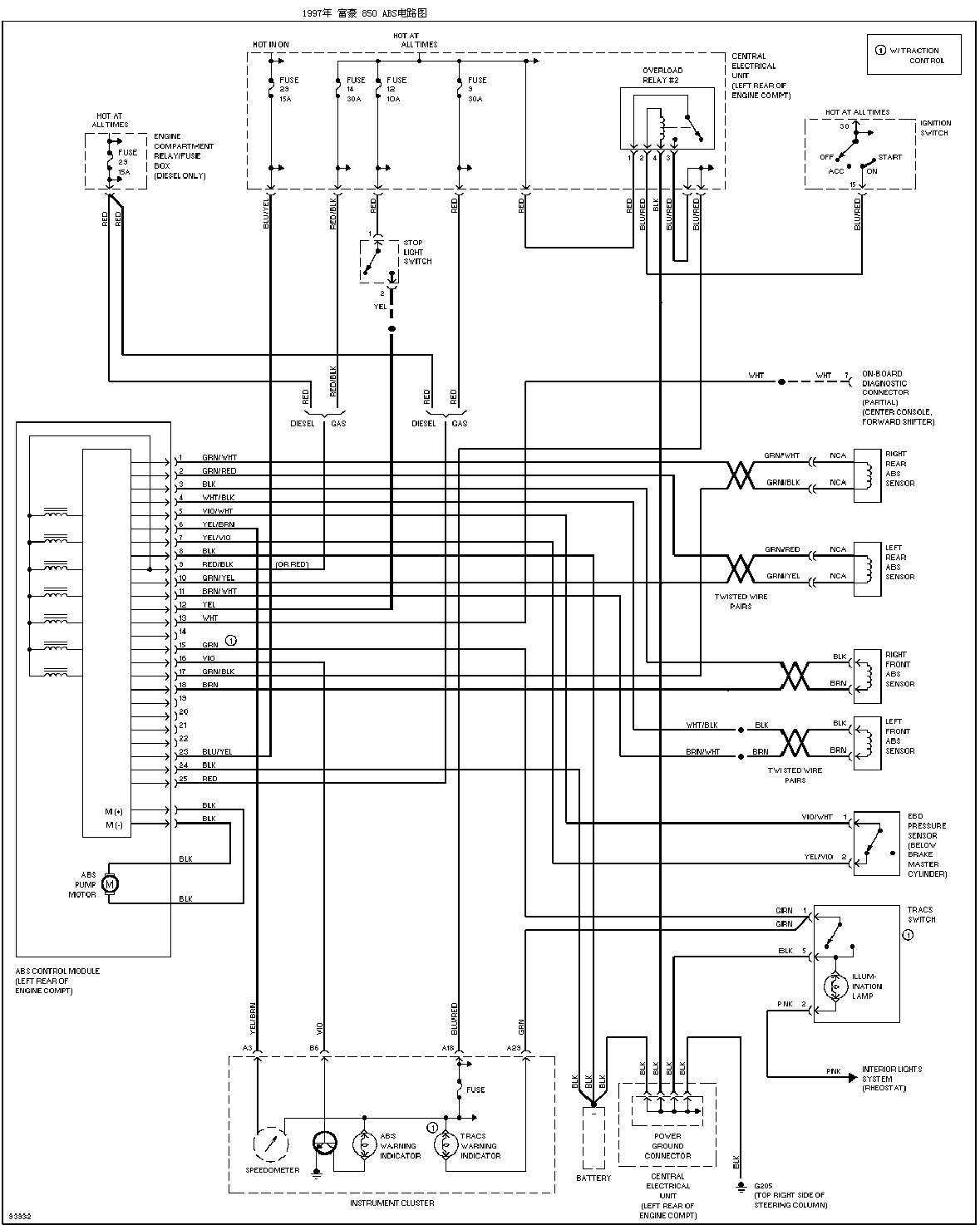
| ABS电路图 | 倒车灯电路图 |
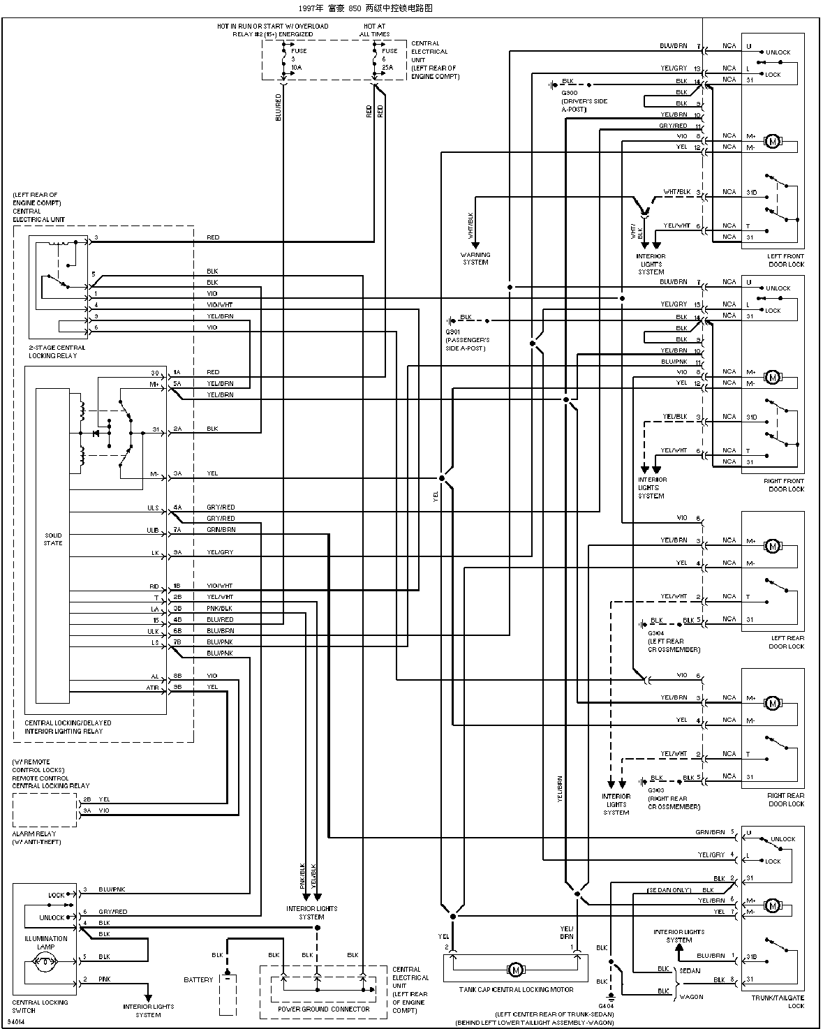
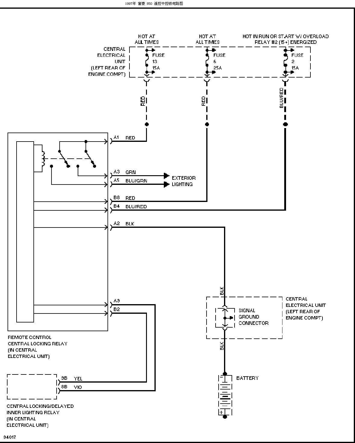
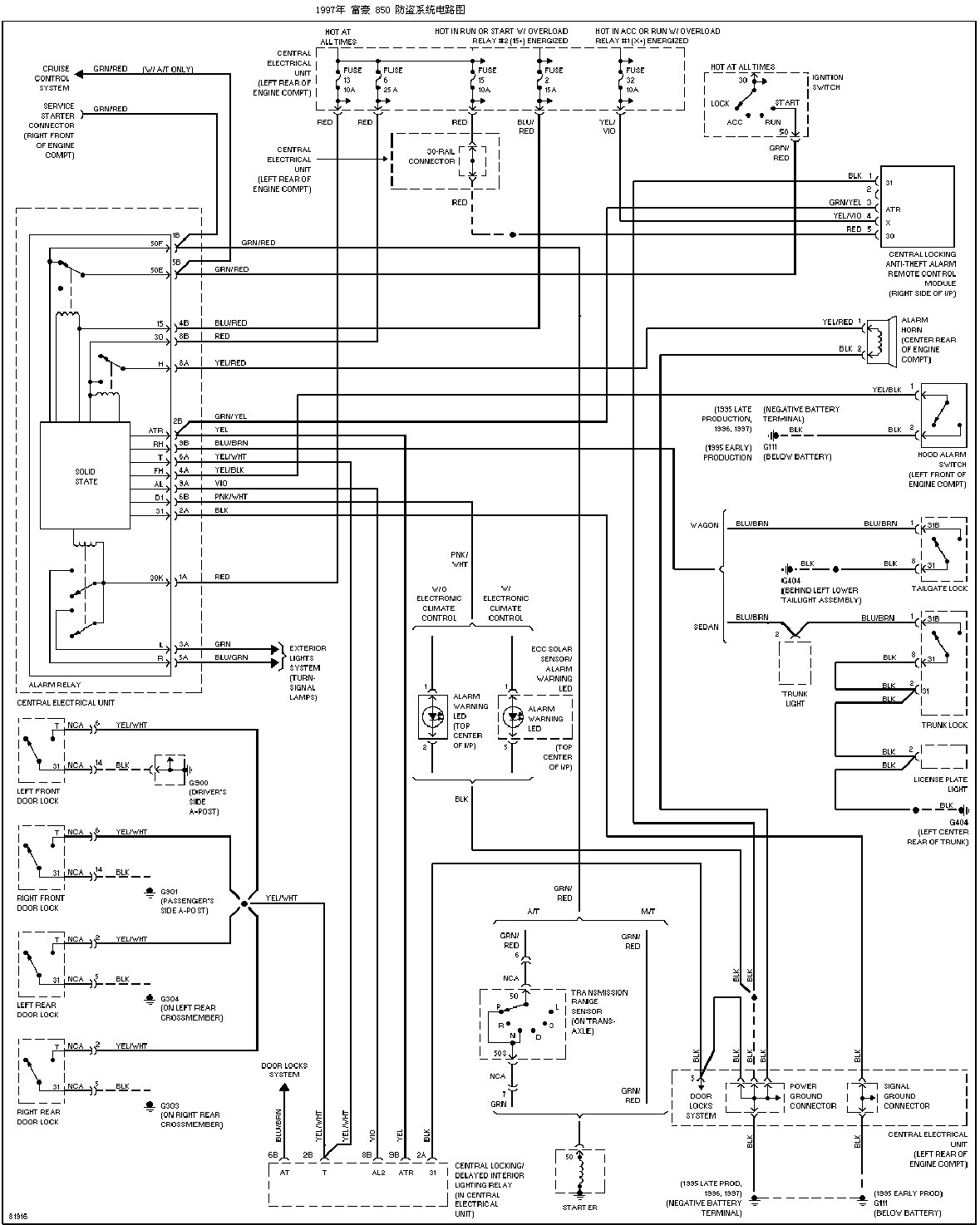
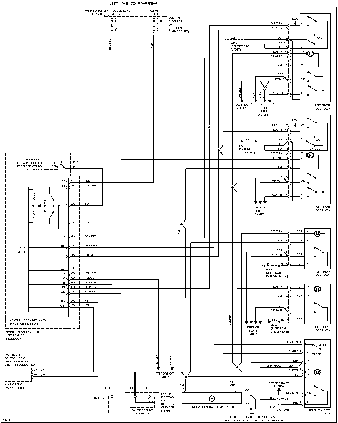
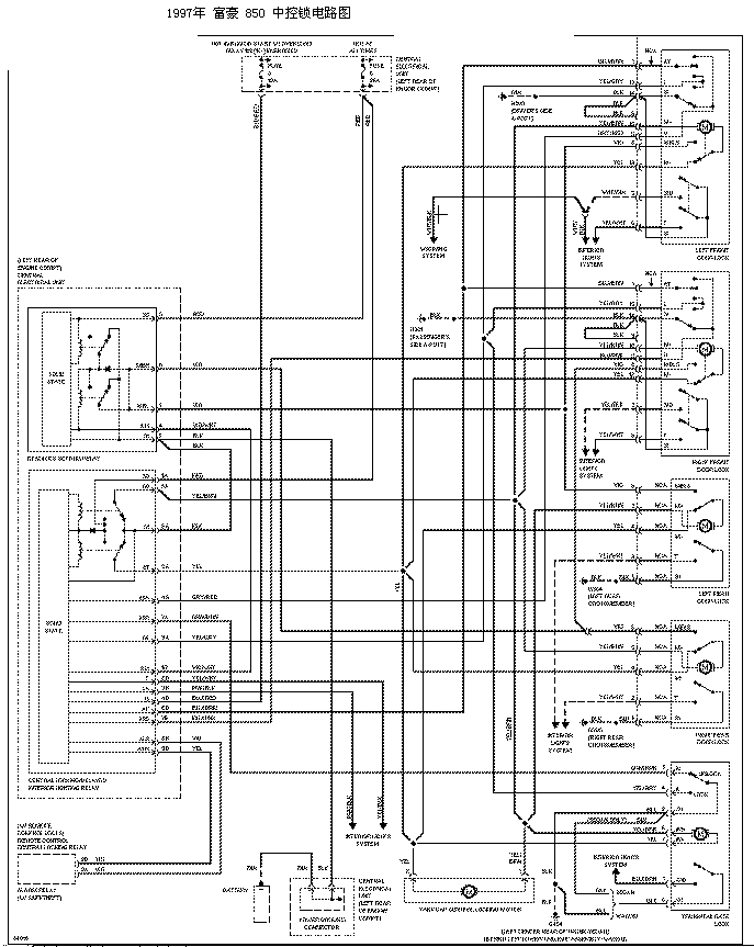
| 防盗系统电路图 | 中控门锁电路图 (带)(无) 锁死装置 |
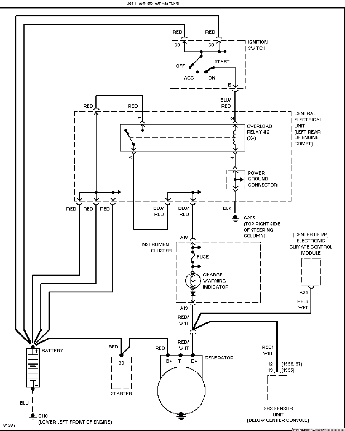
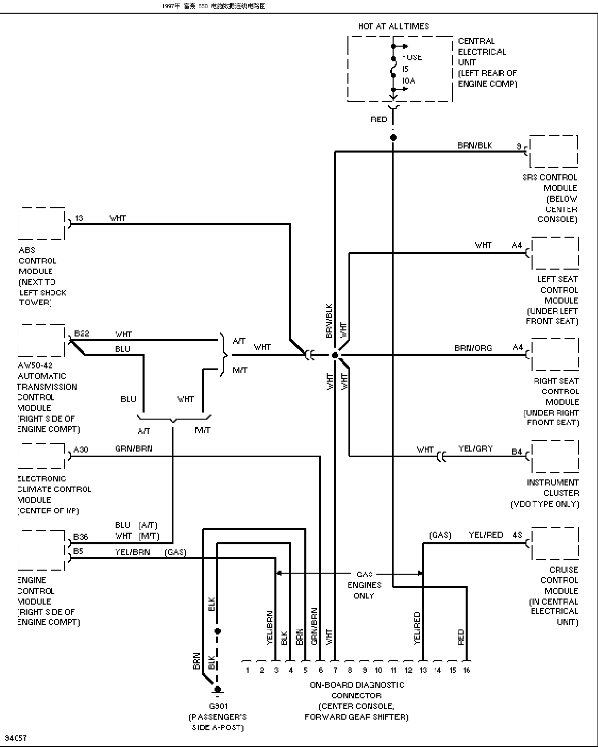
| 充电系统电路图 | 电脑数据连线电路图 |
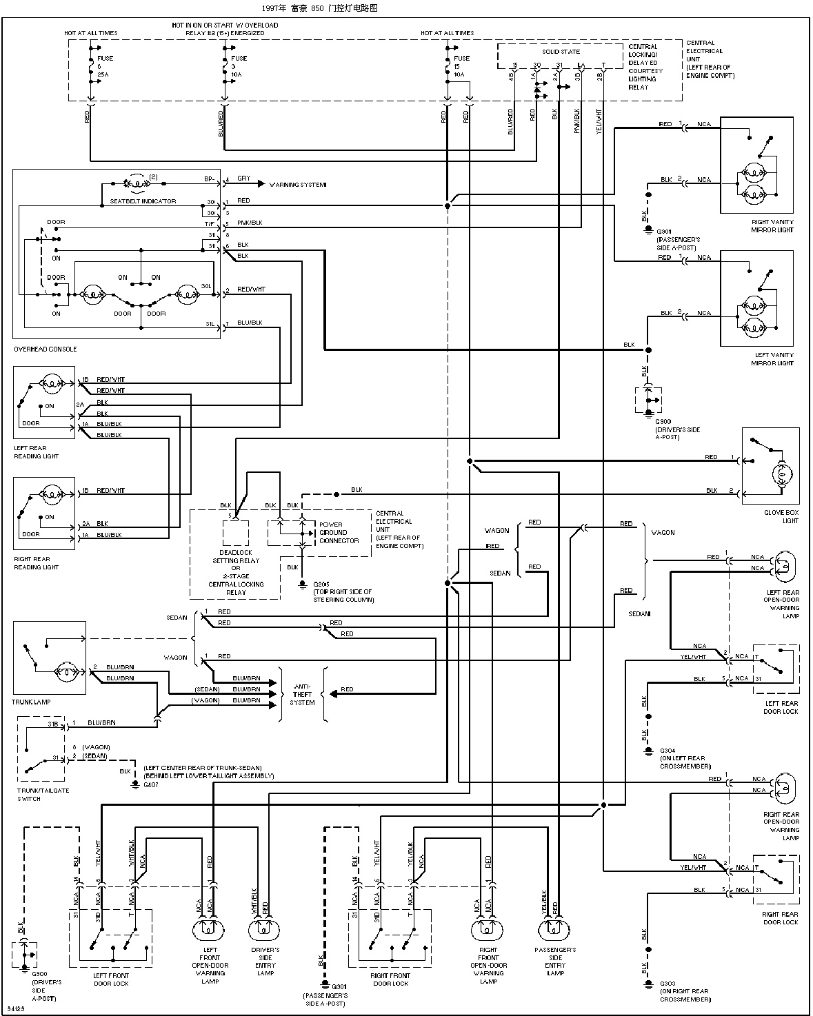
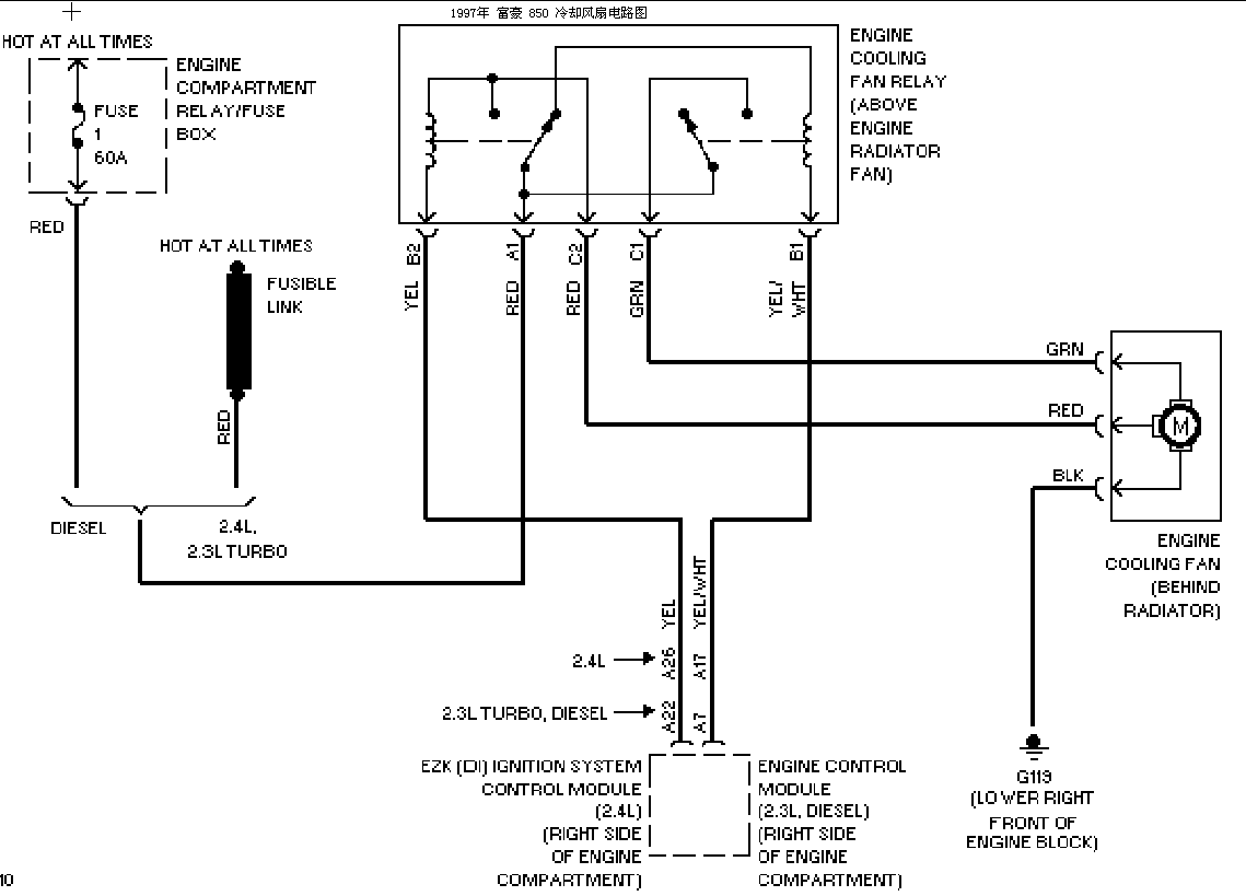
| 冷却风扇电路图 | 门控灯电路图 |
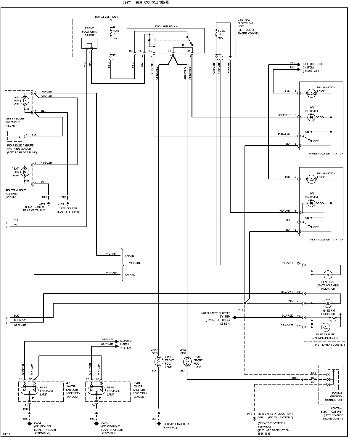
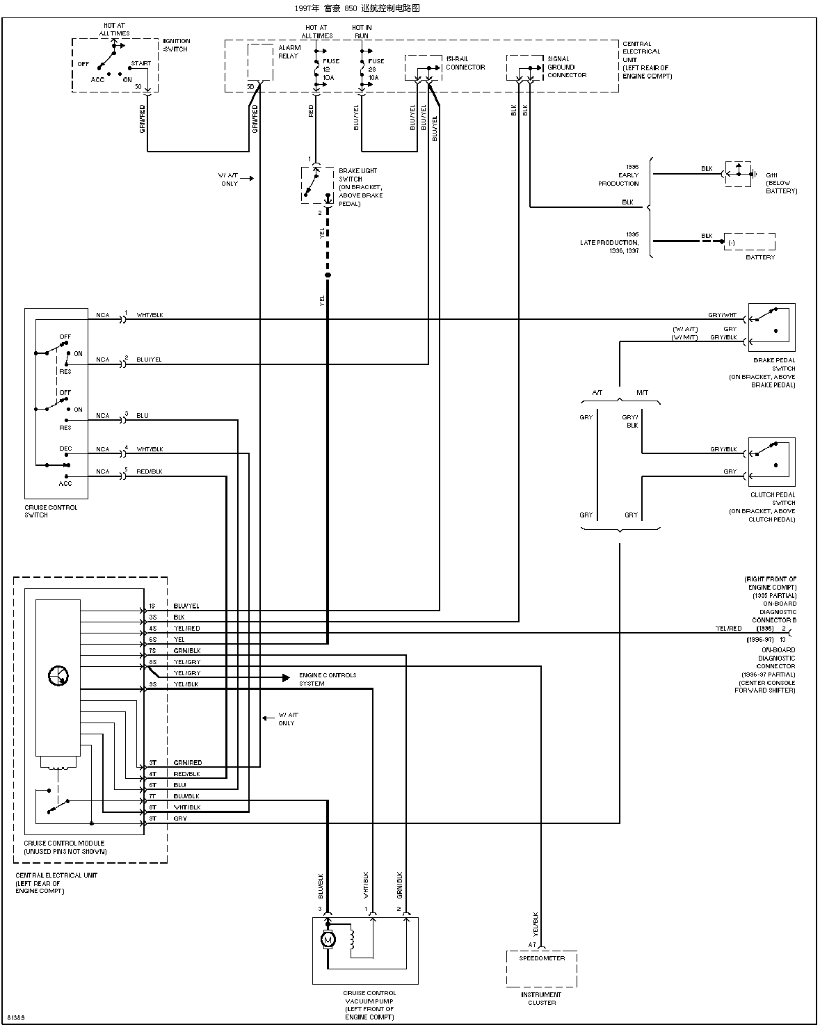
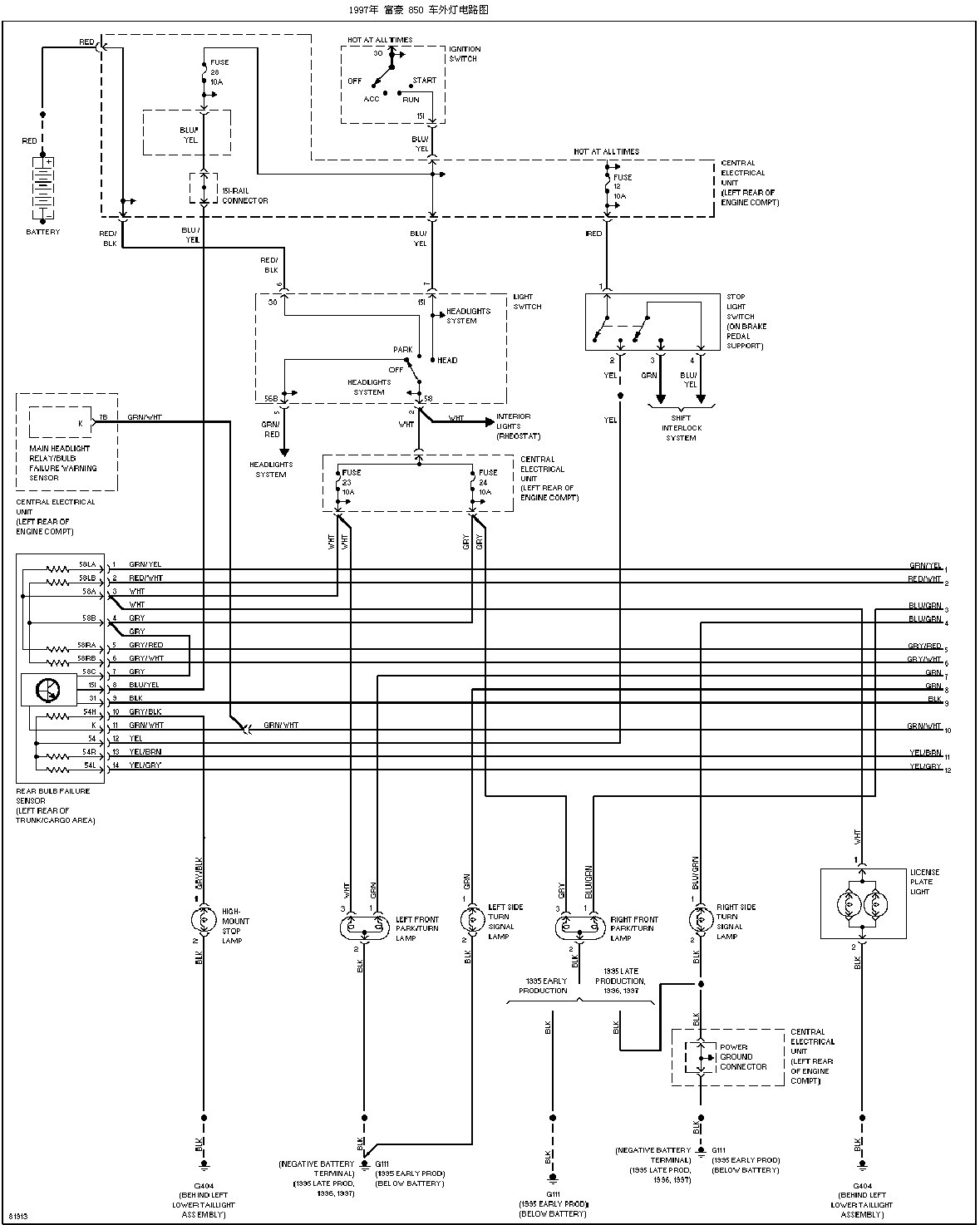
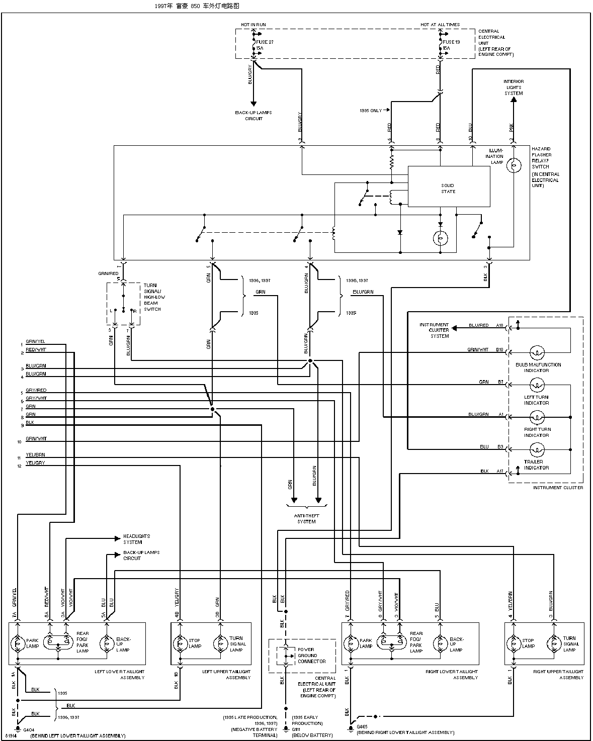
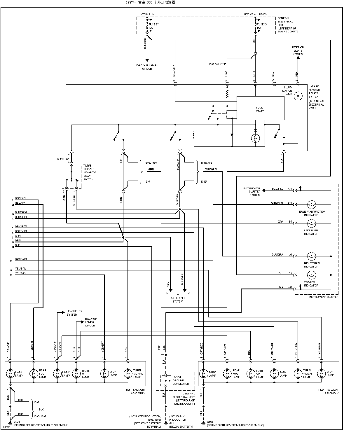
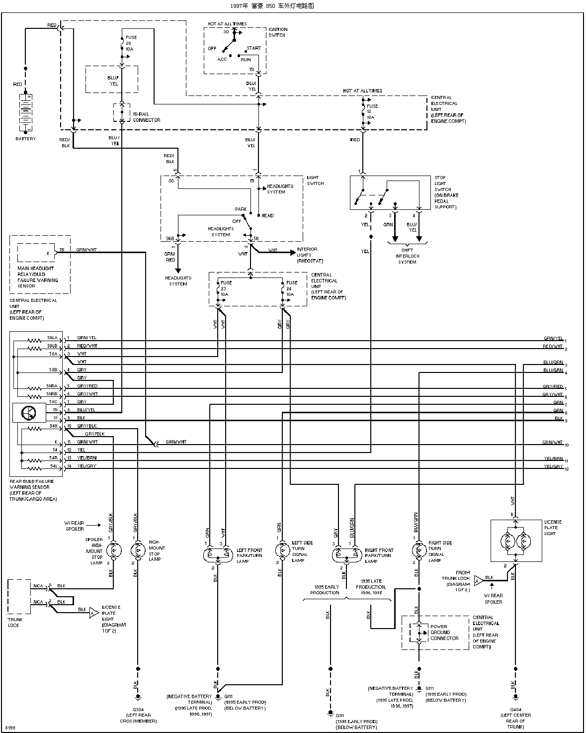
| 巡航控制电路图 | 车外灯电路图 (轿车(1)(2))(货车(1)(2)) |
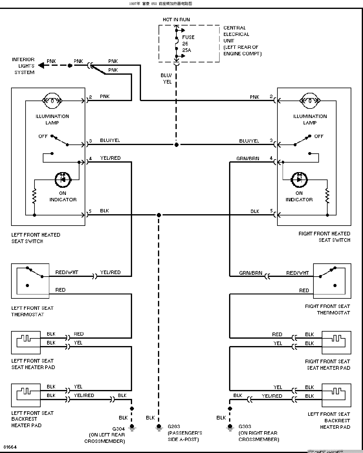
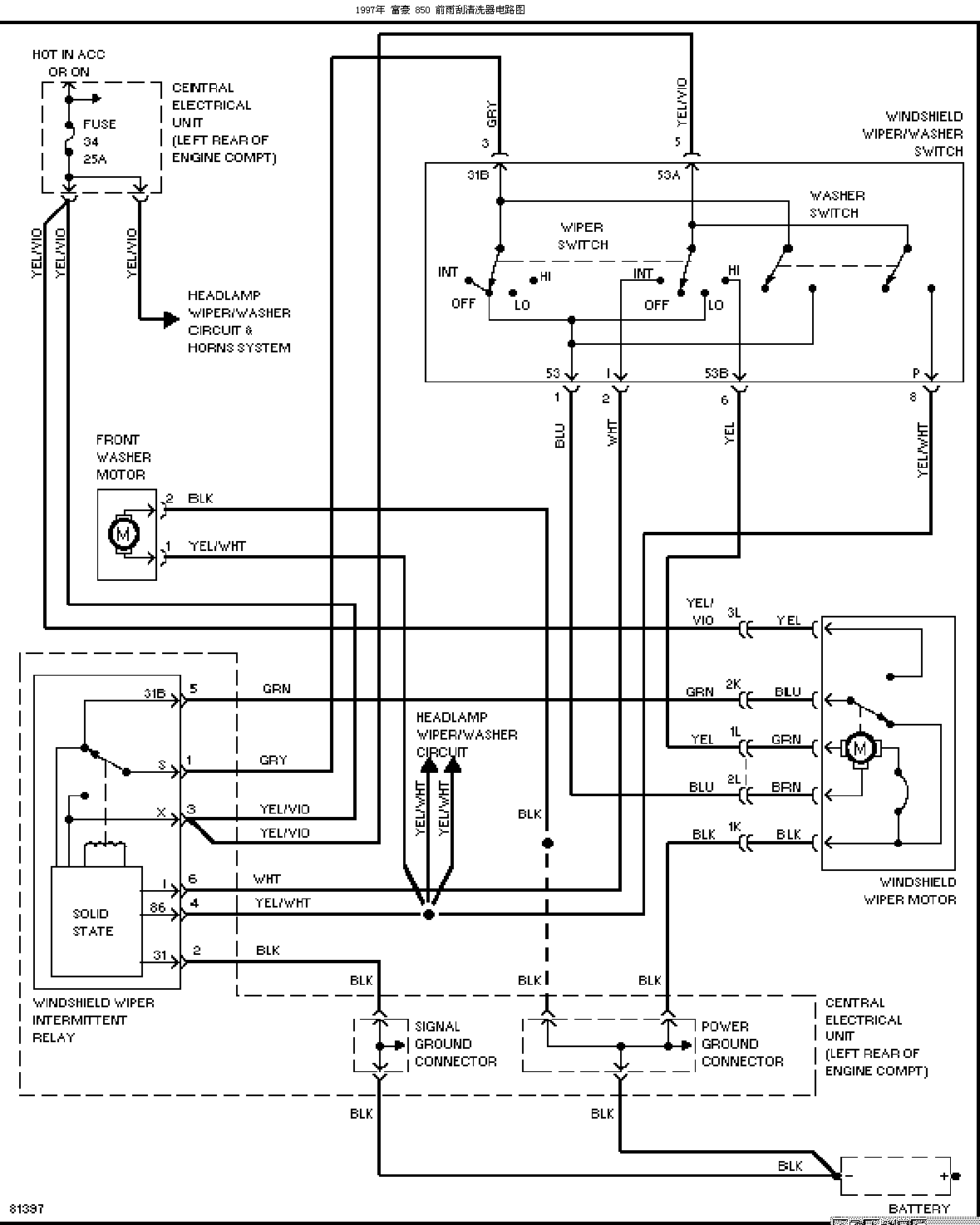
| 前加热座椅电路图 | 前雨刮清洗器电路图 |
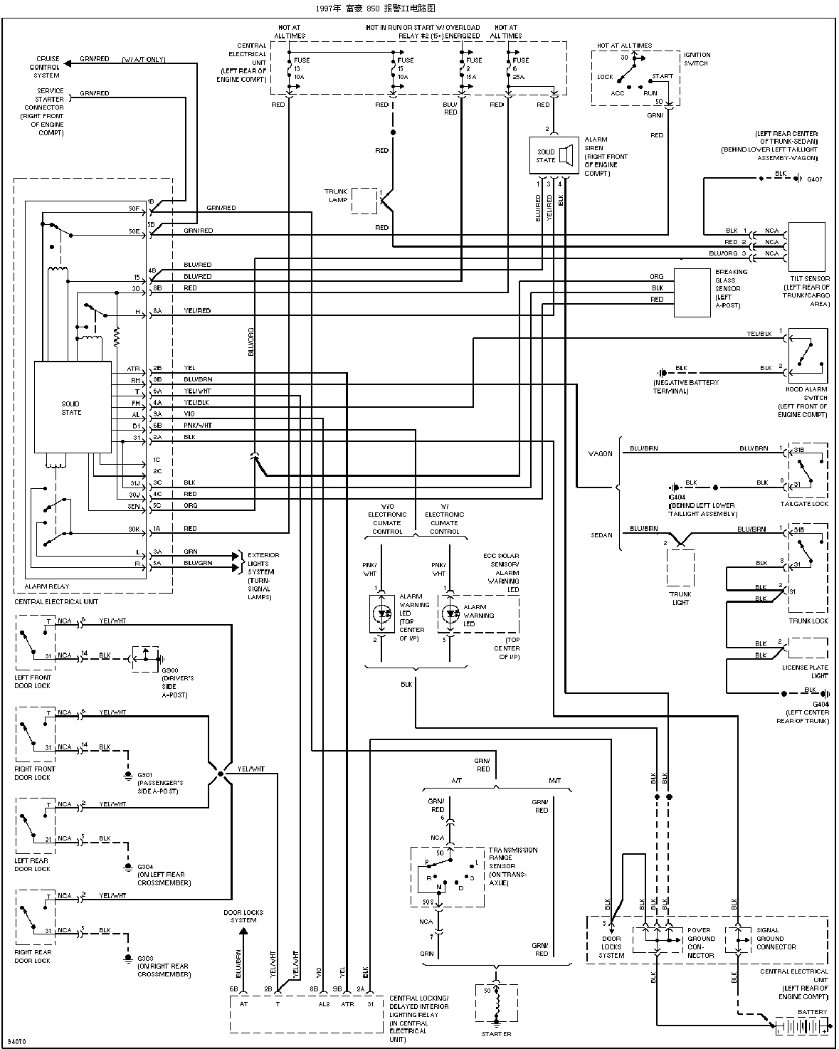
| 搭铁分配电路图 | 警报装置II电路图 |
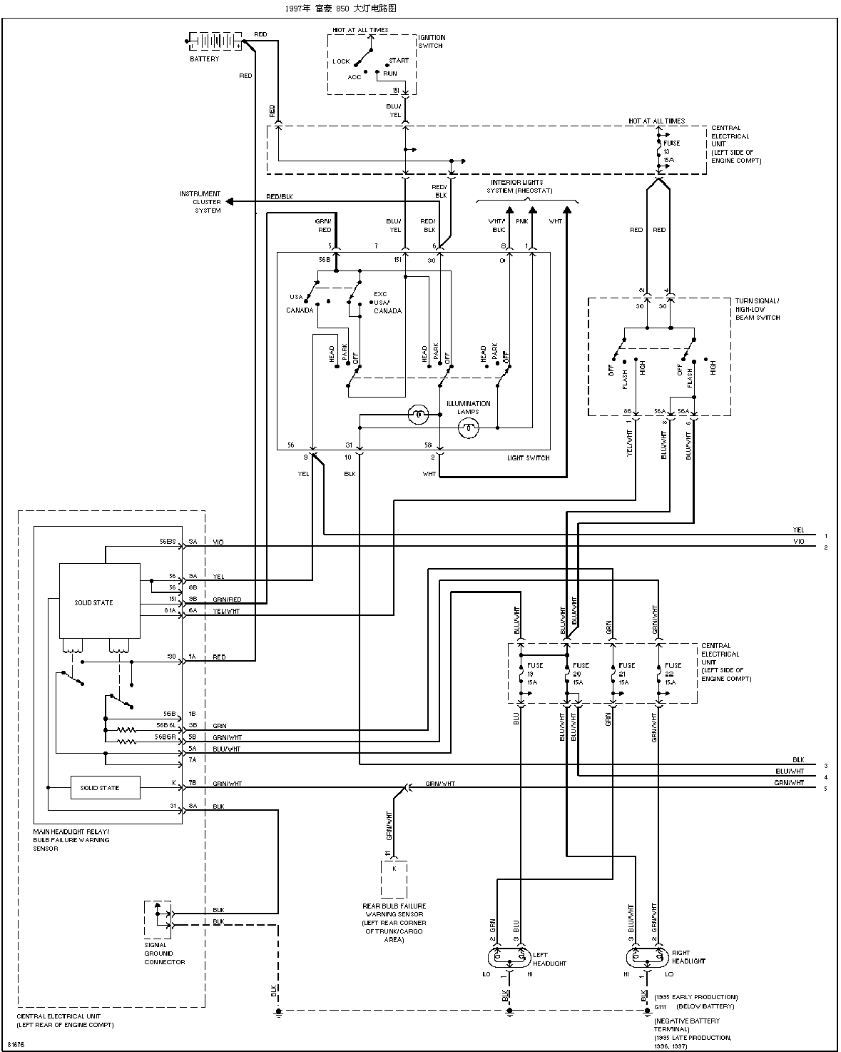
| 大灯雨刮清洗器电路图 | 大灯电路图 (1) (2) |
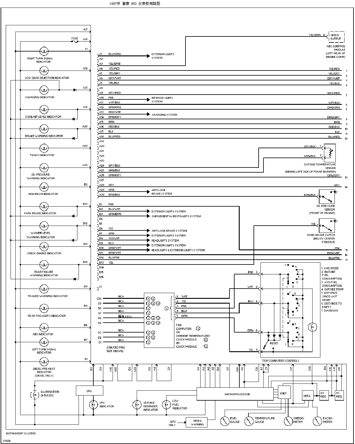
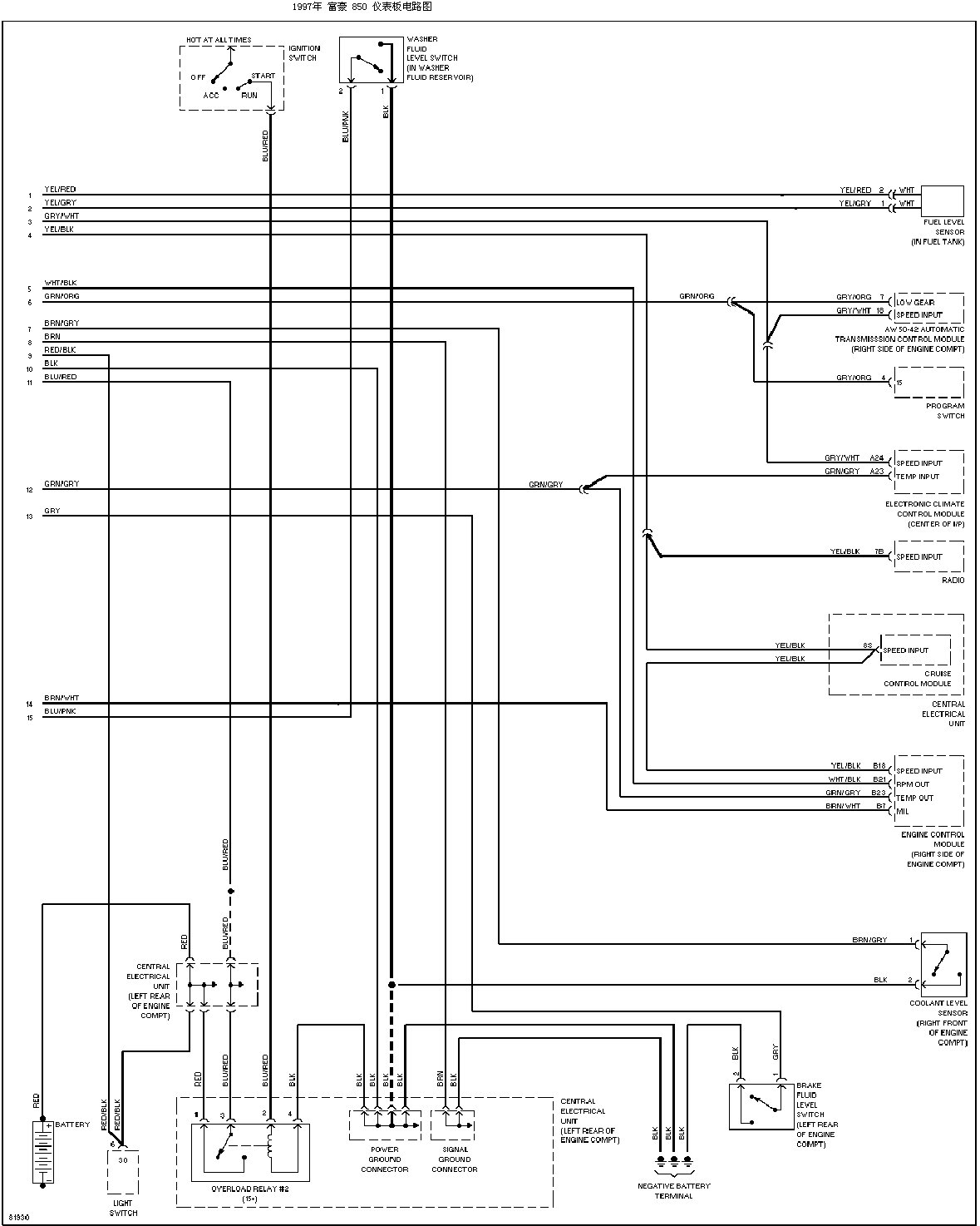
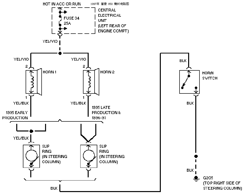
| 喇叭电路图 | 仪表板电路图 (1) (2) (3) (4) |
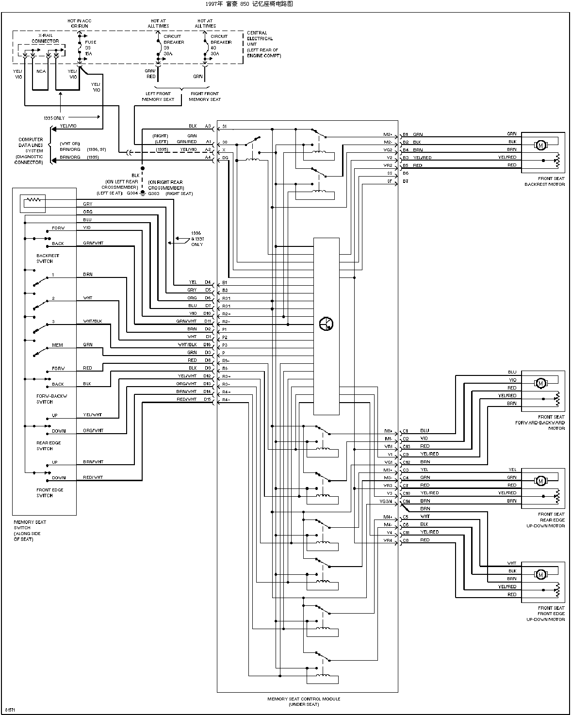
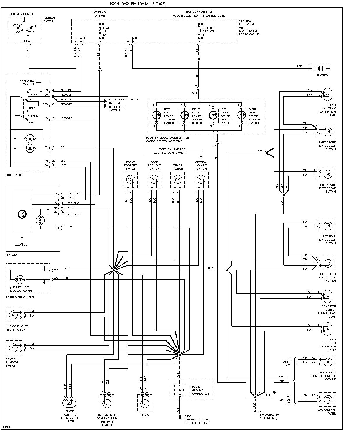
| 仪表板照明电路图 | 记忆座椅电路图 |
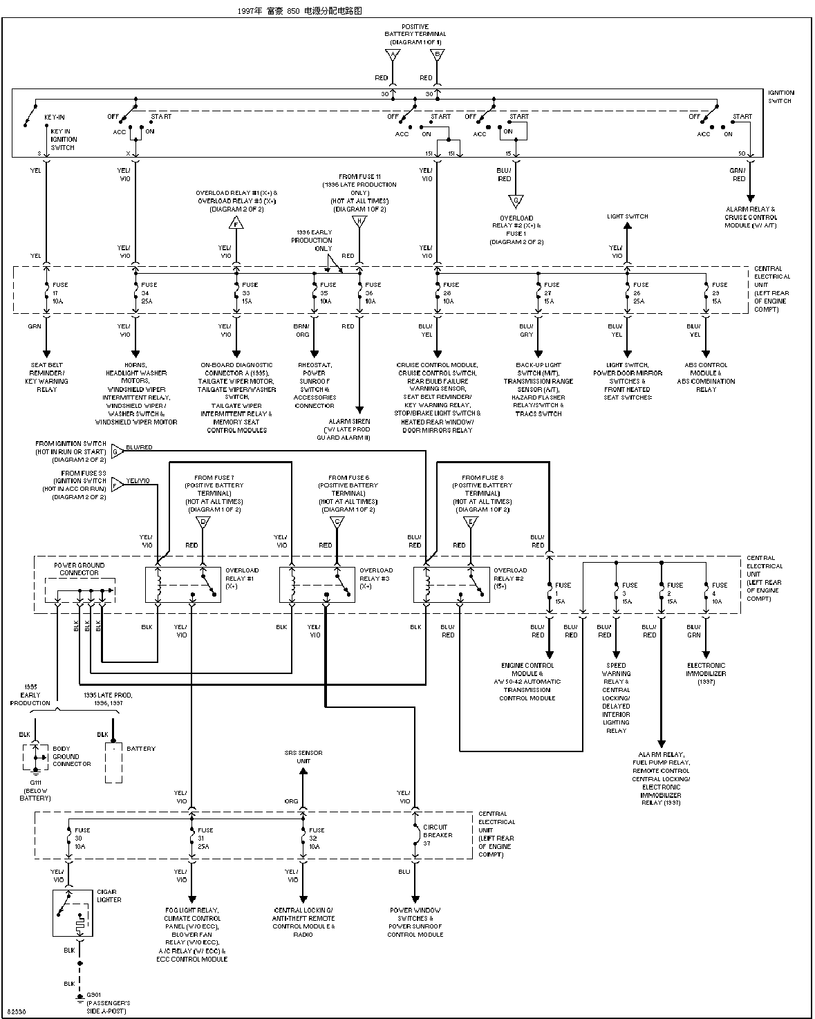
| 电动天线电路图 | 电源分配电路图 (1) (2) |
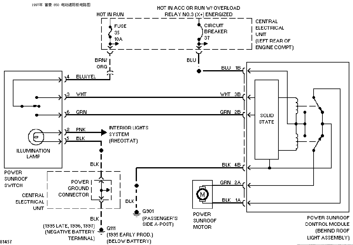
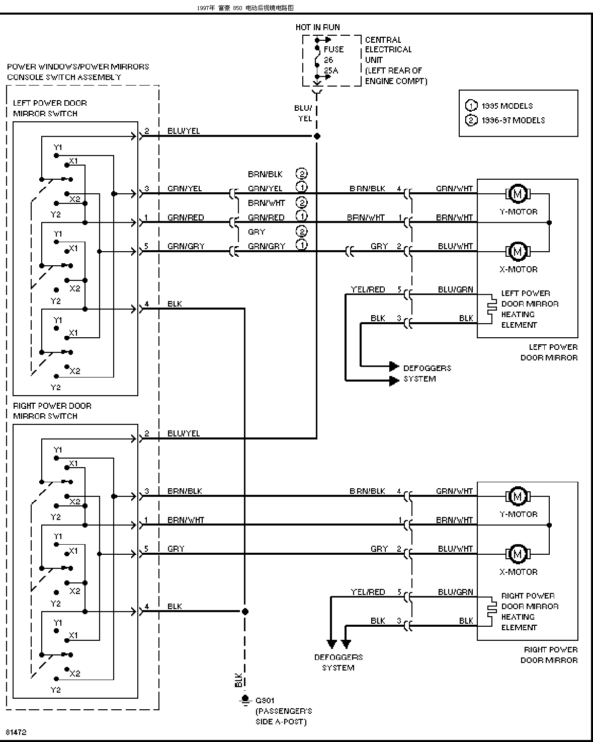
| 电动后视镜电路图 | 电动遮阳板电路图 |
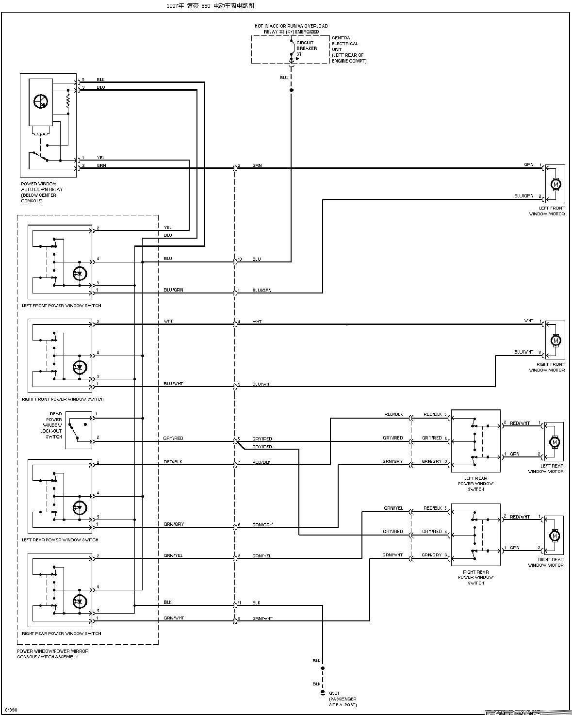
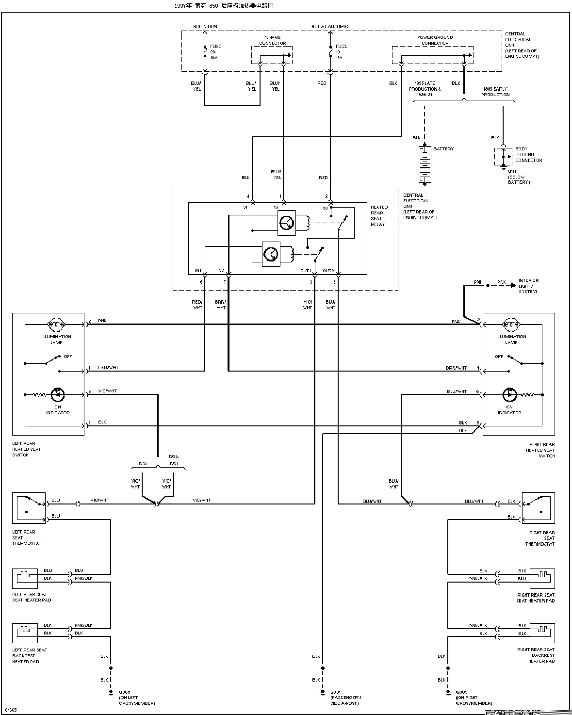
| 电动车窗电路图 | 后加热座椅电路图 |
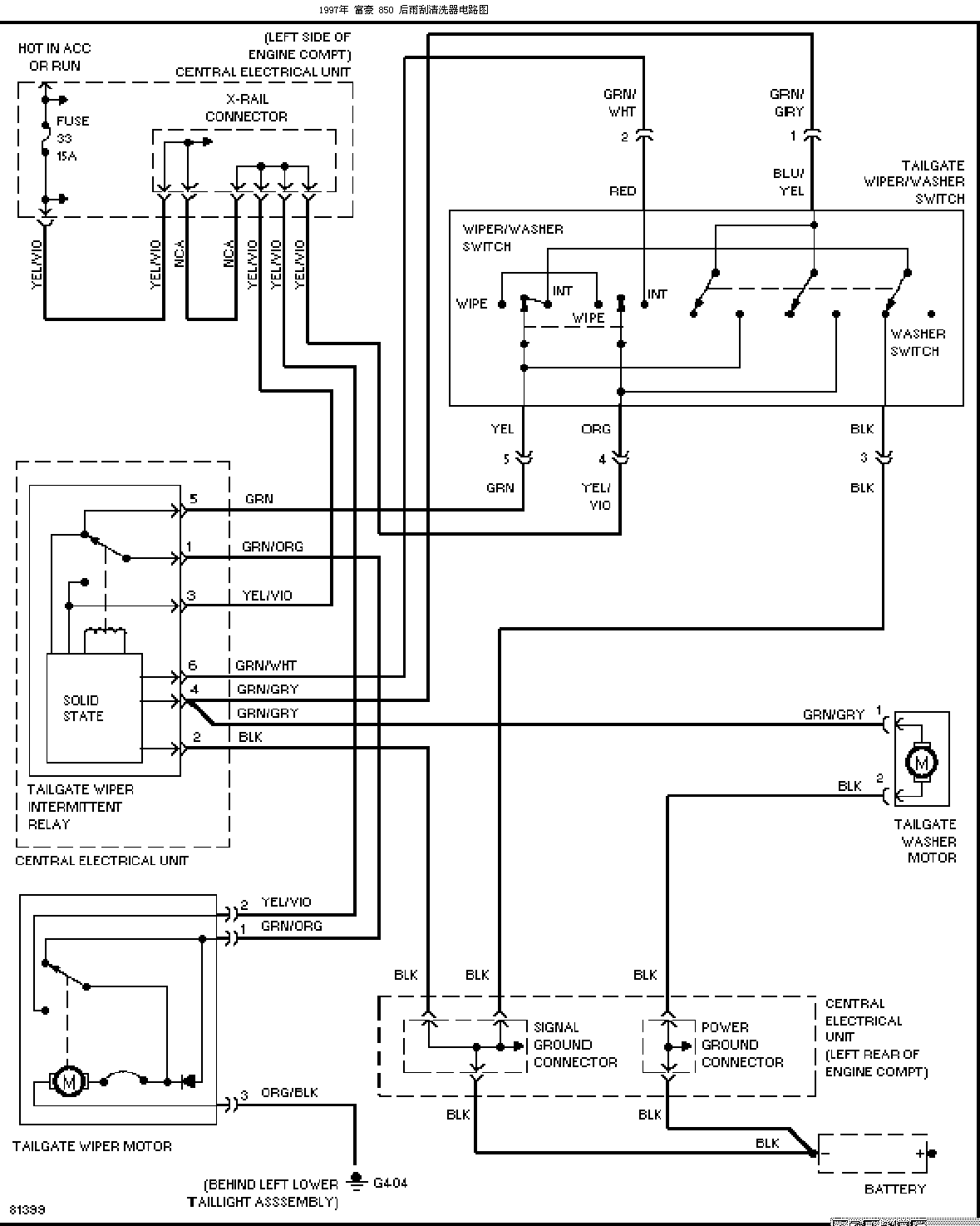
| 后雨刮清洗器电路图 | 遥控控制电路图 |
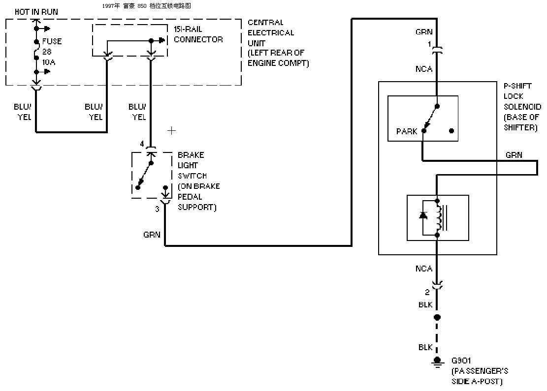
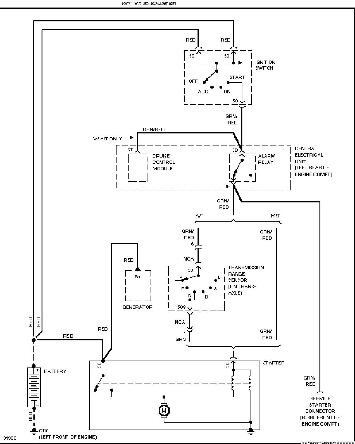
| 档位互锁电路图 | 起动系统电路图 |
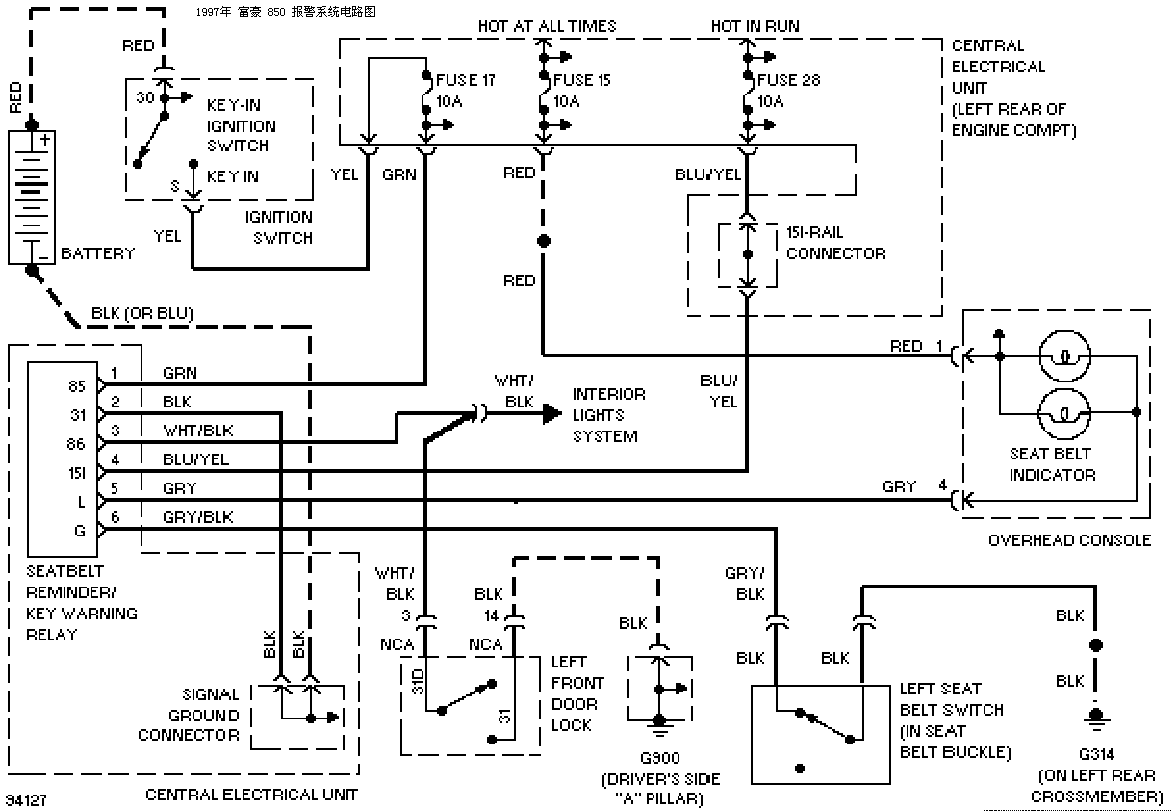
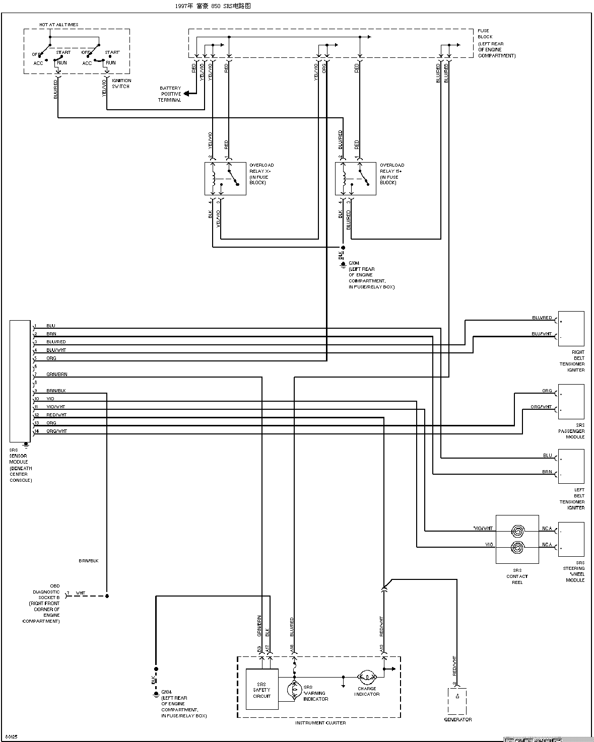
| SRS电路图 | 报警系统电路图 |
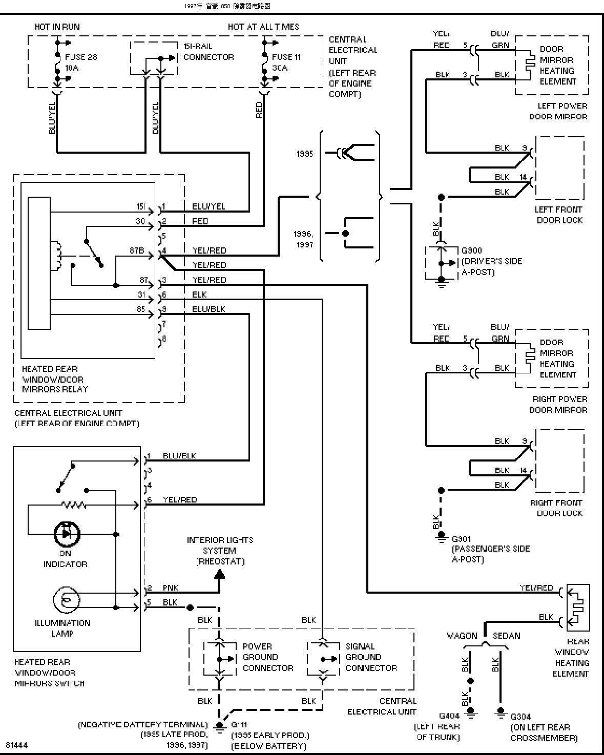
| 两级中控门锁电路图 | 除雾器电路图 |