Bullet1.gif (1223 bytes)TOYOTA及LEXUS-系列-O/D开关控制线路 Bullet1.gif (1223 bytes)A-240E-95年-PASEO线路图
Bullet1.gif (1223 bytes)A-46DE,A-46DF线路图 Bullet1.gif (1223 bytes)A-240E-96年-PASEO线路图
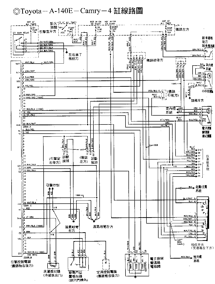
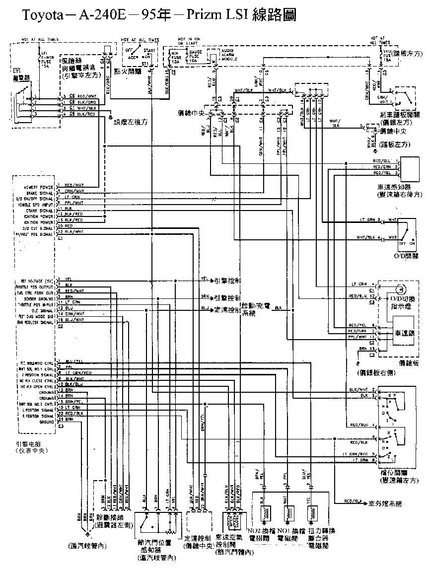
Bullet1.gif (1223 bytes)A-140E-CAMRY-4缸线路图 Bullet1.gif (1223 bytes)A-240E-95年-PRIZM LSI线路图
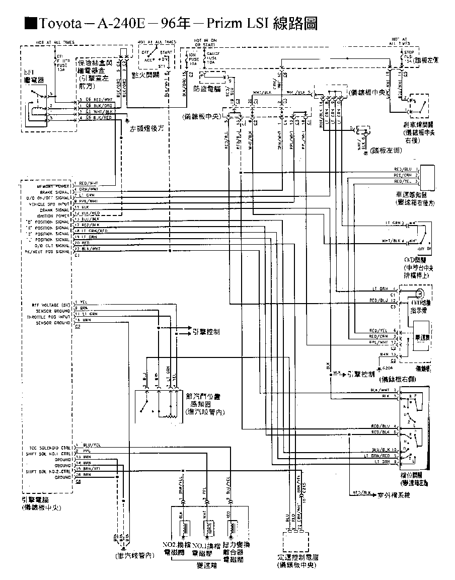
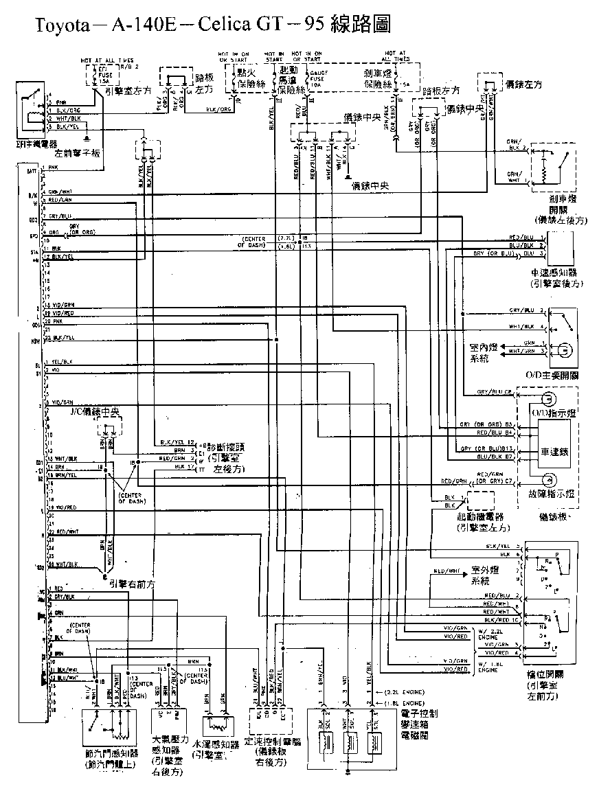
Bullet1.gif (1223 bytes)A-140E-CELICA GT-95线路图 Bullet1.gif (1223 bytes)A-240E-96年-PRIZM LSI线路图
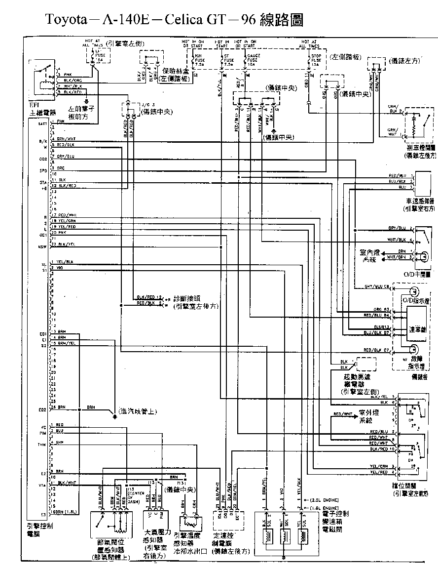
Bullet1.gif (1223 bytes)A-140E-CELICA GT-96线路图 Bullet1.gif (1223 bytes)A-240E-96年-RAV4线路图
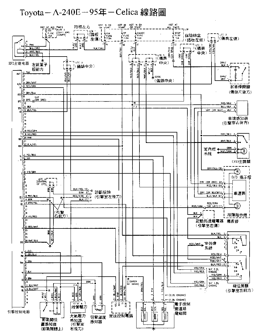
Bullet1.gif (1223 bytes)A-240E-95年-CELICA线路图 Bullet1.gif (1223 bytes)PICK-UP-A-340系列型线路图(95年)
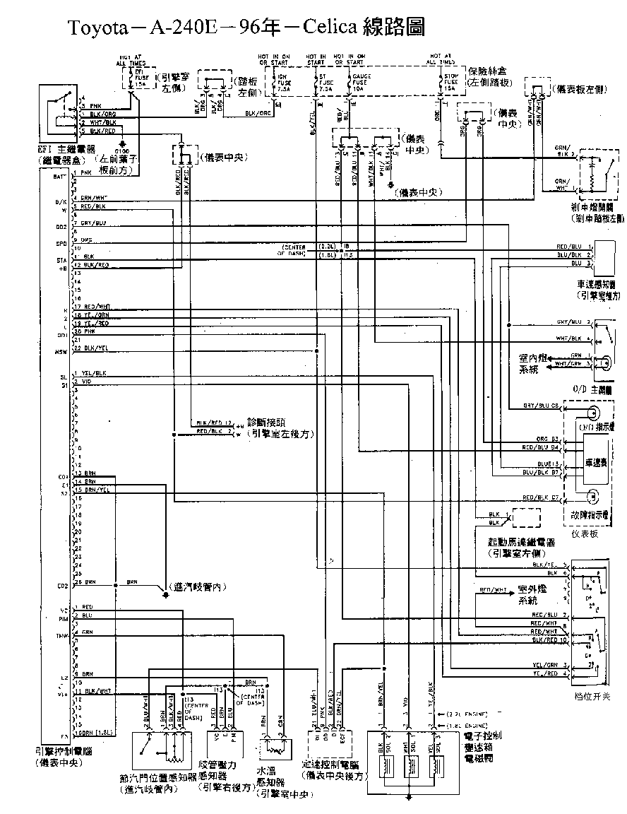
Bullet1.gif (1223 bytes)A-240E-96年-CELICA线路图 Bullet1.gif (1223 bytes)SUPRA TURBO--340系列型线路图(95年)
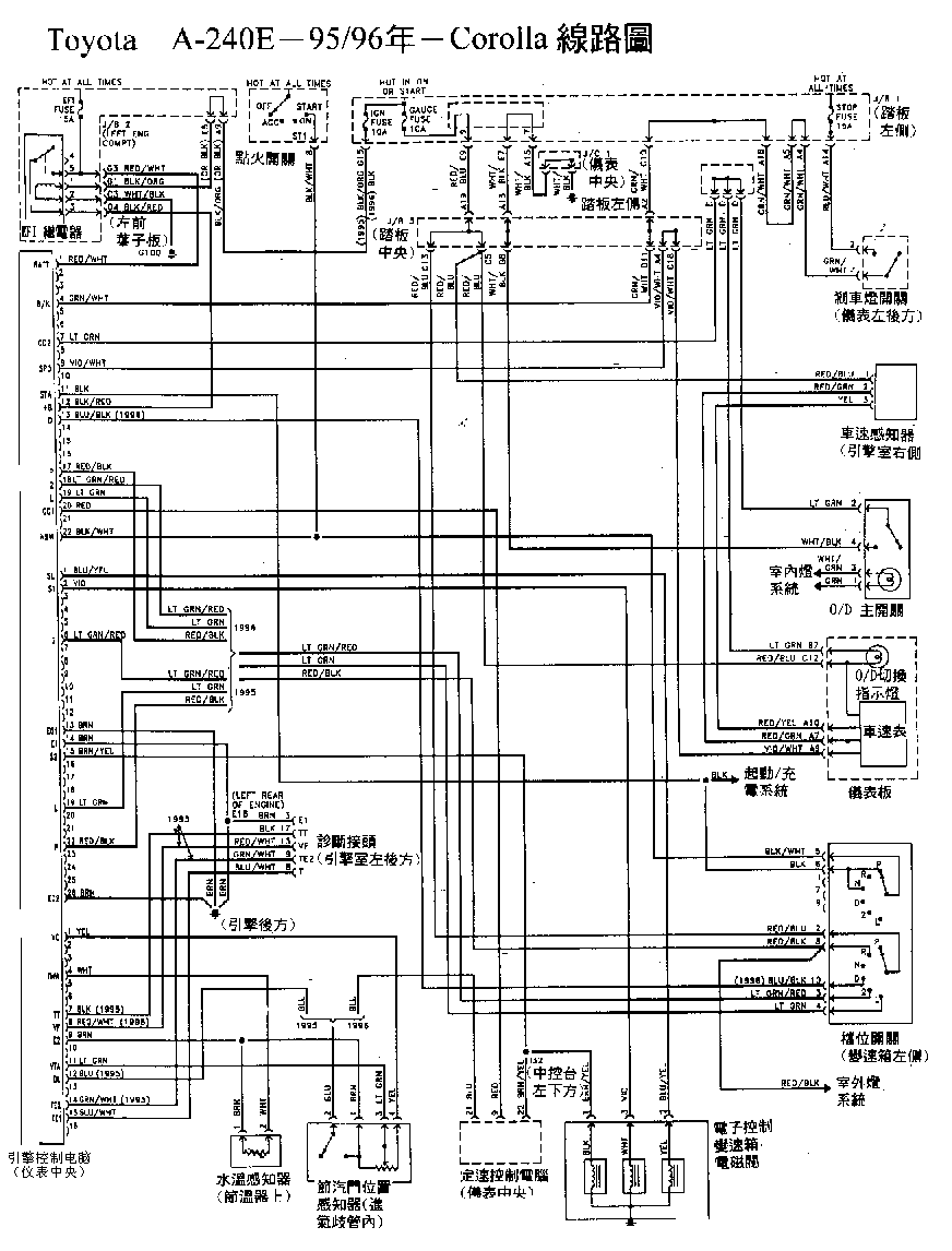
Bullet1.gif (1223 bytes)A-240E-95/96年-COROLLA线路图 Bullet1.gif (1223 bytes)4RRNNER-A-340系列型线路图(95年)
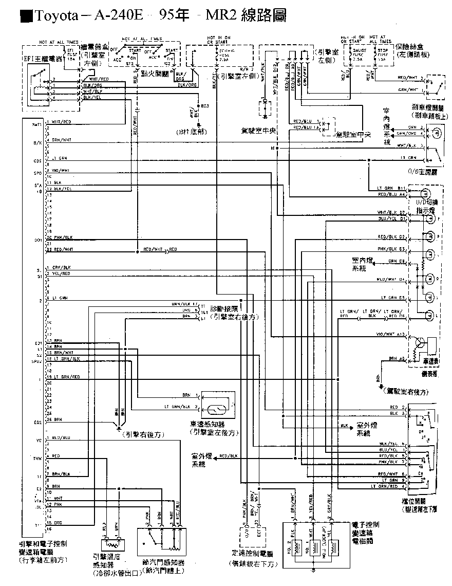
Bullet1.gif (1223 bytes)A-240E-95年-MR2线路图 Bullet1.gif (1223 bytes)SUPRA-A-340系列型线路图(95/96)
Bullet1.gif (1223 bytes)TACOMA(2.7L)-A-340系列型线路图(95/96)
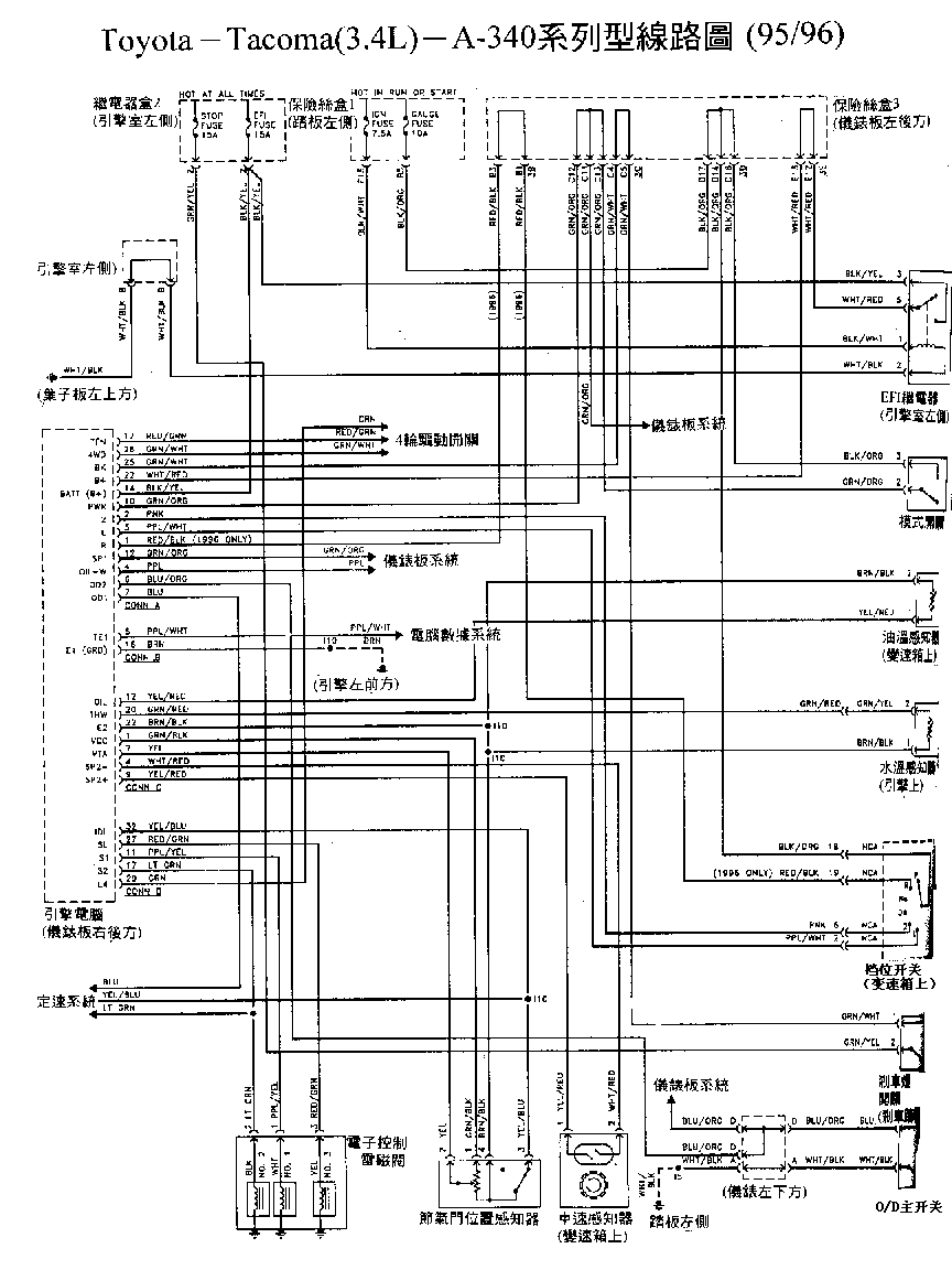
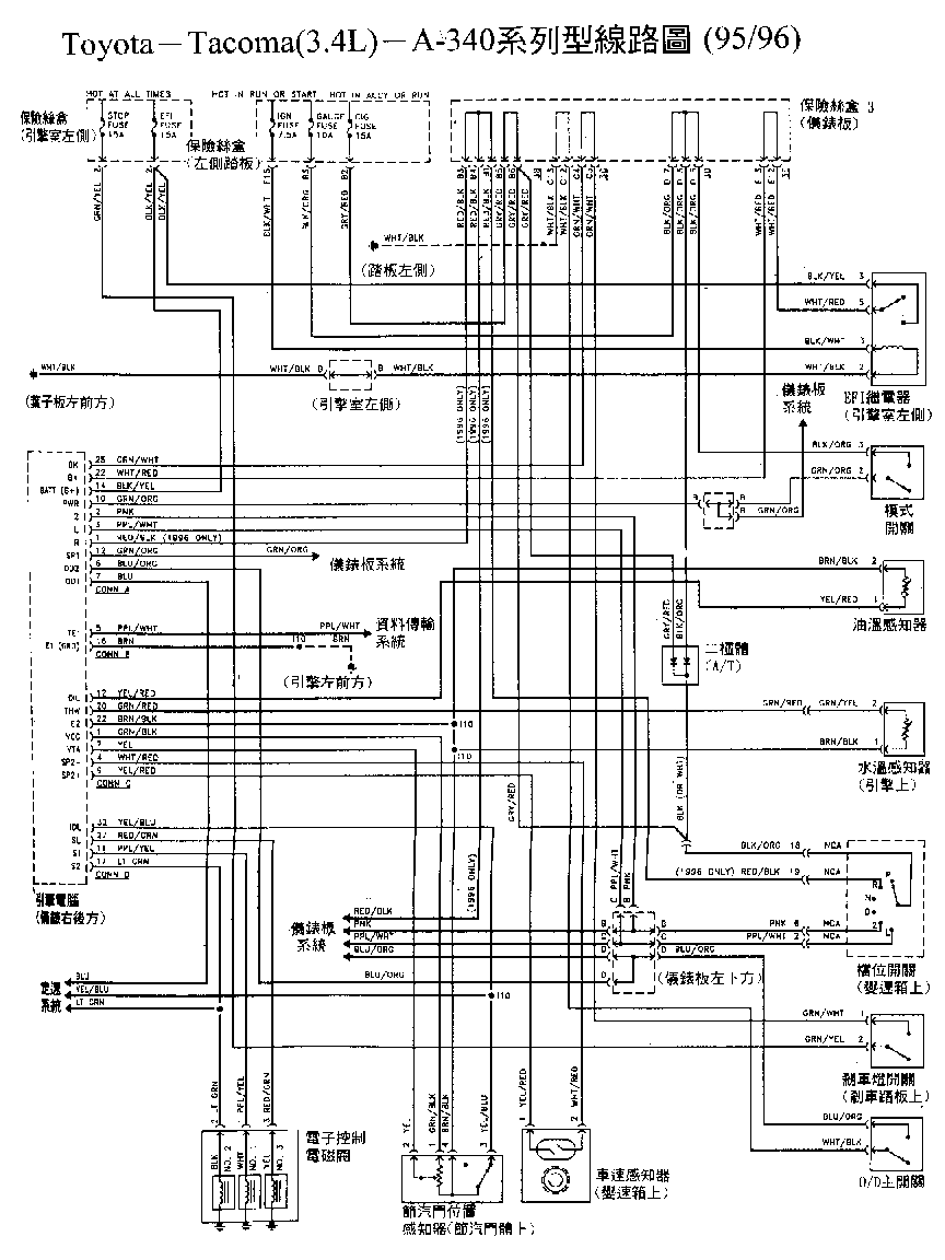
TACOMA(3.4L)-A-340系列型线路图(95/96)
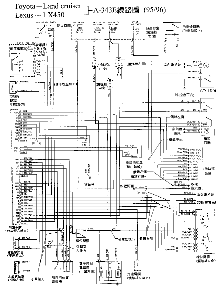
Bullet1.gif (1223 bytes)图一       图二 Bullet1.gif (1223 bytes)LAND CRUISER-A-343E线路图(95/96)
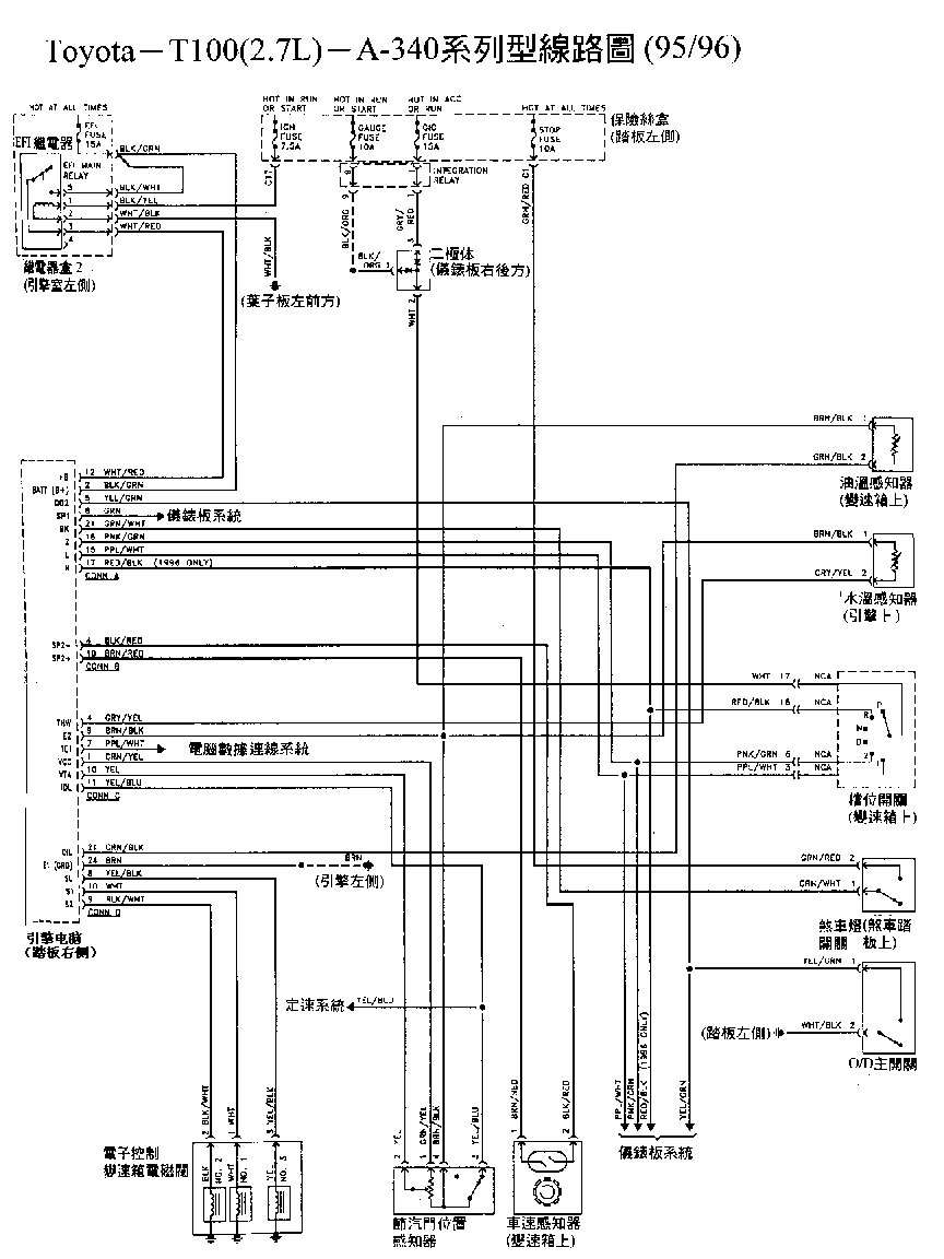
Bullet1.gif (1223 bytes)T100(2.7L)-A-340系列型线路图(95/96) Bullet1.gif (1223 bytes)RAV4-A-540H线路图
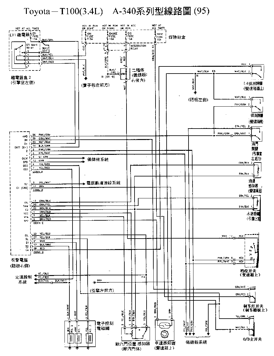
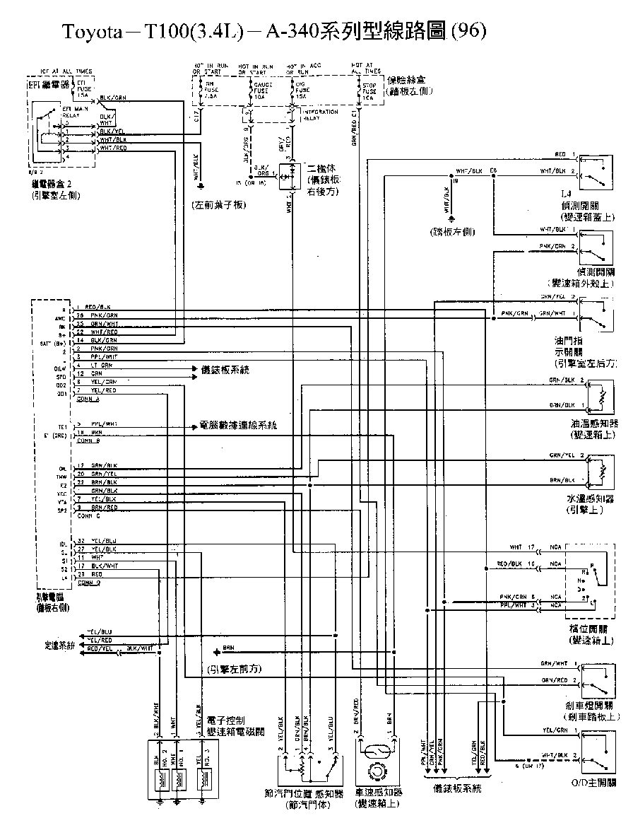
Bullet1.gif (1223 bytes)T100(3.4L)-A-340系列型线路图(95年) Bullet1.gif (1223 bytes)AVALON-A-541E线路图
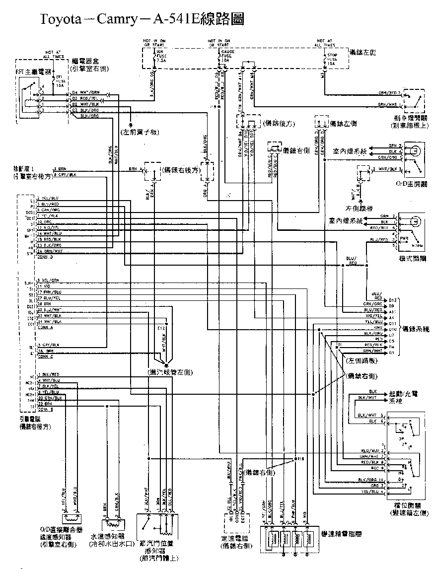
Bullet1.gif (1223 bytes)T100(3.4L)-A-340系列型线路图(96年) Bullet1.gif (1223 bytes)CAMRY-A-541E线路图
Bullet1.gif (1223 bytes)4RUNNER-A-340系列型线路图(96年)
凌志汽车自动变速箱电路图集